中文核心期刊

SCOPUS 数据库收录期刊

中国科技核心期刊

美国《化学文摘》来源期刊

中国优秀冶金期刊

美国EBSCO数据库收录期刊

RCCSE中国核心学术期刊

美国《剑桥科学文摘》来源期刊

中国应用核心期刊(CACJ)

美国《乌利希期刊指南》收录期刊

中国学术期刊综合评价统计源刊

俄罗斯《文摘杂志》来源期刊

优秀中文科技期刊(西牛计划)

日本《科学技术文献数据库》(JST)收录刊

留言板

尊敬的读者、作者、审稿人, 关于本刊的投稿、审稿、编辑和出版的任何问题, 您可以本页添加留言。我们将尽快给您答复。谢谢您的支持!

姓名
邮箱
手机号码
标题
留言内容
验证码

一种近α钛合金管在热轧过程中位向对组织球化的影响

祝文沙 潘明艳

祝文沙, 潘明艳. 一种近α钛合金管在热轧过程中位向对组织球化的影响[J]. 钢铁钒钛, 2021, 42(5): 69-73, 98. doi: 10.7513/j.issn.1004-7638.2021.05.011
引用本文: 祝文沙, 潘明艳. 一种近α钛合金管在热轧过程中位向对组织球化的影响[J]. 钢铁钒钛, 2021, 42(5): 69-73, 98. doi: 10.7513/j.issn.1004-7638.2021.05.011
Zhu Wensha, Pan Mingyan. Effect of crystallographic orientation on globularization during the rolling of a near α titanium alloy tube[J]. IRON STEEL VANADIUM TITANIUM, 2021, 42(5): 69-73, 98. doi: 10.7513/j.issn.1004-7638.2021.05.011
Citation: Zhu Wensha, Pan Mingyan. Effect of crystallographic orientation on globularization during the rolling of a near α titanium alloy tube[J]. IRON STEEL VANADIUM TITANIUM, 2021, 42(5): 69-73, 98. doi: 10.7513/j.issn.1004-7638.2021.05.011

一种近α钛合金管在热轧过程中位向对组织球化的影响

doi: 10.7513/j.issn.1004-7638.2021.05.011
基金项目: 国家自然科学基金(编号11535010)资助;山西机电职业技术学院科技创新类院级课题(编号KT-20002)。
详细信息
    作者简介:

    祝文沙(1987—),女,河北邯郸人,硕士,讲师,研究方向:材料加工等, E-mail:shasha_laobai@163.com

    通讯作者:

    潘明艳,讲师,博士,E-mail:pmy@siom.ac.cn

  • 中图分类号: TF823,TG337.6

Effect of crystallographic orientation on globularization during the rolling of a near α titanium alloy tube

  • 摘要: 研究了一种近α钛合金管在热轧过程中发生的动态球化规律。通过金相组织分析和电子背散射衍射(EBSD)技术对管材外表面附近和中间部位进行观察,结果发现:在热轧过程中,管材外表面附近的α相球化率很高,球化后的组织大角度晶界变多而小角度晶界变少;中间部位的α相球化程度受晶体学位向影响很大。通过计算不同晶体学取向α相的施密特因子,发现基面滑移和柱面滑移在轧向(RD)和弦向(TD)均有较大的施密特因子(>0.3)时,很容易发生球化。当α相仅有一种滑移系且仅在一个方向有较大的施密特因子时,则很难被球化。
  • 图  1  热轧管取样示意

    Figure  1.  Schematic diagram of sampled hot rolled tube

    图  2  轧制前管材的微观组织

    Figure  2.  Microstructure of the pipe before rolling

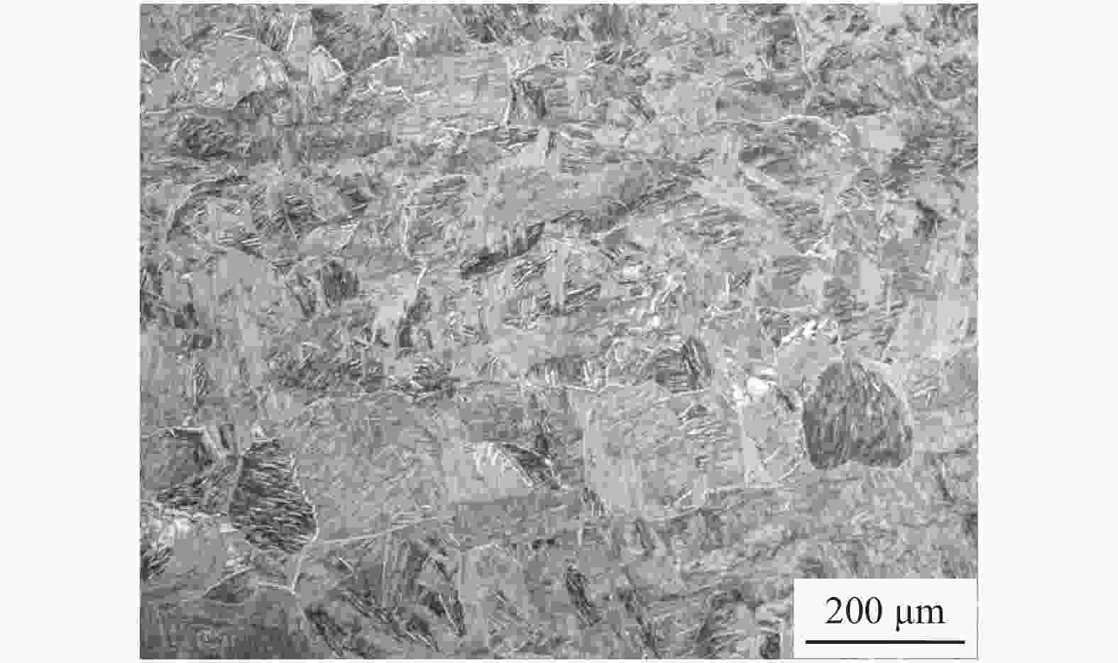
    图  3  管材纵截面不同部位的微观组织

    Figure  3.  Microstructure of different parts of the longitudinal section of the tube

    图  4  不同区域的再结晶晶粒分布情况

    Figure  4.  Distribution of recrystallized grains in different regions

    图  5  不同区域的位相差统计

    Figure  5.  Phase difference statistics of different regions

    图  6  管材不同区域的TD方向的EBSD反极图

    Figure  6.  The inverse pole figures in TD direction in different regions of the tube

    表  1  钛合金管材的实测成分

    Table  1.   Chemical compositions of Ti80 pipe %

    TiAlNbZrMoSiFeCNO
    87.6146.123.12.070.940.030.020.0050.0010.10
    下载: 导出CSV

    表  2  不同晶粒在不同应变方向下的施密特因子

    Table  2.   Schmidt factors of different grains in different strain directions

    滑移系施密特因子
    A1A2A3B1B2B3B4
    基面滑移
    {0001}
    RD0.320.080.060.280.050.340.02
    TD0.350.340.100.370.360.270.05
    柱面滑移
    {10-10}
    RD0.420.490.310.450.460.310.19
    TD0.500.280.200.400.080.410.45
    下载: 导出CSV
  • [1] Boyer R R. An overview on the use of titanium in the aerospace industry[J]. Materials Science and Engineering A, 1996,213(1−2):103−114. doi: 10.1016/0921-5093(96)10233-1
    [2] Schutz R W, Watkins H B. Recent developments in titanium alloy application in the energy industry[J]. Materials Science and Engineering A, 1998,243(1−2):305. doi: 10.1016/S0921-5093(97)00819-8
    [3] Gorynin I V. Titanium alloys for marine application[J]. Materials Science and Engineering A, 1999,263:112−116. doi: 10.1016/S0921-5093(98)01180-0
    [4] Li Baoxia, Li Hongbo, Zhao Fuqiang, et al. Study on technology of large size TC4 seamless pipe[J]. Nonferrous Metals Processing, 2018,47(5):47−49. (李宝霞, 李红博, 赵富强. 大规格TC4无缝管材工艺研究[J]. 有色金属加工, 2018,47(5):47−49. doi: 10.3969/j.issn.1671-6795.2018.05.011
    [5] Salem A A, Glavicic M G, Semiatin S L. The effect of preheat temperature and interpass reheating on microstructure and texture evolution during hot-rolling of Ti-6Al-4V[J]. Materials Science and Engineering A, 2008,496:169−176. doi: 10.1016/j.msea.2008.05.017
    [6] Bantounas I, Dye D, Lindley T C. The role of microtexture on the faceted fracture morphology in Ti–6Al–4V subjected to high-cycle fatigue[J]. Acta Materialia, 2010,58:3908−3918. doi: 10.1016/j.actamat.2010.03.036
    [7] Humbert M, Germain L, Gey N. Study of the variant selection in sharp textured regions of bimodal IMI 834 billet[J]. Materials Science and Engineering A, 2006,430:157−164. doi: 10.1016/j.msea.2006.05.047
    [8] Zhu Zhishou, Wang Qingru, Zheng Yongling. Quasi-β forging processing of titanium alloys[J]. Acta Metallurgica Sinica, 2002,38:382−384. (朱知寿, 王庆如, 郑永灵. 准β锻造钛合金的组织与性能研究[J]. 金属学报, 2002,38:382−384. doi: 10.3321/j.issn:0412-1961.2002.z1.117
    [9] Lütjering G, Albrecht J, Sauer C, et al. The influence of soft, precipitate-free zones at grain boundaries in Ti and Al alloys on their fatigue and fracture behavior[J]. Materials Science and Engineering A, 2007,470:201−209.
    [10] Song Hongwu, Zhang Shihong, Cheng Ming. Dynamic globularization kinetics during hot working of a two phase titanium alloy with a colony alpha microstructure[J]. Journal of Alloys and Compounds, 2009,480:922−927. doi: 10.1016/j.jallcom.2009.02.059
    [11] Semiatin S L, Seetharaman V, Weiss I. Flow behavior and globularization kinetics during hot working of Ti-6Al-4V with a colony alpha microstructure[J]. Materials Science and Engineering A, 1999,263:257−271. doi: 10.1016/S0921-5093(98)01156-3
    [12] Park C H, Won J W, Park J W. Mechanisms and kinetics of static spheroidization of hot-worked Ti-6Al-2Sn-4Zr-2Mo-0.1Si with a lamellar microstructure[J]. Metallurgical and Materials Transactions A, 2012,43:977−985. doi: 10.1007/s11661-011-1019-y
    [13] Bieler T R, Semiatin S L. The origins of heterogeneous deformation during primary hot working of Ti–6Al–4V[J]. International Journal of Plasticity, 2002,18:1165−1189. doi: 10.1016/S0749-6419(01)00057-2
    [14] Roy S, Suwas S. Microstructure and texture evolution during sub-transus thermomechanical processing of Ti-6Al-4V-0.1B alloy: Part I. Hot rolling in (α+β) phase field[J]. Metallurgical and Materials Transactions A, 2013,44:3303−3321. doi: 10.1007/s11661-013-1672-4
    [15] Roy S, Suwas S. The influence of temperature and strain rate on the deformation response and microstructural evolution during hot compression of a titanium alloy Ti-6Al-4V-0.1B[J]. Journal of Alloys and Compounds, 2013,548:110−125. doi: 10.1016/j.jallcom.2012.08.123
    [16] Roy S, Suwas S. Orientation dependent spheroidization response and macro-zone formation during sub β-transus processing of Ti-6Al-4V alloy[J]. Acta Materialia, 2017,134:283−301. doi: 10.1016/j.actamat.2017.04.071
    [17] Shi Jiaxin, Yu Wei, Dong Entao. Hot continuous-rolling process for Ti alloy seamless pipe and its application[J]. Journal of Chongqing University, 2019,42:43−47. (史佳新, 余伟, 董恩涛. 钛合金无缝管热连轧工艺及应用[J]. 重庆大学学报, 2019,42:43−47.
    [18] Wang L, Fan X G, Zhan M, et al. The heterogeneous globularization related to crystal and geometrical orientation of two-phase titanium alloys with a colony microstructure[J]. Materials and Design, 2020,186:108338. doi: 10.1016/j.matdes.2019.108338
  • 加载中
图(6) / 表(2)
计量
  • 文章访问数:  426
  • HTML全文浏览量:  133
  • PDF下载量:  36
  • 被引次数: 0
出版历程
  • 收稿日期:  2021-06-25
  • 刊出日期:  2021-10-30

目录

    /

    返回文章
    返回