中文核心期刊

SCOPUS 数据库收录期刊

中国科技核心期刊

美国《化学文摘》来源期刊

中国优秀冶金期刊

美国EBSCO数据库收录期刊

RCCSE中国核心学术期刊

美国《剑桥科学文摘》来源期刊

中国应用核心期刊(CACJ)

美国《乌利希期刊指南》收录期刊

中国学术期刊综合评价统计源刊

俄罗斯《文摘杂志》来源期刊

优秀中文科技期刊(西牛计划)

日本《科学技术文献数据库》(JST)收录刊

留言板

尊敬的读者、作者、审稿人, 关于本刊的投稿、审稿、编辑和出版的任何问题, 您可以本页添加留言。我们将尽快给您答复。谢谢您的支持!

姓名
邮箱
手机号码
标题
留言内容
验证码

浇铸过程底吹氩流量对金属液温度与凝固的影响

耿云飞 钟良才 杨晓猛 杨仕存 张岭 贺龙龙

耿云飞, 钟良才, 杨晓猛, 杨仕存, 张岭, 贺龙龙. 浇铸过程底吹氩流量对金属液温度与凝固的影响[J]. 钢铁钒钛, 2022, 43(2): 133-139. doi: 10.7513/j.issn.1004-7638.2022.02.020
引用本文: 耿云飞, 钟良才, 杨晓猛, 杨仕存, 张岭, 贺龙龙. 浇铸过程底吹氩流量对金属液温度与凝固的影响[J]. 钢铁钒钛, 2022, 43(2): 133-139. doi: 10.7513/j.issn.1004-7638.2022.02.020
Gen Yunfei, Zhong Liangcai, Yang Xiaomeng, Yang Shicun, Zhang Ling, He Longlong. Effect of bottom blowing argon flow on temperature and solidification of molten metal during casting[J]. IRON STEEL VANADIUM TITANIUM, 2022, 43(2): 133-139. doi: 10.7513/j.issn.1004-7638.2022.02.020
Citation: Gen Yunfei, Zhong Liangcai, Yang Xiaomeng, Yang Shicun, Zhang Ling, He Longlong. Effect of bottom blowing argon flow on temperature and solidification of molten metal during casting[J]. IRON STEEL VANADIUM TITANIUM, 2022, 43(2): 133-139. doi: 10.7513/j.issn.1004-7638.2022.02.020

浇铸过程底吹氩流量对金属液温度与凝固的影响

doi: 10.7513/j.issn.1004-7638.2022.02.020
基金项目: 中央高校基本科研业务专项资金资助(N2125018);科技部国家重点研发计划资助项目(2017YFB0304100);国家自然科学基金项目(51574069)。
详细信息
    作者简介:

    耿云飞(1995—),男,河北邢台人,汉,硕士研究生,主要从事钢铁冶金相关工作,E-mail: 2067256547@qq.com

    通讯作者:

    钟良才(1958—),教授, E-mail: zhonglc@smm.neu.edu.cn

  • 中图分类号: TF76,TG146

Effect of bottom blowing argon flow on temperature and solidification of molten metal during casting

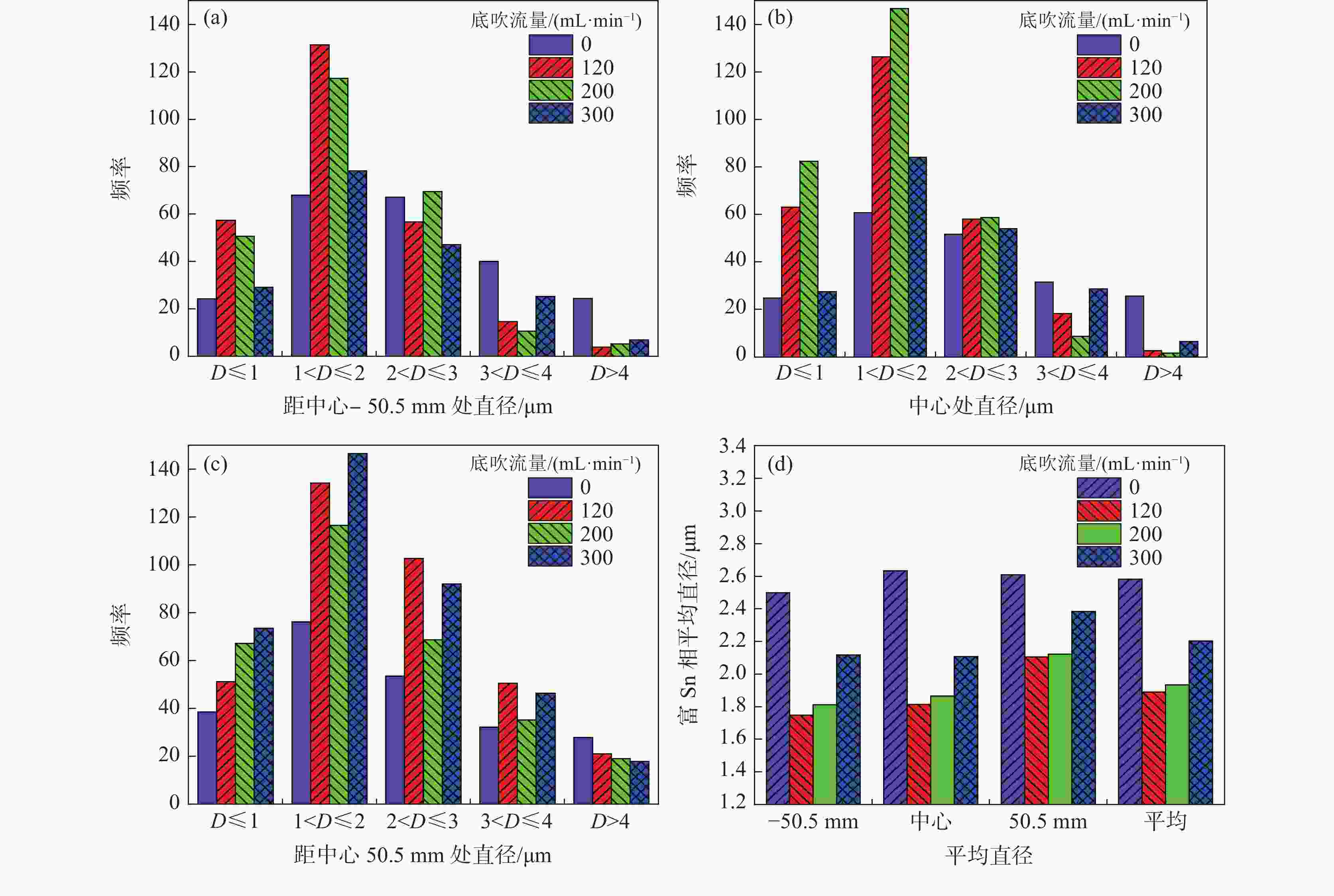
  • 摘要: 采用低熔点Pb18Sn12In21Bi49(质量分数)合金,在不锈钢的锭模中进行浇铸过程底吹氩试验。利用热电偶测定模内不同位置的温度,并采用扫描电镜(SEM)对凝固试样进行铸态相组织观察,研究了浇铸过程底吹氩对合金液温度与合金凝固相组织的影响。试验结果表明,浇铸过程无底吹时,水平方向中心测温点的温度下降很缓慢,浇铸结束后该点的温度骤降到凝固等温平台温度。当浇铸过程底吹氩时,中心点温度以较快的温降速率降低到凝固温度。无底吹氩时,在竖直方向,合金液从下自上依次开始凝固,而底吹氩时,各监测点几乎同时开始凝固。在相同的冷却条件下,浇铸过程底吹氩显著延迟模型下部的开始凝固时间。无底吹氩时检测截面上富Sn相平均直径在2.58 μm,当进行底吹氩时,可以有效改善凝固相组织粒径分布,细化合金铸态相组织,截面上富Sn相平均直径约为1.89~2.20 μm, 较无底吹时降低了26.7%~14.7%。
  • 图  1  试验装置示意

    Figure  1.  Schematic of experimental apparatus

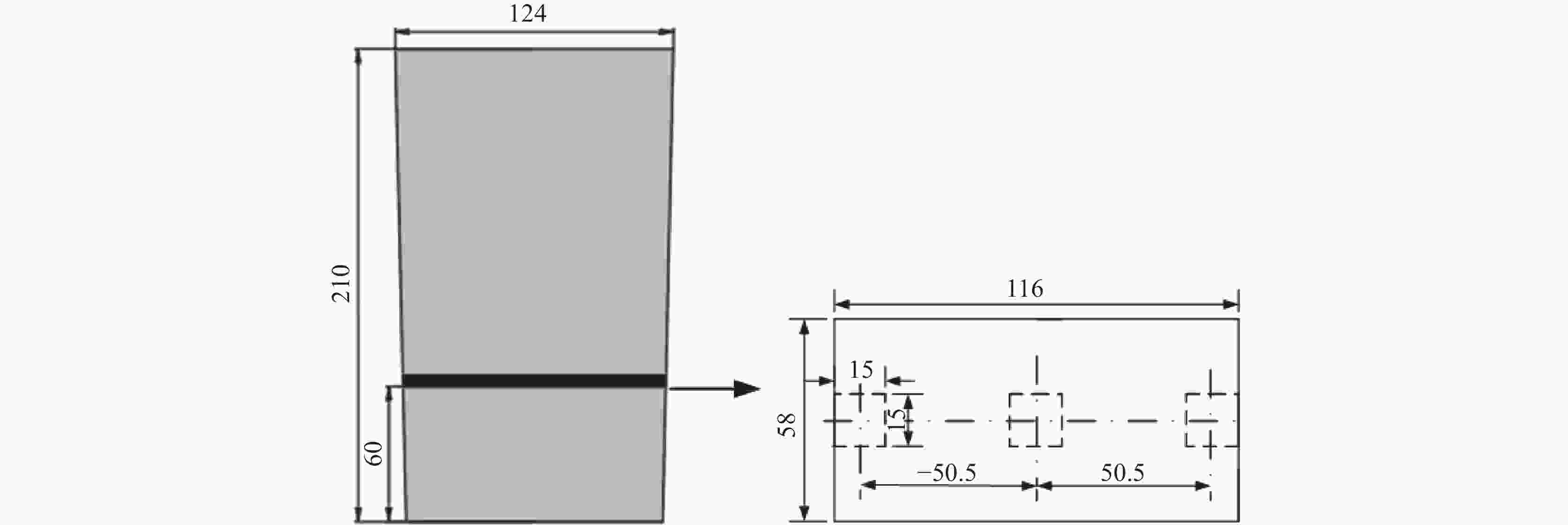
    图  2  铸锭取样方案(单位:mm)

    Figure  2.  Sampling scheme from cast ingot

    图  3  不同底吹流量下水平方向上的温度变化

    Figure  3.  Variations of temperature at the horizontal direction with different bottom argon flow rates

    图  4  不同底吹流量下竖直方向上温度的变化

    Figure  4.  Variations of temperature at the vertical direction with different bottom argon flow rates

    图  5  模型内各监测点的开始凝固时间对比

    Figure  5.  Comparison of solidification start time at each monitoring point

    图  6  不同底吹流量下截面中心处的Bi49 In21Pb18Sn12低熔点合金的背散射图像

    图中的黑色相为富Sn相,深灰色区域为InBi相,白色区域为PbBi相

    Figure  6.  SEM backscattered electron images of Bi49In21Pb18Sn12 low-melting-point alloy at the center of the cross section and bottom gas flow rates

    (a)q=0 mL/min;(b)q=120 mL/min;(c)q=200 mL/min;(d)q=300 mL/min

    图  7  不同底吹流量下富Sn相的粒径分布与平均直径

    Figure  7.  Particle size distribution and average diameter of Sn-rich phase with different bottom gas flow rates

    表  1  铸模模型的尺寸

    Table  1.   Main size of casting mold mm

    高度上部长边上部短边底部长边底部短边合金液入口直径
    23015494114544
    下载: 导出CSV
  • [1] Du Yawei, Wen Guanghua, Tang Ping. Molded in large steel and special steel production in terms of comparative advantage[J]. Metal World, 2009,(5):48−52. (杜亚伟, 文光华, 唐萍. 模铸在大钢锭及特殊钢生产方面的比较优势[J]. 金属世界, 2009,(5):48−52. doi: 10.3969/j.issn.1000-6826.2009.05.017
    [2] 马幼平, 许云华. 金属凝固原理与技术[M]. 北京: 冶金工业出版社, 2008.

    Ma Youping, Xu Yunhua. Metal solidification principle and technology[M]. Beijing: Metallurgical Industry Press, 2008.
    [3] Zhang Guozhi, Feng Yanhui, Zhang Xinxin, et al. Ammonium chloride aqueous solution of heat transfer in the directional solidification experiment analysis[J]. Journal of Thermal Science and Technology, 2007,6(2):113−118. (张国志, 冯妍卉, 张欣欣, 等. 氯化铵水溶液定向凝固实验的传热分析[J]. 热科学与技术, 2007,6(2):113−118. doi: 10.3969/j.issn.1671-8097.2007.02.004
    [4] Tan F L. An experimental study on channels formation during solidification of aqueous ammonium chloride[J]. Applied Thermal Engineering, 2005,25:2169−2192. doi: 10.1016/j.applthermaleng.2005.01.012
    [5] Bianchi M V A, Viskanta R. The effect of air bubbles on the diffusion-controlled solidification of water and aqueous solutions of ammonium chloride[J]. International Journal of Heat and Mass Transfer, 1999,42(6):1097−1110. doi: 10.1016/S0017-9310(98)00133-1
    [6] Shi Yufeng, Xu Qingyan, Gong Ming, et al. NH4Cl - H2O in the process of directional solidification dendrite growth numerical simulation[J]. Acta Metallurgica Sinica, 2011,(5):620−627. (石玉峰, 许庆彦, 龚铭, 等. 定向凝固过程中NH4Cl-H2O枝晶生长的数值模拟[J]. 金属学报, 2011,(5):620−627.
    [7] Zhang Xidong, Fan Yangyi. Wood's metal simulation of liquid steel bottom blowing research[J]. Journal of Shanghai Metal, 1994,(2):20−24. (张奚东, 樊养颐. 伍德合金模拟钢液的底吹研究[J]. 上海金属, 1994,(2):20−24.
    [8] 张静. 连铸电磁搅拌结晶器内钢液流动的数值模拟与实验研究[D]. 沈阳: 东北大学, 2011.

    Zhang Jing. Electromagnetic stirring continuous casting crystallizer flow of molten steel in the numerical simulation and experimental research[D]. Shenyang: Northeastern University, 2011.
    [9] Chen Lin, Zong Yanbing, Cang Daqiang, et al. Ultrasonic treatment on wood's metal refining and the effect of porosity generated[J]. Journal of Materials Science and Engineering, 2008,26(3):339−341. (陈琳, 宗燕兵, 苍大强, 等. 超声处理对伍德合金细化及气孔生成的影响[J]. 材料科学与工程学报, 2008,26(3):339−341.
    [10] Hua Junshan, Zhang Yongjie, Wang Engang, et al. The electromagnetic properties under the pulse magnetic field research: solidification experiment[J]. Journal of Northeastern University (Natural Science), 2011,32(2):258−261. (华骏山, 张永杰, 王恩刚, 等. 脉冲磁场下电磁力特性研究: 凝固实验[J]. 东北大学学报(自然科学版), 2011,32(2):258−261. doi: 10.3969/j.issn.1005-3026.2011.02.026
    [11] Li Hang, Li Jie, Xia Yunjin, et al. Pulse electric field inoculation effect on wood's metal solidification organization[J]. Journal of Anhui University of Technology (Natural Science), 2016,33(1):10−13. (李航, 李杰, 夏云进, 等. 脉冲电场孕育处理对伍德合金凝固组织的影响[J]. 安徽工业大学学报(自然科学版), 2016,33(1):10−13.
    [12] 王利君. 水冷模铸扁锭凝固过程及工艺参数探究的数值模拟[D]. 沈阳: 东北大学, 2013.

    Wang Lijun. Water-cooled mould casting slab ingot solidification process and the numerical simulation of the process parameters to explore[D]. Shenyang: Northeastern University, 2013.
  • 加载中
图(7) / 表(1)
计量
  • 文章访问数:  549
  • HTML全文浏览量:  177
  • PDF下载量:  41
  • 被引次数: 0
出版历程
  • 收稿日期:  2021-04-07
  • 网络出版日期:  2022-04-28
  • 刊出日期:  2022-04-28

目录

    /

    返回文章
    返回