中文核心期刊

SCOPUS 数据库收录期刊

中国科技核心期刊

美国《化学文摘》来源期刊

中国优秀冶金期刊

美国EBSCO数据库收录期刊

RCCSE中国核心学术期刊

美国《剑桥科学文摘》来源期刊

中国应用核心期刊(CACJ)

美国《乌利希期刊指南》收录期刊

中国学术期刊综合评价统计源刊

俄罗斯《文摘杂志》来源期刊

优秀中文科技期刊(西牛计划)

日本《科学技术文献数据库》(JST)收录刊

留言板

尊敬的读者、作者、审稿人, 关于本刊的投稿、审稿、编辑和出版的任何问题, 您可以本页添加留言。我们将尽快给您答复。谢谢您的支持!

姓名
邮箱
手机号码
标题
留言内容
验证码

平均载荷及载荷幅值对工业纯钛双轴保载疲劳行为影响

胡昌群 赵佳禹 常乐 周昌玉 贺小华

胡昌群, 赵佳禹, 常乐, 周昌玉, 贺小华. 平均载荷及载荷幅值对工业纯钛双轴保载疲劳行为影响[J]. 钢铁钒钛, 2023, 44(3): 52-60. doi: 10.7513/j.issn.1004-7638.2023.03.008
引用本文: 胡昌群, 赵佳禹, 常乐, 周昌玉, 贺小华. 平均载荷及载荷幅值对工业纯钛双轴保载疲劳行为影响[J]. 钢铁钒钛, 2023, 44(3): 52-60. doi: 10.7513/j.issn.1004-7638.2023.03.008
Hu Changqun, Zhao Jiayu, Chang Le, Zhou Changyu, He Xiaohua. Effects of mean load and load amplitude on biaxial dwell fatigue behavior of commercial pure titanium[J]. IRON STEEL VANADIUM TITANIUM, 2023, 44(3): 52-60. doi: 10.7513/j.issn.1004-7638.2023.03.008
Citation: Hu Changqun, Zhao Jiayu, Chang Le, Zhou Changyu, He Xiaohua. Effects of mean load and load amplitude on biaxial dwell fatigue behavior of commercial pure titanium[J]. IRON STEEL VANADIUM TITANIUM, 2023, 44(3): 52-60. doi: 10.7513/j.issn.1004-7638.2023.03.008

平均载荷及载荷幅值对工业纯钛双轴保载疲劳行为影响

doi: 10.7513/j.issn.1004-7638.2023.03.008
基金项目: 国家自然科学基金资助(项目号No.51975271和51905260)。
详细信息
    作者简介:

    胡昌群,1993年出生,男,山东莱阳人,硕士研究生,主要从事过程设备结构与强度研究,E-mail:1205431863@qq.com

  • 中图分类号: TF823,TG146.23

Effects of mean load and load amplitude on biaxial dwell fatigue behavior of commercial pure titanium

  • 摘要: 通过室温双轴保载疲劳试验,研究了不同平均载荷及载荷幅值对工业纯钛双轴保载疲劳行为的影响。结果表明,在相同保载时间下,平均应变及应变速率随着平均载荷和载荷幅值的升高而逐渐增大。当载荷幅值一定时,蠕变应变随着平均载荷的增大而增大,当平均载荷一定时,蠕变应变随着载荷幅值的增大反而减小。分析双轴棘轮与蠕变应变之间交互作用时,发现两者始终相互制约。断口分析表明,随着平均载荷和载荷幅值的增大,疲劳条带特征逐渐消失,韧窝及撕裂棱数量显著增加,断口呈现韧性失效特征。随着平均载荷或载荷幅值的增加,等效应变幅值增加,疲劳寿命逐渐降低。与平均载荷的影响相比,疲劳寿命对载荷幅值的变化更加敏感。分别利用最大主应变、最大剪应变、Mises等效应变、最大主应力及SWT模型进行双轴保载疲劳寿命预测,其中SWT模型预测精度最高。
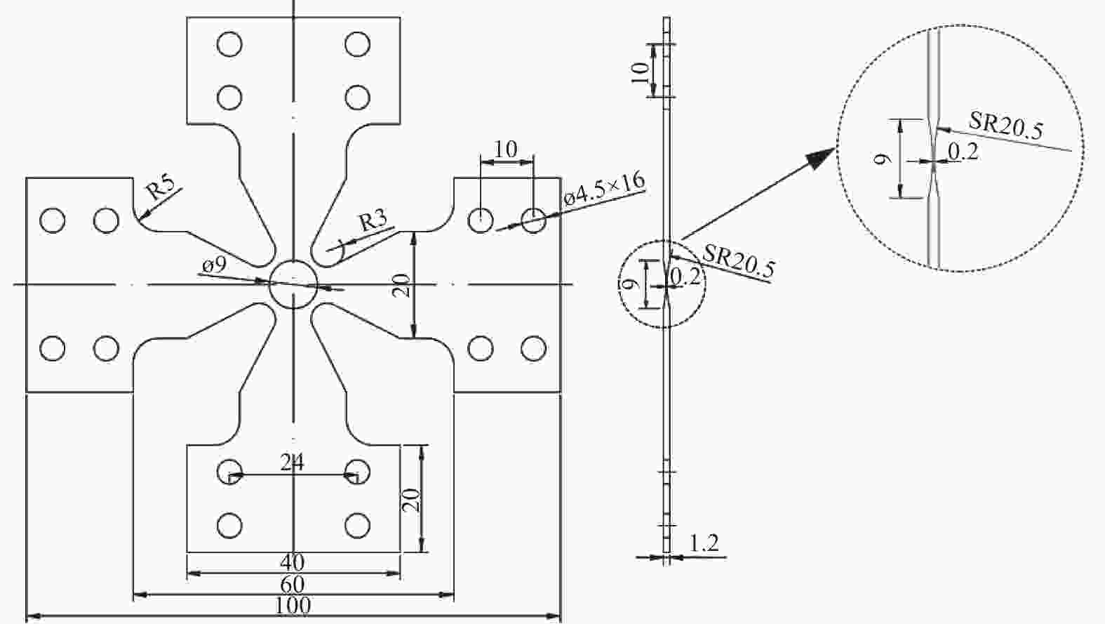
  • 图  1  十字形试件形状及尺寸(单位:mm)

    Figure  1.  Optimized shape and size of the cruciform specimen

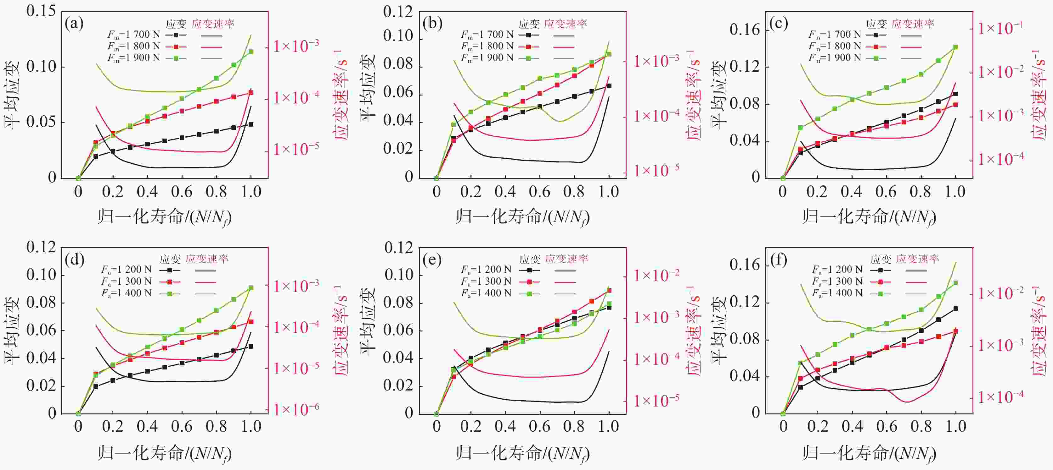
    图  2  各点应变(Th=10 s)

    Figure  2.  The strain point diagram (Th=10 s)

    图  3  非对称循环载荷下的保载疲劳X轴应变变化曲线

    Figure  3.  Dwell fatigue X-axis strain variation curves with asymmetric cyclic loading

    (a) Fa=1200 N; (b) Fa=1300 N; (c) Fa=1400 N ;(d) Fm=1700 N ;(e) Fm=1800 N ;(f) Fm=1900 N

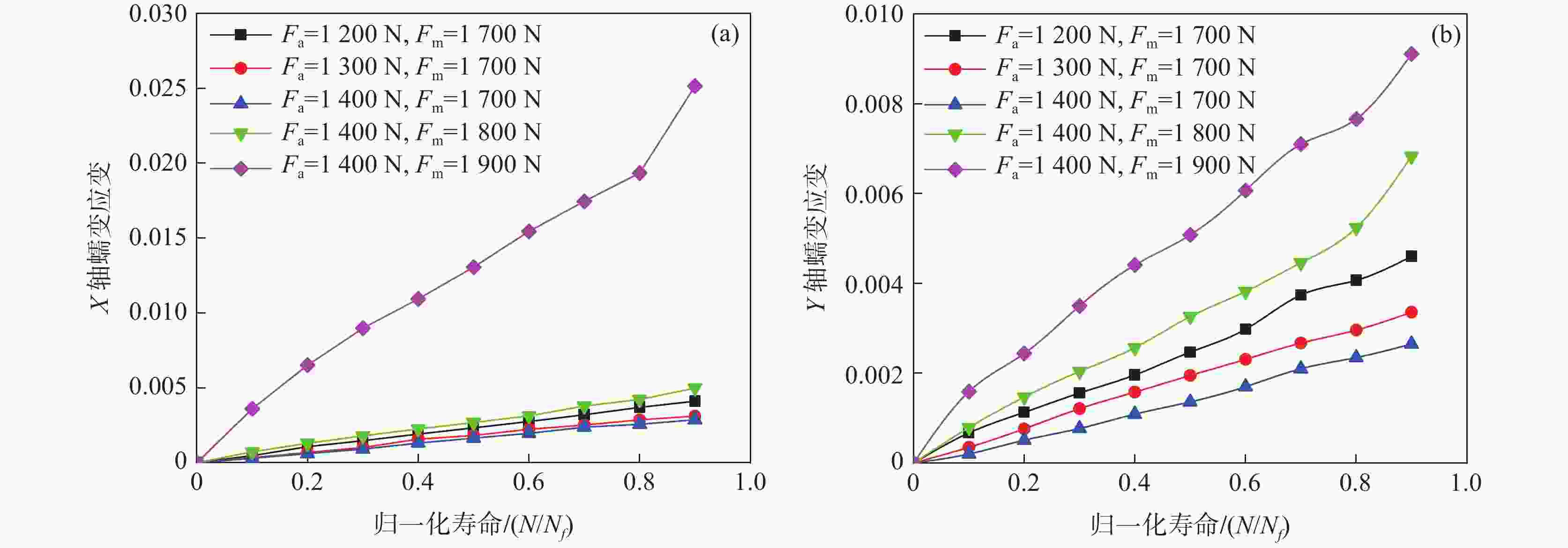
    图  4  非对称载荷下蠕变应变曲线

    (a)X轴蠕变应变曲线;(b) Y轴蠕变应变曲线

    Figure  4.  Creep strain curves under asymmetric loading

    图  5  非对称载荷下双轴应变变化曲线

    X轴应变变化曲线:(a)Fa=1300 N, Fm=1800 N;(c)Fa=1300 N, Fm=1900 N;(e)Fa=1400 N, Fm=1900 N;Y轴应变变化曲线:(b)Fa=1300 N, Fm=1800 N;(d)Fa=1300 N, Fm=1900 N;(f)Fa=1400 N, Fm=1900 N

    Figure  5.  Biaxial strain variation curves under asymmetric loading

    图  6  不同平均载荷及载荷幅值下断口形貌

    Figure  6.  Fracture morphology under different mean loads and load amplitudes

    (a) Fa=1200 N,Fm=1700 N ;(b) Fa=1400 N,Fm=1700 N; (c) Fa=1400 N, Fm=1900 N

    图  7  疲劳断口SEM形貌(Fa=1200 N,Fm=1700 N)

    (a)裂纹源区;(b)裂纹扩展区;(c)疲劳辉纹;(d)瞬断区

    Figure  7.  SEM images of fatigue fracture( Fa=1200 N,Fm=1700 N )

    图  8  疲劳断口SEM形貌(Fa=1400 N,Fm=1700 N)

    (a)裂纹源区;(b)裂纹扩展区;(c)疲劳辉纹;(d)瞬断区

    Figure  8.  SEM images of fatigue fracture (Fa=1400 N,Fm=1700 N)

    图  9  疲劳断口SEM形貌(Fa=1400 N,Fm=1900 N)

    (a)裂纹源区;(b)裂纹扩展区;(c)疲劳辉纹;(d)瞬断区

    Figure  9.  SEM images of fatigue fracture( Fa=1400 N,Fm=1900 N )

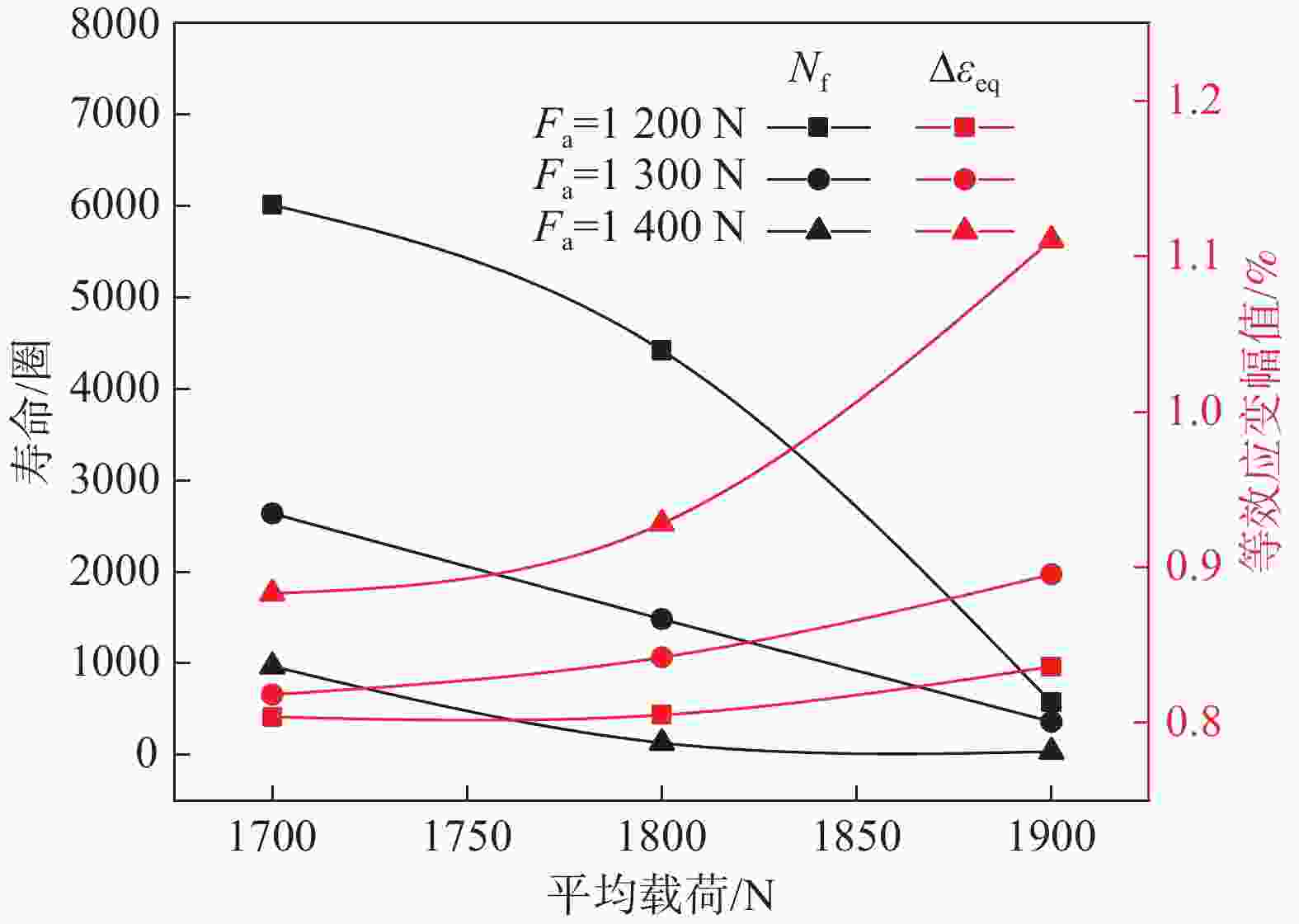
    图  10  保载疲劳寿命与等效应变幅值随平均载荷的变化

    Figure  10.  Variation of dwell fatigue life and equivalent strain amplitude with different mean loads

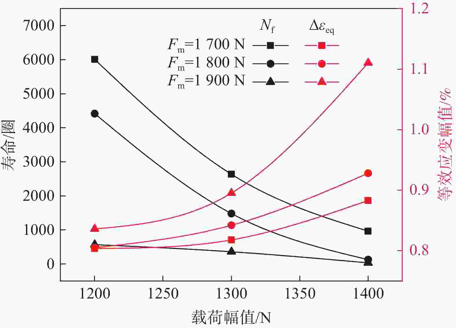
    图  11  保载疲劳寿命与等效应变幅值随载荷幅值的变化

    Figure  11.  Variation of dwell fatigue life and equivalent strain amplitude with different load amplitudes

    图  12  不同预测模型的寿命预测结果曲线

    (a) 最大主应变; (b) 最大剪应变; (c) Mises等效应变;(d) 最大主应力; (e) SWT

    Figure  12.  Comparisons between predicted results by different models and experimental results

    表  1  TA2在不同平均载荷及载荷幅值下的双轴保载疲劳试验方案

    Table  1.   Biaxial dwell fatigue test scheme of TA2 under different average loads and load amplitudes

    编号Fm/NFa/N半寿命周次Nf
    Δεx/%Δεν/%ΔεZ/%Δεeq/%
    1170012000.4480.354-0.8020.80386013
    2180012000.4130.392−0.8050.80514420
    31 90012000.4310.405−0.8360.8361570
    4170013000.4030.415−0.8180.81802638
    5180013000.4350.407−0.8420.84221484
    61 90013000.4720.423−0.8950.8954360
    7170014000.4540.429−0.8830.8831968
    8180014000.4770.451−0.9280.9281130
    91 90014000.6490.456−1.1051.110634
    下载: 导出CSV

    表  2  不同预测模型的参数取值

    Table  2.   Parameter values of different prediction models

    预测模型Ab
    最大主应变1.2938−0.05884
    最大剪应变1.0347−0.06581
    Mises等效应变1.3559−0.05953
    最大主应力552.8398−0.01735
    SWT715.9432−0.07639
    下载: 导出CSV

    表  3  不同寿命预测模型的预测误差

    Table  3.   Prediction errors of different life prediction models

    预测模型平均误差/%
    最大主应变58.50
    最大剪应变69.33
    Mises 等效应变59.75
    最大主应力68.54
    SWT34.07
    下载: 导出CSV
  • [1] Chang L, Zhou B B, Ma T H, et al. The difference in low cycle fatigue behavior of CP-Ti under fully reversed strain and stress controlled modes along rolling direction[J]. Materials Science and Engineering A, 2019,742:211−223. doi: 10.1016/j.msea.2018.11.003
    [2] Peng J, Zhou C Y, Dai Q, et al. Fatigue and ratcheting behaviors of CP-Ti at room temperature[J]. Materials Science and Engineering A, 2014,59:329−337.
    [3] Chang L, Wen J B, Zhou C Y, et al. Uniaxial ratcheting behavior and fatigue life models of commercial pure titanium[J]. Fatigue & Fracture of Engineering Materials & Structures, 2018,41(9):2024−2039.
    [4] Chang L, Ma T H, Zhou B B, et al. Comprehensive investigation of fatigue behavior and a new strain-life model for CP-Ti under different loading conditions[J]. International Journal of Fatigue, 2019,129(C):105220.
    [5] Ma T H, Gao N, Chang L, et al. Low-cycle fatigue behavior and life prediction of CP-Ti under non-proportional and multiaxial loading[J]. Engineering Fracture Mechanics, 2021,254:107930. doi: 10.1016/j.engfracmech.2021.107930
    [6] Ma T H, Zhou C Y, Gao N, et al. Low cycle fatigue behavior of CP-Ti under multiaxial load-controlled mode at different multiaxial stress ratios[J]. International Journal of Fatigue, 2022,160:106868. doi: 10.1016/j.ijfatigue.2022.106868
    [7] Zhao J Y, Lu Z, Zhou C Y, et al. In‐plane biaxial ratcheting effect and low‐cycle fatigue behavior of CP‐Ti based on DIC method[J]. Fatigue & Fracture of Engineering Materials & Structures, 2022,45(5):1464−1479.
    [8] Chang L, Zhou C Y, Peng J, et al. Creep behavior of CP-Ti TA2 at low temperature and intermediate temperature[J]. Rare Metal Materials and Engineering, 2017,46(6):1463−1468. doi: 10.1016/S1875-5372(17)30147-9
    [9] Peng J, Zhou C Y, Dai Q, et al. Dwell fatigue and cycle deformation of CP-Ti at ambient temperature[J]. Materials & Design, 2015,71:1−16.
    [10] Sakane M, Isobe N. Tension-torsion multiaxial creep-fatigue lives of the Nickel-based superalloy alloy 738LC[J]. International Journal of Fatigue, 2022,155:106575. doi: 10.1016/j.ijfatigue.2021.106575
    [11] Yamamoto T, Itoh T, Sakane M, et al. Creep-fatigue life of Sn-8Zn-3Bi solder under multiaxial loading[J]. International Journal of Fatigue, 2012,43:235−241. doi: 10.1016/j.ijfatigue.2012.04.007
    [12] Zhang S D, Sakane M. Multiaxial creep-fatigue life prediction for cruciform specimen[J]. International Journal of Fatigue, 2007,29(12):2191−2199. doi: 10.1016/j.ijfatigue.2006.12.012
    [13] Xu L, Kojima T, Itoh T. Creep–fatigue life evaluation of type 304 stainless steel under non-proportional loading[J]. International Journal of Pressure Vessels and Piping, 2021,194:104515. doi: 10.1016/j.ijpvp.2021.104515
    [14] Conceptualization L X U, Conceptualization R Z W, Conceptualization L H E. On multiaxial creep–fatigue considering the non-proportional loading effect: Constitutive modeling, deformation mechanism, and life prediction[J]. International Journal of Plasticity, 2022: 103337.
    [15] Li D H, Shang D G, Yin X, et al. A novel fatigue-oxidation-creep life prediction method under non-proportional loading[J]. Engineering Failure Analysis, 2022,131:105805. doi: 10.1016/j.engfailanal.2021.105805
    [16] Bertini L. Life predictions by three creep-fatigue interaction models: influence of multiaxiality and time-variable loadings[J]. Materials at High Temperatures, 1991,9(1):23−29. doi: 10.1080/09603409.1991.11689636
    [17] Asayama T, Aoto K, Wada Y. Effect of nonproportional loading on creep-fatigue properties of 304 stainless steel at low strain ranges near the elastic region[J]. Nuclear Engineering and Design, 1993,139(3):299−309. doi: 10.1016/0029-5493(93)90172-6
    [18] ASTM E8/E8 M-2013a. Standard test method for tension testing of metallic materials[S].
    [19] Kulawinski D, Ackermann S, Glage A, et al. Biaxial low cycle fatigue behavior and martensite formation of a metastable austenitic cast TRIP steel under proportional loading[J]. Steel Research International, 2011,82(9):1141−1148. doi: 10.1002/srin.201100111
    [20] Sakane M. Effect of multiaxial stress and strain on low cycle fatigue, creep and creep-fatigue lifetimes for type 304 steel cruciform and cubic specimens[J]. Materialwissenschaft und Werkstoffechnik, 2018,49(3):301−315. doi: 10.1002/mawe.201700206
    [21] Nagel K, Kulawinski D, Henkel S. Characterization of stress-strain behavior of a cast TRIP steel under different biaxial planar load ratios[J]. Engineering Fracture Mechanics, 2011,78(8):1684−1695. doi: 10.1016/j.engfracmech.2011.02.021
    [22] Xiao Lin, Song Kai, Gu Haicheng. Biaxial low cycle fatigue lifetime evaluation of Zircaloy-4[J]. Acta. Metall. Sin., 1999,(4):397−402. (肖林, 宋凯, 顾海澄. Zr-4双轴低周疲劳寿命估算[J]. 金属学报, 1999,(4):397−402.

    Xiao Lin, Song Kai, Gu Haicheng. Biaxial low cycle fatigue lifetime evaluation of Zircaloy-4[J]. Acta. Metall. Sin. , 1999 (4): 397-402.
    [23] Poncelet M, Barbier G, Raka B, et al. Biaxial high cycle fatigue of a type 304L stainless steel: Cyclic strains and crack initiation detection by digital image correlation[J]. European Journal of Mechanics / A Solids, 2010,29(5):810−825. doi: 10.1016/j.euromechsol.2010.05.002
    [24] Takamoto I, Sakane M, Masateru O. High temperature multiaxial low cycle fatigue of cruciform specimen[J]. Journal of Engineering Materials and Technology, 1994,116(1):90−98. doi: 10.1115/1.2904261
    [25] Cláudio R, Reis L, Freitas M. Biaxial high-cycle fatigue life assessment of ductile aluminum cruciform specimens[J]. Theoretical and Applied Fracture Mechanics, 2014,73:82−90. doi: 10.1016/j.tafmec.2014.08.007
  • 加载中
图(12) / 表(3)
计量
  • 文章访问数:  456
  • HTML全文浏览量:  194
  • PDF下载量:  20
  • 被引次数: 0
出版历程
  • 收稿日期:  2022-11-18
  • 刊出日期:  2023-06-30

目录

    /

    返回文章
    返回