中文核心期刊

SCOPUS 数据库收录期刊

中国科技核心期刊

美国《化学文摘》来源期刊

中国优秀冶金期刊

美国EBSCO数据库收录期刊

RCCSE中国核心学术期刊

美国《剑桥科学文摘》来源期刊

中国应用核心期刊(CACJ)

美国《乌利希期刊指南》收录期刊

中国学术期刊综合评价统计源刊

俄罗斯《文摘杂志》来源期刊

优秀中文科技期刊(西牛计划)

日本《科学技术文献数据库》(JST)收录刊

留言板

尊敬的读者、作者、审稿人, 关于本刊的投稿、审稿、编辑和出版的任何问题, 您可以本页添加留言。我们将尽快给您答复。谢谢您的支持!

姓名
邮箱
手机号码
标题
留言内容
验证码

TC4钛合金基于Voce方程的稳定流变本构模型研究

方强 王莹 尹晶晶

方强, 王莹, 尹晶晶. TC4钛合金基于Voce方程的稳定流变本构模型研究[J]. 钢铁钒钛, 2021, 42(4): 47-51, 72. doi: 10.7513/j.issn.1004-7638.2021.04.008
引用本文: 方强, 王莹, 尹晶晶. TC4钛合金基于Voce方程的稳定流变本构模型研究[J]. 钢铁钒钛, 2021, 42(4): 47-51, 72. doi: 10.7513/j.issn.1004-7638.2021.04.008
Fang Qiang, Wang Yin, Yin Jingjing. Constitutive model for elevated temperature flow stress of Ti–6Al–4V alloy considering the effect of work softening[J]. IRON STEEL VANADIUM TITANIUM, 2021, 42(4): 47-51, 72. doi: 10.7513/j.issn.1004-7638.2021.04.008
Citation: Fang Qiang, Wang Yin, Yin Jingjing. Constitutive model for elevated temperature flow stress of Ti–6Al–4V alloy considering the effect of work softening[J]. IRON STEEL VANADIUM TITANIUM, 2021, 42(4): 47-51, 72. doi: 10.7513/j.issn.1004-7638.2021.04.008

TC4钛合金基于Voce方程的稳定流变本构模型研究

doi: 10.7513/j.issn.1004-7638.2021.04.008
基金项目: 四川省重点研发项目(编号2018GZ0037)
详细信息
    作者简介:

    方强(1987−),男,湖南邵阳人,金属材料高级工程师,主要从事钛金属压延成型技术研究,E-mail:qiang.fang@queensu.ca

  • 中图分类号: TF823

Constitutive model for elevated temperature flow stress of Ti–6Al–4V alloy considering the effect of work softening

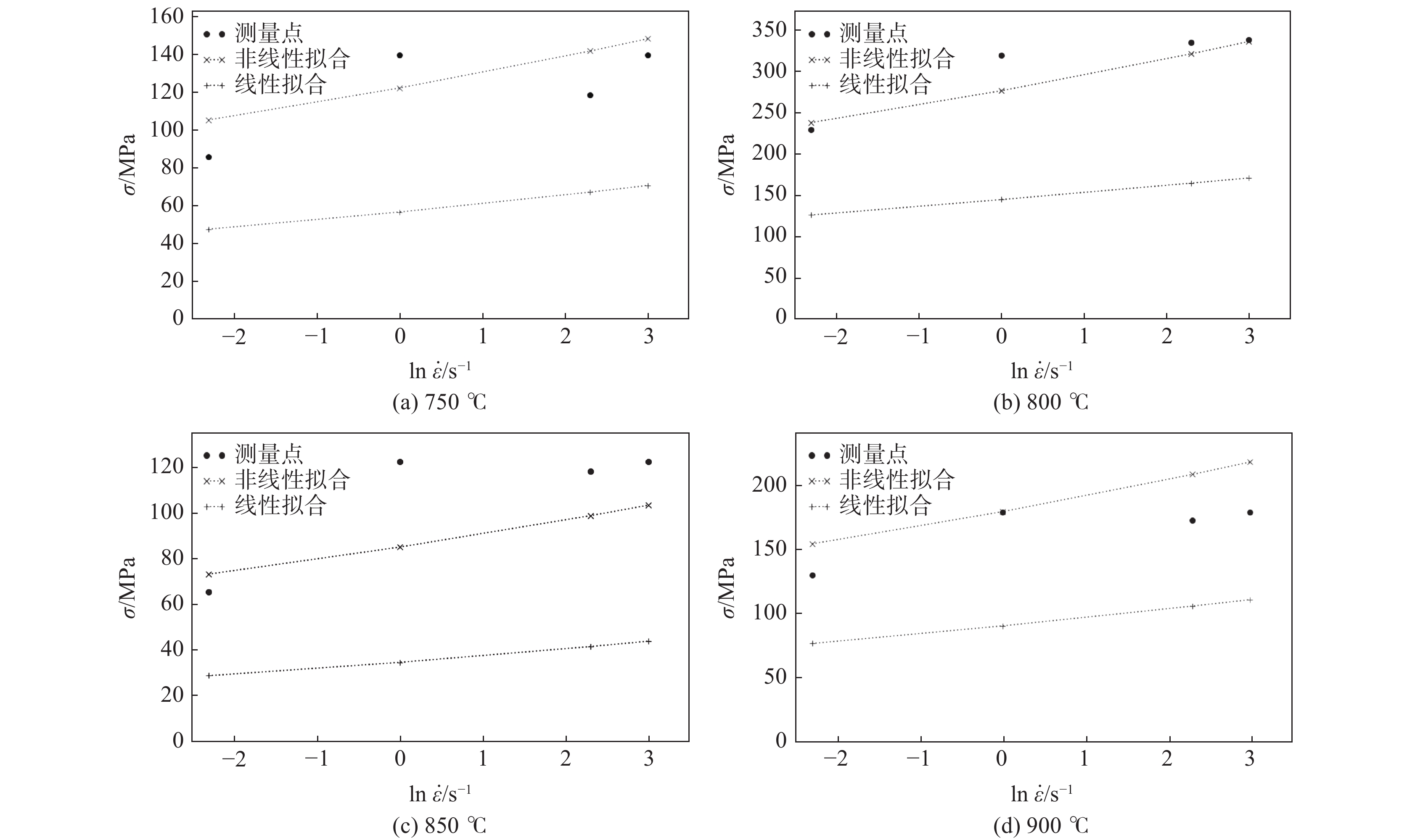
  • 摘要: 提出了一种包含流变软化的本构的构建方法。通过采用圆柱体试样的热压缩模拟试验,在塑性应变速率为0.1 s−1和20 s−1之间时,观察到TC4钛合金在750~950 ℃范围内均存在流变应力随着塑性应变降低的流变软化现象。采用双Voce方程对试验数据拟合得到了大塑性变形条件下的稳定流变应力。采用Levenberg-Marquardt非线性拟合算法得到了TC4钛合金包含流变软化的本构方程。并且发现Levenberg-Marquardt非线性拟合算法求得的本构方程参数比线性拟合误差更小。结果表明文中提出的流变应力计算方法规避了变形不稳定区域对特征变形抗力判断的干扰,得到了符合指数函数的材料高温稳定流变本构模型,在新型金属材料热加工工艺开发中具有较强的应用价值。
  • 图  1  热模拟试样的显微组织

    Figure  1.  Initial microstructure of the tested sample

    图  2  热模拟试验示意

    Figure  2.  Schematic diagram of the hot compression test

    图  3  TC4钛合金真应力-真应变曲线

    Figure  3.  True stress-strain curves of TC4 alloy

    图  4  测量值和Voce函数拟合值的比较

    Figure  4.  Comparison between the measured and fitted stress-strain curves

    图  5  稳定流变应力的样条曲面拟合

    Figure  5.  Bivariate spline approximation for the saturated flow stress

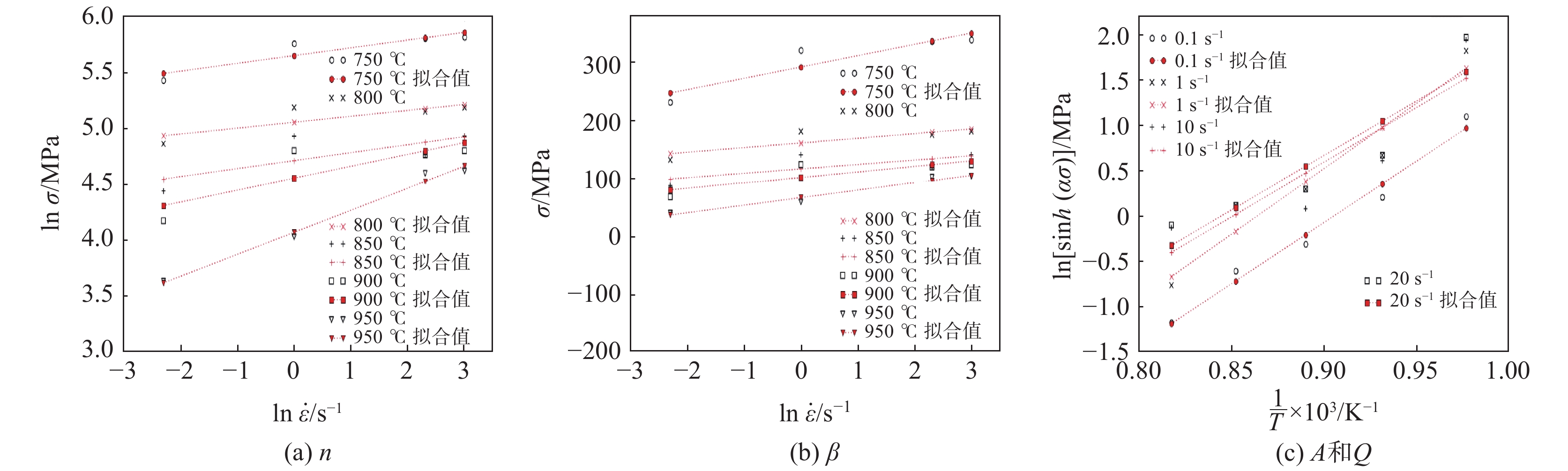
    图  6  本构参数的直线拟合

    Figure  6.  Linear fitting of variables in the constitutive equation

    图  7  测试数据和拟合数据的比较

    Figure  7.  Comparison between the measured and fitted data

  • [1] Rugg David, Dixon Mark, Burrows Justin. High-temperature application of titanium alloys in gas turbines[J]//Material Life Cycle Opportunities and Threats – an Industrial Perspective. Materials at High Temperatures, 2016, 33 (4−5): 536−541.
    [2] Park Chan Hee, Kim Jeoung Han, Hyun Yong-Taek, et al. The origins of flow softening during high-temperature deformation of a Ti–6Al–4V alloy with a lamellar microstructure[J]. Journal of Alloys and Compounds, 2014,582:126−129. doi: 10.1016/j.jallcom.2013.08.041
    [3] Bai Q, Lin J, Dean T A, et al. Modelling of dominant softening mechanisms for Ti-6Al-4V in steady state hot forming conditions[J]. Materials Science and Engineering: A, 2013,559:352−358. doi: 10.1016/j.msea.2012.08.110
    [4] Alabort E, Putman D, Reed R C. Superplasticity in Ti–6Al–4V: Characterisation, modelling and applications[J]. Acta Materialia, 2015,95:428−442. doi: 10.1016/j.actamat.2015.04.056
    [5] Lu Jiapeng, Chen Jianbin, Fang Qihong, et al. Finite element simulation for Ti-6Al-4V alloy deformation near the exit of orthogonal cutting[J]. The International Journal of Advanced Manufacturing Technology, 2016,85(9−12):2377−2388. doi: 10.1007/s00170-015-8077-z
    [6] Bennett, Christopher J, Sun Wei. Optimisation of material properties for the modelling of large deformation manufacturing processes using a finite element model of the gleeble compression test[J]. The Journal of Strain Analysis for Engineering Design, 2014,49(6):429−436. doi: 10.1177/0309324713520310
    [7] Carsi Manuel, Bartolome M Jesús, Rieiro Ignacio, et al. The effect of heterogeneous deformation on the hot deformation of WE54 magnesium alloy[J]. Materials & Design, 2014,58:30−35.
    [8] Hu H E, Wang X Y, Deng L. Comparative study of hot-processing maps for 6061 aluminium alloy constructed from power constitutive equation and hyperbolic sine constitutive Equation[J]. Materials Science and Technology, 2014,30(11):1321−1327. doi: 10.1179/1743284714Y.0000000569
    [9] Li X W, Lu M X, Sha Ai X, et al. The tensile deformation behavior of Ti–3Al–4.5V–5Mo titanium alloy[J]. Materials Science and Engineering: A, 2008,490(1−2):193−197. doi: 10.1016/j.msea.2008.01.086
    [10] Gronostajski Z. The constitutive equations for FEM analysis[J]. Journal of Materials Processing Technology, 2000,106(1−3):40−44. doi: 10.1016/S0924-0136(00)00635-X
    [11] Gan Chunlei, Zheng Kaihong, Qi Wenjun, et al. Constitutive equations for high temperature flow stress prediction of 6063 Al alloy considering compensation of strain[J]. Transactions of Nonferrous Metals Society of China, 2014,24(11):3486−3491. doi: 10.1016/S1003-6326(14)63492-0
    [12] Moré Jorge J. The levenberg-marquardt algorithm: Implementation and theory[M]//Numerical Analysis. Springer, 1978: 105−116.
  • 加载中
图(7)
计量
  • 文章访问数:  1612
  • HTML全文浏览量:  403
  • PDF下载量:  83
  • 被引次数: 0
出版历程
  • 收稿日期:  2021-06-21
  • 刊出日期:  2021-08-10

目录

    /

    返回文章
    返回