中文核心期刊

SCOPUS 数据库收录期刊

中国科技核心期刊

美国《化学文摘》来源期刊

中国优秀冶金期刊

美国EBSCO数据库收录期刊

RCCSE中国核心学术期刊

美国《剑桥科学文摘》来源期刊

中国应用核心期刊(CACJ)

美国《乌利希期刊指南》收录期刊

中国学术期刊综合评价统计源刊

俄罗斯《文摘杂志》来源期刊

优秀中文科技期刊(西牛计划)

日本《科学技术文献数据库》(JST)收录刊

留言板

尊敬的读者、作者、审稿人, 关于本刊的投稿、审稿、编辑和出版的任何问题, 您可以本页添加留言。我们将尽快给您答复。谢谢您的支持!

姓名
邮箱
手机号码
标题
留言内容
验证码

热处理工艺对Fe-25Mn-18Cr-3.5Ni-2Al力学与耐蚀性能影响

曾泽瑶

曾泽瑶. 热处理工艺对Fe-25Mn-18Cr-3.5Ni-2Al力学与耐蚀性能影响[J]. 钢铁钒钛, 2022, 43(5): 158-165. doi: 10.7513/j.issn.1004-7638.2022.05.023
引用本文: 曾泽瑶. 热处理工艺对Fe-25Mn-18Cr-3.5Ni-2Al力学与耐蚀性能影响[J]. 钢铁钒钛, 2022, 43(5): 158-165. doi: 10.7513/j.issn.1004-7638.2022.05.023
Zeng Zeyao. Effect of heat treatment on mechanical and corrosion resistance properties of Fe-25Mn-18Cr-3.5Ni-2Al stainless steel[J]. IRON STEEL VANADIUM TITANIUM, 2022, 43(5): 158-165. doi: 10.7513/j.issn.1004-7638.2022.05.023
Citation: Zeng Zeyao. Effect of heat treatment on mechanical and corrosion resistance properties of Fe-25Mn-18Cr-3.5Ni-2Al stainless steel[J]. IRON STEEL VANADIUM TITANIUM, 2022, 43(5): 158-165. doi: 10.7513/j.issn.1004-7638.2022.05.023

热处理工艺对Fe-25Mn-18Cr-3.5Ni-2Al力学与耐蚀性能影响

doi: 10.7513/j.issn.1004-7638.2022.05.023
详细信息
    作者简介:

    曾泽瑶,1995年出生,男,硕士,助理工程师,研究方向:不锈钢强韧化与耐蚀性能研究,E-mail: zeyao_zeng@163.com

  • 中图分类号: TF76

Effect of heat treatment on mechanical and corrosion resistance properties of Fe-25Mn-18Cr-3.5Ni-2Al stainless steel

  • 摘要: 采用拉伸、冲击和电化学测试方法研究了Fe-25Mn-18Cr-3.5Ni-2Al试验钢不同热处理工艺下的性能,通过SEM,EBSD和XRD等分析表明:奥氏体相体积分数随着固溶温度升高逐渐下降,900、950、1000 ℃固溶后,EBSD分析奥氏体相体积分数依次降低至60.2%,48.7%和20.0%,奥氏体由尖锐的鱼骨状转变为孤立的长针状分布在铁素体晶界上,铁素体相含量上升,试验钢的强度、硬度增加,冲击韧性下降,在900~1000 ℃固溶处理后铁素体相含量依次增大,(001)bcc取向逐渐减弱。经过700 ℃回火后易于在α相内出现弥散分布的NiAl纳米颗粒,导致脆性断裂。极化测试得到点蚀电位随固溶温度升高逐渐正移,1000 ℃固溶处理试样在3.5%NaCl极化测试中出现较长的钝化区和二次钝化,Ecorr=−257 mV,Eb=−46.5 mV,兼具较好耐蚀性能与力学性能,推荐作为实际生产热处理温度。
  • 图  1  析出相含量-温度变化

    Figure  1.  Temperature dependence of precipitate phase content

    图  2  不同固溶温度下力学性能趋势

    (a)工程应力应变曲线;(b)冲击韧性;(c)硬度(HB)

    Figure  2.  The trend of mechanical properties at different solution temperatures

    图  3  XRD衍射图谱

    (a)固溶态;(b)第二相颗粒

    Figure  3.  XRD diffraction pattern (a) solid solution, (b) second phase particles analysis

    图  4  固溶态组织金相照片

    Figure  4.  Metallographic photos of solid solution based microstructure

    (a) 900 ℃;(b) 950 ℃;(c) 1 000 ℃

    图  5  试验料不同固溶温度处理后EBSD测试相比例与取向成像

    Figure  5.  EBSD analyze phase propotion maps and orientation maps

    (a)、(d) 900 ℃;(b)、(e) 950 ℃;(c)、(f) 1 000 ℃

    图  6  不同固溶温度处理后试样的冲击断口形貌及EDS

    (a)锻态;(b) 900 ℃固溶;(c) 950 ℃固溶;(d) 1 050 ℃固溶; (e)、(f) EDS谱图

    Figure  6.  Impact fracture morphology and EDS pictures

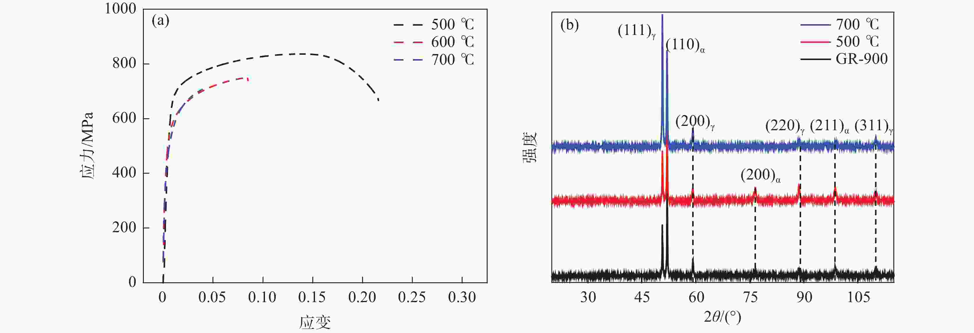
    图  7  回火态应力-应变曲线(a) 及XRD分析(b)

    Figure  7.  Tempering state stress-strain curves (a), XRD diffraction patterns (b)

    图  8  回火处理后试样SEM组织形貌及其EDS

    (a) 500 ℃回火;(b) 600 ℃回火;(c) 700 ℃回火 ;(d) 700 ℃回火局部放大区域;(e)、(f) EDS结果

    Figure  8.  The state microstructures of tempering treatment

    图  9  不同固溶温度下极化曲线及其测试后SEM形貌

    Figure  9.  Polarization curves at different solution temperatures and corrosion test SEM pictures

    (a)、(d) 900 ℃;(b)、(e) 950 ℃;(c)、(f) 1 000 ℃

    表  1  试验钢化学成分

    Table  1.   Chemical composition of tested steel %

    CCrMnSiNiAlPSFe
    0.02217.8925.830.233.52.060.0060.003余量
    下载: 导出CSV
  • [1] Li Hao, Gao Dongqiang, Yang Zhen, et al. Effect of temperature on cracking of Cr2O3 oxide scale of super 304H alloy[J]. Corrosion Science and Protection Technology, 2017,(6):621−627. (李浩, 高东强, 杨珍, 等. 温度对Super304H合金Cr2O3. 氧化膜开裂影响[J]. 腐蚀科学与防护技术, 2017,(6):621−627. doi: 10.11903/1002.6495.2017.039
    [2] La Peiqing, Li Yufeng, Liu Shanguang. Corrosion resistance of aluminum-doped 316L stainless steel[J]. Material Protection, 2010,43(12):62−64. (喇培清, 李玉峰, 刘闪光. 316L不锈钢中添加Al后的抗腐蚀性能[J]. 材料保护, 2010,43(12):62−64.
    [3] Michler T, Naumann J, Weber S, et al. S-N fatigue properties of a stable high aluminum austenitic stainless steel for hydrogen applications[J]. International Journal of Hydrogen Energy, 2013,38(23):9935−9941. doi: 10.1016/j.ijhydene.2013.05.145
    [4] Jin J E, Lee Y K. Effects of Al on microstructure and tensile properties of C-bearing high Mn TWIP steel[J]. Acta Material, 2012,60(4):1680−1688. doi: 10.1016/j.actamat.2011.12.004
    [5] Dudziak T, Ukaszewicz M, Simms N. Steam oxidation of TP347HFG, super 304H and HR3C-Analysis of significance of steam flowrate and specimen surface finish[J]. Corrosion Engineering and Technology, 2014,50(4):272−282. doi: 10.1179/1743278214y.0000000222
    [6] Yamamoto Y, Brady M P, Lu Z P, et al. Alumina-forming austenitic stainless steels strengthened by Laves phase and MC carbide precipitates[J]. Metallurgical & Materials Transactions A, 2007,38(27):37−46. doi: 10.1007/s11661-007-9319-y
    [7] Fang Yiliu, Liu Zhenyu, Song Hongmei. Prediction of surface cracks in lean duplex stainless steel 2101 by using processing map[J]. Journal of Iron and Steel Research, 2010,22(11):34. (方轶琉, 刘振宇, 宋红梅. 热加工图对节约型双相不锈钢2101表面裂纹的预测[J]. 钢铁研究学报, 2010,22(11):34.
    [8] Ke R, Alkire R. ChemInform abstract: Surface analysis of corrosion pits initiated at MnS inclusions in 304 stainless steel[J]. Chem. Inform., 1992,23(35):21. doi: 10.1002/chin.199235021
    [9] Li Guoping, Wang Jianjun, Wu Tianhai, et al. Microstructure and mechanical properties of 2205 DSS metal inert-gas welding joints[J]. Chinese Journal of Materials Research, 2016,30(12):897−902. (李国平, 王建军, 吴天海, 等. 2205双相不锈钢TIG焊接头组织及力学性能[J]. 材料研究学报, 2016,30(12):897−902. doi: 10.11901/1005.3093.2016.252
    [10] Kang D H, Lee H W. Effect of different chromium additions on the microstructure and mechanical properties of multipass weld joint of duplex stainless steel[J]. Metallurgical & Materials Transactions A, 2012,43(12):4678−4687. doi: 10.1007/s11661-012-1310-6
    [11] Pan Jixiang, Chen Xingrun, Wang Jianxin. Microstructure evolution in 2205 duplex stainless steel slab during heat treatment processes[J]. Journal of Iron and Steel Research, 2013,25(6):49−52. (潘吉祥, 陈兴润, 王建新. 2205双相不锈钢连铸坯加热过程组织转变[J]. 钢铁研究学报, 2013,25(6):49−52. doi: 10.13228/j.boyuan.issn1001-0963.2013.06.009
    [12] Liang H E, Guo Y J, Wu Xiayu, et al. Effect of solution annealing temperature on pitting behavior of duplex stainless steel 2204 in chloride solutions[J]. Journal of Iron and Steel Research, International, 2016,23(4):357−363. doi: 10.1016/S1006-706X(16)30057-7
    [13] Ramirez A J, Lippold J C, Brandi S D. The relationship between chromium nitride and secondary austenite precipitation in duplex stainless steels[J]. Metallurgical & Materials Transactions A, 2003,34(8):1575−1597. doi: 10.1007/s11661-003-0304-9
    [14] 史金涛. 铝合金与亚稳奥氏体不锈钢低温变形组织优化与性能调控[D]. 北京: 北京科技大学, 2018.

    Shi Jintao. Tailoring the microstructures and mechanical properties of cryogenic rolling aluminum alloy and metastable austenitic stainless steel[D]. Beijing: University of Science and Technology of Beijing, 2018.
    [15] Xiang Hongliang, Liu Chunyu, Deng Liping, et al. Effect of solution temperature on microstructure and properties of economical duplex stainless steel[J]. Materials Report, 2019,3(16):132−143. (向红亮, 刘春育, 邓丽萍, 等. 固溶温度对节约型双相不锈钢组织及性能的影响[J]. 材料导报, 2019,3(16):132−143.
    [16] Li Jun. Effect of solid solution treatment on structure and properties of super duplex stainless steel S32750[J]. Special Steel, 2012,33(4):64−66. (李俊. 固溶处理对超级双相不锈钢S32750组织和性能的影响[J]. 特殊钢, 2012,33(4):64−66. doi: 10.3969/j.issn.1003-8620.2012.04.019
    [17] Mcguire M F. Stainless steels for design engineers[M]. ASM International, 2008. DOI: 10.31399/asm.tb.ssde.9781627082860.
    [18] 孙胜英. 合金成分设计对含铝奥氏体耐热钢组织和性能的影响[D]. 北京: 北京科技大学, 2019.

    Sun Shengying. Effect of alloy composition design on microstructure and properties of alumina-forming austenitic steels[D]. Beijing: University of Science and Technology of Beijing, 2019.
  • 加载中
图(9) / 表(1)
计量
  • 文章访问数:  345
  • HTML全文浏览量:  168
  • PDF下载量:  23
  • 被引次数: 0
出版历程
  • 收稿日期:  2021-11-01
  • 刊出日期:  2022-11-01

目录

    /

    返回文章
    返回