中文核心期刊

SCOPUS 数据库收录期刊

中国科技核心期刊

美国《化学文摘》来源期刊

中国优秀冶金期刊

美国EBSCO数据库收录期刊

RCCSE中国核心学术期刊

美国《剑桥科学文摘》来源期刊

中国应用核心期刊(CACJ)

美国《乌利希期刊指南》收录期刊

中国学术期刊综合评价统计源刊

俄罗斯《文摘杂志》来源期刊

优秀中文科技期刊(西牛计划)

日本《科学技术文献数据库》(JST)收录刊

留言板

尊敬的读者、作者、审稿人, 关于本刊的投稿、审稿、编辑和出版的任何问题, 您可以本页添加留言。我们将尽快给您答复。谢谢您的支持!

姓名
邮箱
手机号码
标题
留言内容
验证码

固溶时效处理对Ti60合金组织及性能的影响

张天馨 岳颗 胡钊华 郭杰 耿乃涛

张天馨, 岳颗, 胡钊华, 郭杰, 耿乃涛. 固溶时效处理对Ti60合金组织及性能的影响[J]. 钢铁钒钛, 2022, 43(6): 78-83. doi: 10.7513/j.issn.1004-7638.2022.06.012
引用本文: 张天馨, 岳颗, 胡钊华, 郭杰, 耿乃涛. 固溶时效处理对Ti60合金组织及性能的影响[J]. 钢铁钒钛, 2022, 43(6): 78-83. doi: 10.7513/j.issn.1004-7638.2022.06.012
Zhang Tianxin, Yue Ke, Hu Zhaohua, Guo Jie, Geng Naitao. Effect of solution aging treatment on microstructure and properties of Ti60 alloy[J]. IRON STEEL VANADIUM TITANIUM, 2022, 43(6): 78-83. doi: 10.7513/j.issn.1004-7638.2022.06.012
Citation: Zhang Tianxin, Yue Ke, Hu Zhaohua, Guo Jie, Geng Naitao. Effect of solution aging treatment on microstructure and properties of Ti60 alloy[J]. IRON STEEL VANADIUM TITANIUM, 2022, 43(6): 78-83. doi: 10.7513/j.issn.1004-7638.2022.06.012

固溶时效处理对Ti60合金组织及性能的影响

doi: 10.7513/j.issn.1004-7638.2022.06.012
详细信息
  • 中图分类号: TF823

Effect of solution aging treatment on microstructure and properties of Ti60 alloy

  • 摘要: 通过光学显微镜和扫描电镜观察分析固溶时效处理对Ti60合金微观组织的影响,结合其室温及600 ℃高温拉伸分析得到:锻坯1/2高区域,组织较为均匀,适于在此取样开展Ti60合金固溶时效处理及后续性能研究。采用1035 ℃/2 h/WQ+700 ℃/5 h/AC固溶时效处理,Ti60合金的室温抗拉强度为1193 MPa,延伸率为6.7%;600 ℃高温抗拉强度达到751MPa,延伸率为20.3 %,具有较好的强塑性匹配。试样的裂纹源起源于试样中心部位,断面凹凸不平,为典型的韧窝型断裂;裂纹源在边部时,以爆炸式发散,断口均有明显的撕裂棱和解理面,断裂方式为脆性断裂。在600 ℃长时间暴露过程中,合金表面发生氧化,降低Ti60合金热稳定性及塑性。于600 ℃环境中考察Ti60合金长期稳定服役性能,Ti60合金锻态室温抗拉强度为1 064 MPa,延展率为9.4%;固溶时效后试样抗拉强度为1 224 MPa,延展率为4.7%。
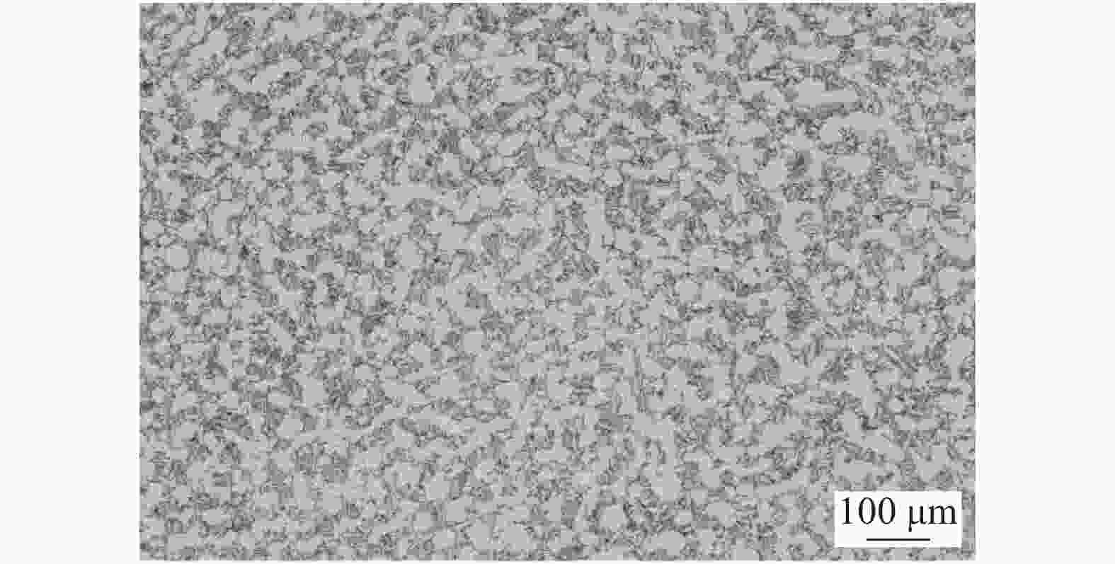
  • 图  1  Ti60合金等轴组织

    Figure  1.  Equiaxed microstructure of Ti60 alloy

    图  2  固溶组织形貌

    (a)边部,1 025 ℃; (b) 边部,1 035 ℃; (c) 边部,1 045 ℃; (d) 1/2,1 025 ℃; (e) 1/2,1 035 ℃; (f) 1/2,1 045 ℃; (g) 中心,1 025 ℃; (h) 中心,1 035 ℃; (i) 中心,1 045 ℃

    Figure  2.  Microstructure in different positions of Ti60 alloy after solution treatment at different temperatures

    图  3  时效处理后的组织形貌

    (a) 边部,1 025 ℃; (b) 边部,1 035 ℃; (c) 边部,1 045 ℃; (d) 1/2,1 025 ℃ ; (e) 1/2,1 035 ℃; (f) 1/2,1 045 ℃; (g) 中心,1 025 ℃; (h) 中心,1 035 ℃; (i) 中心,1 045 ℃

    Figure  3.  The microstructure in different positions of Ti60 alloy after aging treatment at different temperatures

    图  4  室温拉伸试样断口形貌

    I 1 025 ℃裂纹源;II 1 035 ℃裂纹源;III 1 045 ℃裂纹源;

    Figure  4.  Fracture morphology of tensile specimen deformed at room temperature for Ti60 alloy obtained after solution at different temperatures

    (a) 300×, 1 025 ℃; (b) 300×, 1 035 ℃; (c) 300×, 1 045 ℃; (d) 1 000×, 1 025 ℃; (e) 1 000×, 1 035 ℃; (f) 1 000×, 1 045 ℃

    图  5  高温拉伸试样断后状态

    Figure  5.  Post-fracture state of high temperature tensile sample

    图  6  热暴露试样组织形貌

    (a)锻态; (b) 1 035 ℃/2 h+700 ℃/5 h

    Figure  6.  Microstructure of Ti60 alloy after thermal exposure at 600 ℃

    图  7  热暴露试样室温拉伸断口

    (a)锻态; (b)锻态, 300× ; (c)锻态, 1 000×; (d) 1 035 ℃/2 h+700℃/5 h; (e) 1 035 ℃/2 h+700 ℃/5 h, 300×; (f) 1035℃/2 h+700 ℃/5 h, 1 000×

    Figure  7.  Tensile fracture at room temperature for Ti60 alloy after thermal exposure

    表  1  固溶时效后室温力学性能

    Table  1.   Mechanical properties of Ti60 alloy at room temperature after solution aging

    固溶温度/℃Rm/MPaRp0.2/MPaA/%
    锻态10419466.8
    102510709819.8
    1035119310946.7
    1045118710837.9
    下载: 导出CSV

    表  2  固溶时效后600 ℃高温力学性能

    Table  2.   Mechanical properties of Ti60 alloy deformed at 600 ℃ after solution aging

    固溶温度/℃Rp0.2/MPaRm/MPaA/%Z/%
    10255747352572
    103558775120.366
    10455767402468
    下载: 导出CSV

    表  3  热暴露试样室温力学性能

    Table  3.   Mechanical properties at room temperature of Ti60 alloy after thermal exposure

    样品Rm/MPaRp0.2/MPaA/%
    锻态106410029.4
    1035 ℃/2 h+700 ℃/5 h122410344.7
    下载: 导出CSV
  • [1] Cai Jianming, Li Zhenxi, Ma Jimin, et al. Research and development of 600 ℃ high temperature titanium alloys for aeroengine[J]. Journal of Materials Review, 2005,19(1):4. (蔡建明, 李臻熙, 马济民, 等. 航空发动机用600 ℃高温钛合金的研究与发展[J]. 材料导报, 2005,19(1):4.
    [2] C L, M P . Titanium and titanium alloys: Fundamentals and application[M]. Darmstadt: John Wiley & Sons, 2003.
    [3] Mao Xiaonan, Zhao Yongqing, Yang Guanjun. Development status of titanium alloys for aeroengine[J]. Rare Metals Letters, 2007,26(5):1−7. (毛小南, 赵永庆, 杨冠军. 国外航空发动机用钛合金的发展现状[J]. 稀有金属快报, 2007,26(5):1−7.
    [4] Zeng Liying, Zhao Yongqing, Hong Quan, et al. Research and development of 600 ℃ high temperature titanium alloy[J]. Titanium Industry Progress, 2012,29(5):5. (曾立英, 赵永庆, 洪权, 等. 600 ℃高温钛合金的研发[J]. 钛工业进展, 2012,29(5):5.
    [5] Wallwork G R, Hed A Z. Some limiting factors in the use of alloys at high temperatures[J]. Oxidation of Metals, 1971,3(2):171−184. doi: 10.1007/BF00603485
    [6] Hui Songxiao, Zhang Zhu, Xiao Jinsheng, et al. Advances in thermal stability of high temperature titanium alloys-I. Microstructure stability[J]. Rare Metals, 1999,23(2):125−130. (惠松骁, 张翥, 萧金声, 等. 高温钛合金热稳定性研究进展—I. 组织稳定性[J]. 稀有金属, 1999,23(2):125−130.
    [7] Xiao Jinsheng, Xu Guodong. Ways to improve properties of high temperature titanium alloy[J]. The Chinese Journal of Nonferrous Metals, 1997,17(4):97−105. (萧今声, 许国栋. 提高高温钛合金性能的途径[J]. 中国有色金属学报, 1997,17(4):97−105.
    [8] Jia Weiju, Zeng Weidong, Zhang Yaowu, et al. Effect of heat treatment on microstructure and properties of Ti60 alloy[J]. The Chinese Journal of Nonferrous Metals, 2010,20(11):6. (贾蔚菊, 曾卫东, 张尧武, 等. 热处理对Ti60合金组织及性能的影响[J]. 中国有色金属学报, 2010,20(11):6.
    [9] Madsen A, Ghonem H. Effects of aging on the tensile and fatigue behavior of the near-αTi-1100 at room temperature and 593 ℃[J]. Materials Science and Engineering A, 1994,177(1-2):63−73. doi: 10.1016/0921-5093(94)90478-2
    [10] Jia Xinyun, Liu Peiying, Tao Ye, et al. Oxidation behavior of Ti60 alloy at 650-750 ℃[J]. Journal of Materials Engineering, 2003,(6):5. (贾新云, 刘培英, 陶冶, 等. Ti60合金在650~750 ℃高温下的氧化行为[J]. 材料工程, 2003,(6):5.
    [11] Wanjara P, Jahazi M, Monajati H, et al. Hot working behavior of near-α alloy IMI834[J]. Materials Science & Engineering A, 2005,396(1-2):50−60.
    [12] 魏寿庸, 石卫民, 王鼎春, 等. 600℃时高温钛合金(Ti60)的组织与力学性能[C]//第十四届全国钛及钛合金学术交流会. 上海: 中国有色金属学会, 2010.

    Wei Shouyong, Shi Weimin, Wang Dingchun, et al. Microstructure and mechanical properties of high temperature titanium alloy (Ti60) at 600 ℃[C]//the 14th National Academic Conference on Titanium and Titanium Alloys. Shanghai: The Nonferrous Metals Society of China, 2010.
    [13] Cai Jianming. Thermal stability of TG6 titanium alloy and its partial resumption at high temperature[J]. Rare Metal Materials & Engineering, 2010,39(11):1893−1898.
  • 加载中
图(7) / 表(3)
计量
  • 文章访问数:  800
  • HTML全文浏览量:  260
  • PDF下载量:  43
  • 被引次数: 0
出版历程
  • 收稿日期:  2022-05-16
  • 刊出日期:  2023-01-13

目录

    /

    返回文章
    返回