中文核心期刊

SCOPUS 数据库收录期刊

中国科技核心期刊

美国《化学文摘》来源期刊

中国优秀冶金期刊

美国EBSCO数据库收录期刊

RCCSE中国核心学术期刊

美国《剑桥科学文摘》来源期刊

中国应用核心期刊(CACJ)

美国《乌利希期刊指南》收录期刊

中国学术期刊综合评价统计源刊

俄罗斯《文摘杂志》来源期刊

优秀中文科技期刊(西牛计划)

日本《科学技术文献数据库》(JST)收录刊

留言板

尊敬的读者、作者、审稿人, 关于本刊的投稿、审稿、编辑和出版的任何问题, 您可以本页添加留言。我们将尽快给您答复。谢谢您的支持!

姓名
邮箱
手机号码
标题
留言内容
验证码

高氮钒铁微合金化生产HRB500E抗震钢筋试验研究

贾怡晗 王清晨 曹长山 翁玉娟

贾怡晗, 王清晨, 曹长山, 翁玉娟. 高氮钒铁微合金化生产HRB500E抗震钢筋试验研究[J]. 钢铁钒钛, 2022, 43(6): 149-152. doi: 10.7513/j.issn.1004-7638.2022.06.022
引用本文: 贾怡晗, 王清晨, 曹长山, 翁玉娟. 高氮钒铁微合金化生产HRB500E抗震钢筋试验研究[J]. 钢铁钒钛, 2022, 43(6): 149-152. doi: 10.7513/j.issn.1004-7638.2022.06.022
Jia Yihan, Wang Qingchen, Cao Changshan, Weng Yujuan. Experimental study on HRB500E seismic reinforcement bar produced by microalloying of high nitrogen ferrovanadium alloy[J]. IRON STEEL VANADIUM TITANIUM, 2022, 43(6): 149-152. doi: 10.7513/j.issn.1004-7638.2022.06.022
Citation: Jia Yihan, Wang Qingchen, Cao Changshan, Weng Yujuan. Experimental study on HRB500E seismic reinforcement bar produced by microalloying of high nitrogen ferrovanadium alloy[J]. IRON STEEL VANADIUM TITANIUM, 2022, 43(6): 149-152. doi: 10.7513/j.issn.1004-7638.2022.06.022

高氮钒铁微合金化生产HRB500E抗震钢筋试验研究

doi: 10.7513/j.issn.1004-7638.2022.06.022
基金项目: 承德市科学技术研究与发展计划项目(燃烧合成氮化钒硅锰铁技术研究,项目编号:201706A067)。
详细信息
    作者简介:

    贾怡晗,1974年出生,男,河北衡水人,硕士,技术中心主任,主要从事钒及钒产品的开发和应用、钒钛功能性新材料制备和钒钛磁铁矿综合利用工艺技术方面的研究,E-mail:jia.yihan@qq.com

  • 中图分类号: TF76,TG113

Experimental study on HRB500E seismic reinforcement bar produced by microalloying of high nitrogen ferrovanadium alloy

  • 摘要: 以转炉、连铸、轧钢工艺装备为基础,进行了高氮钒铁合金微合金化生产HRB500E高强抗震钢筋的试验研究,结果表明:与钒氮合金相比,使用高氮钒铁合金微合金化生产HRB500E抗震钢筋节钒22.2%,钒合金化成本降低17.98元/t。钢筋力学性能稳定,具有低应变时效性。Ø28 mm和Ø32 mm规格时效15天,ReL均降低15 MPa、Rm分别降低2 MPa和3 MPa, Agt分别提高0.7个百分点和0.8个百分点,之后力学性能不变,时效后的钢筋强屈比和屈标比更合理,抗震性能更好。钢筋金相组织为珠光体+铁素体,晶粒度等级10级,比使用钒氮合金提高1.0级。钢筋拉伸试验断口为等轴韧窝断口。钢筋帮条焊后进行拉伸在母材断裂,缩颈显著,焊接性能良好。疲劳检验200万次时未发生断裂,满足新国标GB/T 1499.2—2018的疲劳寿命要求。
  • 图  1  试样ReL时效

    Figure  1.  ReL aging diagram of sample

    图  2  试样Rm时效

    Figure  2.  Rm aging diagram of sample

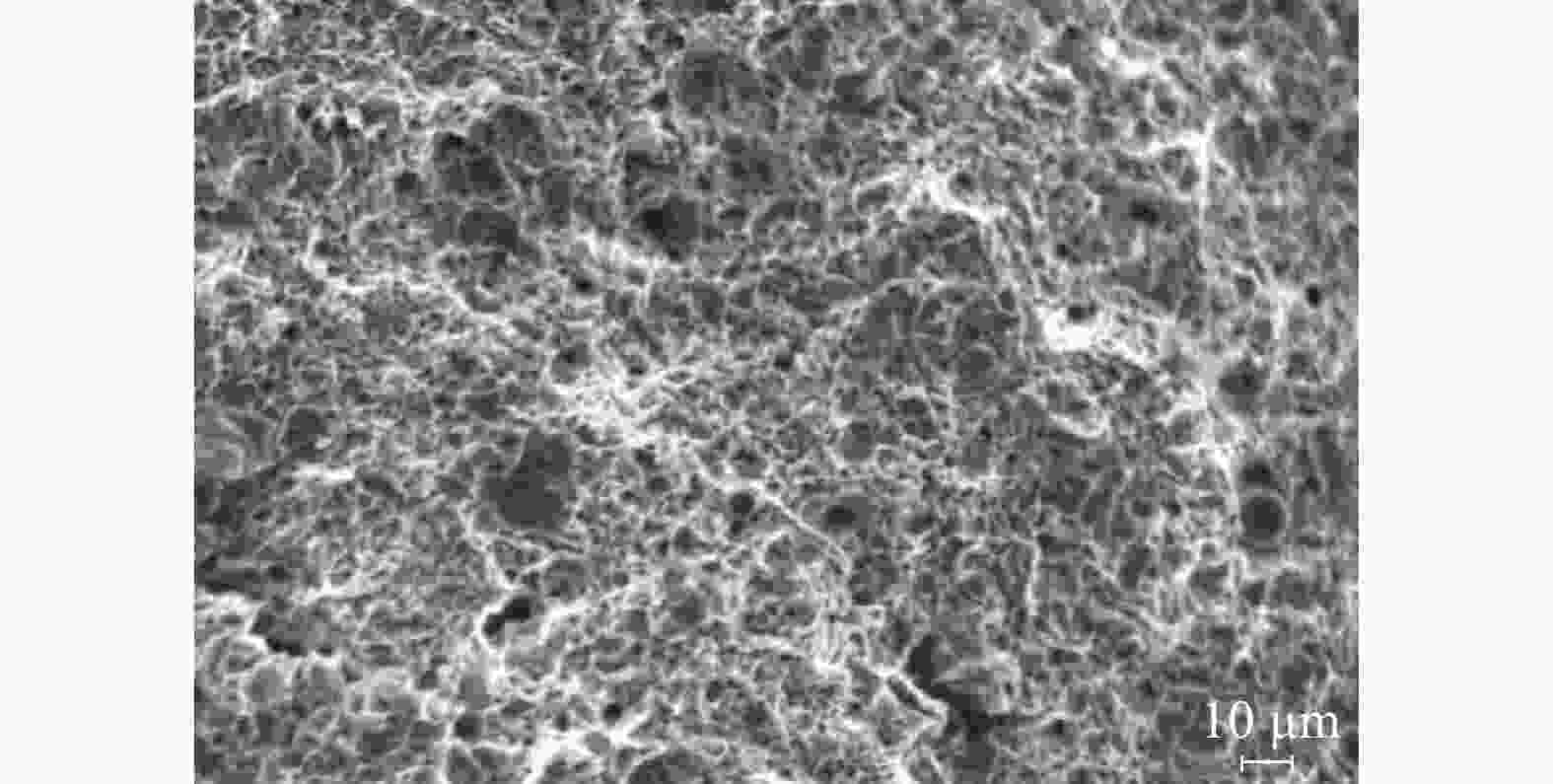
    图  4  试样显微组织

    Figure  4.  Microstructure of sample

    图  3  试样Agt时效

    Figure  3.  Agt aging diagram of sample

    图  5  钢筋断口形貌

    Figure  5.  Fracture morphology of tensile sample

    图  6  钢筋焊接后拉伸断裂

    Figure  6.  Tensile fracture of steel rebars after welding

    表  1  高氮钒铁合金FeV30N14主要化学成分

    Table  1.   Main chemical composition of high nitrogen ferrovanadium alloy %

    VNPSC
    3014.50.0410.020.3
    下载: 导出CSV

    表  2  Ø28 mm~Ø32 mm规格HRB500 E使用不同合金时的成分控制

    Table  2.   Composition control of high nitrogen ferrovanadium and vanadium nitrogen alloy used in Ø28 mm~32 mm HRB500E reinforcement bar

    项目合金类别w/%
    CSiMnVP/S
    试验
    工艺
    高氮
    钒铁
    0.22~0.250.40~0.501.35~1.450.068~0.072≤0.045
    原工
    钒氮
    合金
    0.088~0.092
    下载: 导出CSV

    表  3  高氮钒铁合金化生产HRB500E实际成分控制

    Table  3.   Actual compositions control of HRB500E reinforcement bars produced by high nitrogen ferrovanadium alloy

    规格/mm类别w/%
    CSiMnPSVN
    Ø28范围0.23~0.250.43~0.471.39~1.430.015~0.0380.028~0.0390.068~0.0720.0180~0.0195
    平均值0.2350.461.410.0290.0340.0700.0192
    Ø32范围0.23~0.250.43~0.461.40~1.440.021~0.0320.025~0.0400.068~0.0730.0181~0.0200
    平均值0.2360.451.400.0270.0350.0700.0190
    下载: 导出CSV

    表  4  高氮钒铁合金化生产HRB500E的试样力学性能统计

    Table  4.   Mechanical properties of HRB500E reinforcement bars produced by high nitrogen ferrovanadium alloying

    规格/mm屈服强度/MPa抗拉强度/MPaAgt/%强屈比屈标比正弯、反弯
    Ø28540~570690~70512.3~13.51.25~1.281.08~1.15完好
    Ø32540~565690~72012.1~13.21.25~1.281.08~1.13
    下载: 导出CSV
  • [1] 杨福才, 张永权, 王瑞珍. 钢铁冶金原理与应用[M]. 北京: 冶金工业出版社, 2012: 82-88.

    Yang Fucai, Zhang Yongquan, Wang Ruizhen. Principles and applications of iron and steel metallurgy[M]. Beijing : Metallurgical Industry Press, 2012: 82-88.
    [2] Sun Qiaomei. Application and process optimization of micro nitrogen alloy in high strength rebar steel[J]. Hebei Metallurgy, 2018,(5):6−9. (孙巧梅. 微氮合金在高强度螺纹钢的应用与工艺优化[J]. 河北冶金, 2018,(5):6−9. doi: 10.13630/j.cnki.13-1172.2018.0502
    [3] Chen Wei, Zhao Yu, Zhang Weiqiang, et al. Using nitrogen-rich vanadium microalloying to produce large HRB500 steel[J]. Steel Research, 2011,39(1):23−27. (陈伟, 赵宇, 张卫强, 等. 采用富氮钒微合金化生产大规格HRB500钢筋[J]. 钢铁研究, 2011,39(1):23−27.
    [4] Deng Jianxin. Comparison of vanadium microalloying effect of ASEISMIC rebars in Xuangang[J]. Hebei Metallurgy, 2017,(7):41−44. (邓建新. 宣钢抗震钢筋钒微合金化效果对比[J]. 河北冶金, 2017,(7):41−44. doi: 10.13630/j.cnki.13-1172.2017.0709
  • 加载中
图(6) / 表(4)
计量
  • 文章访问数:  473
  • HTML全文浏览量:  306
  • PDF下载量:  29
  • 被引次数: 0
出版历程
  • 收稿日期:  2022-08-05
  • 刊出日期:  2023-01-13

目录

    /

    返回文章
    返回