中文核心期刊

SCOPUS 数据库收录期刊

中国科技核心期刊

美国《化学文摘》来源期刊

中国优秀冶金期刊

美国EBSCO数据库收录期刊

RCCSE中国核心学术期刊

美国《剑桥科学文摘》来源期刊

中国应用核心期刊(CACJ)

美国《乌利希期刊指南》收录期刊

中国学术期刊综合评价统计源刊

俄罗斯《文摘杂志》来源期刊

优秀中文科技期刊(西牛计划)

日本《科学技术文献数据库》(JST)收录刊

留言板

尊敬的读者、作者、审稿人, 关于本刊的投稿、审稿、编辑和出版的任何问题, 您可以本页添加留言。我们将尽快给您答复。谢谢您的支持!

姓名
邮箱
手机号码
标题
留言内容
验证码

激光熔丝Ti6Al4V合金成形工艺、微观组织及强韧性研究

张大越 伍新泽 王一甲 司姗姗 姜圆博 李彬周 姜风春

张大越, 伍新泽, 王一甲, 司姗姗, 姜圆博, 李彬周, 姜风春. 激光熔丝Ti6Al4V合金成形工艺、微观组织及强韧性研究[J]. 钢铁钒钛, 2024, 45(1): 49-56. doi: 10.7513/j.issn.1004-7638.2024.01.008
引用本文: 张大越, 伍新泽, 王一甲, 司姗姗, 姜圆博, 李彬周, 姜风春. 激光熔丝Ti6Al4V合金成形工艺、微观组织及强韧性研究[J]. 钢铁钒钛, 2024, 45(1): 49-56. doi: 10.7513/j.issn.1004-7638.2024.01.008
Zhang Dayue, Wu Xinze, Wang Yijia, Si Shanshan, Jiang Yuanbo, Li Binzhou, Jiang Fengchun. Forming process, microstructure, strength and toughness of Ti6Al4V alloy by laser wire-feed additive manufacturing[J]. IRON STEEL VANADIUM TITANIUM, 2024, 45(1): 49-56. doi: 10.7513/j.issn.1004-7638.2024.01.008
Citation: Zhang Dayue, Wu Xinze, Wang Yijia, Si Shanshan, Jiang Yuanbo, Li Binzhou, Jiang Fengchun. Forming process, microstructure, strength and toughness of Ti6Al4V alloy by laser wire-feed additive manufacturing[J]. IRON STEEL VANADIUM TITANIUM, 2024, 45(1): 49-56. doi: 10.7513/j.issn.1004-7638.2024.01.008

激光熔丝Ti6Al4V合金成形工艺、微观组织及强韧性研究

doi: 10.7513/j.issn.1004-7638.2024.01.008
基金项目: 国家重点研发计划资助项目(2017YFB1103703)。
详细信息
    作者简介:

    张大越, 1987年出生,女,黑龙江哈尔滨人,博士,高级工程师,主要研究增材制造工艺、微观组织表证与计算,E-mail:zhangdayue@ansteel.com.cn

  • 中图分类号: TF823

Forming process, microstructure, strength and toughness of Ti6Al4V alloy by laser wire-feed additive manufacturing

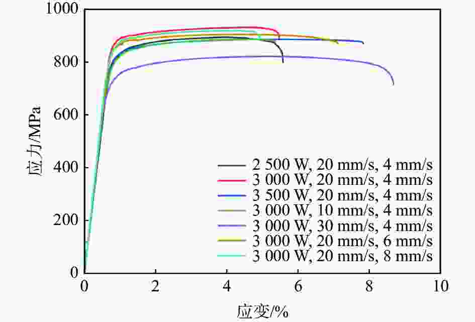
  • 摘要: 采用激光熔丝增材制造技术制备了单道多层的Ti6Al4V合金试样,系统研究了激光功率、扫描速度及送丝速度对Ti6Al4V合金的组织形貌、拉伸性能和冲击性能的影响。单道多层沉积试样的组织由马氏体α'、α集束和网篮状α构成。激光功率提高使β晶粒尺寸增大和马氏体α'分解程度增加,激光功率从3000 W提升至3500 W时试样抗拉强度下降了约4%,但延伸率上升了50%,冲击韧性提高了约6%。送丝速度的提高增大了试样的β晶粒平均尺寸,随着送丝速度从10 mm/s增加至30 mm/s,抗拉强度下降了2%,延伸率提高了67%,冲击韧性提高了11%。扫描速度提高会增加试样内的未熔合缺陷和残留马氏体α',扫描速度6 mm/s试样相比扫描速度4 mm/s的试样延伸率提高了约45%,抗拉强度下降了2%,冲击韧性提高了11%。
  • 图  1  激光熔丝增材制造示意

    Figure  1.  Schematic diagram of laser wire-feed additive manufacturing

    图  2  拉伸试样尺寸(单位:mm)

    Figure  2.  Dimensions of tensile specimen

    图  3  冲击试样尺寸(单位:mm)

    Figure  3.  Dimensions of impact specimen

    图  4  不同工艺参数下沉积层的横截面组织

    Figure  4.  Cross-sectional microstructure of deposited layers under different process parameters

    图  5  不同激光功率下试样底部的显微组织

    (a) 2 500 W;(b) 3 000 W;(c) 3 500 W

    Figure  5.  Microstructure at the bottom of the samples under different laser powers

    图  6  不同送丝速度下试样的β晶界处显微组织

    (a) 送丝速度 10 mm/s,试样上层;(b) 送丝速度 10 mm/s,试样下层;(c) 送丝速度 30 mm/s,试样上层;(d) 送丝速度 30 mm/s,试样下层

    Figure  6.  Microstructure at the β grain boundary of samples at different wire feeding speeds

    图  7  不同扫描速度的试样同一位置的α相形态

    (a) 扫描速度 4 mm/s;(b) 扫描速度 6 mm/s;(c) 扫描速度 8 mm/s

    Figure  7.  Morphology of α-phase at the same position of the samples at different scanning speeds

    图  8  不同工艺参数试样拉伸应力-应变曲线

    Figure  8.  Tensile stress-strain curves of samples under different process parameters

    图  9  典型沉积试样拉伸断口形貌

    (a) (b)3 000 W, 20 mm/s, 4 mm/s;(c) (d)3 500 W, 20 mm/s, 4 mm/s

    Figure  9.  Tensile fracture morphology of typical deposited samples

    图  10  典型试样冲击载荷-位移及冲击吸收功曲线

    Figure  10.  Impact load-displacement and impact absorbed energy curves of typical sample

    图  11  典型试样冲击断口形貌

    (a)(b) 3 000 W, 20 mm/s, 4 mm/s;(c)(d) 3 500 W, 20 mm/s, 4 mm/s

    Figure  11.  Impact fracture morphology of typical samples

    表  1  Ti6Al4V丝材主要化学成分

    Table  1.   Main chemical composition of Ti6Al4V wire %

    CVAlFeTiHNO
    0.0134.036.330.04990.140.00550.0060.034
    下载: 导出CSV

    表  2  多层薄壁墙试样的沉积参数

    Table  2.   Deposition parameters of multi-layered thin wall specimens

    试样序号激光功率/W送丝速度/(mm·s−1)扫描速度/(mm·s−1)
    12500204
    23000204
    33500204
    43000206
    53000208
    63000104
    73000304
    下载: 导出CSV

    表  3  不同工艺参数下试样的β晶粒平均尺寸

    Table  3.   Average sizes of β grains of samples under different process parameters μm

    试样1试样2试样3试样4试样5试样6试样7
    981.9±41001.2±11026.5±3942.16±2849.11±2774.84±21044.86±3
    下载: 导出CSV

    表  4  不同工艺参数的试样同一位置的拉伸性能

    Table  4.   Tensile properties of the samples at the same position under different process parameters

    试样序号Rp0.2/MPaRm /MPaA/%
    1786.5898.54.60
    2847.4925.24.55
    3784.4886.26.80
    4818.4904.96.60
    5836.6918.74.10
    6749.7886.34.50
    7702.0821.77.60
    下载: 导出CSV

    表  5  不同工艺参数试样同一位置的室温冲击性能

    Table  5.   Room temperature impact properties of the samples at the same position under different process parameters

    试样序号吸收功
    Ec /J
    裂纹萌生
    Wi /J
    裂纹扩展
    Wp /J
    冲击韧性/
    (J·cm−2)
    19.123.945.1845.71
    29.743.985.7648.74
    310.054.845.2151.74
    410.745.225.5253.97
    59.313.625.6946.51
    69.214.684.5347.52
    710.734.845.8954.05
    下载: 导出CSV
  • [1] Zhou Xinyuan, Zhang Weixing, Ge Futing. Overview of research status of cylindrical pressure shell structure of deep submersible[J]. Electronics Quality, 2021,(12):4. (周新院, 张卫星, 葛付婷. 深潜器柱形耐压壳结构研究现状概述[J]. 电子质量, 2021,(12):4. doi: 10.3969/j.issn.1003-0107.2021.12.003

    Zhou Xinyuan, Zhang Weixing, Ge Futing. Overview of research status of cylindrical pressure shell structure of deep submersible[J]. Electronics Quality, 2021(12): 4 doi: 10.3969/j.issn.1003-0107.2021.12.003
    [2] Gorynin I V. Titanium alloys for marine application[J]. Materials Science and Engineering:A, 1999,263(2):112−116. doi: 10.1016/S0921-5093(98)01180-0
    [3] Auwal S T, Ramesh S, Yusof F, et al. A review on laser beam welding of titanium alloys[J]. The International Journal of Advanced Manufacturing Technology, 2018,97(1):1071−1098.
    [4] Rosli Nor Ana, Alkahari Mohd Rizal, Bin Abdollah Mohd Fadzli, et al. Review on effect of heat input for wire arc additive manufacturing process[J]. Journal of Materials Research and Technology, 2021,11:2127−2145. doi: 10.1016/j.jmrt.2021.02.002
    [5] Murugan P Durai, Vijayananth S, Natarajan Mp, et al. A current state of metal additive manufacturing methods: A review[J]. Materials Today:Proceedings, 2022,59:1277−1283. doi: 10.1016/j.matpr.2021.11.503
    [6] Yuan Ding, Sun Xiaojing, Sun Laibo, et al. Improvement of the grain structure and mechanical properties of austenitic stainless steel fabricated by laser and wire additive manufacturing assisted with ultrasonic vibration[J]. Materials Science and Engineering:A, 2021,813:141−177.
    [7] Da Silva Adrien, Frostevarg Jan, Volpp Joerg, et al. Additive manufacturing by laser-assisted drop deposition from a metal wire[J]. Materials & Design, 2021,209:109987.
    [8] Huang Wenhao, Chen Shujun, Xiao Jun, et al. Laser wire-feed metal additive manufacturing of the Al alloy[J]. Optics & Laser Technology, 2021,134:106627.
    [9] Zhu Song, Nakahara You, Yamamoto Motomichi, et al. Additive manufacturing phenomena of various wires using a hot-wire and diode laser[J]. Welding in the World, 2022,66(7):1315−1327. doi: 10.1007/s40194-022-01273-w
    [10] Du Farui, Zhu Jinqian, Ding Xueping, et al. Dimensional characteristics of Ti-6Al-4V thin-walled parts prepared by wire-based multi-laser additive manufacturing in vacuum[J]. Rapid Prototyping Journal, 2019,25(5):849−856. doi: 10.1108/RPJ-08-2018-0207
    [11] Yuan Ding, Shao Shuaiqi, Guo Chunhuan, et al. Grain refining of Ti-6Al-4V alloy fabricated by laser and wire additive manufacturing assisted with ultrasonic vibration[J]. Ultrasonics Sonochemistry, 2021,73:105472. doi: 10.1016/j.ultsonch.2021.105472
    [12] Ding Yaoyu, Akbari Meysam, Kovacevic Radovan. Process planning for laser wire-feed metal additive manufacturing system[J]. The International Journal of Advanced Manufacturing Technology, 2018,95:355−365. doi: 10.1007/s00170-017-1179-z
    [13] Hu Yaojun. Developing marine titanium alloy[J]. Titanium Industry Progress, 1998,(4):5. (胡耀君. 发展中的船用钛合金[J]. 钛工业进展, 1998,(4):5. doi: 10.13567/j.cnki.issn1009-9964.1998.04.001

    Hu Yaojun. Developing marine titanium alloy[J]. Titanium Industry Progress, 1998(4): 5 doi: 10.13567/j.cnki.issn1009-9964.1998.04.001
    [14] Kelly Shawn Michael. Thermal and microstructure modeling of metal deposition processes with application to titanium aluminum vanadium[D]. USA , Virginia: Virginia Polytechnic Institute and State University, 2004.
    [15] Kelly Sm, Babu Ss, David Sa, et al. A thermal and microstructure model for laser deposition of Ti-6Al-4V[C]//Cost-Affordable Titanium. Symposium, Dedicated to Professor Harvey Flower, 2004. Citeseer.
    [16] 章敏. 送粉式和送丝式的钛合金激光增材制造特性研究[D]. 哈尔滨: 哈尔滨工业大学, 2013.

    Zhang Min. Research on laser additive manufacturing characteristics of titianium alloy with powder and wire[D]. Harbin: Harbin Institute of Technology, 2013.
    [17] Lei Lei, Zhao Yongqing, Zhao Qinyang, et al. Impact toughness and deformation modes of Ti–6Al–4V alloy with different microstructures[J]. Materials Science and Engineering:A, 2021,801:140411. doi: 10.1016/j.msea.2020.140411
  • 加载中
图(11) / 表(5)
计量
  • 文章访问数:  889
  • HTML全文浏览量:  192
  • PDF下载量:  35
  • 被引次数: 0
出版历程
  • 收稿日期:  2023-09-12
  • 刊出日期:  2024-02-01

目录

    /

    返回文章
    返回