中文核心期刊

SCOPUS 数据库收录期刊

中国科技核心期刊

美国《化学文摘》来源期刊

中国优秀冶金期刊

美国EBSCO数据库收录期刊

RCCSE中国核心学术期刊

美国《剑桥科学文摘》来源期刊

中国应用核心期刊(CACJ)

美国《乌利希期刊指南》收录期刊

中国学术期刊综合评价统计源刊

俄罗斯《文摘杂志》来源期刊

优秀中文科技期刊(西牛计划)

日本《科学技术文献数据库》(JST)收录刊

留言板

尊敬的读者、作者、审稿人, 关于本刊的投稿、审稿、编辑和出版的任何问题, 您可以本页添加留言。我们将尽快给您答复。谢谢您的支持!

姓名
邮箱
手机号码
标题
留言内容
验证码

拉伸变形诱导Ti-6Al-4V钛合金相转变机制

孙皓

孙皓. 拉伸变形诱导Ti-6Al-4V钛合金相转变机制[J]. 钢铁钒钛, 2024, 45(4): 62-67. doi: 10.7513/j.issn.1004-7638.2024.04.010
引用本文: 孙皓. 拉伸变形诱导Ti-6Al-4V钛合金相转变机制[J]. 钢铁钒钛, 2024, 45(4): 62-67. doi: 10.7513/j.issn.1004-7638.2024.04.010
Sun Hao. Phase transformation mechanism of Ti-6Al-4V titanium alloy induced by tensile deformation[J]. IRON STEEL VANADIUM TITANIUM, 2024, 45(4): 62-67. doi: 10.7513/j.issn.1004-7638.2024.04.010
Citation: Sun Hao. Phase transformation mechanism of Ti-6Al-4V titanium alloy induced by tensile deformation[J]. IRON STEEL VANADIUM TITANIUM, 2024, 45(4): 62-67. doi: 10.7513/j.issn.1004-7638.2024.04.010

拉伸变形诱导Ti-6Al-4V钛合金相转变机制

doi: 10.7513/j.issn.1004-7638.2024.04.010
基金项目: 贵州轻工职业技术学院项目(项目编号:23QY04)。
详细信息
    作者简介:

    孙皓,1986年出生,男,博士,研究方向为金属微观结构与性能,E-mail: shdjtu@126.com

  • 中图分类号: TF823,TG115

Phase transformation mechanism of Ti-6Al-4V titanium alloy induced by tensile deformation

  • 摘要: 钛合金中的相转变行为对材料的塑性变形以及力学性能起到至关重要的影响。因此,有必要深入研究钛合金的相转变行为,并在此基础上揭示相转变的机制。采用一种新颖的热处理工艺成功在Ti-6Al-4V钛合金中引入细β晶马氏体组织。发现在拉伸载荷条件下存在变形诱导HCP相向FCC相转变的行为,并揭示了相转变机制。HCP相与新形成的FCC相之间满足晶体学取向关系:(0002)HCP || $({11\bar 1 })$FCC以及$< {2\bar 1\bar 10}>$HCP || <011>FCC。通过两相之间的晶体学取向关系提出相转变机制:HCP相(0001)晶面上每两个原子层之间的一个1/3$< {10\bar 10}>$肖克莱不全位错滑移。通过第一性原理计算HCP相向FCC相转变过程中(0001)$< {10\bar 10}>$层错能变化,成功验证了该相转变机制。
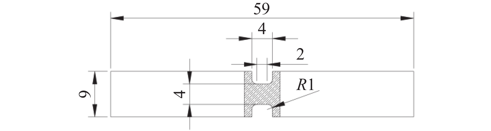
  • 图  1  拉伸试样的尺寸(单位:mm)

    Figure  1.  Geometry of tensile specimen

    图  2  合金经DIL 805A/D相变仪热处理后的组织

    Figure  2.  Microstructures of the alloy after heat treatment by the DIL 805A/D dilatometer

    (a) 1 s; (b) 7 s; (c) 60 s; (d) 1 800 s

    图  3  样品的拉伸应力应变曲线

    Figure  3.  Stress-strain curves of tensile specimens

    图  4  不同β晶粒大小的合金拉伸变形过程中TEM形貌及相应选区电子衍射花样

    Figure  4.  TEM morphologies and the corresponding diffraction patterns of the selected area in alloy with different β grain sizes

    (a)(b) 25 μm;(c)(d) 131 μm;(e)(f) 375 μm

    图  5  拉伸变形诱导的B类FCC相转变

    Figure  5.  Tensile deformation induced by B type FCC phase transformation

    图  6  HCP相向FCC相转变机制示意

    Figure  6.  Schematic diagram of HCP to FCC phase transformation mechanism

    图  7  利用密度泛函理论计算得到的钛的(0001) <$ 10\bar 10$>广义层错能曲线

    肖克莱不全位错的值|b|=a/$ \sqrt{\text{3}} $,其中“a”为α-Ti的晶格参数;插图所示为钛转变前后模拟胞

    Figure  7.  (0001) <$ 10\bar 10$> GSFE curve of the HCP-Ti calculated by DFT

  • [1] Banerjee D, Williams J C. Perspectives on titanium science and technology[J]. Acta Materialia, 2013,61(3):844-879. doi: 10.1016/j.actamat.2012.10.043
    [2] Lütjering G G, Williams J C. Titanium[M]. Springer, 2007.
    [3] Lei Ting. Titanium and titanium alloy[M]. Beijing: Metallurgical Industry Press, 2018. (雷霆. 钛及钛合金[M]. 北京: 冶金工业出版社, 2018.

    Lei Ting. Titanium and titanium alloy[M]. Beijing: Metallurgical Industry Press, 2018.
    [4] Lainé S J, Knowles K M, Doorbar P J, et al. Microstructural characterisation of metallic shot peened and laser shock peened Ti–6Al–4V[J]. Acta Materialia, 2017,123:350-361. doi: 10.1016/j.actamat.2016.10.044
    [5] Castany P, Pettinari Sturmel F, Crestou J, et al. Experimental study of dislocation mobility in a Ti–6Al–4V alloy[J]. Acta Materialia, 2007,55(18):6284-6291. doi: 10.1016/j.actamat.2007.07.032
    [6] Guo Zhouqiang, Ge Liling, Yuan Hang, et al. Surface nano-crystallization of TC4 titanium alloy and its thermal stability[J]. Transactions of Materials and Heat Treatment, 2012,33(3):5. (郭周强, 葛利玲, 袁航, 等. 钛合金TC4表面纳米化及其热稳定性[J]. 材料热处理学报, 2012,33(3):5.

    Guo Zhouqiang, Ge Liling, Yuan Hang, et al. Surface nano-crystallization of TC4 titanium alloy and its thermal stability[J]. Transactions of Materials and Heat Treatment, 2012, 33(3): 5.
    [7] Sun J L, Trimby P W, Si X, et al. Nano twins in ultrafine-grained Ti processed by dynamic plastic deformation[J]. Scripta Materialia, 2013,68(7):475-478. doi: 10.1016/j.scriptamat.2012.11.025
    [8] Bao L, Lecomte J, Schuman C, et al. Study of plastic deformation in hexagonal metals by interrupted in-situ EBSD measurement[J]. Advanced Engineering Materials, 2010,12(10):1053-1059. doi: 10.1002/adem.201000074
    [9] Li Y, Ni S, Liu Y, et al. Phase transition induced high strength and large ductility of a hot rolled near β Ti-5Al-5Mo-5V-1Cr-1Fe alloy[J]. Scripta Materialia, 2019,170:34-37. doi: 10.1016/j.scriptamat.2019.05.031
    [10] Liu Y G, Li M Q, Liu H J. Deformation induced face-centered cubic titanium and its twinning behavior in Ti–6Al–4V[J]. Scripta Materialia, 2016,119:5-8. doi: 10.1016/j.scriptamat.2016.03.018
    [11] Ao N, Liu D, Liu C, et al. Face-centered titanium induced by ultrasonic surface rolling process in Ti-6Al-4V alloy and its tensile behavior[J]. Materials Characterization, 2018,145:527-533. doi: 10.1016/j.matchar.2018.09.004
    [12] Shahmir H, Langdon T G. Using heat treatments, high-pressure torsion and post-deformation annealing to optimize the properties of Ti-6Al-4V alloys[J]. Acta Materialia, 2017,141:419-426. doi: 10.1016/j.actamat.2017.09.018
    [13] Kwasniak P, Garbacz H, Kurzydlowski K J. Solid solution strengthening of hexagonal titanium alloys: Restoring forces and stacking faults calculated from first principles[J]. Acta Materialia, 2016, 102: 304-314.
    [14] Matsumoto H, Yoneda H, Sato K, et al. Room-temperature ductility of Ti-6Al-4V alloy with α′ martensite microstructure[J]. Materials Science and Engineering: A, 2011,528(3):1512-1520. doi: 10.1016/j.msea.2010.10.070
    [15] Chong Y, Bhattacharjee T, Yi J, et al. Mechanical properties of fully martensite microstructure in Ti-6Al-4V alloy transformed from refined beta grains obtained by rapid heat treatment (RHT)[J]. Scripta Materialia, 2017,138:66-70. doi: 10.1016/j.scriptamat.2017.05.038
    [16] Chao Q, Hodgson P D, Beladi H. Ultrafine grain formation in a Ti-6Al-4V alloy by thermomechanical processing of a martensitic microstructure[J]. Metallurgical and Materials Transactions A, 2014,45(5):2659-2671. doi: 10.1007/s11661-014-2205-5
    [17] Zhang Runqi, Cai Qin, Li Zhuang, et al. Microstructural evolution of Ti-6Al-4V alloy during water quenching under different processing conditions[J]. Rare Metal Materials and Engineering, 2020,49(9):3005-3011. (张润奇, 蔡钦, 李壮, 等. Ti-6Al-4V合金在不同工艺条件下水淬后的组织演变[J]. 稀有金属材料与工程, 2020,49(9):3005-3011.

    Zhang Runqi, Cai Qin, Li Zhuang, et al. Microstructural evolution of Ti-6Al-4V alloy during water quenching under different processing conditions[J]. Rare Metal Materials and Engineering, 2020, 49(9): 3005-3011.
    [18] Zhao H, Song M, Ni S, et al. Atomic-scale understanding of stress-induced phase transformation in cold-rolled Hf[J]. Acta Materialia, 2017,131:271-279. doi: 10.1016/j.actamat.2017.03.058
    [19] Wei B, Ni S, Liu Y, et al. Phase transformation and structural evolution in a Ti-5at.% Al alloy induced by cold-rolling[J]. Journal of Materials Science & Technology, 2020,49:211-223.
    [20] Chen P, Wang F, Li B. Transitory phase transformations during{101-2} twinning in titanium[J]. Acta Materialia, 2019,171:65-78. doi: 10.1016/j.actamat.2019.04.002
    [21] Jiang S, Huang L, Gao X, et al. Interstitial carbon induced FCC-Ti exhibiting ultrahigh strength in a Ti37Nb28Mo28-C7 complex concentrated alloy[J]. Acta Materialia, 2021,203:116456. doi: 10.1016/j.actamat.2020.10.075
  • 加载中
图(7)
计量
  • 文章访问数:  208
  • HTML全文浏览量:  117
  • PDF下载量:  21
  • 被引次数: 0
出版历程
  • 收稿日期:  2023-10-17
  • 刊出日期:  2024-08-30

目录

    /

    返回文章
    返回