中文核心期刊

SCOPUS 数据库收录期刊

中国科技核心期刊

美国《化学文摘》来源期刊

中国优秀冶金期刊

美国EBSCO数据库收录期刊

RCCSE中国核心学术期刊

美国《剑桥科学文摘》来源期刊

中国应用核心期刊(CACJ)

美国《乌利希期刊指南》收录期刊

中国学术期刊综合评价统计源刊

俄罗斯《文摘杂志》来源期刊

优秀中文科技期刊(西牛计划)

日本《科学技术文献数据库》(JST)收录刊

留言板

尊敬的读者、作者、审稿人, 关于本刊的投稿、审稿、编辑和出版的任何问题, 您可以本页添加留言。我们将尽快给您答复。谢谢您的支持!

姓名
邮箱
手机号码
标题
留言内容
验证码

2024年  第45卷  第4期

钒钛分离与提取
全钒液流电池用聚氯乙烯&聚乙烯吡咯烷酮复合质子交换膜的制备与性能研究
代宇, 曾泽华, 张东彬, 滕艾均, 刘天豪, 尹翔鹭, 袁欣然
2024, 45(4): 1-7. doi: 10.7513/j.issn.1004-7638.2024.04.001
摘要(691) HTML (203) PDF(49)
摘要:
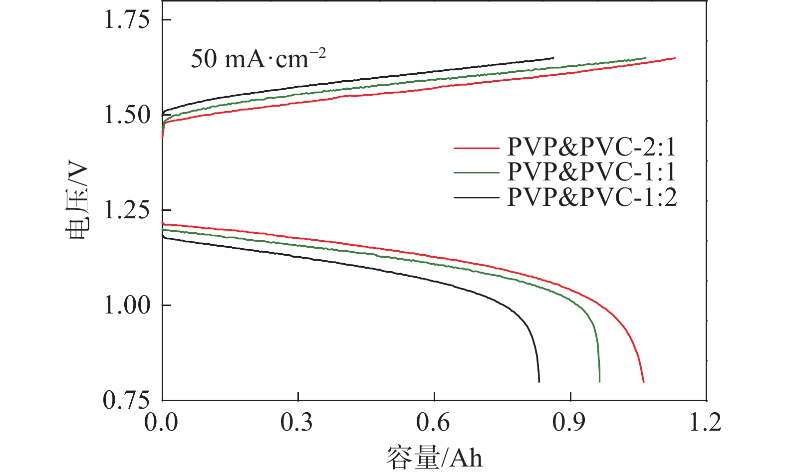
质子交换膜(PEM)作为全钒氧化还原液流电池(VRFB)的关键组成部分,在控制VRFB的性能以及成本方面起着重要的作用。制备了一系列不同比例的聚乙烯吡咯烷酮(PVP)&聚氯乙烯(PVC)复合质子交换膜,其中PVP由于胺基的质子化作用,在膜中进行离子传导,而PVC作为骨架起到支撑作用。通过调整复合膜中PVP和PVC的比例,得到性能适用于全钒液流电池的质子交换膜。研究发现,PVP&PVC复合膜中PVC含量增加,膜的机械性能增强,钒离子透过率降低;而膜中PVP含量增加,膜的电导率和溶胀随之变大。测试结果表明,当复合膜中PVP和PVC质量比为1:1时,混合膜的质子选择性最高为3.8×103 S·min·cm−3,复合膜综合性能最好,并且在电流密度为50 mA·cm−2时,该单电池具有较高的充放电容量。
熔盐氯化用熔体组分对体系物性的影响研究
何艺霖, 徐健淋, 马占山, 庞忠亚, 朱福兴, 邹星礼, 鲁雄刚
2024, 45(4): 8-15, 28. doi: 10.7513/j.issn.1004-7638.2024.04.002
摘要(443) HTML (143) PDF(31)
摘要:
氯化物熔盐物性对于熔盐氯化法制备四氯化钛效率至关重要。为了考察氯化用熔盐组分含量变化对熔盐体系物性的影响规律,以工业生产中的熔盐为对象,对正常原盐、泡沫盐和过滤熔盐的电导率和粘度物性进行了测试以及XRD物相分析、化学成分分析。根据实际生产中的组分配比以及化学分析结果,设置了三因素为FeCl2、FeCl3以及MgCl2 : NaCl的正交试验,研究不同组分配比下熔盐体系的物性变化。结果表明:FeCl2含量对熔盐体系电导率影响最为显著,每5%的FeCl2增加量会使熔盐整体电导率提高0.33 S/cm;FeCl3含量对熔盐体系粘度影响最大,其组分占比在10 %~ 15%区间内的影响最为明显。最后,利用综合评分法评估出最佳的熔盐氯化组分方案为:CaCl2 4%、FeCl2 20%、FeCl3 5%、MgCl2 : NaCl = 1 : 1。
偏钒酸钠化学合成法制备VOSO4研究
夏甫哈提·艾日肯江, 温婧, 余唐霞, 姜涛
2024, 45(4): 16-22. doi: 10.7513/j.issn.1004-7638.2024.04.003
摘要(714) HTML (227) PDF(41)
摘要:
硫酸氧钒(VOSO4)电解液是钒电池中电化学反应的活性物质和能量载体,其品质直接影响钒电池的能量效率、能量密度和使用寿命等性能。以偏钒酸钠(NaVO3)为原料,亚硫酸钠(Na2SO3)为还原剂,通过还原、沉淀、酸溶、结晶工艺制得了VOSO4产物,探索了各因素对钒回收率的影响,并对中间产物VO(OH)2和VOSO4产物进行表征。结果表明:偏钒酸钠浸出液以m(V):m(S)为1:0.5加入亚硫酸钠,在pH为2.5的溶液中于70 ℃恒温下还原60 min后,实现了钒(V)还原为钒(IV)。将pH调至7.0,并在20 ℃下反应10 min,蓝色溶液可转化成VO(OH)2中间产物,此时钒回收率最高,为98.51%。VO(OH)2由直径为50~200 nm球状结构组成,将其用硫酸溶解可得蓝色VOSO4溶液,烘干结晶后得到平均直径为5 μm的固体VOSO4晶体,产物品质符合国标二级标准。该研究为利用钒渣钠化焙烧浸出液原位制备VOSO4提供了前期试验基础。
TC4 ELI钛合金高品质球形粉末的制备
陈光润, 马兰, 杨绍利, 肖建, 汪强兵
2024, 45(4): 23-28. doi: 10.7513/j.issn.1004-7638.2024.04.004
摘要(389) HTML (179) PDF(20)
摘要:
以Ti6Al4V ELI(TC4 ELI)钛合金棒料为原料,采用等离子旋转电极雾化法制备TC4 ELI球形粉末,研究了电流和电极转速对粉末粒度分布及粉末特性的影响,利用扫描电镜(SEM)对粉体形貌进行了观察。结果表明:电流保持600 A不变时,随着电极转速提高,53~106 µm TC4 ELI粉末收得率增大;当电极转速为44000 r/min时,随着电流的增大,粒径<106 µm的粉末收得率略有增加,所得粉末松装密度在2.59~2.72 g/cm3范围内,振实密度为3.0 g/cm3,氧含量(质量分数)在560×10-6~750 ×10-6,流动性(50 g计)为30.6~35.7 s;粉末成球率高、球形度好,边缘光滑无杂质,球形度>90%。
金红石型钛白不同初品湿磨分散性能研究
杨芳, 刘婵, 路瑞芳, 石瑞成
2024, 45(4): 29-33. doi: 10.7513/j.issn.1004-7638.2024.04.005
摘要(355) HTML (178) PDF(25)
摘要:
以四种工业钛白粉辊压磨初品为原料,研究锌铝两系金红石钛白初品在不同打浆浓度条件下的湿磨分散性能,通过浆料粘度、分散稳定性、分散粒度及上清液电导率表征分散性能的差异。结果表明:同等硅酸钠分散工艺下,锌系初品分散性能均弱于铝系初品,且浆料粘度随打浆浓度升高而增大;各锌系初品的极限打浆浓度差异较大,硅酸钠加量为SiO2/TiO2质量比0.30%时,锌系初品B极限分散浓度可达500 g/L,但仍未达到铝系初品水平。低浓度状态下,各初品浆料中存在更多的小粒子,分散更加稳定,随着打浆浓度升高,浆料分散稳定性随之降低;粘度更低的浆料沉降比更高,即分散稳定性越差。各类初品表面电荷量各不相同,表面电荷更多的初品其粘度更低。
不同载体对V-Mo/Ti脱硝催化剂性能影响研究
岳彦伟, 黄力, 卢陆洋, 王素芹, 徐顺, 王虎, 纵宇浩, 谢兴星
2024, 45(4): 34-40. doi: 10.7513/j.issn.1004-7638.2024.04.006
摘要(395) HTML (160) PDF(21)
摘要:
选用了两种比表面积的TiO2制备了V-Mo/Ti脱硝催化剂。采用XRD、N2-吸附脱附、H2-TPR、Raman、NH3-TPD、O2-TPD、SO2-TPD对不同催化剂的物理化学性质进行了分析。通过固定床微型反应评价装置,对不同催化剂的脱硝性能进行了考察。通过全尺寸脱硝催化剂中试评价装置,对比了不同催化剂的SO2/SO3转化率。结果显示:V-Mo/Ti脱硝催化剂中,当小比表面积TiO2-A和大比表面积的TiO2-B的质量比为75:25时,催化剂与全用小比表面积TiO2-A制得的催化剂相比,聚合态钒物种的含量降低,催化剂的还原性能提升,酸性略有下降,催化剂的Oα含量明显增加,表明催化剂的脱硝性能增强。继续增加大比表面积TiO2-B的质量比至50%,催化剂的酸性下降明显,导致催化剂的脱硝活性下降。大比表面积的TiO2-B的用量增加可以降低催化剂的SO2/SO3转化率。总体而言,当小比表面积TiO2-A和大比表面积的TiO2-B的质量比为75:25时,制备的V-Mo/Ti脱硝催化剂展示了较优的脱硝效果。
钒钛材料与应用
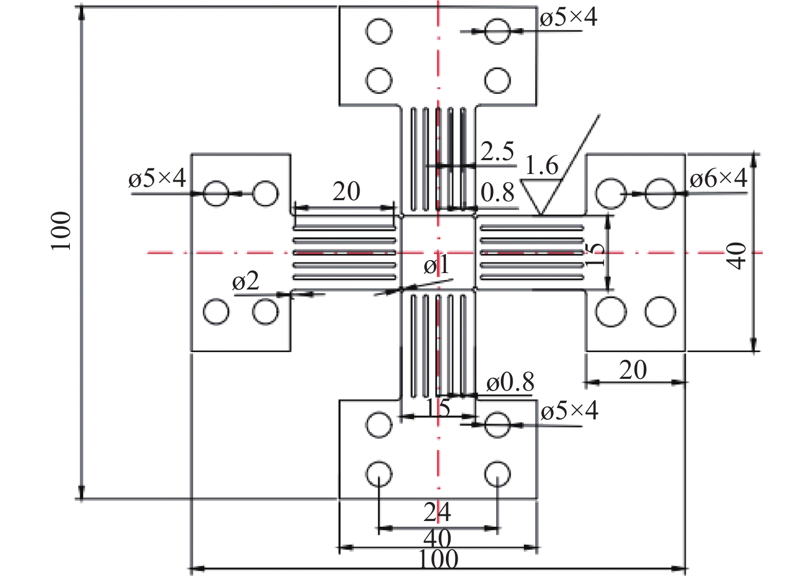
工业纯钛室温双轴拉伸力学行为研究
苗自豪, 常乐, 周昌玉, 贺小华
2024, 45(4): 41-47. doi: 10.7513/j.issn.1004-7638.2024.04.007
摘要(570) HTML (185) PDF(37)
摘要:
采用十字形试样对工业纯钛板材进行了双轴拉伸试验,利用数字图像相关方法(Digital Image Correlation, DIC)捕获应变响应,探讨了双轴拉伸应力状态对力学性能的影响。与单轴力学性能相比,双轴加载下材料强度明显提升,当XY两轴加载速率相等时,材料的屈服强度及抗拉强度最高。进一步利用背向散射衍射技术(Electron Back Scatter Diffraction, EBSD)分析双轴载荷比对孪晶行为的影响。沿轧制方向(RD)和横向(TD)单向加载时,孪晶体积分数较小,而双轴载荷下有较多孪晶,在等比载荷时有最大的孪晶体积分数,且当横向载荷大于轧制方向载荷时,拉伸孪晶体积分数高于压缩孪晶体积分数。
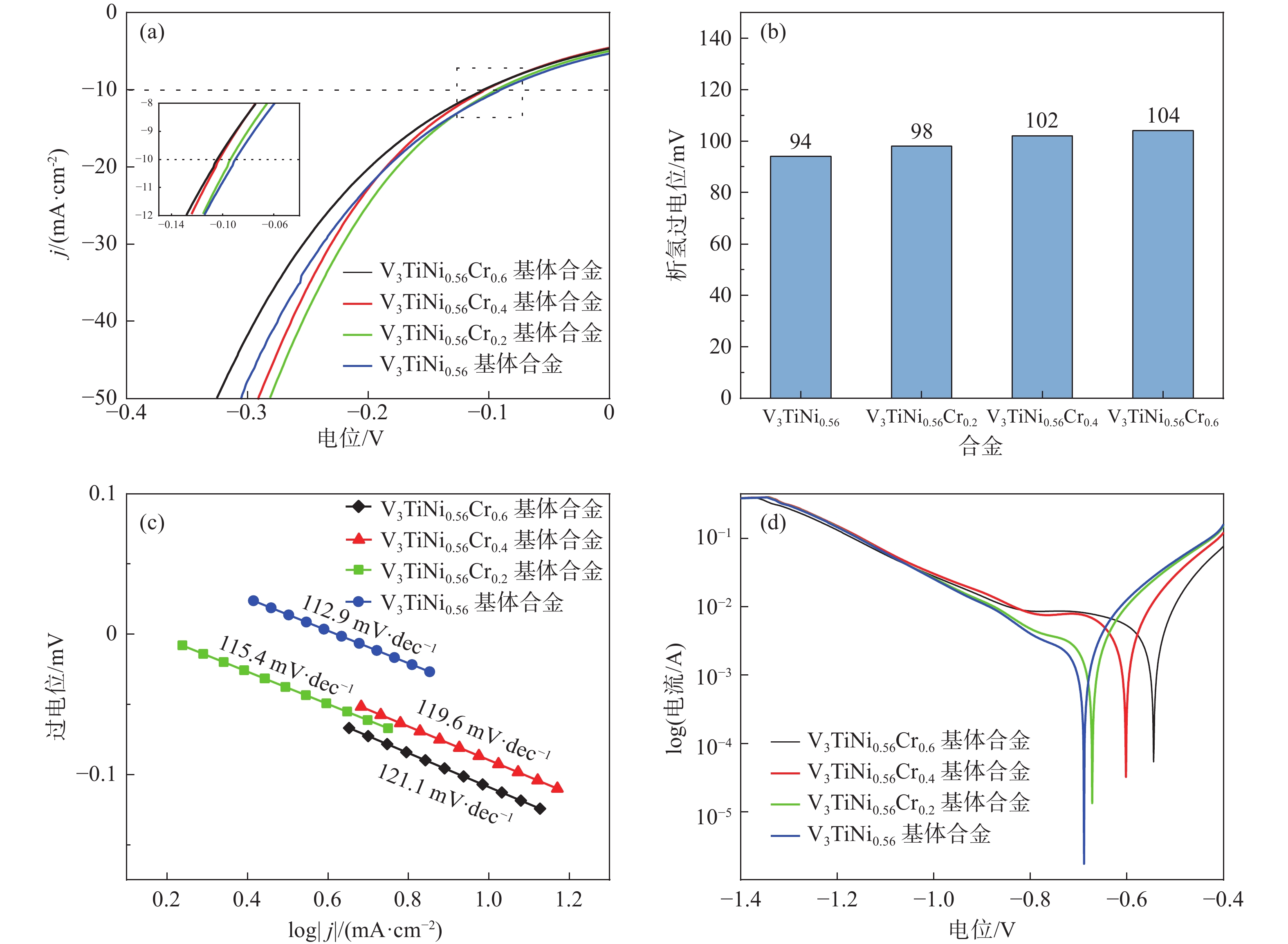
V3TiNi0.56Crx(x=0, 0.2, 0.4, 0.6)/NiMoW钒基复合析氢阴极电催化与耐蚀性能研究
杜金晶, 张轩, 周宇, 崔新新, 朱军, 左恒, 王斌, 鲍彦如, 刘景田, 郭悦豪
2024, 45(4): 48-53. doi: 10.7513/j.issn.1004-7638.2024.04.008
摘要(441) HTML (132) PDF(23)
摘要:
主要研究了金属元素Cr对钒基复合析氢阴极V3TiNi0.56Crx(x=0, 0.2, 0.4, 0.6)/NiMoW合金物相、形貌、电催化性能与耐腐蚀性能的影响。结果表明:随着合金基体材料中Cr含量增加,基体合金表面形成了钝化膜,能够使基体材料在电化学腐蚀的过程中产生钝化区。钒基复合析氢阴极的电催化能力略有下降,由极化曲线外推法计算得到自腐蚀电流减小3.61 mA/cm、自腐蚀电位正移0.154 V。长时间电解后,钒基复合析氢阴极表面形成的缝隙减少,电流密度变化幅度减小,说明掺杂金属元素Cr后,其耐蚀性能与长效稳定性均有所提高。
中间退火工艺对冷轧纯钛板微观组织及织构的影响
唐敏
2024, 45(4): 54-61. doi: 10.7513/j.issn.1004-7638.2024.04.009
摘要(267) HTML (159) PDF(17)
摘要:
采用电子背散射衍射(EBSD)等测试手段和分析方法,系统地研究了不同退火温度对冷轧纯钛板微观组织及织构的影响。结果表明:中间退火温度为700 ℃时,0.6 mm冷轧至0.25 mm后经700 ℃/1 h退火得到的再结晶组织更加均匀,残余应力更小,{0001}、{10-10}及{11-20}三个极图上的织构更加散漫,织构强度整体较弱,取向分布更加随机。
拉伸变形诱导Ti-6Al-4V钛合金相转变机制
孙皓
2024, 45(4): 62-67. doi: 10.7513/j.issn.1004-7638.2024.04.010
摘要(320) HTML (221) PDF(23)
摘要:
钛合金中的相转变行为对材料的塑性变形以及力学性能起到至关重要的影响。因此,有必要深入研究钛合金的相转变行为,并在此基础上揭示相转变的机制。采用一种新颖的热处理工艺成功在Ti-6Al-4V钛合金中引入细β晶马氏体组织。发现在拉伸载荷条件下存在变形诱导HCP相向FCC相转变的行为,并揭示了相转变机制。HCP相与新形成的FCC相之间满足晶体学取向关系:(0002)HCP || $({11\bar 1 })$FCC以及$< {2\bar 1\bar 10}>$HCP || <011>FCC。通过两相之间的晶体学取向关系提出相转变机制:HCP相(0001)晶面上每两个原子层之间的一个1/3$< {10\bar 10}>$肖克莱不全位错滑移。通过第一性原理计算HCP相向FCC相转变过程中(0001)$< {10\bar 10}>$层错能变化,成功验证了该相转变机制。
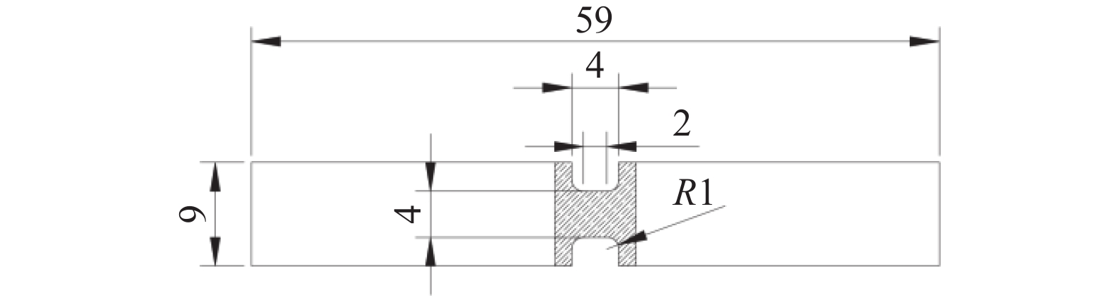
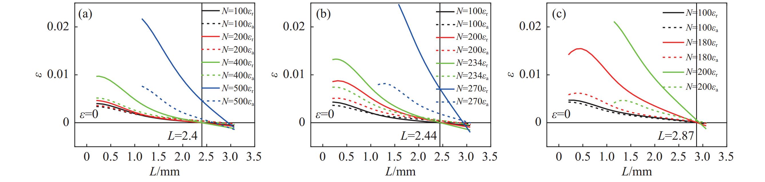
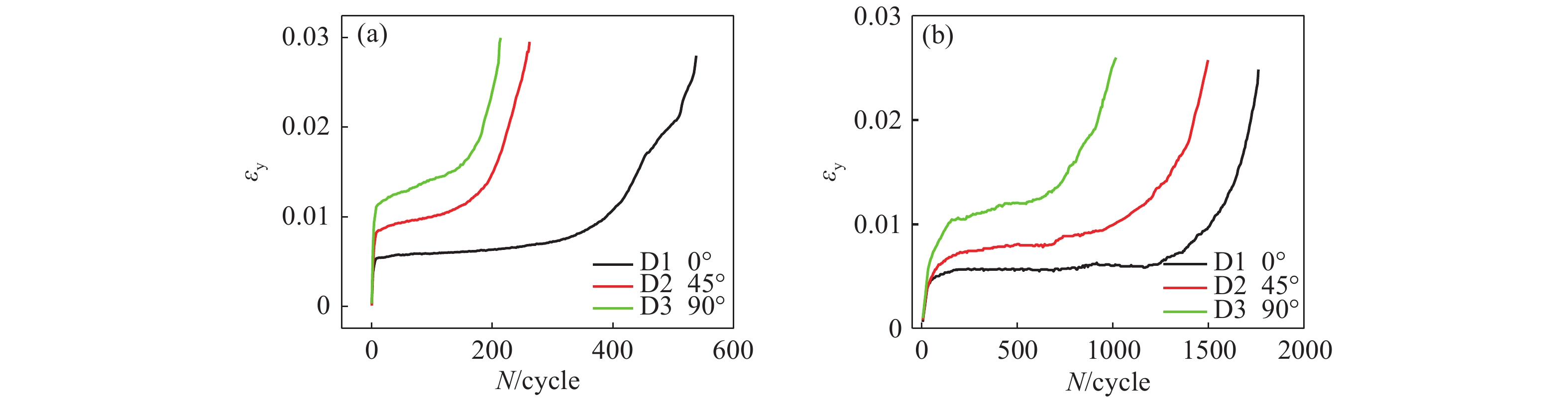
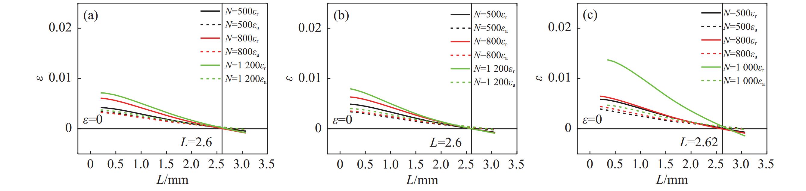
堆积方向对激光选区熔化TC4合金缺口件局部循环塑性行为的影响
王志强, 李建, 赵询, 赵雪同, 徐英东, 唐明扬, 刘庆, 葛峻铭, 肖敏
2024, 45(4): 68-75. doi: 10.7513/j.issn.1004-7638.2024.04.011
摘要(317) HTML (182) PDF(12)
摘要:
通过数字图像相关技术从宏观塑性变形方面研究了堆积方向对激光选区熔化(SLM)TC4合金缺口件局部循环塑性行为的影响。结果表明:缺口附近的塑性变形受堆积方向和缺口半径的影响,进而影响缺口件的疲劳寿命。缺口根部的棘轮应变及其应变率随堆积方向改变(0°至90°)而降低,同时也随缺口半径的增加而降低。与缺口半径相比,棘轮应变及应变率和疲劳寿命对堆积方向敏感性更低。研究结果为SLM构件的疲劳设计提供了一定的理论参考。
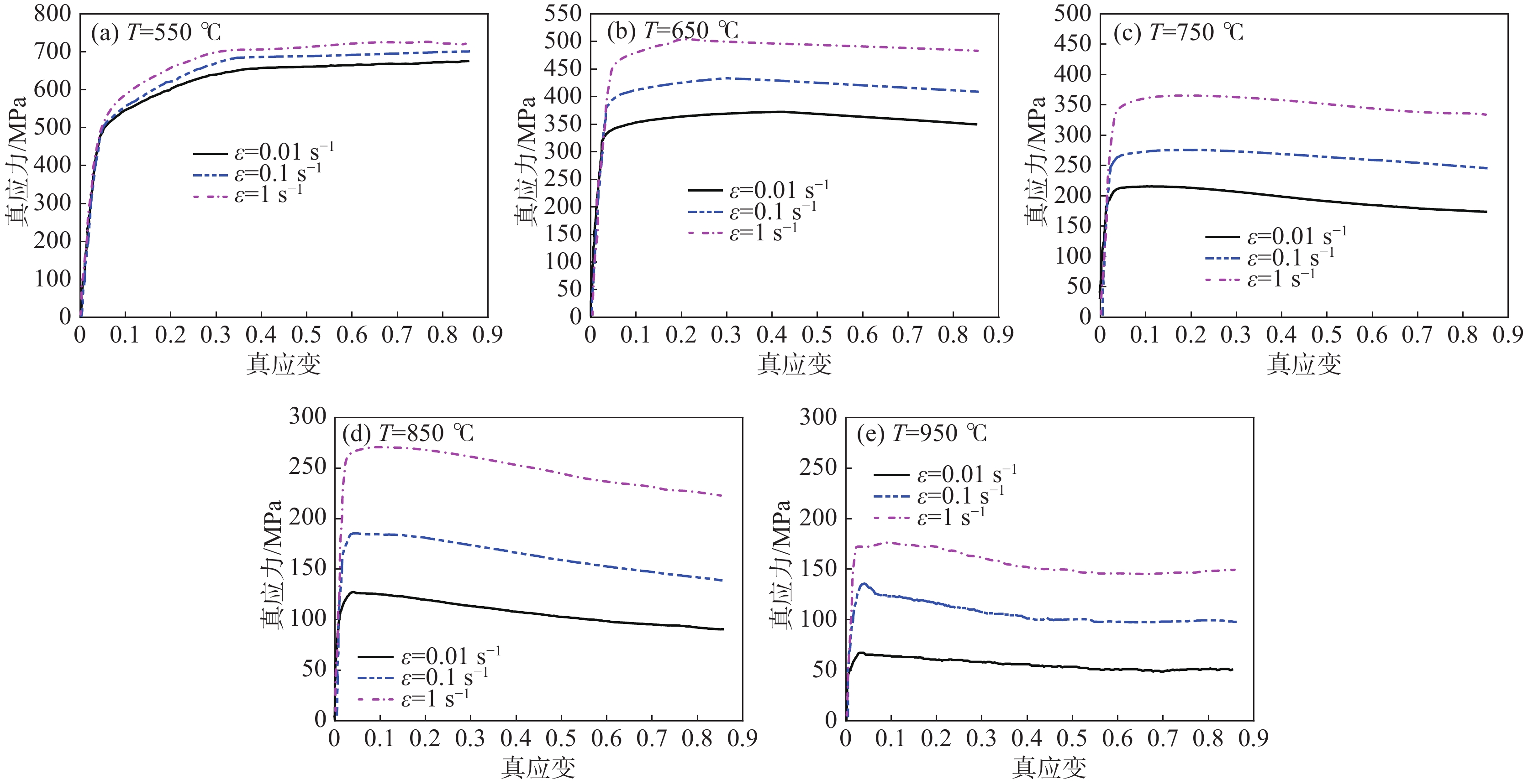
基于Z-A本构模型TC4钛合金高温流变行为的预测
沈建成, 贾海深, 张继林, 罗文翠, 易湘斌
2024, 45(4): 76-83. doi: 10.7513/j.issn.1004-7638.2024.04.012
摘要(395) HTML (181) PDF(18)
摘要:
在描述材料承受不同变形条件下的响应行为及其热成形工艺过程优化方面,本构模型具有重要意义。因此,为了获得准确描述TC4钛合金高温流变行为的物理本构模型,利用Gleeble-3800热模拟试验机,在不同温度(550 ~950 ℃)下、不同应变速率(0.01、0.1、1 s−1)下完成了等温压缩试验。依据试验数据,对改进的Z-A本构模型参数进行了标定,并对其有效性进行了分析。基于分析结果,建立了一种优化的Z-A本构模型,借助相关性系数R,平均相对误差值AARE和均方根误差RSME三种统计参数,探讨了该模型的可预测性。结果表明优化的Z-A本构模型能够准确地预测该材料的高温流变行为,其模型的R、AARE和RSME分别为0.9994,1.62%和1.3248
综述与专论
钒技术在难减排行业和能源转型中的作用评估
DavidA Santos, ManishK Dixit, PranavPradeep Kumar, SarbajitBanerjee
2024, 45(4): 84-94. doi: 10.7513/j.issn.1004-7638.2024.04.013
摘要(539) HTML (220) PDF(56)
摘要:
重工业的减碳和可再生能源技术的出现皆与获得矿物资源有着密不可分的联系。因此,迫切需要对关键元素在减少温室气体排放方面的作用进行基准评估。考察了钒作为微合金元素在建筑碳减排以及作为电网储能用液流电池的主要成分在能源转型中的作用。研究结果表明,钒可使每年减少总计1.85亿t碳排放。其中,中国和欧盟的减排幅度分别为各自排放量的1.15%和0.18%。研究结果强调了关键金属在发展低碳基础设施中的作用,同时指出了进行全面评估并施加政策干预减轻供应链风险的必要性。
V2O5-WO3/TiO2催化剂的失活机理及预防措施进展
靳嘉浩, 蔡宗英, 梁精龙, 宋少飞, 曹卫刚
2024, 45(4): 95-104. doi: 10.7513/j.issn.1004-7638.2024.04.014
摘要(517) HTML (217) PDF(33)
摘要:
随着全球能源需求的增长和环保要求的提高,选择性催化还原(SCR)技术作为降低大气中氮氧化物(NOx)排放的重要手段备受关注。然而,作为SCR核心的钒钛基V2O5-WO3/TiO2 SCR催化剂在长期运行中会遭遇失活问题,限制了其实际应用,故对其失活机理和预防措施展开研究意义重大。文章系统地阐述了催化剂的失活机理及其预防措施。认为催化剂的失活主要是由高温环境和烟气中的灰尘、碱(土)金属、酸性气体、重金属等通过物理或者化学作用造成的。为减缓催化剂失活,延长催化剂的使用寿命,从预除尘、催化剂改进和SCR系统优化三个方面综述了其预防措施。对催化剂的失活机理进行研究不仅能够了解失活过程的组分变化,还能为催化剂的失活预防和新型催化剂材料的研究提供依据,为延长V2O5-WO3/TiO2 SCR催化剂稳定工作时间和回收废SCR催化剂提供了参考。
钢铁冶金与材料
钒钛球团矿熔滴过程中有价元素及物相的变化
谢洪恩, 郑魁, 黄楚, 朱凤湘, 刘娟
2024, 45(4): 105-112, 128. doi: 10.7513/j.issn.1004-7638.2024.04.015
摘要(554) HTML (228) PDF(28)
摘要:
模拟高炉冶炼气氛,对攀钢酸性钒钛球团矿在软熔和滴落过程中的物相组成和有价元素的变化进行了定量化的研究。结果表明,在钒钛球团矿的软熔滴落过程中,Ti和V逐渐从钛赤铁矿和钛铁矿迁移至渣相中。TiO2既可生成Ti进入金属铁,也可大量生成碳氮化钛。滴落试验中V在金属铁中的收得率为36.03%,远高于Ti和Si的3.13%和17.20%。炉渣和金属铁吸收焦炭中的S与渣铁间的脱硫反应同时进行,金属铁中S所占的比例由软熔时的72.84%降低至滴落时的50%。软熔液泛渣中辉石和黑钛石超过80%,渣中超过70%的V和Ti分布于黑钛石中。软熔未滴落渣中辉石明显减少,橄榄石和尖晶石明显增加,尖晶石中的V和Ti明显增加。滴落试验过程中TiO2逐渐被还原,TiC和TiN的质量分数之和超过20%,炉渣逐渐由TiO2质量分数超过30%的高钛渣转变为TiO2质量分数低于10%的低钛渣,未滴落渣中黑钛石以及分布于其中的V和Ti明显减少,橄榄石以及分布于其中的V和Ti增加。
基于IMCT理论的CaO-SiO2-MgO-Al2O3-FeO-P2O5-TiO2渣系脱磷热力学模型
刘然, 刘晏廷, 高艳甲, 兰臣臣, 闫光石, 吕庆
2024, 45(4): 113-122. doi: 10.7513/j.issn.1004-7638.2024.04.016
摘要(299) HTML (160) PDF(11)
摘要:
基于离子分子共存理论(IMCT)建立了CaO-SiO2-MgO-Al2O3-FeO-P2O5-TiO2七元熔渣磷分配比(LP)模型,该模型已在多个熔渣体系中被验证,具有较为精确的预测磷富集行为的能力,进一步分析了各组元成分对活度及LP的影响,通过该模型总结了冶炼钒钛磁铁矿的合理熔渣成分。结果表明:在10001600 ℃范围内,随着温度的升高,FeO、MgO与CaO活度上升,SiO2与Al2O3的活度随之减小,对TiO2无明显影响。随着碱度由0.92升高至1.32,CaO、MgO的活度明显上升,SiO2和Al2O3的活度明显下降,FeO的活度逐渐增加,TiO2的活度基本保持不变。随着渣中CaO质量分数增加,Al2O3、SiO2的活度随之减少,CaO、MgO、FeO的活度随之增大。随着渣中SiO2质量分数增加,渣中碱性氧化物CaO、MgO、FeO的活度随之减少,渣中酸性氧化物SiO2、Al2O3、SiO2的活度随之增加。渣系中MgO质量分数由4%增加到14.5%后,各组元活度的变化规律与CaO基本相同,但影响程度弱于CaO。渣系中Al2O3、FeO和TiO2质量分数增加后,仅使得自身活度显著增加,对其它组元的活度影响程度相对较小;随着碱度和FeO质量分数的增加,LP逐渐增加;随着MgO质量分数的增加,Lp先降低后增加;随Al2O3、TiO2质量分数的增加,LP逐渐降低;TiO2质量分数在10%左右时,选取熔渣组分为CaO(35.5%)-SiO2(26%)-MgO(10.2%)-Al2O3(12.5%)-FeO(5%)- TiO2,铁水中[P]可控制在0.01%以下。
析出相对GH4141合金蠕变持久断裂行为的作用机制
张昭, 冯旭, 郭续龙, 张维维, 王楷萌, 信瑞山, 裴丙红, 肖东平, 周扬
2024, 45(4): 123-128. doi: 10.7513/j.issn.1004-7638.2024.04.017
摘要(313) HTML (133) PDF(14)
摘要:
研究了析出相与GH4141合金蠕变持久断裂行为的交互作用,涉及蠕变裂纹萌生和扩展。表征手段采用二次电子和电子背散射衍射技术,重点关注了析出相(包括MC、M6C、M23C6型碳化物和γ′弥散强化相)、孔隙和晶界裂纹,同时分析了晶粒塑性变形和强化机制。孔隙主要发生在晶界与M6C和M23C6碳化物的界面处,相邻孔隙聚合形成涟漪形貌,裂纹生长加剧了其前端区域的塑性变形。晶粒内部强化涉及γ′析出相对位错运动的抑制,由于应变激活多个滑移系统,加快了位错塞积和缠结现象,起到强化晶粒的效果。
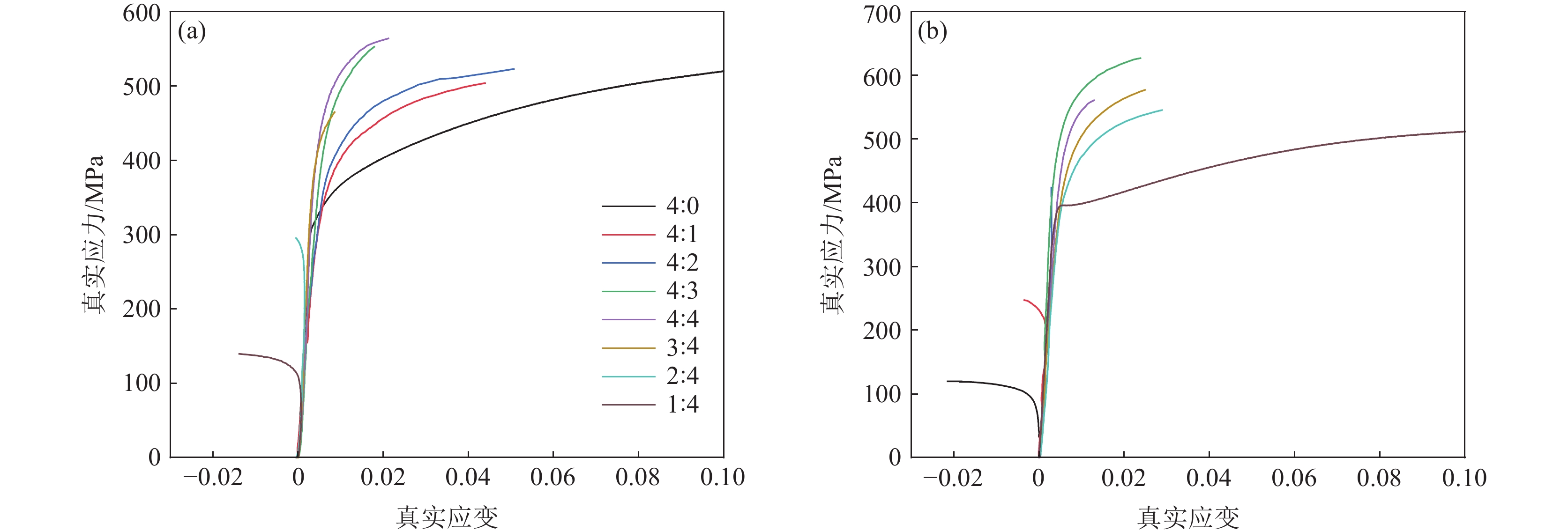
合金元素V、Cu对含铜钢组织和性能的影响
杨何, 侯自勇, 赵俊, 王亚茹, 梁杰, 常智渊, 张玲, 黄晓旭
2024, 45(4): 129-136. doi: 10.7513/j.issn.1004-7638.2024.04.018
摘要(429) HTML (185) PDF(34)
摘要:
设计了0V1Cu钢、0.15V1Cu钢和0.15V4Cu钢3种含Cu高强钢,研究了V、Cu元素对其组织和性能的影响规律。采用相变热力学与动力学计算、LOM、SEM、TEM及显微硬度测试等系统研究了试验钢相变、显微组织和显微硬度的变化规律。结果表明:3种试验钢的Ac1温度在673~675 °C;添加1%Cu且V含量由0提高到0.15%时,Ac3温度由769 °C升高到775 °C;添加0.15%V且Cu含量由1%提高到4%时,Ac3温度由775 °C下降到757 °C。0V1Cu钢和0.15V1Cu钢热轧态组织均为粒状贝氏体,而0.15V4Cu钢的热轧态组织为马氏体和少量贝氏体,经1100 °C奥氏体化后淬火,3种试验钢组织均为板条马氏体。添加0.15%V以及V和Cu复合添加均可提高试验钢的淬火硬度。其中,0.15V4Cu钢淬火硬度(HV)最高,为597±7,与0V1Cu钢和0.15V1Cu钢相比,分别提高了44和11。以上研究表明,通过调控V和Cu的添加可以实现试验钢热轧及淬火态显微组织和显微硬度的大幅度调控,为新型超高强韧含铜钢的研发提供理论指导。
固溶处理对粉末注射成形高氮无镍不锈钢组织和性能的影响
邹黎明, 刘瑞洋, 蔡瑛, 倪东惠
2024, 45(4): 137-142. doi: 10.7513/j.issn.1004-7638.2024.04.019
摘要(296) HTML (141) PDF(12)
摘要:
为了提高粉末注射成形技术制备的高氮无镍奥氏体不锈钢的性能,开展了后续固溶热处理。系统研究了固溶温度、固溶保温时间对不锈钢微观组织和力学性能的影响,并对固溶前后不锈钢样品的耐腐蚀性能进行了比较。结果显示:渗氮烧结后奥氏体基体中析出的Cr2N第二相影响了不锈钢的力学和耐腐蚀性能。固溶处理后,烧结形成的Cr2N第二相消失,为纯奥氏体组织。当固溶温度为1150 ℃,固溶保温时间为10 min时,不锈钢抗拉强度达到889 MPa,延伸率达到16.8%,力学性能最优。与固溶处理前相比,固溶处理后不锈钢样品腐蚀评级由0级提高到10级,耐腐蚀性能大幅提高。
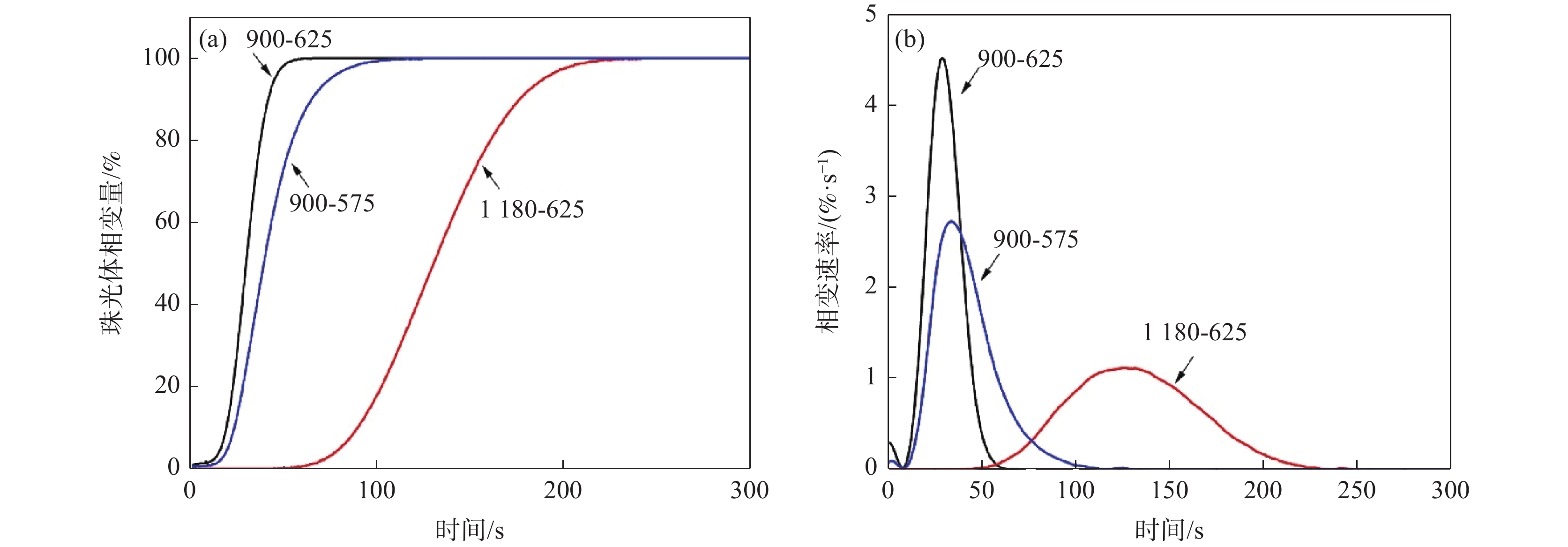
相变温度和奥氏体化温度对一种含Nb高碳钢相变动力学和组织的影响
周明星, 池亦骋, 刘敬韬, 李征乾, 刘思华, 张代琛, 苏雪, 田俊羽
2024, 45(4): 143-149. doi: 10.7513/j.issn.1004-7638.2024.04.020
摘要(320) HTML (186) PDF(15)
摘要:
为了优化一种含Nb高碳钢的热处理工艺,采用热膨胀法、OM、SEM、EBSD、硬度仪等研究了加热温度和相变温度对珠光体相变动力学和组织性能的影响。结果表明:升高加热温度将减慢珠光体相变动力学。原因:①奥氏体晶粒增大导致珠光体形核点数量降低;②奥氏体中固溶Nb含量增多,其对C扩散系数的减慢程度增强,从而降低珠光体长大速率。相变温度由625 ℃降低至575 ℃时,珠光体相变动力学同样减慢。此外,相变温度由625 ℃降低至575 ℃时,珠光体形核方式发生了变化,由主要在晶隅和晶棱处形核转变为主要在晶面和晶棱处形核。降低相变温度可以细化珠光体片层间距,提高珠光体钢的硬度,珠光体团簇尺寸同样随相变温度和加热温度的降低而显著细化。在试验所研究的三个工艺中,900 ℃加热+575 ℃相变工艺具有最高的硬度和最细的团簇尺寸。因此,为了获得最佳的强韧性匹配,建议降低加热温度和相变温度。
Mg对2.25Cr1Mo钢热处理显微组织与力学性能的影响
程杨, 李小兵, 高明, 刘奎
2024, 45(4): 150-157. doi: 10.7513/j.issn.1004-7638.2024.04.021
摘要(264) HTML (159) PDF(17)
摘要:
为揭示Mg在低合金钢中的微合金化效果,以2.25Cr1Mo钢为研究对象,利用真空感应炉、450型双辊可逆轧机制备不同Mg含量的15 mm板材,采用OM、TEM等手段分析热处理后显微组织,以及原奥氏体晶粒特征,并对其力学性能进行了测定。研究结果表明:Mg加入2.25Cr1Mo钢中可细化其原奥氏体晶粒,增加热处理组织中多边形铁素体体积分数。2.25Cr1Mo钢全氧含量在0.0003%的低含量条件下,Mg会偏聚在碳化物中,诱使碳化物尺寸降低,数量增多,增强碳化物对奥氏体晶粒长大的钉扎作用,进而达到细化原奥氏体晶粒的效果。经0.005%Mg处理后,2.25Cr1Mo钢冲击韧性稍有提升,而显微硬度变化并不明显。Mg处理后使得钢中铁素体分数出现一定范围内的增加是改善其冲击韧性的重要原因。
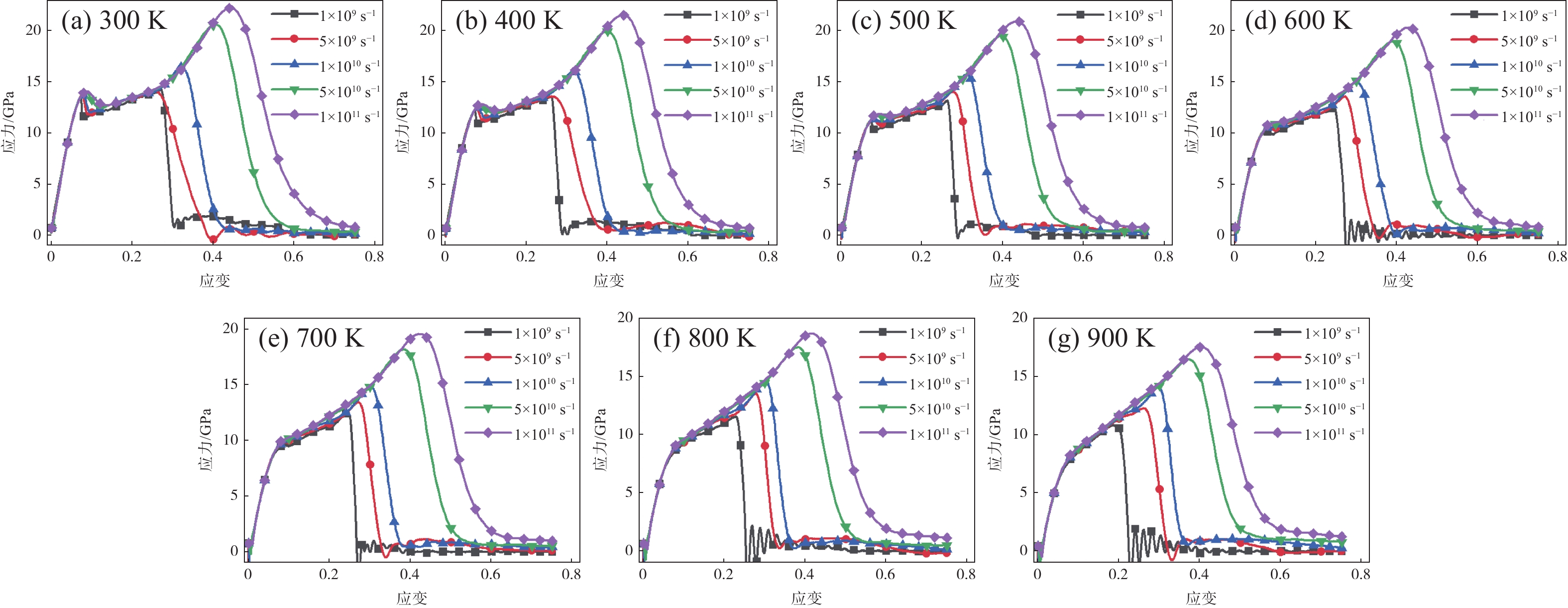
FeC合金拉伸行为的分子动力学模拟研究
李佳君, 孙淼, 吴慧娟, 吕世宁, 高有山, 王爱红
2024, 45(4): 158-162. doi: 10.7513/j.issn.1004-7638.2024.04.022
摘要(364) HTML (136) PDF(26)
摘要:
为了探究温度和应变率对FeC合金微观力学性能的影响,运用分子动力学方法对FeC合金进行了拉伸性能的模拟,得到了不同温度、不同应变率工况下FeC合金的应力应变曲线,并对其进行了分析,利用MATLAB对数据进行处理,建立了关于温度和应变率的FeC合金弹性模量和屈服强度的数学预测模型。结果表明:弹性模量和屈服强度的仿真值与数学模型的预测值之间的绝对误差最大分别为2.680 GPa和0.079 GPa,相对误差最大分别为1.680%和0.737%,数学预测模型能在一定程度上对弹性模量和屈服强度进行有效的预测。
预应变对X80管线钢冲击断裂行为的影响
王朝阳, 尤景泽, 孟彤, 张连旺, 孙超, 王慧, 于镇洋, 宋明
2024, 45(4): 163-169. doi: 10.7513/j.issn.1004-7638.2024.04.023
摘要(284) HTML (156) PDF(19)
摘要:
开展了预应变对X80管线钢冲击断裂行为影响的研究,采用OM、SEM、EDS能谱对断口形貌及夹杂物进行分析,利用EBSD获取断口横截面上二次裂纹附近晶体学特征。结果表明,预应变对最大冲击载荷没有显著影响,但当材料中存在预应变时,材料脆性断裂趋势增加、缺口敏感度增加、裂纹形成功和材料对裂纹的止裂能力降低;在冲击断裂过程中,预应变导致材料内部位错相互缠结,位错运动受到阻碍,当受到外力时易发生脆性断裂,同时材料内部的脆性夹杂物也是裂纹源。由于相邻晶粒之间存在取向差,裂纹扩展遇到晶界时,裂纹的扩展路径进入下一个晶粒时发生偏转。此外对横截面近断口区晶体取向进行分析,发现X80管线钢的主要解理面为{100},其次为{211}。
Si添加对高Mn-N型 TWIP不锈钢力学性能的影响研究
曾泽瑶, 罗许
2024, 45(4): 170-175. doi: 10.7513/j.issn.1004-7638.2024.04.024
摘要(325) HTML (152) PDF(10)
摘要:
利用SEM、TEM等分析手段研究了不同热处理工艺制度对1.5% Si添加后的高Mn-N TWIP不锈钢显微组织和力学性能的影响。结果发现,试验钢退火孪晶厚度随着固溶温度的升高而增大,在高的固溶温度下,Si添加可以提高合金的应变硬化率,拉伸变形过程中生成大量细长的形变孪晶可以有效阻碍位错滑移,提高材料强度与塑性。时效处理对拉伸性能影响较小,在700~800 ℃时效过程中生成大量晶界胞状析出物,胞状析出以短棒状Cr2N为主,在冲击载荷作用下会发生沿晶脆性断裂,冲击吸收功快速降低。
连续退火快冷出口温度对SPCC冷轧薄板组织和性能的影响
周博文, 蒋才灵, 樊雷, 刘义虎, 陆茂森, 杨跃标
2024, 45(4): 176-180. doi: 10.7513/j.issn.1004-7638.2024.04.025
摘要(254) HTML (148) PDF(10)
摘要:
研究了快冷出口温度对连续退火SPCC冷轧薄板组织和性能的影响。结果表明:连续退火SPCC产品的主要组织为等轴铁素体晶粒、晶界处块状碳化物及晶粒内部粒状碳化物,快冷出口温度主要影响着钢中碳化物的析出及分布。随着快冷出口温度的降低,晶界处碳化物数量减少,晶粒内碳化物数量增多,钢卷出现屈服平台的几率显著下降,屈服强度也明显降低。当快冷出口温度从500 ℃降低至430 ℃时,屈服平台比例从55%降低至10%,平均屈服强度降低了22 MPa。
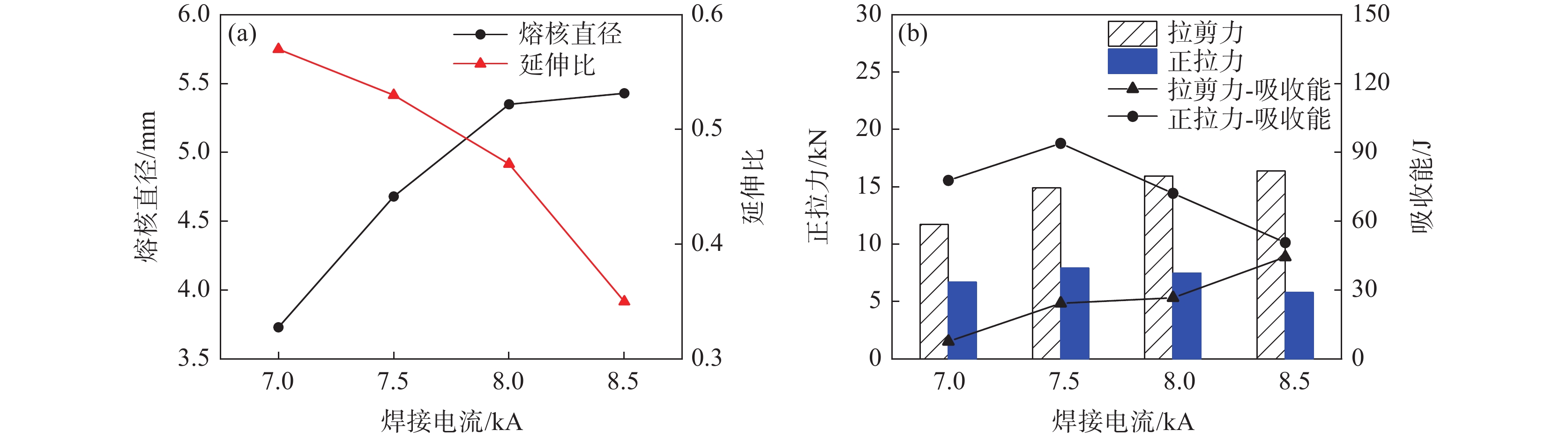
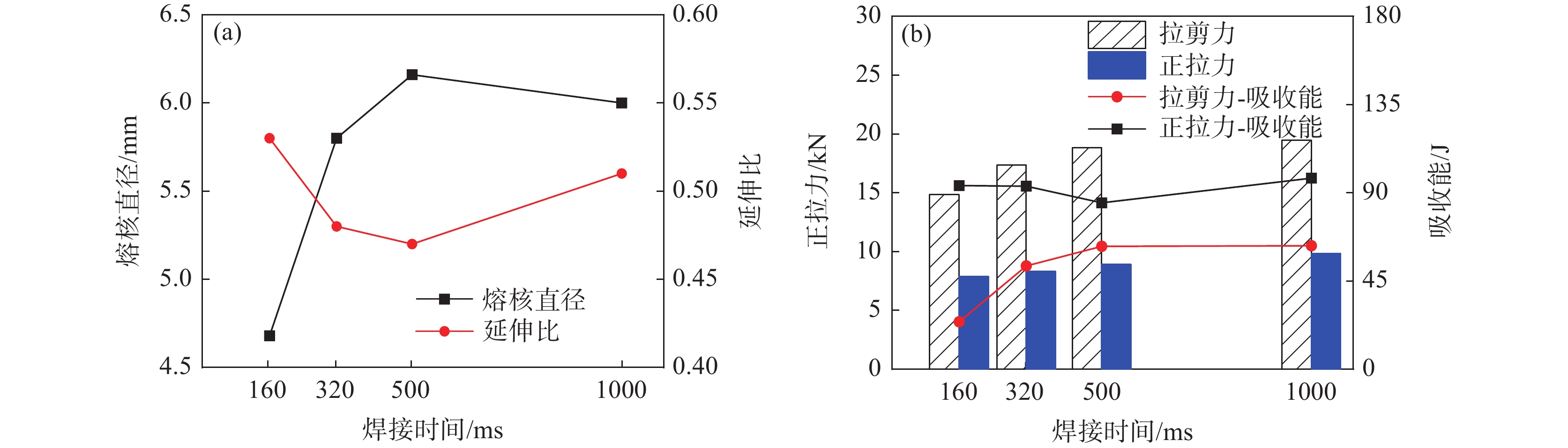
单脉冲不等厚22MnB5/DP590电阻点焊接头的力学性能研究
于永梅, 李治国, 娄国栋, 荆毅
2024, 45(4): 181-188. doi: 10.7513/j.issn.1004-7638.2024.04.026
摘要(285) HTML (185) PDF(11)
摘要:
采用单脉冲电阻点焊连接技术,研究不同的焊接电流和焊接时间条件下不等厚22MnB5/DP590点焊接头截面特征和拉伸性能,分析点焊接头显微硬度的变化规律。结果表明:焊接电流对母材焊透率和熔核厚度的影响不大。随焊接电流的增加,熔核向较厚DP590侧方向偏移,接头熔核直径和拉剪力增加。与焊接电流相比,焊接时间的增加对接头压痕率和熔核偏移量的影响严重;随焊接时间的增加,母材的焊透率和熔核厚度减小,焊接时间为1000 ms时熔核直径减小,而拉剪力一直增加。点焊接头的显微硬度值由高到低分别为22MnB5侧热影响区→熔核区→DP590侧热影响区。在拉剪力作用下,接头拉伸断裂方式有界面断裂、部分界面断裂和熔核拔出断裂。并由此得出结论:在电极压力为3.8 kN的条件下,不等厚DP590/22MnB5的最佳点焊工艺为焊接电流为8.5 kA,焊接时间为160 ms。
G95Cr18轴承钢模铸坯夹杂物及碳化物解析
付宇豪, 吴强, 朱浩然, 季灯平, 刘斌, 付建勋
2024, 45(4): 189-197. doi: 10.7513/j.issn.1004-7638.2024.04.027
摘要(340) HTML (195) PDF(18)
摘要:
基于Thermo-calc软件分析了G95Cr18轴承钢基体组织、相变及碳化物析出情况,用金相显微镜、扫描电镜对模铸坯组织、夹杂物和碳化物进行了解析。研究表明,在G95Cr18轴承钢铸坯中,夹杂物主要成分为Ce、O、Al、Ca等,夹杂物类型主要为稀土氧硫化物Ce-Al-O-Ca-S,同时还发现少量镁铝尖晶石Al-Mg-O,夹杂物密度为31~48 mm-2,夹杂物尺寸集中分布在2.2~2.6 μm,夹杂物面积占比为0.02%~0.03%;碳化物边部至心部面积占比由3.0%逐渐增加到7.5%,碳化物形貌有块状→棒状→长条状→网状的转变趋势,靠近铸坯心部网状碳化物大多沿晶界分布;碳化物类型为:亮白色富含Nb的MC型碳化物和灰色富含Cr元素的M7C3型碳化物。MC型碳化物的尺寸相较M7C3型碳化物小,在晶内以块状碳化物形式存在,在晶界处以网状碳化物形式存在。
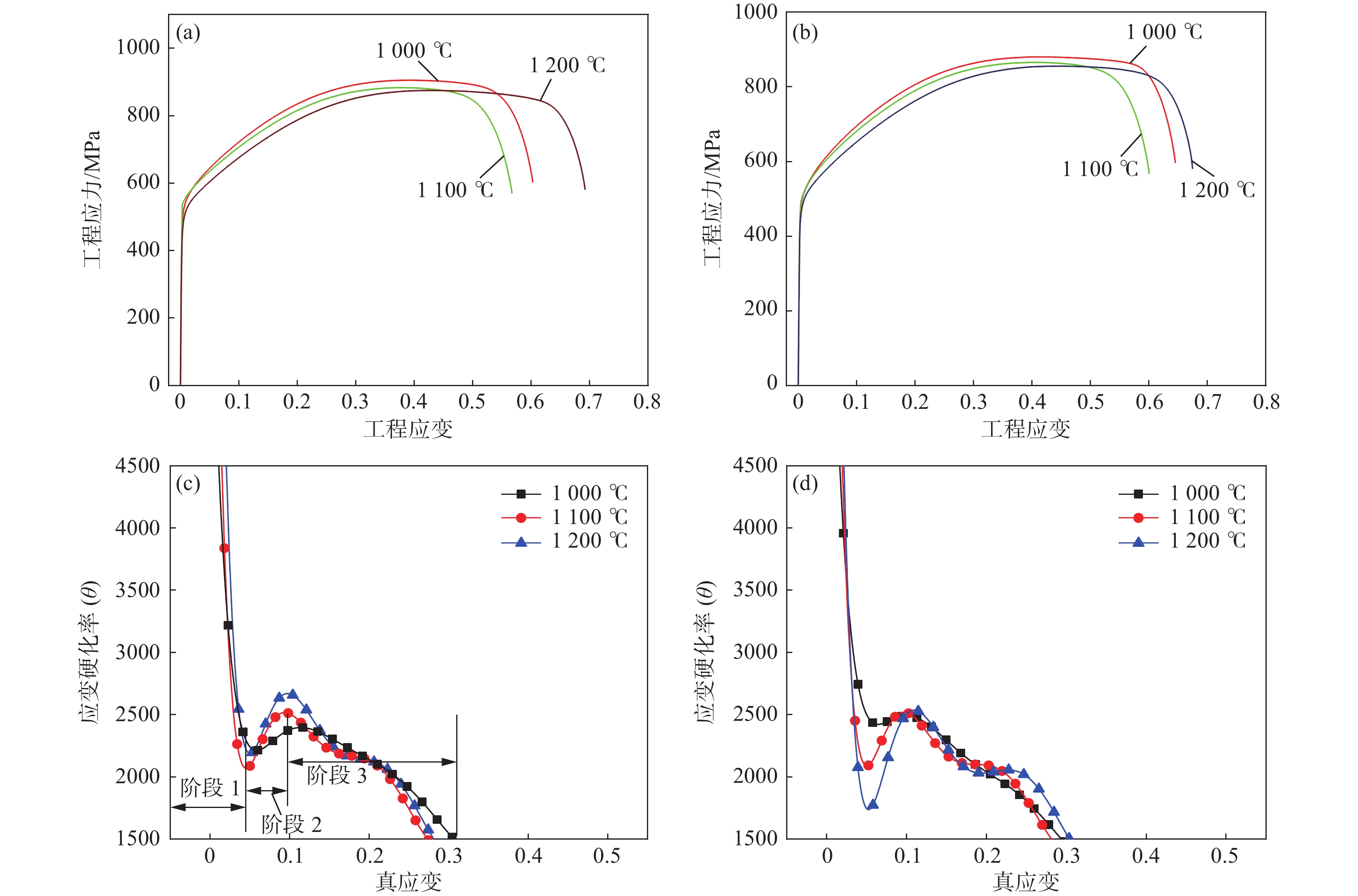
B50A789G叶片钢热变形行为研究
俞占扬, 信瑞山, 何玉东, 姚斌, 吴志伟, 赵吉庆, 李晓凯, 曹晨星
2024, 45(4): 198-204. doi: 10.7513/j.issn.1004-7638.2024.04.028
摘要(263) HTML (128) PDF(13)
摘要:
使用Gleeble-3800热模拟试验机对B50A789G叶片钢进行等温热压缩试验,应变速率选择0.01~10 s−1,变形温度选择950~1200 ℃。基于Arrhenius模型构建了本构方程,采用动态材料模型构建了热加工图。由热加工图和变形后的组织获得了热加工窗口。结果表明:适合于B50A789G叶片钢最优的热加工区域为变形温度10001050 ℃、应变速率0.01~10 s−1以及变形温度11501200 ℃、应变速率1~10 s−1,该区域下组织能发生完全动态再结晶,且原奥氏体晶粒尺寸分布均匀且细小,有利于实现材料组织均匀化、细晶化,为B50A789G叶片钢工业化应用提供支撑。