Abstract:
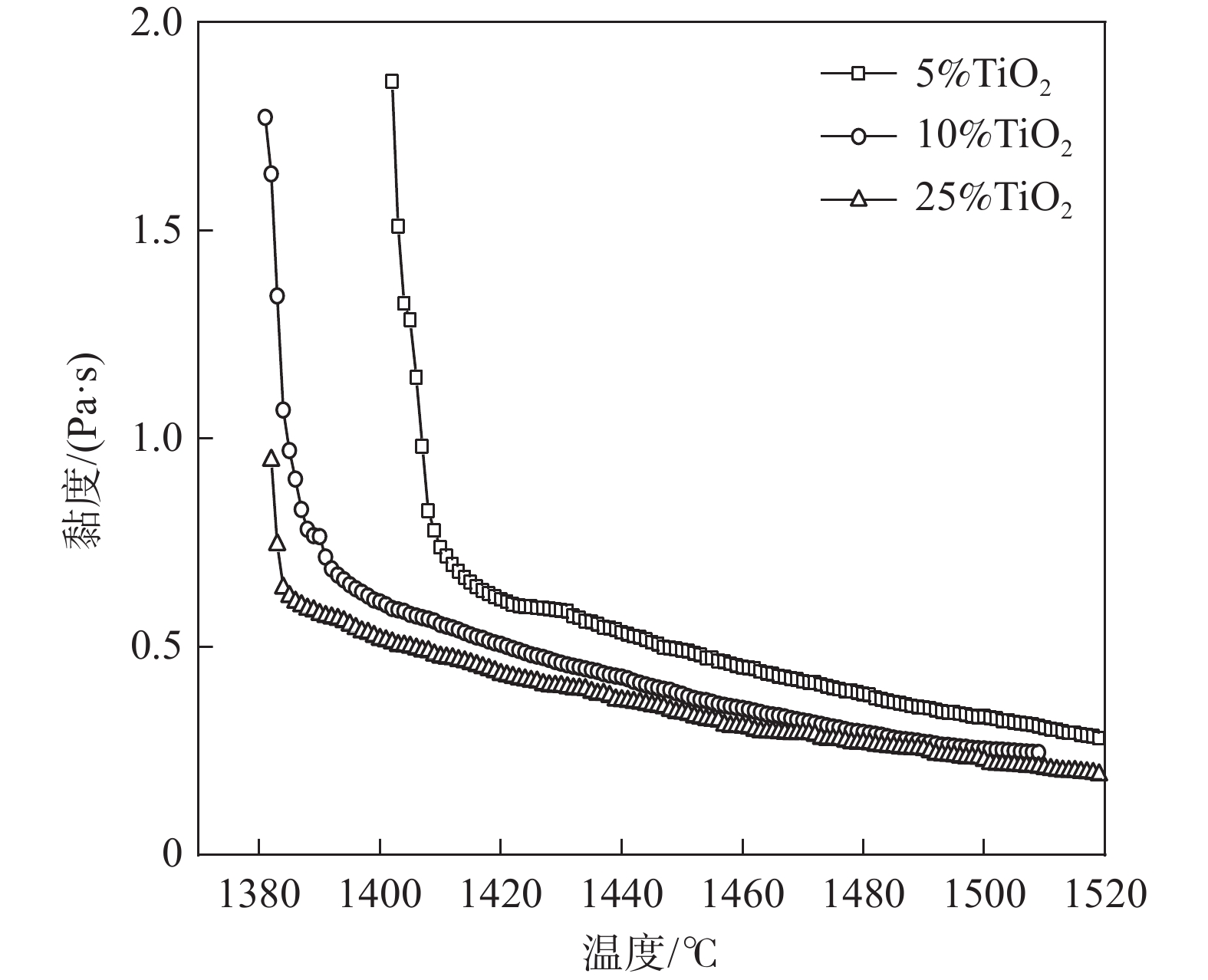
With the increase of the high-alumina raw materials with high economy in blast furnace (BF) of domestic iron and steel enterprises, the content of Al2O3 in slag increases and the fluidity of the slag iron becomes worse, which brings a series of problems to BF smelting. Taking five-component CaO-SiO2-Al2O3-MgO-TiO2 slag system as the research object, through phase diagram theoretical calculation, experimental research and slag structure analysis, the effects of different TiO2 content (low titanium 5%, medium titanium 15%, and high titanium 25%) in high-alumina slag on the viscosity and melting temperature of high-alumina BF slag were studied, The reasons affecting the physicochemical properties of slag are analyzed by slag structure. The results show that the fixed alkalinity R2 is 1.25, the mass fraction of TiO2 increases from 1% to 25% and the melting temperature of slag in the phase diagram first decreases and then increases. When the mass fraction of TiO2 is 7%, the liquid phase of slag first precipitates from plagioclase calcium aluminosilicate (Ca2Al2SiO7 ) to calcium titanate (CaTiO3) with melting point of 1975 ℃, and the melting temperature of slag increases. When the TiO2 content increases from 5% (low titanium) to 25% (high titanium) the slag viscosity and melting temperature decrease. The higher the temperature, the better the fluidity of slag, that is, TiO2 in slag exists in [TiO6]8- octahedron structure, which can disintegrate the complex silica network structure in slag. When the content of TiO2 increases from 5% to 25%, the content of complex structural unit Si(Q2+Q3) in the slag decreases, the content of simple structural unit Si(Q0+Q1) increases, Si(Q2+Q3 )/Si(Q0+Q1) decreases, and the slag structure is simplified, that is, TiO2 acts as a slag modifier in the slag whether in low, medium or high titanium content, which is helpful to reduce the viscosity and it plays a positive role in improving slag fluidity.