中文核心期刊

SCOPUS 数据库收录期刊

中国科技核心期刊

美国《化学文摘》来源期刊

中国优秀冶金期刊

美国EBSCO数据库收录期刊

RCCSE中国核心学术期刊

美国《剑桥科学文摘》来源期刊

中国应用核心期刊(CACJ)

美国《乌利希期刊指南》收录期刊

中国学术期刊综合评价统计源刊

俄罗斯《文摘杂志》来源期刊

优秀中文科技期刊(西牛计划)

日本《科学技术文献数据库》(JST)收录刊

留言板

尊敬的读者、作者、审稿人, 关于本刊的投稿、审稿、编辑和出版的任何问题, 您可以本页添加留言。我们将尽快给您答复。谢谢您的支持!

姓名
邮箱
手机号码
标题
留言内容
验证码

2024年  第45卷  第2期

钒钛分离与提取
碳热还原制备金属钒技术研究
李兰杰, 常福增, 刘静, 张娜, 张苏新, 王海旭
2024, 45(2): 1-6. doi: 10.7513/j.issn.1004-7638.2024.02.001
摘要(631) HTML (185) PDF(81)
摘要:
以高纯V2O5粉末为原料,C粉末为还原剂,对碳热还原制备金属钒过程进行研究,重点讨论了配碳量、温度、真空度和还原时间对钒中间体和精炼提纯过程的影响。结果表明,V2O5为逐级还原,存在直接和间接还原。配碳比32%,还原温度控制在1350 ℃,保温时间为120 min时,得到的粗钒固溶体相以<VO,V2C>为主,钒含量为84%左右。精炼提纯条件为温度1680 ℃,碳氧比1.02,真空度在0.1 Pa以下时,能得到延展性金属钒产品,纯度达到99.04%。
超细纳米磷酸钒铁钠的制备及储钠性能研究
滕艾均, 袁欣然, 张东彬, 辛亚男, 刘天豪, 韩慧果, 杜光超
2024, 45(2): 7-12. doi: 10.7513/j.issn.1004-7638.2024.02.002
摘要(483) HTML (196) PDF(39)
摘要:
基于钒基聚阴离子化合物价格昂贵、颗粒粒度大、导电性差等问题,利用掺杂铁元素来部分替代钒元素,实现新型磷酸钒铁钠材料的制备。通过XRD、SEM、UV-vis、激光粒度、BET等表征手段,分析了磷酸钒铁钠的物相信息和储钠性能。研究结果表明,Fe元素的引入不仅实现了材料成本的降低,同时使得所制备的磷酸钒铁钠相比于磷酸钒钠具有更小的粒径、更大的比表面积和更优的电导率。其比表面积为46.5 m2/g,优于磷酸钒钠的16.3 m2/g,压实密度达到1.85 g/cm3,高于磷酸钒钠的1.79 g/cm3。同时,磷酸钒铁钠表现出更高的储能性能。在1 mA/g电流密度条件下,磷酸钒铁钠的放电比容量达到99.1 mAh/g,大于相同放电电流密度下磷酸钒钠的91.9 mAh/g。同时,10次循环后仍能保持85.3 mAh/g的放电比容量(相同情况下,磷酸钒钠的放电比容量为79.9 mAh/g),表现出良好的循环稳定性。
铝灰还原富钒渣制备钒铁合金的研究
杨志飞, 陈敏, 张灵犀
2024, 45(2): 13-19. doi: 10.7513/j.issn.1004-7638.2024.02.003
摘要(614) HTML (144) PDF(23)
摘要:
为解决钒铁合金制备成本高和有价金属收得率低等问题,提出以铝灰作还原剂直接还原富钒渣制备钒铁合金的新思路,研究了不同还原条件对铝灰还原富钒渣过程中有价金属收得率的影响。结果表明,还原温度由1773 K升高至1873 K,Fe收得率由51.8%增加至95.6%;Mn收得率由16.7%增加至84.2%;Cr收得率由2.5%增加至87.9%;V收得率由0.5%增加至91.8%。二元碱度由1.0升高至1.5,Fe、Cr、Mn、V的收得率分别由72.5%、51.7%、35.8%、11.4%增加至95.6%、84.2%、87.9%、91.8%。最佳还原条件下(温度1873 K,二元碱度1.5,还原时间30 min)制备的钒铁合金中Fe和V的金属品位分别为28.18%和35.01%,合金产品中V/Fe的质量比为1.24。
钛渣熔盐氯化用熔盐体系物相及物性研究
徐健淋, 何艺霖, 马占山, 庞忠亚, 田丰, 张学强, 邹星礼, 朱福兴
2024, 45(2): 20-27. doi: 10.7513/j.issn.1004-7638.2024.02.004
摘要(588) HTML (160) PDF(33)
摘要:
熔盐氯化法是针对高钙镁钛渣物料而开发的一种四氯化钛制备技术,在长期的生产实践中,发现氯化炉组分控制不当时熔盐会发生严重泡沫化,甚至出现影响生产的喷盐等现象。对此,采用XRD、SEM&EDS、DSC-TGA等方法对正常盐和泡沫盐的成分、物相及物性进行深入研究。结果表明,泡沫盐中的氧含量以及水不溶固相物远高于正常盐,固相多以Na2Al0.5Fe9.5O15、Mg1.6Ti1.1O4等复合氧化物形式存在。泡沫盐在300~1280 ℃的失重率为48.71%,较正常盐低13.73%,熔点呈增大趋势。泡沫盐中氧含量较正常盐高约10%,经高温挥发后残余物为富含铁、镁、铝、硅、钙、氧等元素的不规则颗粒团聚体,而正常盐的残余物则为铁、镁和氧元素均匀分布的致密体。阿基米德法无法满足含固相物的正常盐和泡沫盐密度测定,但可采用体积密度法进行测定,两者密度分别为2.02 g/cm3和1.77 g/cm3
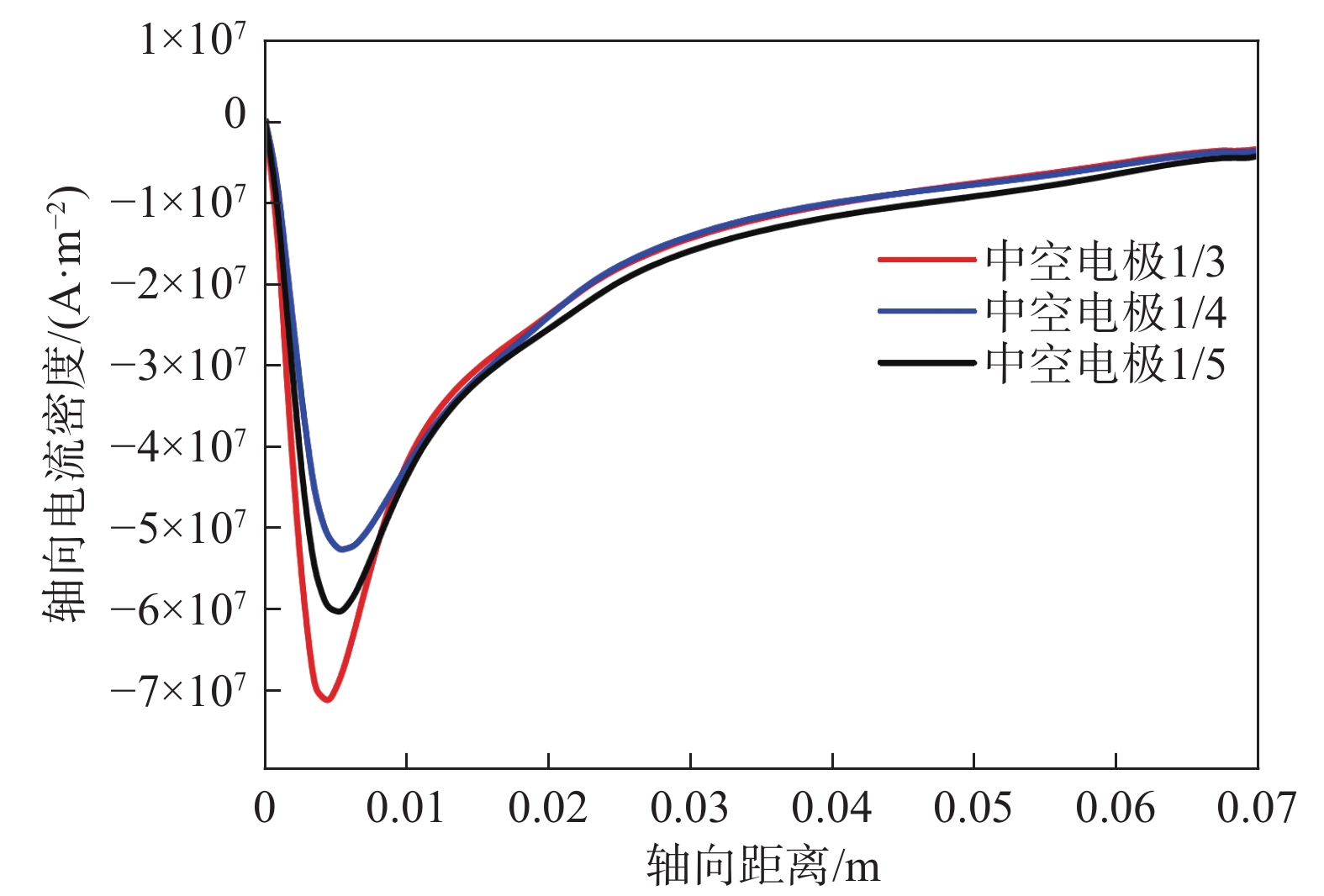
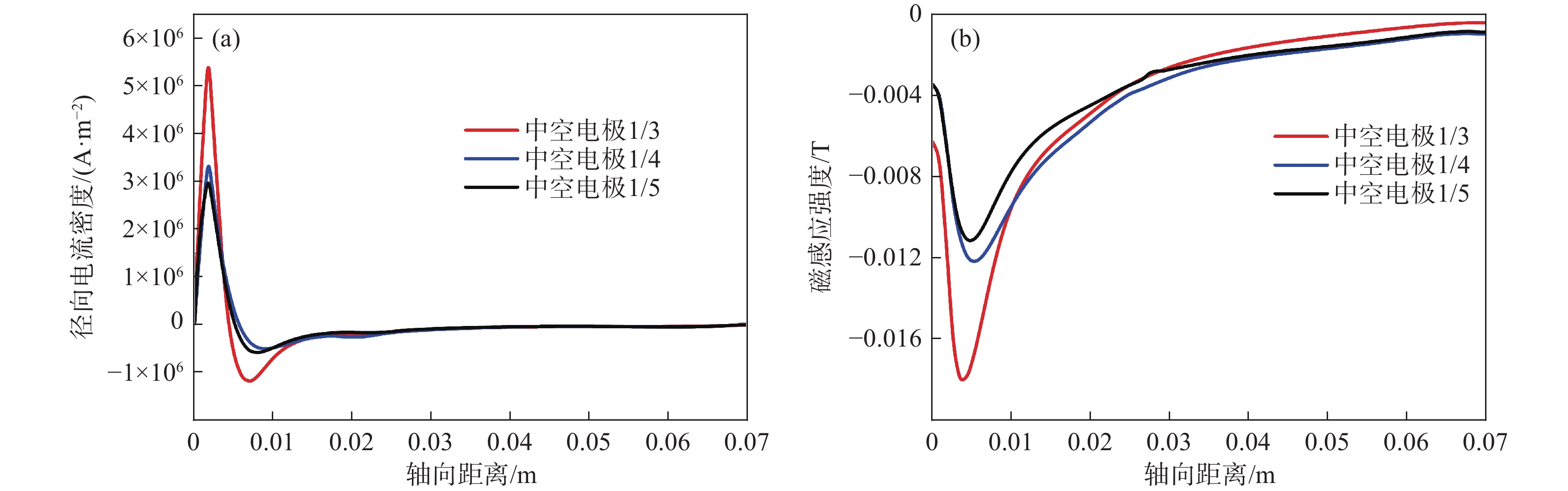
中空电极钛渣电弧炉内电弧特性的模拟
刘泉, 管小平, 肖军, 杨宁
2024, 45(2): 28-34. doi: 10.7513/j.issn.1004-7638.2024.02.005
摘要(477) HTML (161) PDF(32)
摘要:
钛渣电弧炉内电弧特性对炉料融化以及还原过程具有重要影响。采用流体力学耦合电磁场的方法,建立了钛渣电弧炉内电弧区域的数学模型,对电弧区内的多物理场进行了模拟,研究了中空电极对电弧区域内的流场、温度场及电磁场的影响,并对比分析了实心电极与中空电极的差异。结果表明,与实心电极相比,中空电极的温度场仍呈“钟罩型”分布,但由于洛伦兹力和压力导致中空区域附近出现较大的负速度,阻碍了中空电极处的进料。进一步研究发现,中空电极内径的大小会影响电弧区域电流密度分布,继而决定了洛伦兹力和压力的分布特征,揭示了中空电极对电弧特性的影响机制。
钛白粉表面结构与水分散性间的构效关系研究
全远霞, 向泉锦, 全学军, 柯良辉, 李礼
2024, 45(2): 35-41. doi: 10.7513/j.issn.1004-7638.2024.02.006
摘要(449) HTML (172) PDF(26)
摘要:
钛白粉初品的水润湿分散性对无机包膜以及应用性能至关重要。以锌盐和铝盐处理的钛白初品为研究对象,研究钛白初品表面结构与水润湿分散性之间的关系。结果表明,采用锌盐处理剂获得的钛白初品球形度好、粒度小,铝盐处理的钛白初品呈长条状,具有更丰富的表面羟基、更高的表面能以及更厚的双电层结构。此外,在分散剂加量为0.2%,TiO2浓度为700 g/L时,锌盐初品浆料黏度946 mPa·s,Zeta电位为−23.3 mV,铝盐初品浆料黏度512 mPa·s,Zeta电位为-31.2 mV。表明铝盐初品的浆料黏度更低,分散性更好,水润湿分散性更优异。对不同盐处理钛白初品表面结构进行分析研究,建立表面结构与水分散性之间的构效关系,为开发高端钛白粉提供借鉴和思路。
钒钛材料与应用
耐600 ℃及以上高温钛合金研究进展
王冰, 相志磊, 周宗熠, 申高亮, 黄景存, 韩竟俞, 王安东, 陈子勇
2024, 45(2): 42-50, 71. doi: 10.7513/j.issn.1004-7638.2024.02.007
摘要(2330) HTML (404) PDF(267)
摘要:
概述了国内外耐600 ℃及以上高温钛合金的研究现状,在总结英国IMI834、美国Ti-1100、俄罗斯BT36、中国Ti60、TG6、Ti600、Ti65、Ti750等合金组成及性能的基础上,指出了制约高温钛合金发展的主要瓶颈,并针对目前的研究现状,提出了一些可供借鉴的解决办法。从提高高温钛合金的热稳定性、热强性和高温蠕变强度的角度对制备Ti基复合材料、优化合金成分、优化热加工工艺调控组织、控制α2相的尺寸、数量、体积分数和形态等方面进行了未来展望,为高性能高温钛合金的研制提供了理论基础和参考作用。
BiVO4/GO纳米复合材料制备及其光催化性能研究
王丽, 师兆忠, 崔伟娜, 周华, 占桂荣, 刘进
2024, 45(2): 51-57. doi: 10.7513/j.issn.1004-7638.2024.02.008
摘要(360) HTML (205) PDF(16)
摘要:
钒酸铋(BiVO4)因其便宜易得、制备条件温和简单、窄带隙(~2.4 eV)、突出的光响应能力和优异的稳定性而在光催化领域受到广泛关注。以硝酸铋和偏钒酸铵为原料,采用水热法成功制备了鱼骨状钒酸铋/石墨烯(BiVO4 /GO)复合光催化材料,通过X射线粉末衍射、扫描电镜、透射电镜对复合光催化材料结构和形貌进行表征,并考察其模拟太阳光下对阿昔洛韦(AC)的降解活性。扫描电镜和透射电镜照片显示,钒酸铋(BiVO4)为独特的鱼骨状结构,GO片层穿插其间,将BiVO4纳米结构很好地连接起来。GO的加入改变了BiVO4原有的纯单斜白钨矿结构。BiVO4 /GO(BG-3)对AC的降解效率高达97.23%,循环使用5次后降解效率还可以达到87.15%,说明该催化剂具有良好的循环使用活性。采用Langmuir -Hinshelwood( L-H)一级动力学模型方程拟合催化降解过程,相关系数R2均大于0.99,说明L-H一级动力学模型方程非常适合于拟合该催化动力学过程。
热处理工艺对变形TiAl板材组织和性能影响
郭杰, 滕艾均, 黄召阔, 钟勇, 杨柳
2024, 45(2): 58-62. doi: 10.7513/j.issn.1004-7638.2024.02.009
摘要(335) HTML (166) PDF(20)
摘要:
TiAl基金属间化合物因具有轻质、高比强度和优异的高温性能等特点而受到国内外研究的广泛关注,并应用于航空航天等关键领域,但由于其本身的特征,以至于在实际应用场景中受到了很大的限制。采用在不同相区进行热处理工艺制度的探索,通过选取合适的热处理工艺,结合室温力学性能和高温力学性能分析,随着热处理温度的升高,抗拉强度和屈服强度逐渐增加,在α+β相区进行热处理具有最优的延伸率,进一步结合室温和高温的显微组织和断口形貌进行了观察分析,确定其裂纹扩展方式和断裂机制,最终根据结果表明固溶温度为1370 ℃的热处理工艺下达到最优力学性能。
室温高应变率下钛合金TA31流动应力响应行为及本构模型研究
贾海深, 郭文静, 赵礼栋, 张继林, 马田骄, 张维
2024, 45(2): 63-71. doi: 10.7513/j.issn.1004-7638.2024.02.010
摘要(443) HTML (171) PDF(14)
摘要:
室温下,通过UTM5305万能试验机、ALT1000剖分式Hopkinson压杆装置,对钛合金TA31进行了准静态压缩、动态冲击试验。基于试验获得的应力-应变曲线,探讨了其应变硬化效应、应变率强化效应和绝热温升软化效应。依据钛合金TA31所呈现的流动应力响应行为特征,建立了一种新型J-C本构模型,该模型考虑了应变、应变率间的耦合作用和绝热温升对其流动应力的影响。将本构模型计算值与试验值进行对比分析,并借助相关系数(R)、平均相对误差(AARE)两个统计参数,评估了所建立的本构模型预测精度。R和AARE分别为0.9887、0.63%,结果表明,所建立的新型J-C本构模型能够较准确地描述钛合金TA31的流动应力响应行为。
钒酸铋基复合光催化剂的制备及性能研究
刘景景
2024, 45(2): 72-78, 124. doi: 10.7513/j.issn.1004-7638.2024.02.011
摘要(384) HTML (193) PDF(14)
摘要:
以硝酸铋、偏钒酸铵、氯化钾和硅藻土为原料,采用液相沉淀法原位制备了二元BiOCl/BiVO4以及三元BiOCl/BiVO4/硅藻土光催化剂,对复合材料进行了物相结构和光催化性能表征。结果表明,二元BiOCl/BiVO4为单斜BiVO4和BiOCl混合相,三元BiOCl/BiVO4/硅藻土为单斜BiVO4、BiOCl和SiO2混合相,升高煅烧温度能够促使BiVO4转化为BiOCl。两种复合材料对罗丹明B的光降解率均比纯相BiVO4有较大幅度的提升,样品煅烧温度为450 ℃时性能最佳。BiOCl/BiVO4在1.5 h时的光降解率为99.05%,BiOCl/BiVO4/硅藻土在2.5 h时的光降解率为100%,分别是相同条件下纯相BiVO4的3.05和2.68倍。复合材料光催化活性提高可归因于BiOCl与BiVO4之间形成的p-n异质结以及BiOCl特殊的层状结构,提升了材料对罗丹明B的吸附性能,有效抑制了电子-空穴对的复合,加速了载流子的分离和传输,在环境净化方面具有潜在的应用前景。
冷轧钛绝热剪切带演变和机理研究
邱星宇, 李烨超, 方红梅, 曹丽丽, 张亚, 杨登科
2024, 45(2): 79-84. doi: 10.7513/j.issn.1004-7638.2024.02.012
摘要(440) HTML (208) PDF(33)
摘要:
对冷轧条件下钛绝热剪切带形态、显微硬度、局部剪切应变和局部温度增量的演变进行了系统研究和估计,揭示了冷轧钛绝热剪切带的演化规律和机理。结果表明,冷轧变形量从50%增至83%,冷轧钛板边缘首先形成变形区,在变形区内形成与轧制方向呈40 °的局部剪切带,剪切带宽约25 μm。在剪切带中心观察到尺寸范围为20~160 nm的细小纳米晶粒,平均尺寸约为70 nm。显微硬度测试表明剪切带内的硬度明显高于周围基体。计算得到的剪切带内的剪切应变和最大温度增量远高于整体变形样品。局部化剪切带起源于微观结构的几何失稳而不是热扰动。
资源环境与节能
废钒系催化剂回收利用技术路径分析及选择
赵备备, 李兰杰, 祁健, 马瑞峰, 王海龙, 赵亮
2024, 45(2): 85-93. doi: 10.7513/j.issn.1004-7638.2024.02.013
摘要(1016) HTML (264) PDF(59)
摘要:
在推进制造业绿色化发展过程中,废钒系催化剂的综合回收利用有着广阔的发展前景,是实现钒产业循环经济的迫切需求,探究低污染、低能耗、短流程、高效益、全回收、适于大规模运用的新工艺是废钒系催化剂回收利用技术的发展方向。通过分析现有废钒触媒和废钒钛系脱硝催化剂回收利用的主要方法、原理、途径及优缺点,可知目前研究工作的重点还是在降低工艺成本、简化工艺流程的前提下尽可能减少二次污染的产生,并进一步提高金属回收效率。机械预处理、先进的氧化工艺和选择性浸出等新技术值得进一步研究。基于承钢公司现有提钒钛工艺与设备,对废钒触媒和废钒钛系脱硝催化剂回收利用钒、钛等有价金属元素进行研究,并结合环保政策及建设成本等因素,提出了适宜的废钒系催化剂回收利用技术路线。
亚氯酸钠对钛铁矿的表面改性及浮选行为的影响
张云, 叶国华, 胡渝杰, 项新月, 荣一阳, 宋昌溆
2024, 45(2): 94-101. doi: 10.7513/j.issn.1004-7638.2024.02.014
摘要(358) HTML (135) PDF(14)
摘要:
采用亚氯酸钠对钛铁矿进行表面改性以增强捕收剂的吸附效果。首先从微浮选试验与Zeta电位角度研究了亚氯酸钠改性钛铁矿的机理,结果表明,在油酸钠体系下,经过亚氯酸钠改性后,钛铁矿的回收率有大幅度提升,并在油酸钠浓度1.54×10−4 mol/L、亚氯酸钠浓度80 mg/L、pH=8时达到最佳值,为80.67%。在pH 5~10时,在亚氯酸钠和油酸钠同时作用下,钛铁矿Zeta电位比仅添加油酸钠时更趋向于负值,表明油酸钠在钛铁矿表面吸附量增加。然后以TiO2品位为5.83%的钛铁矿实际矿石为研究对象,通过响应曲面法分析了水玻璃、油酸钠、亚氯酸钠之间的交互作用对钛铁矿浮选过程的影响,并优化了药剂制度,在药剂用量为水玻璃160 g/t、油酸钠110 g/t、亚氯酸钠220 g/t的条件下进行验证试验,可得钛精矿中TiO2品位和回收率为33.92%和86.30%,所得结果与模拟的预测结果接近,表明响应模型具有较高的可靠性。最后通过闭路试验得到钛精矿品位为48.24%,回收率为62.55%的良好指标。
红格钒钛磁铁矿中铁、铬的赋存状态研究
王利珍, 姜楚灵, 朱家祥, 阳华玲, 易峦
2024, 45(2): 102-107. doi: 10.7513/j.issn.1004-7638.2024.02.015
摘要(463) HTML (265) PDF(33)
摘要:
通过化学多元素分析、物相分析、X射线衍射分析、光学显微镜和MLA等多种现代测试手段对攀枝花红格高铬型钒钛磁铁矿的化学组成、矿物种类及含量、含铬矿物的能谱微区成分分析-平衡概算-产出形式、钛磁铁矿的粒度及解离度等方面进行详细研究,查清了铬的分布状态及其富集趋势和铁精矿的理论指标,综合分析了磨矿细度及其对应铁精矿的理想指标,明确了影响选矿效果的主要矿物学因素,为综合开发利用红格钒钛磁铁矿提供了详细的科学依据。
粒化高炉矿渣作细骨料自密实混凝土试验研究
石东升, 李行行, 张鹏, 韩平, 贺培源
2024, 45(2): 108-114. doi: 10.7513/j.issn.1004-7638.2024.02.016
摘要(510) HTML (143) PDF(18)
摘要:
基于全计算法配合比设计方法计算了粒化高炉矿渣自密实混凝土的配合比,通过研究其工作性能确定最终配合比并测试其抗压强度,而后利用GM(1,1)灰色预测模型预测其抗压强度。结果表明,通过合理调整砂率和外加剂的用量,可以制备出满足工作性能要求的粒化高炉矿渣作细骨料的自密实混凝土;7天龄期的抗压强度呈现随着代砂率的提高不断降低的趋势,由于粒化高炉矿渣具有一定的水硬性,28~180天龄期粒化高炉矿渣自密实混凝土抗压强度和强度增长率要高于普通自密实混凝土;GM(1,1)灰色预测模型可以较好地预测其抗压强度。
钢铁冶金与材料
汽车用非调质钢的发展现状及趋势
刘年富, 沈伟, 田钱仁, 付建勋
2024, 45(2): 115-124. doi: 10.7513/j.issn.1004-7638.2024.02.017
摘要(517) HTML (217) PDF(41)
摘要:
分析了国内外非调质钢在汽车零部件领域的发展历程及现状,重点分析了非调质钢的强韧化技术措施、硫化物形态和分布的控制技术,以及材料偏析的控制措施。非调质钢强韧化主要通过成分及生产工艺优化和组织优化两个途径实现,硫化物形态和分布可以从冶炼、凝固和轧制等过程进行调控,硫化物偏析可以从凝固过程和连铸工艺进行改善。未来,随着非调质钢市场的发展及品种需求的进一步提升,非调质钢将向着多品种化、微合金高强化、易切削化、高速化及高可靠性方向进一步发展。
连铸板坯凝固过程的鼓肚应变分析
何育民, 罗阳, 何博
2024, 45(2): 125-131, 161. doi: 10.7513/j.issn.1004-7638.2024.02.018
摘要(446) HTML (226) PDF(24)
摘要:
针对板坯连铸机铸坯的鼓肚变形问题,通过降低铸流两相界鼓肚应变以解决结晶器液面的波动问题,考虑辊子与铸流的接触弧长对鼓肚应变的影响,推导出辊子与铸流的接触弧长与鼓肚应变的关系式,得到辊子与铸流的接触弧长对鼓肚应变的解析解。通过推导辊子与铸流的接触弧长和鼓肚应变的关系式,量化其对鼓肚应变的影响程度。首先建立板坯连铸和凝固传热模型,以获得板坯冷却过程中板坯壳的生长。其次建立了改进的三维鼓肚有限元模型,根据实际连铸机的设备和工艺条件,计算板坯凝固过程中鼓肚变形量和鼓肚应变。最后,依据仿真结果得到零号扇形段的坯壳鼓肚变形状态,以及坯壳在两相界的应变规律。结果表明,当辊径每增加50 mm时,在同一位置处鼓肚应变会减小0.005%左右,因此增大辊径可有效增加辊子接触弧长,并且降低鼓肚应变,在0号段应选取辊径为250 mm,使得鼓肚应变最小。
高Nb微合金排气系统用铁素体不锈钢组织及高温性能
李伟, 白青青
2024, 45(2): 132-138. doi: 10.7513/j.issn.1004-7638.2024.02.019
摘要(389) HTML (152) PDF(19)
摘要:
在新型汽车排气系统热端材料的研发过程中,为探索Nb含量对组织性能的影响,对不同Nb含量的试验钢进行了退火试验、抗晶粒粗化试验、抗时效性能以及高温拉伸和高温蠕变试验,利用OM、SEM表征了试验钢在各过程中显微组织的变化规律,并通过拉伸试验和SAG test-Creeping test评价Nb含量对性能的影响。结果表明,Nb含量的增加可以产生更多的析出相以细化晶粒及产生析出强化,提高室温力学性能;高的Nb含量对抗晶粒粗化的效果更明显,但同时析出相的粗化导致时效后性能的降幅更大;Nb含量高的试验钢由于部分动态再结晶和大量Laves相的影响导致材料的高温强度下降;相同温度下,不同Nb含量的试验钢的抗蠕变性能相差不大,随温度升高,析出相粗化严重,抗蠕变性能降低。
微合金钢中碳化物在奥氏体和铁素体中的沉淀析出动力学研究
郑亚旭, 杨钦, 赵紫玉, 魏翠虎, 回士旭, 吴康业
2024, 45(2): 139-148. doi: 10.7513/j.issn.1004-7638.2024.02.020
摘要(717) HTML (124) PDF(26)
摘要:
根据多元复合析出相的固溶热力学计算和经典形核长大动力学理论,研究了Ti-Mo、Ti-Nb-Mo和Ti-Nb-Mo-V复合微合金化钢中碳化物在奥氏体(γ)和铁素体(α)中沉淀析出规律。研究表明,在γ区,Ti-Mo钢中析出相主要为富Ti的(Ti, Mo)C粒子,在较高温度区间,Ti-Nb-Mo和Ti-Nb-Mo-V钢中主要析出富Ti富Nb的碳化物粒子。在α区,Ti-Mo和Ti-Nb-Mo钢中析出相主要为富Mo的碳化物粒子,Ti-Nb-Mo-V钢主要析出富V的碳化物粒子。Ti-Mo、Ti-Nb-Mo钢中析出相在γ中沉淀析出的PTT曲线和NrT曲线分别呈“C”和反“C”形,而(Ti, Nb, Mo, V)C在奥氏体中沉淀析出NrT曲线呈反“ε”形,随着温度降低开始析出时间先缩短后延长。(Ti, Nb, Mo, V)C在高温奥氏体区形核速率最快,(Ti, Nb, Mo)C次之,(Ti, Mo)C最慢,且对应形核的最快析出温度依次升高。在铁素体区,(Ti, Mo)C和(Ti, Nb, Mo)C的PTT曲线和NrT曲线分别呈现“ε”形和反“ε”形。Ti-Nb-Mo-V钢中碳化物在整个铁素体区的形核速率快于Ti-Mo和Ti-Nb-Mo钢。
Cr、Ni对耐蚀钢组织及性能的影响
王宝山, 张宏亮, 王卫卫, 马健, 冯光宏
2024, 45(2): 149-155. doi: 10.7513/j.issn.1004-7638.2024.02.021
摘要(747) HTML (173) PDF(46)
摘要:
以Q345GNH钢为基础,制备了不同Cr(质量分数为0.5%、2%、3%、4%和5%)和Ni(质量分数分别为0.5%和1%)含量的试样,通过系列试验对性能进行了比较,并通过热力学计算分析了Cr和Ni的作用机理。结果表明,由于贝氏体的生成,当Cr含量从2%增加到3%时,屈服强度和抗拉强度分别提高了83 MPa和122 MPa。当Cr超过4%时,大于80%的贝氏体使得的钢的断后伸长率小于10%。与Q345GNH钢相比,添加2%以上的Cr才能使得耐蚀钢在120 h盐雾腐蚀后的相对腐蚀率小于70%。耐蚀钢的耐蚀性能提高是由于稳定的含Cr腐蚀产物的形成和Ni引起的自腐蚀电位正移,综合各项指标,Cr的最佳添加量为2%,Ni的最佳添加量为1%。
铋锡合金淬火介质对含硼钢组织性能的影响
张弛, 侯华兴, 王艺橦, 代春朵, 李江文, 刘文月
2024, 45(2): 156-161. doi: 10.7513/j.issn.1004-7638.2024.02.022
摘要(443) HTML (145) PDF(13)
摘要:
将铋锡合金与常见的低熔点金属进行对比,指出其作为冷却介质的可行性,使用冷却介质特性测试仪表征了不同温度状态下铋锡合金的最大冷却速率、最大冷速对应温度等冷却特性,同时利用JMatPro软件模拟计算了铋锡合金密度、粘度数值随温度变化的趋势,采用金相组织观察、力学性能测试等方法研究了铋锡合金淬火工艺对含硼钢组织与性能的影响,确定铋锡合金在含硼钢热处理过程中的最佳工艺。结果表明,铋锡合金熔融状态下物理性质稳定,冷却特性优良,可以作为淬火过程的冷却介质。试验钢在150~200 ℃铋锡合金中淬火后的综合性能最佳。
Super304H奥氏体耐热钢的热变形特性研究
古美蓉, 曹延峰, 彭玲玲, 余红星, 欧平, 王和斌, 李乘波, 刘小明, 容昇, 李玲
2024, 45(2): 162-170. doi: 10.7513/j.issn.1004-7638.2024.02.023
摘要(552) HTML (238) PDF(12)
摘要:
利用MMS-100型热力模拟试验机在温度为900~1200 ℃和应变速率为0.1~10 s−1的条件下对Super304H奥氏体钢进行热压缩试验,根据获得的真应力-真应变试验数据,采用应变补偿法建立了该钢的Zener-Hollomon本构模型,基于动态材料理论绘制了该钢在0.02~0.7真应变下的热加工图。结果表明,在热变形过程,高的温度和低的应变速率有利于Super304H奥氏体钢发生动态再结晶;流变应力的本构模型预测值与试验值之间的相关系数及平均相对误差分别为0.989和7.007%,反映了建立的模型较为准确,可用于描述Super304H奥氏体钢热压缩的流变行为;Super304H奥氏体钢变形屈服且应变量达到一定程度后,继续变形将具有良好的热加工稳定性,由热加工图确定的Super304H奥氏体钢最佳热加工参数范围为1160~1200 ℃/0.1~0.55 s−1
应力梯度和温度对GH4169高温合金力学性能的影响
郭续龙
2024, 45(2): 171-175, 204. doi: 10.7513/j.issn.1004-7638.2024.02.024
摘要(813) HTML (126) PDF(37)
摘要:
通过对某种特殊冶炼工艺得到的GH4169合金,在550、650、750 ℃不同温度梯度以及590、690、790 MPa不同应力水平下进行试验,获得了该合金的高温力学性能,对冶炼工艺的优化提供了指导。结果表明,高温拉伸试验中,随着温度的提高,拉伸件的抗拉强度显著降低,延伸率和断面收缩率都有一个小幅度的提高,δ相的析出数量和分布无明显变化,碳化物析出相减少。高温持久试验中,在相同温度下,随着应力增大,持久断裂的时间不断减小;当所受应力相同时,随着温度的增大,持久断裂的时间急剧减小,并给出了γ″相贫瘠的原因。
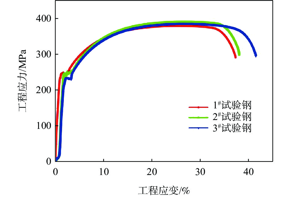
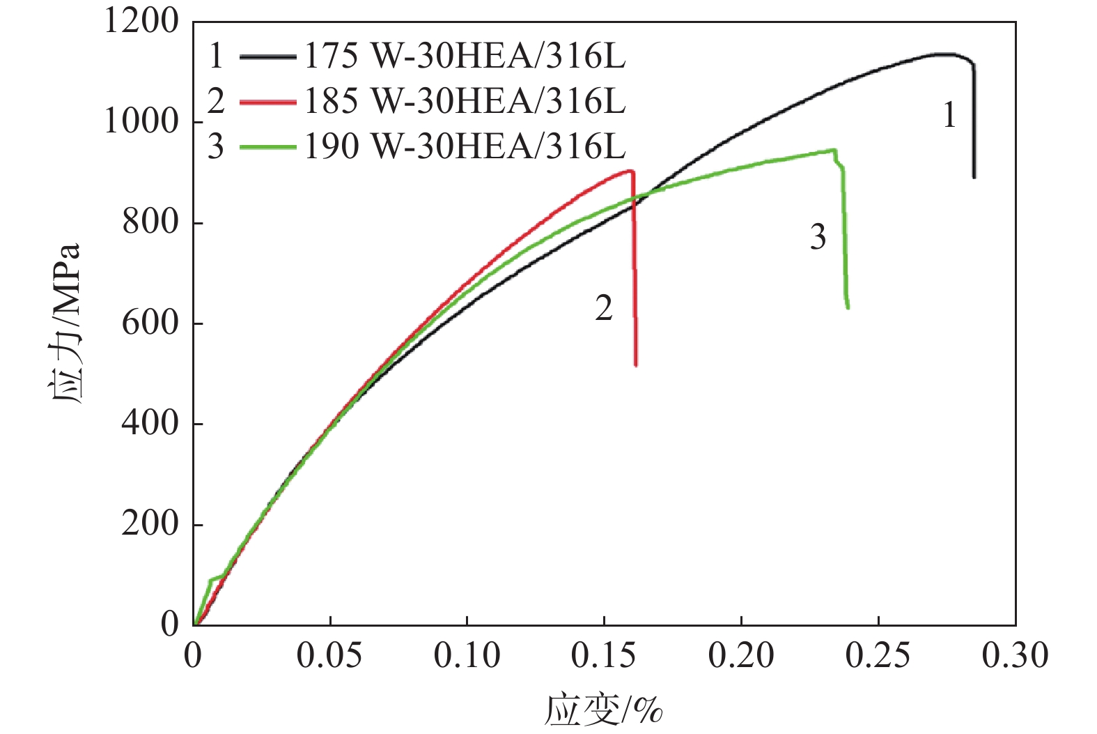
激光功率对高熵合金/316L不锈钢材料组织及力学性能的影响
孙颖, 张慧云, 郑留伟
2024, 45(2): 176-181. doi: 10.7513/j.issn.1004-7638.2024.02.025
摘要(498) HTML (185) PDF(21)
摘要:
选区激光熔化(SLM)制备的金属基复合材料具有结构灵活、成分可控等诸多优势。以316L不锈钢为基体材料,Al0.5CoCrFeNiTi0.5高熵合金(HEA)粉末为颗粒增强体,研究激光功率对Al0.5CoCrFeNiTi0.5/316L材料微观组织、微纳力学和宏观力学性能在SLM打印过程中的影响。结果表明,随着激光打印功率从175 W增加到190 W,Al0.5CoCrFeNiTi0.5/316L材料内部的成形质量降低,内部产生微裂纹等缺陷,同时未见高熵合金的原始球形颗粒存在,材料内部元素分布均匀,Al0.5CoCrFeNiTi0.5颗粒的添加使熔池的流动性降低,打印位置重熔区晶粒呈现出等轴晶分布。随着激光功率的增加,重熔区和非重熔区的硬度增加,弹性回复率整体呈增加趋势,抗拉强度和延伸率也随着激光功率的增加而降低,复合材料的抗拉强度最高可达1136 MPa,在316L基体内部加入Al0.5CoCrFeNiTi0.5颗粒后,其内部的强化机理主要是固溶强化,断裂形式表现为韧性断裂。
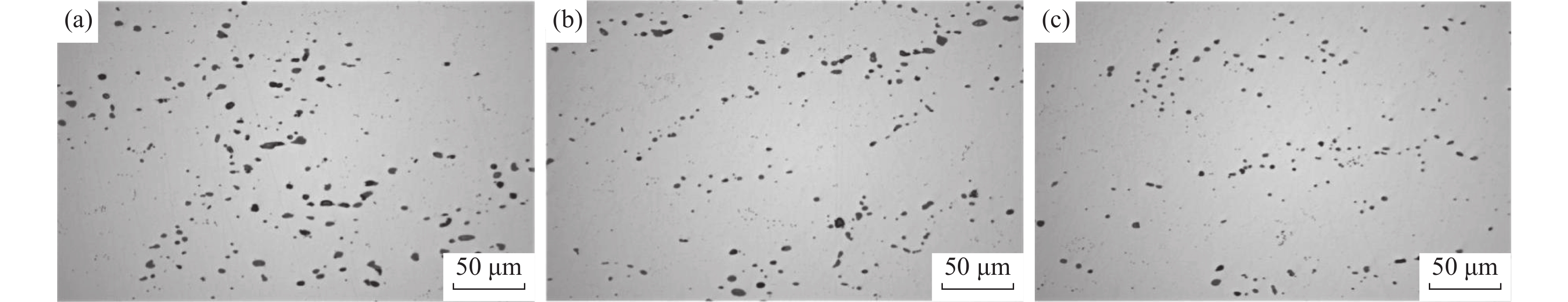
添加钒氮合金对M2高速钢凝固组织与硬度的影响
商光敏, 刘宏玉, 邓玮杰, 李游, 孙渤翔, 李锐霖
2024, 45(2): 182-189. doi: 10.7513/j.issn.1004-7638.2024.02.026
摘要(369) HTML (171) PDF(16)
摘要:
为充分利用钒氮合金和深入研究其在高速钢中的作用,在化学成分满足高速钢标准GB/T 9943-2008的前提下,采用快速凝固熔样机试验研究了添加钒氮合金后,M2高速钢凝固组织与硬度的变化规律。使用Thermo-Calc、JMatPro软件和光学显微镜、扫描电镜、X射线衍射仪、硬度仪,对不同N含量(0.0365%,0.0165%)的M2高速钢凝固后不同位置的基体晶粒形态、尺寸和分布,碳化物类型、形态、尺寸和分布以及硬度变化进行了计算与分析。结果表明,钒氮合金的添加有利于基体晶粒尺寸的细化,0.0365% N试验钢在中心、1/2半径和边缘处均为等轴晶;0.0165% N试验钢在1/2半径出现柱状晶。钒氮合金的添加没有改变凝固过程中碳化物的析出类型,但有利于碳化物的细碎化。添加钒氮合金使得试验钢硬度升高,0.0365% N钢硬度的升高归因于基体晶粒的细化和M(C, N)数量的增加。
铋含量对易切削钢组织与性能的影响研究
李彬周, 王冬, 王一甲, 姜圆博, 邵志保, 李长生
2024, 45(2): 190-197. doi: 10.7513/j.issn.1004-7638.2024.02.027
摘要(404) HTML (130) PDF(21)
摘要:
含铋环保型易切削钢具有广阔应用前景。通过制备铋锰铁合金将铋合金化,再在真空感应熔炼过程中将铋锰铁合金加入钢液,浇铸并热轧变形,获得三种含铋易切削钢。研究铋含量对钢中第二相、钢材力学性能和切削性能的影响。结果表明,随着铋含量由0.013%增加至0.069%,钢中MnS第二相的尺寸下降约45%,外形由杆状向球状转变;钢材的屈服强度、基体和第二相的硬度以及冲击功降低,抗拉强度小幅增加,延伸率大幅度提升,钢材的综合力学性能略有降低;切削试验表明,铋含量的增加,使铣削刀具的磨损显著减小,钢材表面平整度和光洁度增加,切屑由长带状向短螺旋状转变,碎断程度提高,切削性能显著改善。
在役15Cr1Mo1V钢管道焊接接头显微组织与力学性能研究
王艳松, 刘福广, 米紫昊, 韩天鹏, 张磊, 杨二娟, 巴特尔
2024, 45(2): 198-204. doi: 10.7513/j.issn.1004-7638.2024.02.028
摘要(510) HTML (180) PDF(30)
摘要:
以某电厂运行约13万h的15Cr1Mo1V钢高温再热蒸汽管道焊接接头作为研究对象,对其显微组织、硬度、拉伸、冲击和失效位置进行了研究分析。结果表明,服役管道焊接接头各区域均有多边形铁素体和析出物,组织出现一定的老化现象。焊接接头各区域硬度差异明显,焊缝中呈现多层多道焊典型的回火效应,盖面焊缝处硬度值普遍较高。焊接接头各区域拉伸和冲击结果均表明室温和高温下焊缝的强度均优于母材,但塑性和韧性均相对较差,特别是高温环境下焊缝的塑性和韧性下降较多;焊接接头拉伸和冲击断口显示母材断口中的韧窝数量多且韧窝较深,而焊缝中由于第二相的析出,尽管拉伸强度有所提高,但其均明显降低。