2024 Vol. 45, No. 4

Separating and Extracting of Vanadium and Titanium
Preparation and properties of polyvinylpyrrolidone & polyvinyl chloride composite proton exchange membrane for vanadium redox flow batteries
Dai Yu, Zeng Zehua, Zhang Dongbin, Teng Aijun, Liu Tianhao, Yin Xianglu, Yuan Xinran
2024, 45(4): 1-7. doi: 10.7513/j.issn.1004-7638.2024.04.001
Abstract(691) HTML (203) PDF(49)
Abstract:
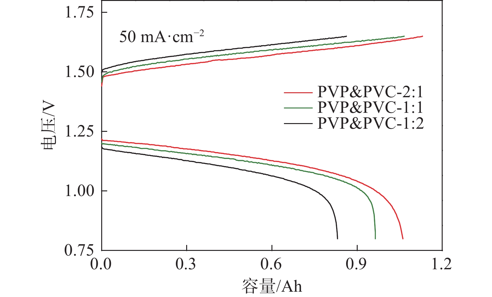
Proton exchange membrane (PEM), as a key component of vanadium redox flow battery (VRFB), plays an important role in controlling the performance and cost of VRFB. A series of PVP&PVC composite PEMs were prepared, wherein PVP carried out ion conduction in the membrane due to the protonation of amine groups, and PVC acted as skeleton to support the membrane. By adjusting the ratio of PVP and PVC in the composite membrane, the PEM which is suitable for all-vanadium flow battery was obtained. It is found out that with the increase of PVC content in the composite PEM, the mechanical property of the membrane is enhanced, and the transmittance of vanadium ion is decreased. The conductivity and swelling of the membrane increased with the increase of PVP content. The results show that when the mass ratio of PVP and PVC in the composite membrane is 1:1, the proton selectivity is 3.8×103 S·min·cm–3 which is the highest among the investigated composite membranes, so the comprehensive performance of PVP&PVC-1:1 composite membrane is the best. When the current density is 50 mA·cm–2, the single battery assembled with PVP&PVC-1:1 membrane is possessed a good charge and discharge capacity.
Study on the influences of melt components on the physical properties of molten salt chlorination system
He Yilin, Xu Jianlin, Ma Zhanshan, Pang Zhongya, Zhu Fuxing, Zou Xingli, Lu Xionggang
2024, 45(4): 8-15, 28. doi: 10.7513/j.issn.1004-7638.2024.04.002
Abstract(443) HTML (143) PDF(31)
Abstract:
The physical properties of chloride molten salt are very important for the preparation efficiency of titanium tetrachloride produced by molten salt chlorination. To investigate the influence of changes in chloride-containing molten salt composition on the physical properties of molten salt systems, this study conducted the physical property tests including conductivity and viscosity on normal raw salt, foam salt and filtered molten salt. Furthermore, XRD analysis and chemical composition analysis were also performed. Based on the component ratios in actual production and chemical analysis results, an orthogonal experiment with three factors including FeCl2, FeCl3, and MgCl2 : NaCl was designed to study the changes of physical properties of molten salt systems under different component ratios. The results indicate that the FeCl2 content has the most significant effect on the conductivity of the molten salt system, with an increase of 5% FeCl2 resulting in a 0.33 S/cm increase in overall molten salt conductivity. The FeCl3 content has the greatest impact on the viscosity of the molten salt system, with the effect being most pronounced within the 10% to 15% range of its composition. Finally, utilizing a comprehensive scoring method, the optimal chlorinated component scheme for molten salt was determined to be CaCl2 4%, FeCl2 20%, FeCl3 5% and MgCl2 : NaCl = 1 : 1.
Study on preparation of VOSO4 by chemical synthesis of sodium metavanadate
Xiafuhati Airikenjiang, Wen Jing, Yu Tangxia, Jiang Tao
2024, 45(4): 16-22. doi: 10.7513/j.issn.1004-7638.2024.04.003
Abstract(714) HTML (227) PDF(41)
Abstract:
Vanadium sulfate (VOSO4) electrolyte is the active material and energy carrier of electrochemical reaction in vanadium battery, and its quality directly affects the performance of vanadium battery such as energy efficiency, energy density and service life. In this paper, VOSO4 was synthesized from sodium metavanadate (NaVO3) and sodium sulfite (Na2SO3) by reduction, precipitation, acid dissolution and crystallization. The effects of various factors on vanadium recovery were investigated, and the intermediate products VO(OH)2 and VOSO4 were characterized. The results show that vanadium (V) can be reduced to vanadium (IV) by adding sodium sulfite into the leaching solution of sodium metavanadate with a mass ratio of m(V):m(S) of 1:0.5 and keeping it at 70 ℃ for 60 min in a solution with pH 2.5. When pH value was adjusted to 7.0 and the reaction temperature was 20 ℃ for 10 min, the blue solution could be converted into VO(OH)2 intermediate product, achieving a highest vanadium recovery of 98.51%. The diameter of VO(OH)2 spherical structure was 50~200 nm. Blue VOSO4 solution can be obtained by dissolving VO(OH)2 with sulfuric acid. After drying and crystallizing, VOSO4 crystal with an average diameter of 5 μm was obtained, and the quality of the product met the second grade standard of national standard. This study provides a preliminary experimental basis for in-situ preparation of VOSO4 from sodium leaching solution of vanadium slag.
Preparation of high quality spherical powder of TC4 ELI titanium alloy
Chen Guangrun, Ma Lan, Yang Shaoli, Xiao Jian, Wang Qiangbing
2024, 45(4): 23-28. doi: 10.7513/j.issn.1004-7638.2024.04.004
Abstract(389) HTML (179) PDF(20)
Abstract:
Using titanium alloy rod TC4 ELI as raw material, spherical TC4 ELI powder was prepared by plasma rotating electrode method (PREP). The effects of current and electrode speed on the particle size distribution and powder properties were investigated. The morphology of the powder was observed using a scanning electron microscope (SEM). The research results show that when the current remained constant at 600 A, the yield of 53~106 µm TC4 ELI powder increases with the increase of electrode speed. At an electrode speed of 44000 r/min, the yield of powder with a particle size of less than 106 μm increases slightly with increasing current. The obtained powder has a loose packing density in the range of 2.59~2.72 g/cm3, a compacted density of 3.0 g/cm3, an oxygen content in the range of 560×10-6~750×10-6 and a fluidity(calculated as 50 g) of 30.6~35.7 s. The powder has high sphericity rate, good sphericity, smooth edges without impurities and a sphericity greater than 90%.
Research on wet gringding dispersion properties of different rutile TiO2 initial products
Yang Fang, Liu Chan, Lu Ruifang, Shi Ruicheng
2024, 45(4): 29-33. doi: 10.7513/j.issn.1004-7638.2024.04.005
Abstract(355) HTML (178) PDF(25)
Abstract:
In this work, four kinds of industrial TiO2 initial products were used as raw materials to study the wet gringding dispersion of Zn series TiO2 and Al series TiO2 at different concentrations. Then, the difference of dispersion properties was analyzed by the characterization of slurry viscosity, dispersion stability, particle size and supernatant conductivity. The results show that the dispersibility of Zn series products is weaker than that of Al series products under the same sodium silicate dispersion process, and the slurry viscosity increases with the increase of beating concentration. The limit beating concentration of each Zn series products is different. When Na2SiO3 addition is 0.30% of the mass ratio of SiO2/TiO2, the highest dispersion concentration of Zn series B can reach 500 g/L, but it still can not reach the level of Al series products. At low concentrations below 300 g/L, there are more small particle size particles in each product, so the dispersion is more stable. With the increase of concentration, the dispersion stability of slurry decreases. The lower the viscosity of the slurry, the worse the dispersion stability. The amount of surface charge of all kinds of raw materials varies, and TiO2 with more surface charge has lower viscosity.
Effect of different support on the catalytic performance of V-Mo/Ti De-NOx catalyst
Yue Yanwei, Huang Li, Lu Luyang, Wang Suqin, Xu Shun, Wang Hu, Zong Yuhao, Xie Xingxing
2024, 45(4): 34-40. doi: 10.7513/j.issn.1004-7638.2024.04.006
Abstract(395) HTML (160) PDF(21)
Abstract:
V-Mo/Ti de-NOx catalysts were prepared by two kinds of TiO2 with different BET surface area. XRD, N2-adsorption, H2-TPR, Raman, NH3-TPD, O2-TPD, and SO2-TPD analysis were used to characterize the physiochemical properties of the different catalysts. The catalytic performances of the catalysts were tested via a fixed-bed micro-reactor, and the SO2/SO3 conversion of the different catalysts were tested through a pilot-scale reactor. The results show that the catalyst prepared by TiO2-A and TiO2-B (75%:25%) possesses lower content of the polymeric vanadate, higher reducibility, relatively lower acidity, and higher Oα amount than that of the catalyst prepared with pure TiO2-A. As a result, the former catalyst exhibits higher catalytic activity. However, the acidity of the catalyst decreases obviously when 50% TiO2-B is used, leading to the decline of the catalytic performance. What is more, the using of TiO2-B can decrease the SO2/SO3 conversion of the catalyst. Overall, the catalyst prepared with 75% TiO2-A and 25% TiO2-B displays the best catalytic performance.
Application of Vanadium and Titanium
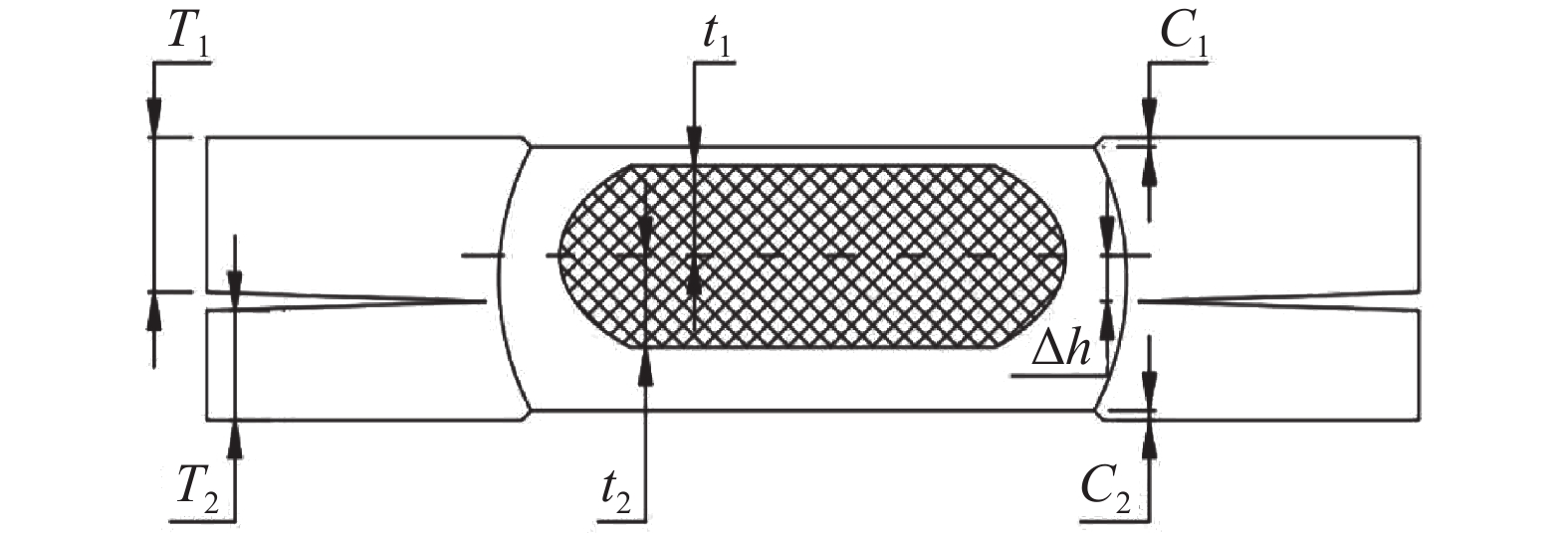
Study on the biaxial tensile behavior of commercial pure titanium at room temperature
Miao Zihao, Chang Le, Zhou Changyu, He Xiaohua
2024, 45(4): 41-47. doi: 10.7513/j.issn.1004-7638.2024.04.007
Abstract(570) HTML (185) PDF(37)
Abstract:
In this study, biaxial tensile tests were conducted on the commercial pure titanium plates using cruciform specimens. The impact of biaxial tensile stress state on the mechanical properties was explored through Digital Image Correlation (DIC) to capture the strain response. The effect of biaxial tensile stress states on the mechanical properties of specimens was discussed. Compared to uniaxial mechanical properties, the biaxial loading material strength demonstrated a significant improvement. When the loading rates of X-axis and Y-axis are equal, the yield strength and tensile strength of the material reach the maximum. Electron Back Scatter Diffraction (EBSD) was further employed to analyze the influence of the biaxial load ratio on twinning behavior. Under uniaxial tension along the rolling direction (RD) or transverse direction (TD), the volume fraction of twins was found to be small, while there were more twins under biaxial loading and a maximum volume fraction of twins under equal load. Notably, when the load in the transverse direction exceeded that in the rolling direction, the volume fraction of tension twins surpassed that of compression twins.
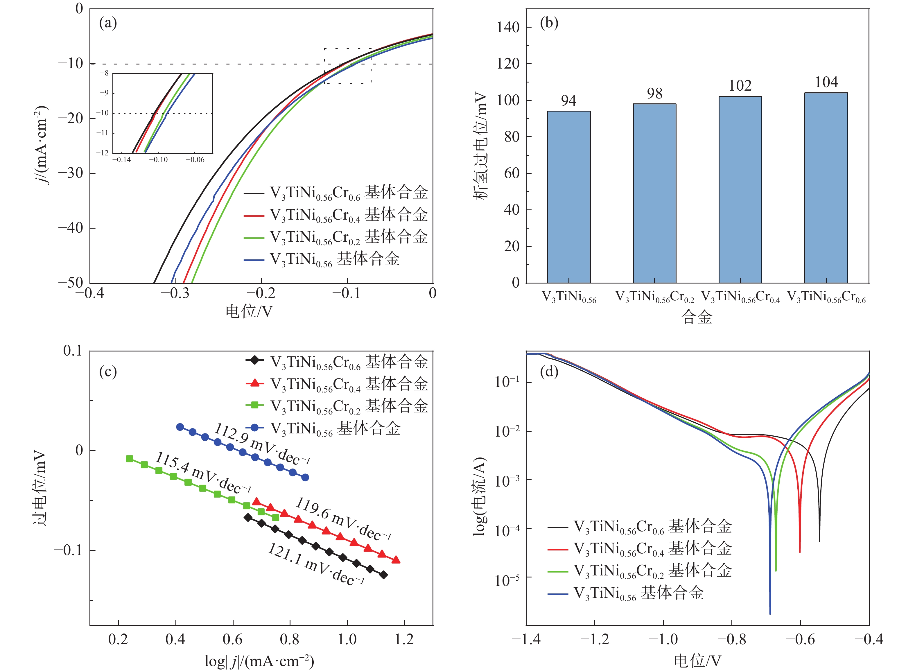
Study on the corrosion resistance of vanadium-based V3TiNi0.56Crx (x=0, 0.2, 0.4, 0.6)/NiMoW composite cathode for hydrogen evolution
Du Jinjing, Zhang Xuan, Zhou Yu, Cui Xinxin, Zhu Jun, Zuo Heng, Wang Bin, Bao Yanru, Liu Jingtian, Guo Yuehao
2024, 45(4): 48-53. doi: 10.7513/j.issn.1004-7638.2024.04.008
Abstract(443) HTML (133) PDF(23)
Abstract:
This article mainly studied the influence of Cr element on the electrocatalytic performance and corrosion resistance of vanadium-based V3TiNi0.56Crx(x=0,0.2,0.4,0.6)/NiMoW composite cathode for hydrogen evolution. The phase, morphology, electrocatalytic performance, and corrosion resistance of V3TiNi0.56Crx(x=0,0.2,0.4,0.6)/NiMoW alloy during the electrocatalytic process is analyzed. A passivation film is formed on the surface of the matrix alloy, which can create a passivation zone in the electrochemical corrosion process of the matrix material. It is considered to contain Ni and Cr interstitial substituents. The electrocatalytic ability of vanadium-based composite cathode for hydrogen evolution slightly decreases. The self-corrosion current decreases by 3.61 mA/cm and the self-corrosion potential shifts forward by 0.154 V, which is calculated by the polarization curve extrapolation method. After long-term electrolysis, the amount of gaps formed on its surface decrease, and only slight changes existed in the amplitude of current density change, indicating that its corrosion resistance and long-term stability have been improved.
Effect of intermediate annealing on the microstructure and texture of cold rolled pure titanium plates
Tang Min
2024, 45(4): 54-61. doi: 10.7513/j.issn.1004-7638.2024.04.009
Abstract(267) HTML (159) PDF(17)
Abstract:
A comparative and systematic study was conducted on the effects of annealing temperatures on the microstructure and texture of cold-rolled pure titanium plates using testing methods and analysis methods such as Electron Backscatter Diffraction (EBSD). The results show that when the intermediate annealing temperature is 700 ℃, the recrystallized structure of 0.25 mm plate obtained by cold rolling from 0.6 mm plate and 700 ℃/h treatment is more uniform with smaller residual stress. The textures on the {0001}, {10-10}and {11-20} three pole figures are more scattered with weaker overall texture intensity, and the orientation distribution is more random.
Phase transformation mechanism of Ti-6Al-4V titanium alloy induced by tensile deformation
Sun Hao
2024, 45(4): 62-67. doi: 10.7513/j.issn.1004-7638.2024.04.010
Abstract(320) HTML (221) PDF(23)
Abstract:
Phase transition behavior plays a crucial role on the plastic deformation and mechanical properties of titanium alloy. Therefore, it is very necessary to study the phase transition behavior and further reveal the corresponding mechanism of titanium alloy. In this paper, a novel heat treatment process was successfully used to introduce a fine β grain martensite structure into Ti-6Al-4V titanium alloy. Deformation-induced HCP phase to FCC phase transition behavior under tensile loading conditions was discovered, and the corresponding phase transition mechanism was revealed. The crystallographic orientation relationship between the HCP phase and the newly formed FCC phase is: (0002)HCP || $(11\bar1 )$FCC and $<2\bar1\bar10 >$HCP || <011> FCC. The phase transition mechanism is proposed based on the crystallographic orientation relationship between the two phases: 1/3$<10\bar10 > $ type Shockley partial dislocations slip on every two (0001) atomic basal planes. This phase transition mechanism was further verified by first principles that calculated the change of (0001)$<10\bar10 >$ stacking fault energy during HCP to FCC phase transition.
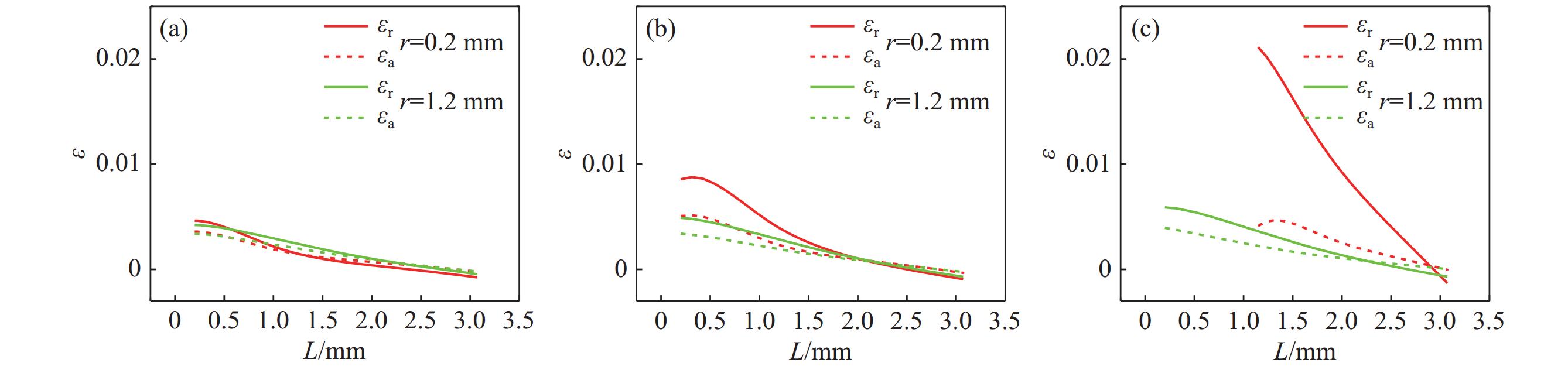
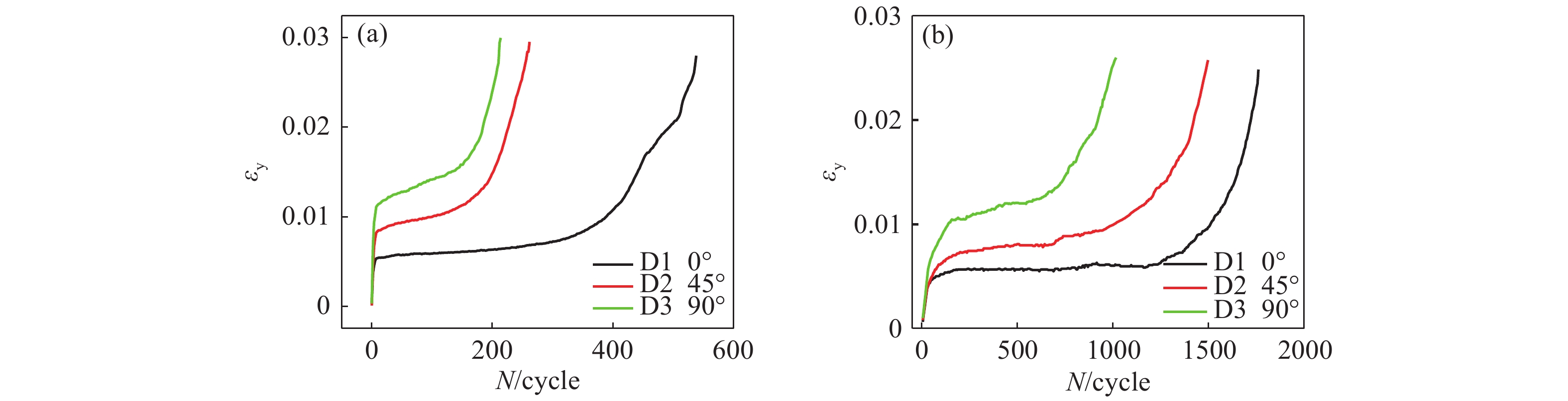
Influence of stacking direction on the local cyclic plastic behavior of selective laser melted TC4 alloy notched parts
Wang Zhiqiang, Li Jian, Zhao Xun, Zhao Xuetong, Xu Yingdong, Tang Mingyang, Liu Qing, Ge Junming, Xiao Min
2024, 45(4): 68-75. doi: 10.7513/j.issn.1004-7638.2024.04.011
Abstract(317) HTML (182) PDF(12)
Abstract:
In this paper the influence of stacking direction on the local cyclic plastic behavior of selective laser melted (SLM) TC4 alloy notched parts had been investigated through digital image correlation technology. The results indicate that the plastic deformation near the root of the notched parts can be influenced by the stacking direction and notch radius, thereby affecting the fatigue life of the notched parts. The ratcheting strain and strain rate near the root of the notch decrease with the change of stacking direction (from 0° to 90°), and also decrease with the change of the notch radius. Compared with effect by notch radius, stacking direction cause less influence on the ratchet strain, strain rate and fatigue life. The research results will provide a certain theoretical reference for the fatigue design of SLM parts.
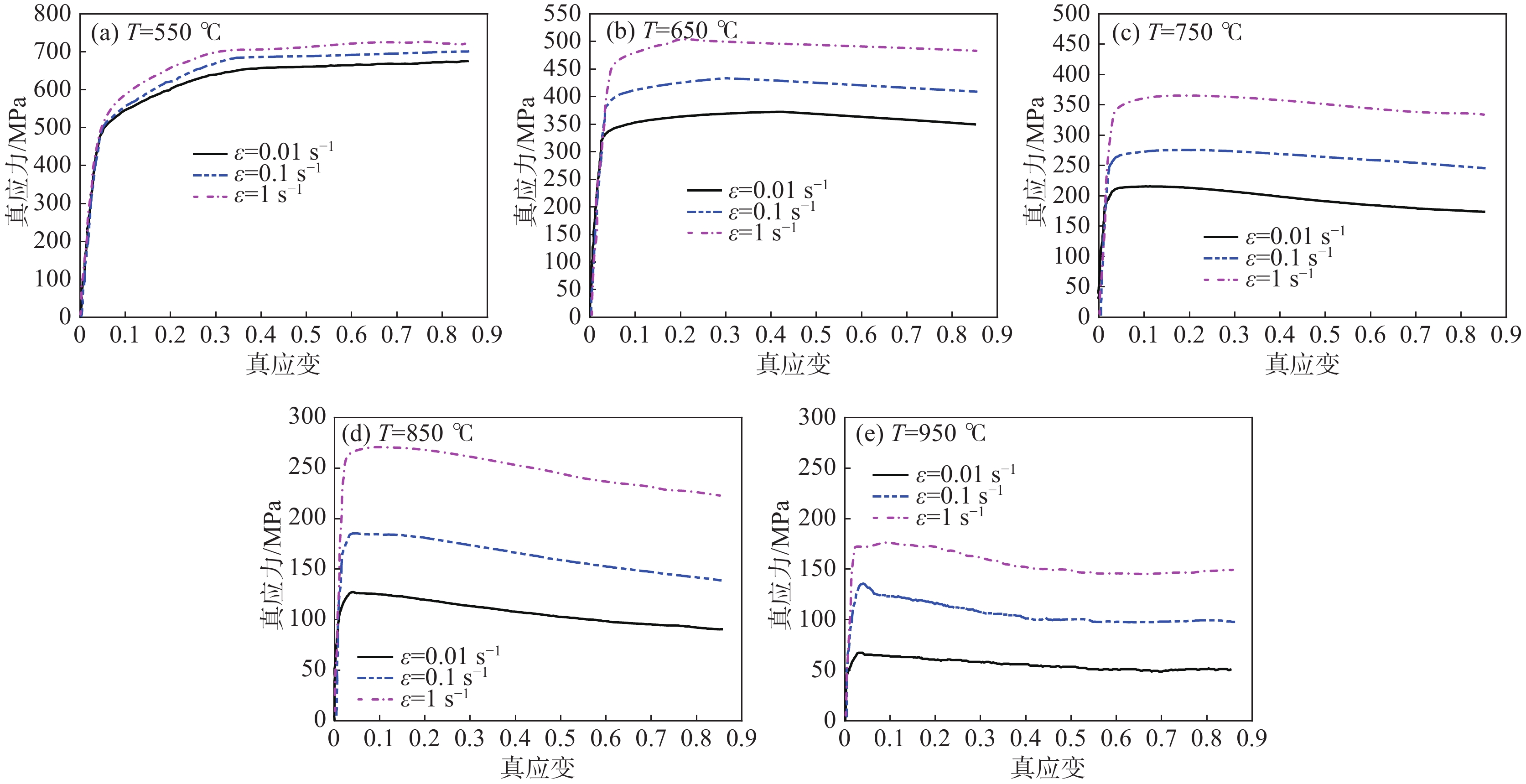
Prediction of high temperature rheological behavior of TC4 titanium alloy based on Z-A constitutive model
Shen Jiancheng, Jia Haishen, Zhang Jilin, Luo Wencui, Yi Xiangbin
2024, 45(4): 76-83. doi: 10.7513/j.issn.1004-7638.2024.04.012
Abstract(395) HTML (181) PDF(18)
Abstract:
The constitutive model plays an important role in describing the response behavior of materials under different deformation conditions and in optimizing the hot forming process. Therefore, in order to obtain the physical constitutive model for accurately describing the high temperature rheological behavior of TC4 titanium alloy, the isothermal compression experiments were performed under different temperatures (500~900 ℃) and different strain rates (0.01, 0.1, 1 s−1) by using the Gleeble-3800 thermal simulator. According to the experimental data, the parameters of modified Z-A constitutive model are calibrated, and its effectivity is analyzed. Based on the analysis results, an optimized Z-A constitutive model was established, and the predictability of the model was discussed with the help of correlation coefficient R, mean absolute relative error value AARE and root mean square error RSME. The results indicate that the optimized Z-A constitutive model can accurately predict the high-temperature rheological behavior of the material. The R, AARE and RSME of the model are 0.9992, 1.63% and 1.3252, respectively.
Technical Review
Assessing the role of vanadium technologies in decarbonizing hard-to-abate sectors and enabling the energy transition
David A Santos, Manish K Dixit, Pranav Pradeep Kumar, Sarbajit Banerjee
2024, 45(4): 84-94. doi: 10.7513/j.issn.1004-7638.2024.04.013
Abstract(539) HTML (220) PDF(56)
Abstract:
The decarbonization of heavy industry and the emergence of renewable energy technologies are inextricably linked to access to mineral resources. As such, there is an urgent need to develop benchmarked assessments of the role of critical elements in reducing greenhouse gas emissions. Here, we explore the role of vanadium in decarbonizing construction by serving as a microalloying element and enabling the energy transition as the primary component of flow batteries used for grid-level storage. We estimate that vanadium has enabled an avoided environmental burden totaling 185 million metric tons of CO2 on an annual basis. A granular analysis estimates savings for China and the European Union at 1.15% and 0.18% of their respective emissions, respectively. Our results highlight the role of critical metals in developing low-carbon infrastructure while underscoring the need for holistic assessments to inform policy interventions that mitigate supply chain risks.
Research progress on deactivation mechanism and preventive measures of V2O5-WO3 / TiO2 catalyst
Jin Jiahao, Cai Zongying, Liang Jinglong, Song Shaofei, Cao Weigang
2024, 45(4): 95-104. doi: 10.7513/j.issn.1004-7638.2024.04.014
Abstract(517) HTML (217) PDF(33)
Abstract:
With growing global energy demand and the improvement of environmental protection requirements, selective catalytic reduction (SCR) technology has attracted considerable attention as an effective way to reduce atmospheric nitrogen oxide (NOx) emissions. However, the vanadium-titanium-based V2O5-WO3/TiO2 SCR catalyst as the key role of SCR will encounter deactivation problems during long-term operation, which limits its practical application. Therefore, it is significant to study the deactivation mechanism and preventive measures. This paper systematically expounds on the deactivation mechanism of the catalyst and the preventive measures. The deactivation of the catalyst is mainly caused by the high-temperature environment and the dust, alkali (earth) metal, acid gas and heavy metal in the flue gas through physical or chemical action. In order to slow down the deactivation of the catalyst and prolong its service life, the preventive measures were reviewed from three aspects including pre-dust removal, catalyst modification and SCR system optimization. Studying the deactivation mechanism of the catalyst can not only make the component changes clear in the deactivation process, but also provide a basis for the inactivation prevention and the preparation of new catalyst materials. This article provides a reference for prolonging the working time of V2O5-WO3/TiO2 SCR catalyst and recovering waste SCR catalyst.
Ferrous Metallurgy and Materials
Change of phase composition and valuable elements in V-Ti pellet during softening-melting and dripping process
Xie Hong’en, Zheng Kui, Huang Chu, Zhu Fengxiang, Liu Juan
2024, 45(4): 105-112, 128. doi: 10.7513/j.issn.1004-7638.2024.04.015
Abstract(554) HTML (228) PDF(28)
Abstract:
The change of phase composition and valuable elements in the process of softening-melting and dripping of acidic V-Ti pellet of Pangang were quantitatively studied by simulating the smelting atmosphere in blast furnace. The results show that Ti and V gradually migrated from titanohematite and ilmenite to slag phase during the softening-melting and dripping process of V-Ti pellet. TiO2 could not only be reduced to Ti into metal iron, but also generate a large amount of titanium carbonitride. In the dripping test, the yield of V in metallic iron was 36.03%, which was much higher than 3.13% of Ti and 17.20% of Si. The absorbing S from coke by slag and metallic iron and the desulfurization reaction between them were carried out simultaneously, and the ratio of S in metallic iron decreased from 72.84% after softening-melting test to 50% after dripping test. Pyroxene and anosovite were more than 80% in the flooding slag of softening-melting test, and more than 70% of V and Ti in this slag were distributed in anosovite. While in residual slag of softening-melting test, pyroxene decreased obviously, olivine and spinel increased obviously, and V and Ti increased obviously in spinel. During the dripping test, TiO2 was gradually reduced until the sum of TiC and TiN mass fraction exceeded 20%, so the slag was gradually transformed from high titanium-type slag with TiO2 mass fraction over 30% to low titanium-type slag with TiO2 mass fraction less than 10%, and anosovie and its V and Ti in the residual slag were significantly reduced, while olivine and its distribution of V and Ti were increased.
Thermodynamic model of dephosphorization of CaO-SiO2-MgO-Al2O3-FeO-P2O5-TiO2 slag system based on IMCT theory
Liu Ran, Liu Yanting, Gao Yanjia, Lan Chenchen, Yan Guangshi, Lü Qing
2024, 45(4): 113-122. doi: 10.7513/j.issn.1004-7638.2024.04.016
Abstract(299) HTML (160) PDF(11)
Abstract:
Based on the theory of ionic-molecular coexistence (IMCT), a seven-component slag phosphorus distribution ratio (LP) model for CaO-SiO2-MgO-Al2O3-FeO-P2O5-TiO2 was established. This model has been validated in multiple slag systems and has the ability to accurately predict the enrichment behavior of phosphorus. The influence of each component on activity and LP was further analyzed, and the reasonable slag composition for smelting vanadium-titanium magnetite was summarized through this model. The results show that within the temperature range of 1000 to 1600 °C, as the temperature increases, the activities of FeO, MgO and CaO increase, while those of SiO2 and Al2O3 decrease, with no significant effect on TiO2. As the basicity increases from 0.92 to 1.32, the activities of CaO and MgO significantly increase, while those of SiO2 and Al2O3 decrease significantly, with a gradual increase in the activity of FeO and a nearly constant activity of TiO2. As the mass fraction of CaO in the slag increases, the activities of Al2O3 and SiO2 decrease, while those of CaO, MgO and FeO increase. As the mass fraction of SiO2 in the slag increases, the activities of basic oxides CaO, MgO and FeO decrease, while those of acidic oxides SiO2, Al2O3 and TiO2 increase. After increasing the mass fraction of MgO in the slag from 4% to 14.5%, the variation law of each component activity is basically the same as that of CaO, but the influence is weaker than that of CaO. After increasing the mass fraction of Al2O3, FeO and TiO2 in the slag, only their own activities significantly increase, with relatively small effects on the activities of other components. As the basicity and FeO mass fraction increase, LP gradually increases. As the MgO mass fraction increases, Lp first decreases and then increases. As the Al2O3 and TiO2 mass fractions increase, LP gradually decreases. When the TiO2 mass fraction is around 10%, the slag composition of CaO (35.5%)-SiO2 (26%)-MgO (10.2%)-Al2O3 (12.5%)-FeO (5%)-TiO2 is selected, and the [P] in the molten iron can be controlled below 0.01%.
Effect of precipitates on the creep rupture behavior of GH4141 superalloy
Zhang Zhao, Feng Xu, Guo Xulong, Zhang Weiwei, Wang Kaimeng, Xin Ruishan, Pei Binghong, Xiao Dongping, Zhou Yang
2024, 45(4): 123-128. doi: 10.7513/j.issn.1004-7638.2024.04.017
Abstract(313) HTML (133) PDF(14)
Abstract:
This study focused on the effect of precipitates on the creep rupture behavior of GH4141 superalloy, involving creep crack initiation and propagation. Microstructures including carbides, γ′ precipitate hardening phase, void and intergranular crack were characterized by SE and EBSD. Meanwhile, plastic deformation and hardening mechanisms for crystal grains were analyzed. Voids occurred at the interfaces of grain boundary and carbides. Voids coalescence with wavy morphology were observed. The increase in crack length enhanced plastic deformation degree in front of the crack tip. The crystal grain strengthening was caused by the suppression of dislocation motion resulting from γ′ pinning effect. Due to the activation of multiple glide systems, dislocation piled up and tangled to enable crystal grain strengthening.
Effect of alloying elements V and Cu on microstructure and properties of Cu-bearing steels
Yang He, Hou Ziyong, Zhao Jun, Wang Yaru, Liang Jie, Chang Zhiyuan, Zhang Ling, Huang Xiaoxu
2024, 45(4): 129-136. doi: 10.7513/j.issn.1004-7638.2024.04.018
Abstract(429) HTML (185) PDF(34)
Abstract:
Three kinds of Cu-bearing high strength steels, namely 0V1Cu steel, 0.15V1Cu steel and 0.15V4Cu steel, respectively, were designed to study the effect of V and Cu elements on microstructure and properties. The phase transformation, microstructure and microhardness of experimental steels were investigated using various microstructure characterization techniques, such as LOM, SEM, TEM, along with thermodynamic and kinetic calculations. The experimental results revealed that the Ac1 temperature of the three steels was within the range of 673~675 °C. When 1%Cu was added and V increased from 0 to 0.15%, the Ac3 temperature increased from 769 °C to 775 °C, and with Cu increased from 1% to 4% in steel including 0.15%V, the Ac3 temperature decreased from 775 °C to 757 °C. After hot rolling, the microstructures of 0V1Cu steel and 0.15V1Cu steel were identified as granular bainite, while 0.15V4Cu steel exhibited a microstructure consisting of martensite and a small fraction of bainite. Lath martensite was obtained in all the three steels after austenitization at 1100 °C for 5 min, followed by quenching in water. The addition of V and Cu lead to an increase in the microhardness of the Cu-bearing steels, with the highest microhardness (HV) of 597±7 observed in 0.15V4Cu steel, which was 44 and 11 higher than 0V1Cu steel and 0.15V1Cu steel, respectively. These findings demonstrated that the microstructure and mechanical properties of the studied steels could be adjusted over a wide range by varying the amounts of V and Cu, providing valuable insights for the design of Cu-bearing steels with excellent overall performance.
Effects of solution treatment on the microstructures and properties of high nitrogen nickel-free stainless steel prepared by MIM
Zou Liming, Liu Ruiyang, Cai Ying, Ni Donghui
2024, 45(4): 137-142. doi: 10.7513/j.issn.1004-7638.2024.04.019
Abstract(296) HTML (141) PDF(12)
Abstract:
In this study, subsequent solution heat treatment was carried out in order to improve the properties of high nitrogen nickel-free austenitic (HNNFA) stainless steel prepared by MIM. The effects of solution temperature and duration on the microstructures and mechanical properties of HNNFA stainless steel were systematically studied. In addition, the corrosion resistances of stainless steel specimens before and after solution treatment were compared. The results show that Cr2N precipitates in the austenitic matrix after sintering, thus affecting the mechanical and corrosion resistance of the HNNFA stainless steel. The secondary phase of Cr2N disappears after solution heat treatment and the microstructure is composed of pure austenite. When the solution temperature is 1 150 ℃ and the holding time is 10 min, the HNNFA stainless steel has the best mechanical properties. Its tensile strength reaches 889 MPa and elongation reaches 16.8%. Compared with the specimens before solid solution treatment, the corrosion rating of HNNFA stainless steel after solution treatment is increased from 0 to 10, and the corrosion resistance is greatly improved.
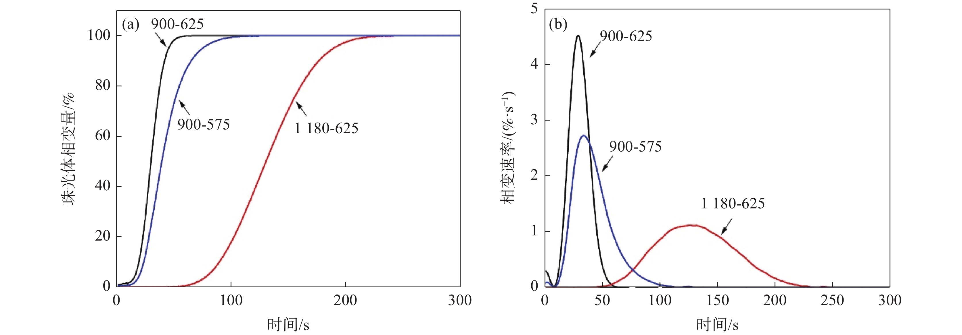
Effects of transformation temperature and austenitization temperature on the transformation kinetics and microstructure of a Nb microalloyed high-carbon steel
Zhou Mingxing, Chi Yicheng, Liu Jingtao, Li Zhengqian, Liu Sihua, Zhang Daichen, Su Xue, Tian Junyu
2024, 45(4): 143-149. doi: 10.7513/j.issn.1004-7638.2024.04.020
Abstract(320) HTML (186) PDF(15)
Abstract:
In order to optimize the heat treatment process of a Nb microalloyed high-carbon steel, the effects of reheating temperature and transformation temperature on pearlite transformation kinetics and microstructure and properties were studied by dilatometry, optical microscope, scanning electron microscope, electron backscattering diffraction and hardness tests. The results show that the pearlite transformation kinetics is reduced by increasing the reheating temperature. One reason is that the number of pearlite nucleation sites decreases with the increase of prior austenite grain size. On the other hand, the solubility of Nb increases with the reheating temperature, which decreases the carbon diffusion coefficient and thus decreases the pearlite growth rate. The pearlite transformation kinetics decreases as the transformation temperature decreases from 625 ℃ to 575 ℃. In addition, when the transformation temperature decreases from 625 ℃ to 575 ℃, the pearlite nucleation mechanism changes from nucleation mainly at the corners and edges of prior austenite to nucleation mainly at the surfaces and edges. Moreover, the decrease in transformation temperature can refine the pearlite lamellar spacing and improve the hardness of the pearlitic steel. The pearlite nodule size is also significantly refined with the decrease of transformation temperature and reheating temperature. Among the three studied processes, 900 ℃ reheating with 575 ℃ transformation technology provides the highest hardness and the smallest nodule size. Therefore, in order to obtain the best combination of strength and toughness, it is recommended to reduce the reheating temperature and transformation temperature.
Effect of trace Mg addition on microstructure and mechanical properties in 2.25Cr1Mo steel
Cheng Yang, Li Xiaobing, Gao Ming, Liu Kui
2024, 45(4): 150-157. doi: 10.7513/j.issn.1004-7638.2024.04.021
Abstract(264) HTML (159) PDF(17)
Abstract:
In order to reveal the function of Mg micro-alloying in low micro-alloyed steel, the 2.25Cr1Mo with 15 mm thick steel plates containing different Mg content were prepared with vacuum induction furnace and rolled with double-stick reversible rolling mill. The characteristics of heat-treated microstructure, primary austenite grain, and mechanical properties were investigated with TEM, OM and so on. The results show that after adding Mg for the heat-treated microstructure, the primary austenite grain size is refined and the ferrite volume fraction is increased. When the total oxygen content of 2.25Cr1Mo steel is 0.0003%, Mg will segregate in the carbides, thereby reducing the size of carbides and increasing the amount of these compounds, which increases the pinning effect on austenite grain growth, and then refines the original austenite grain. After adding 0.005% Mg, the impact toughness of 2.25Cr1Mo steel is slightly improved, but the microhardness change is not obvious. The increase of ferrite content in steel after Mg treatment contribute to improving its impact toughness.
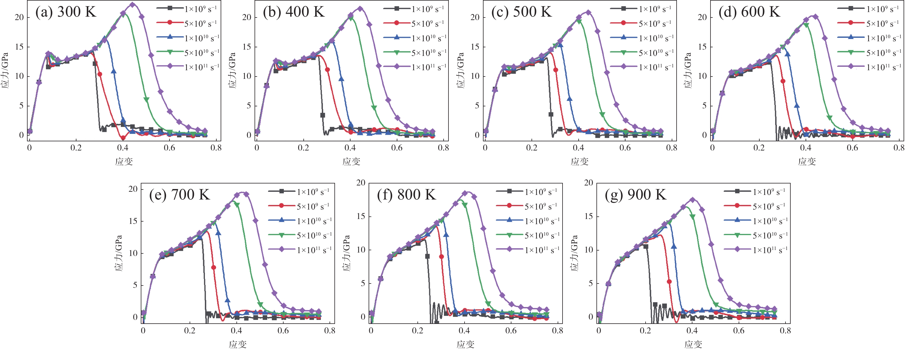
Molecular dynamics simulation study on the tensile behavior of FeC alloy
Li Jiajun, Sun Miao, Wu Huijuan, Lü Shining, Gao Youshan, Wang Aihong
2024, 45(4): 158-162. doi: 10.7513/j.issn.1004-7638.2024.04.022
Abstract(364) HTML (136) PDF(26)
Abstract:
In order to investigate the effects of temperature and strain rate on the micro-mechanical properties of FeC alloys, molecular dynamics methods were used to simulate the tensile properties of FeC alloys. The stress-strain curves of FeC alloys at different temperatures and strain rates were obtained and analyzed, and the data was processed using MATLAB. A mathematical model was established to predict the elastic modulus and yield strength of FeC alloys calculated on the basis of temperature and strain rate. The results show that the maximum absolute errors between the simulation and the prediction values by the mathematical model of elastic modulus and yield strength are 2.680 GPa and 0.079 GPa, respectively. The maximum relative errors are 1.680% and 0.737%, respectively. The mathematical prediction model can effectively predict the elastic modulus and yield strength to a certain extent.
Effect of pre-strain on impact fracture behavior of X80 pipeline steel
Wang Zhaoyang, You Jingze, Meng Tong, Zhang Lianwang, Sun Chao, Wang Hui, Yu Zhenyang, Song Ming
2024, 45(4): 163-169. doi: 10.7513/j.issn.1004-7638.2024.04.023
Abstract(284) HTML (156) PDF(19)
Abstract:
The influence of pre-strain on the impact fracture behavior of X80 pipeline steel was studied. Fracture morphology and inclusions were analyzed by OM, SEM, EDS spectroscopy, and the crystallographic characteristics near the secondary crack on the fracture cross-section were obtained by EBSD. The results show that the pre-strain has no significant effect on the maximum impact load, but pre-strain will increase brittle fracture tendency and notch sensitivity, which leads to decreasing the crack formation energy and crack resistance. In the process of impact fracture, the pre-strain causes the internal dislocations of the material to become entangled with each other, and dislocation movement is hindered. Therefore, brittle fracture is easy to occur when the material is subjected to external force, and the brittle inclusions inside the material also act as the source of cracks. Due to the misorientation between adjacent grains, when the crack propagation encounters the grain boundary, the crack propagation path is deflected when it enters the next grain. In addition, analysis on the crystal orientation of the cross-section near the fracture area indicated that the main cleavage plane of X80 pipeline steel was {100}, followed by {211}.
Study on the influence of Si addition on the mechanical properties of high Mn-N type TWIP stainless steels
Zeng Zeyao, Luo Xu
2024, 45(4): 170-175. doi: 10.7513/j.issn.1004-7638.2024.04.024
Abstract(325) HTML (152) PDF(10)
Abstract:
The effects of different heat treatment processes on the microstructure and mechanical properties of high Mn-N TWIP stainless steels with 1.5% Si addition were studied by SEM and TEM. The results showed that the annealing twin thickness of the tested steel increased with the increase in solution temperature. At high solution temperatures, Si was added to improve the strain hardening rate of the alloy. A large number of slender deformation twins were generated during tensile deformation, which can effectively prevent dislocation slip and improve materials strength and plasticity. The effect of aging treatment on the materials tensile properties was relatively small. During the aging process at 700~800 ℃, a large amount of grain boundary cellular precipitates were generated, which were mainly composed of short rod-shaped Cr2N particles. Under impacting loads, intergranular brittle fracture occurred, and the impact absorption energy decreased rapidly.
Effect of continuous annealing fast cooling outlet temprature on the microstructures and properties of SPCC cold rolled sheet
Zhou Bowen, Jiang Cailing, Fan Lei, Liu Yihu, Lu Maosen, Yang Yuebiao
2024, 45(4): 176-180. doi: 10.7513/j.issn.1004-7638.2024.04.025
Abstract(254) HTML (148) PDF(10)
Abstract:
Effect of continuous annealing fast cooling outlet temprature on the microstructures and properties of SPCC cold rolled sheet was studied. The results show that there are equiaxed ferrite grains, massive carbides on grain boundaries and granular carbides in grains in the continuous annealed SPCC cold rolled sheet. The fast cooling outlet temprature mainly affects the precipitation and distribution of carbides in steels. With a drop of the fast cooling outlet temprature, the number of carbides on the grain boundaries decreases, and the number of carbides in grains increases. The existing proportion of yield platform in the testing coils decreases, and the yield strength also decreases obviously with the decrease of outlet temperatures. When the fast cooling outlet temprature decreases from 500 ℃ to 430 ℃, the existing proportion of yield platform decreases from 55% to 10%, and the average yield strength decreases by about 22 MPa.
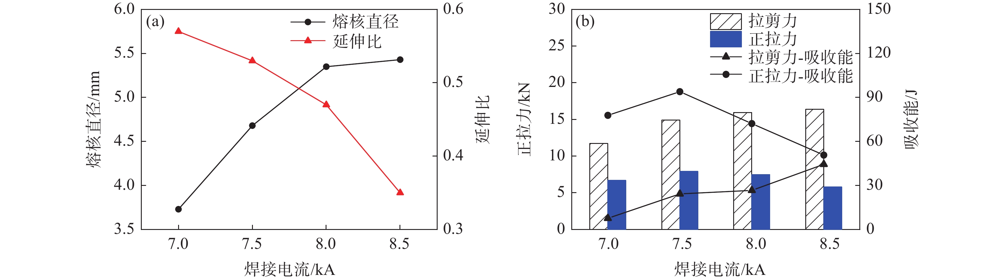
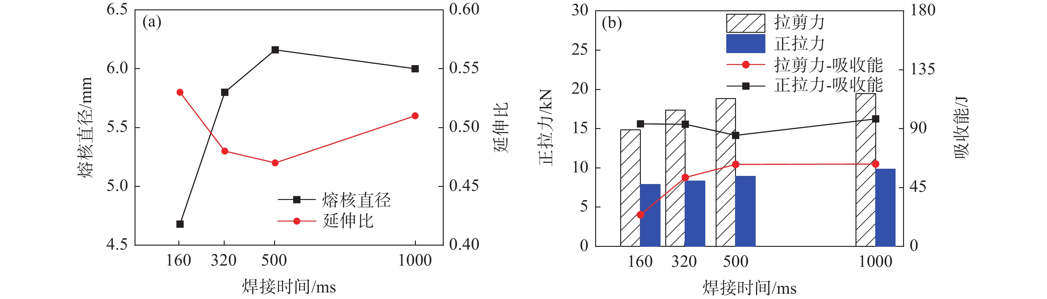
Study on mechanical properties of resistance spot welded joints with single pulse unequal thickness of 22MnB5/DP590
Yu Yongmei, Li Zhiguo, Lou Guodong, Jing Yi
2024, 45(4): 181-188. doi: 10.7513/j.issn.1004-7638.2024.04.026
Abstract(285) HTML (185) PDF(11)
Abstract:
In this paper, the single pulse resistance spot welding technology was used to study the section characteristics and tensile properties of 22MnB5/DP590 spot welding joints with varying thickness section under different welding current and welding time, and the variation of microhardness of spot welding joints was analyzed. The results show that the welding current has little effect on the penetration and core thickness of the base metal. With the increase of welding current, the weld core moves towards the thicker DP590 side, and both weld diameter and tensile shear of the joint increase. Compared with the welding current, prolonging welding time has significant effect on the indentation rate and core offset of the joint. With the increase of welding time, the penetration of the base metal and the thickness of the molten core decrease. The diameter of the molten core decreases when the welding time is 1000 ms, but the tensile shear keeps increasing. The microhardness values of spot welded joints from high to low are as follows: 22MnB5 side heat affected zone → molten core zone →DP590 side heat affected zone. Under the action of tensile shear, the joint tensile fracture modes include interface fracture, partial interface fracture and core pulling out fracture. It is concluded that given 3.8 kN of welding force the optimum welding conditions for varying section of DP590/22MnB5 are 8.5 kA of welding current and 160 ms of welding time.
Analysis of microstructures, inclusions and carbides of G95Cr18 bearing steel billets by mold casting
Fu Yuhao, Wu Qiang, Zhu Haoran, Ji Dengping, Liu Bin, Fu Jianxun
2024, 45(4): 189-197. doi: 10.7513/j.issn.1004-7638.2024.04.027
Abstract(340) HTML (195) PDF(18)
Abstract:
Based on Thermo-calc software, the matrix structure, phase transformation and carbides precipitation of G95Cr18 bearing steel were analyzed. Metallographic microscope and scanning electron microscope were used to analyze the mold casting billets structures, inclusions and carbides. The research shows that the main components of inclusions in the casting slab of G95Cr18 bearing steel are Ce, O, Al, Ca and a few other elements. The main type of inclusions is rare earth oxygen sulfide Ce-Al-O-Ca-S, and a small amount of magnesia-aluminum spinel Al-Mg-O is also found. The inclusion density is 31 - 48 mm-2, and the average sizes of inclusions are concentrated in a range of 2.2 μm to 2.6 μm with the inclusion area proportion of 0.02% to 0.03%. The area proportion of carbides from the edge to the core increases from 3.0% to 7.5%, and the morphology of carbides shows a transforming trend of block → rod → strip → network. Most of the network carbides near the core are distributed along the grain boundaries. These types of carbides are composed of bright white Nb-enriched MC carbides and gray M7C3 carbides enriched in Cr, respectively. The sizes of MC carbides are smaller than that of M7C3 carbides, and they present as massive carbides in the matrix and network carbides in the grain boundary.
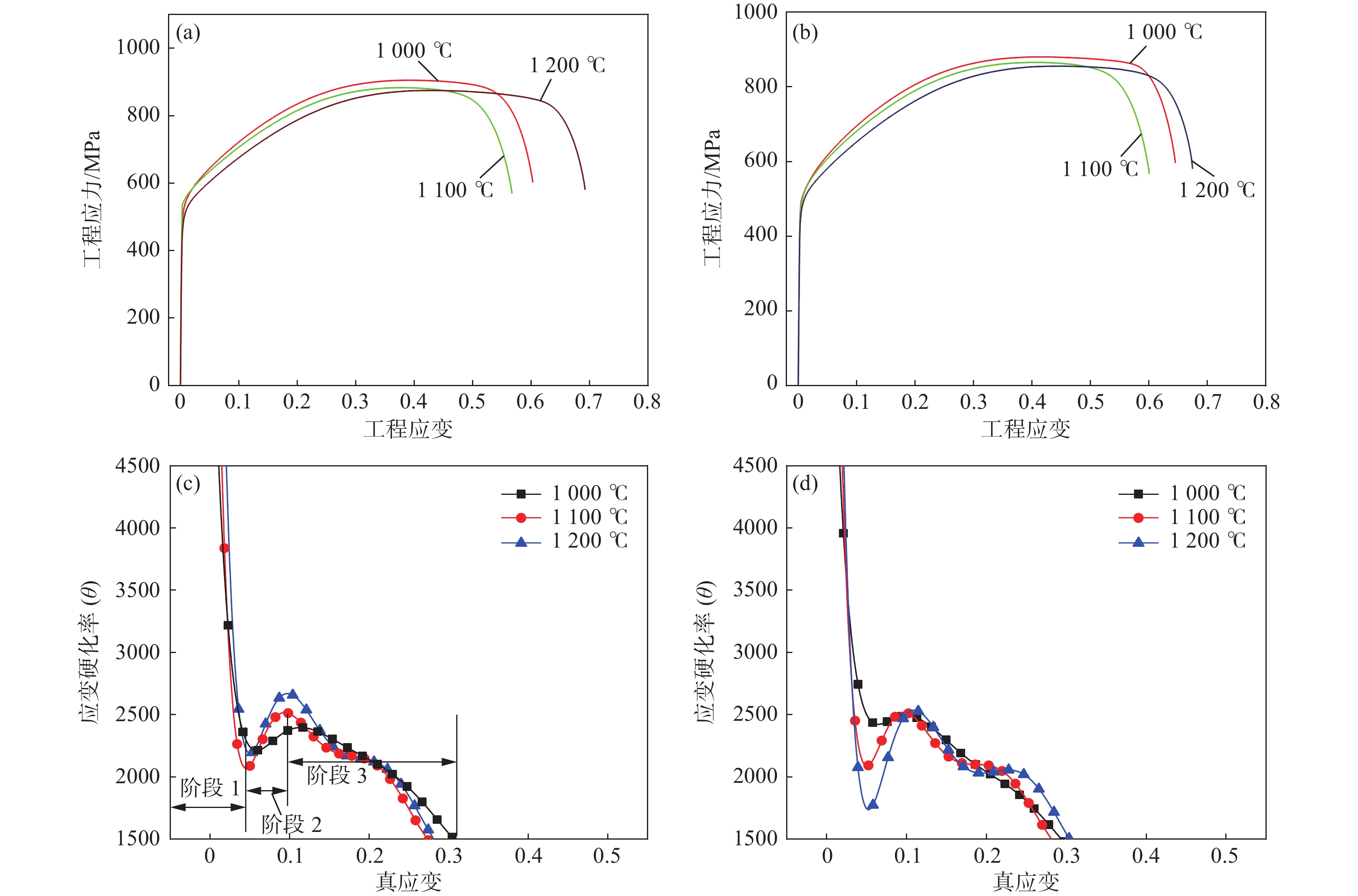
Study on the hot deformation behaviors of B50A789G blade steel
Yu Zhanyang, Xin Ruishan, He Yudong, Yao Bin, Wu Zhiwei, Zhao Jiqing, Li Xiaokai, Cao Chenxing
2024, 45(4): 198-204. doi: 10.7513/j.issn.1004-7638.2024.04.028
Abstract(263) HTML (128) PDF(13)
Abstract:
The isothermal hot compression test of B50A789G blade steel was conducted by Gleeble-3800 thermo-mechanical simulator in the strain rate range of 0.01-10 s−1 and the deformation temperature range of 950-1200 ℃. Based on Arrhenius hyperbolic sine equation, the constitutive equation was established.The hot processing map was constructed based on dynamic material model (DMM). The hot working window was determined on the basis of hot processing map and deformed microstructures.The results show that the optimum domain for hot forming of B50A789G blade steel is determined in the temperature ranges of 1000-1050 ℃ with strain rates of 0.01-10 s−1 and 1150-1200 ℃ with strain rates of 1-10 s−1, respectively. It is found that complete dynamic recrystallization occurs in this domain.In addition, the grain size distribution of original austenite is uniform and fine, which is conducive to the homogenization and refinement of the material microstructures. This study provides support for the industrial application of B50A789G blade steel.