2025 Vol. 46, No. 4

Separating and Extracting of Vanadium and Titanium
Efficient extraction metallurgy of vanadium slag: calcium-magnesium composite roasting vanadium extraction process
ZHANG Xu, XIANG Junyi, SHEN Biao, HE Wenyi, WEI Linsen, LÜ Xuewei
2025, 46(4): 1-7. doi: 10.7513/j.issn.1004-7638.2025.04.001
Abstract(575) HTML (205) PDF(57)
Abstract:
The calcification process is a relatively clean vanadium extraction technology from vanadium slag, but there is still room for further improvement in vanadium yield and product index. The calcium-magnesium composite vanadium extraction process originally developed by our team has achieved the effect of improving vanadium recovery rate, reducing impurity dissolution rate and tailings reduction through ion synergistic effect. In this paper, the comprehensive influence of calcium-magnesium composite on the whole process of vanadium extraction from vanadium slag is expounded. After calcium-magnesium composite roasting, the main vanadium-containing phases in the roasting clinker of vanadium slag are changed from Ca2V2O7 and Mn2V2O7 to Ca2V2O7, Mn2V2O7, Mg2V2O7 and Ca5Mg4V6O24. After acid leaching, the leaching rate of vanadium was increased by about 5%, and the dissolution rate of impurity elements such as Ca and P decreased. The vanadium precipitation rate of ammonium salt in vanadium leaching solution was 99.5%, and the purity of vanadium oxide product was 99.8%. The vanadium precipitation wastewater can be completely reused after lime neutralization treatment without affecting the smooth operation of the original process.
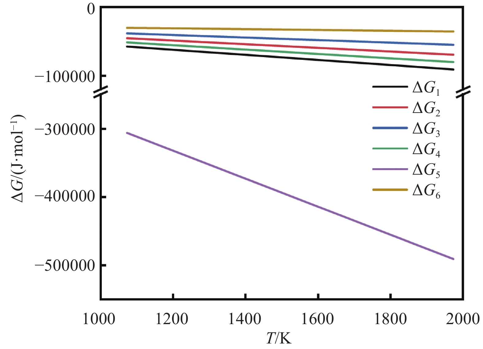
Study on the parameters of sodium roasting process of titanium slag from Chaoyang area
YAN Jiaqi, ZHAO Liang, DONG Hui, FENG Junsheng
2025, 46(4): 8-17. doi: 10.7513/j.issn.1004-7638.2025.04.002
Abstract(309) HTML (125) PDF(18)
Abstract:
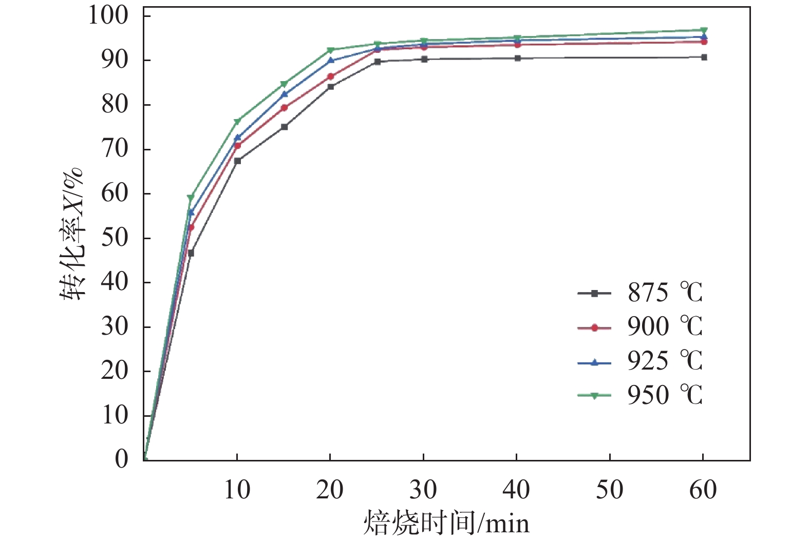
The paper used a sodium roasting process to improve the quality of titanium slag from Chaoyang area. The controlling steps of the process were analyzed and the activation energy of the reactions between molten sodium carbonate and titanium slag were calculated. The effects of process parameters such as roasting temperature, time, and alkali to slag ratio were also discussed. Kinetic analysis shows that the controlling step of the process is the internal diffusion of reactants through the solid product layer, with a reaction activation energy of 50.13 kJ/mol. The change in Gibbs free energy with temperature indicates that the reactions can occur mostly at temperatures above 900 °C, and the change in conversion rate over time indicates that the reactions are essentially completed after 1 hour. According to the analysis of the effects of various parameters on the roasting process, the optimal process parameters for both impurity removal and cost-effectiveness are determined to be roasting at 900 °C, a sodium carbonate to titanium slag mass ratio of 1.0, and a roasting time of 1.5 hours.
Study on selective separation of V, Mo, W from Ti in spent SCR denitrification catalyst
ZHANG Kailong, CHEN Liang, WANG Zhenghao, LUO Dongmei
2025, 46(4): 18-26. doi: 10.7513/j.issn.1004-7638.2025.04.003
Abstract(280) HTML (188) PDF(12)
Abstract:
Spent V-Ti based SCR denitrification catalyst is a hazardous waste containing valuable metals such as V, Mo, W and Ti. It is of great significance to realize its harmless treatment and resource utilization. This study adopted processes such as Na2CO3 roasting-water leaching, NaOH roasting-water leaching, NaOH atmospheric pressure leaching, and NaOH pressurized leaching to treat spent V2O5-MoO3-WO3/TiO2 quaternary SCR denitration catalyst respectively, achieving the selective separation of active components such as vanadium, molybdenum, and tungsten from titanium. By studying the influences of roasting parameters and leaching parameters on the leaching efficiencies of vanadium, molybdenum, and tungsten, as well as the phases of the leaching residues, the NaOH roasting-water leaching process was determined as the optimal treatment process for the spent V2O5-MoO3-WO3/TiO2 quaternary SCR denitration catalyst. Under the optimized conditions, after NaOH roasting-water leaching, the leaching efficiencies of V, Mo and W reached 97.29%, 99.33% and 87.57%, respectively, and the leaching residue with sodium hexatitanate (Na2Ti6O13) as the main phase was obtained.
Na2CO3-enhanced vacuum carbothermal reduction for titanium enrichment from ilmenite concentrate
ZHANG Shudong, SONG Bing, JIANG Yang, LI Bo, LONG Xianze, HUANG Run
2025, 46(4): 27-34. doi: 10.7513/j.issn.1004-7638.2025.04.004
Abstract(225) HTML (134) PDF(12)
Abstract:
Vanadium-titanium magnetite ore can yield a titanium concentrate with a TiO2 grade of 45%–50% through secondary beneficiation, where Ti predominantly exists in complex oxide phases associated with Fe, containing elevated levels of impurities such as Ca, Mg, and Al. To resolve the prevalent issues of low enrichment efficiency, excessive generation of polluting waste, and high energy consumption in conventional electric furnace smelting methods, this study integrates theoretical calculations with vacuum carbothermal reduction experiments to investigate the influence of Na2CO3 as an additive on the reduction behavior of titanium concentrate and titanium enrichment. Results demonstrate that under optimized conditions-reduction temperature of 1450 ºC, carbon dosage of 12%, and 10% Na2CO3 addition, the system significantly enhances the aggregation efficiency of impurities (Si, Mg, Al, Ca), promotes the reduction of FeTiO3, and facilitates the coarsening of metallic Fe particles. This methodology establishes an innovative technical approach for subsequent magnetic separation of Fe and hydrochloric acid leaching-based Ti enrichment processes.
Research on the rapid evaluation method of weather resistance of titanium dioxide based on photocurrent method
YUAN Haomin, ZHONG Shan, TANG Siyang, ZHOU Xuemei, LI Hongjiao, LU Feng, LIANG Bin
2025, 46(4): 35-42. doi: 10.7513/j.issn.1004-7638.2025.04.005
Abstract(303) HTML (220) PDF(10)
Abstract:
Titanium dioxide has relatively high photocatalytic activity, and it is usually necessary to carry out post-treatment to suppress the photocatalytic activity and improve the weather resistance ability. However, the evaluation of the effect of titanium dioxide photocatalytic activity on the weather resistance of the substrate usually takes a long time, and it is difficult to meet the need of rapid detection feedback to guide process adjustment in the actual production process. Based on the photocurrent test method and the carbon black undertone method, combined with the accelerated UV aging results of polypropylene (PP) resin and polyvinyl chloride (PVC) resin systems with addition of different titanium dioxide, the practicability of the photoelectric current testing method as a rapid evaluation means for the weather resistance of titanium dioxide in PP and PVC systems was verified. The results show that, taking the gloss retention rate (Gr) as the quantitative index of aging degree, the photocurrent and dispersion parameters can better quantitatively predict the weather resistance of different titanium dioxide in PP and PVC systems. This technology can provide guidance for the rapid evaluation methods development of weather resistance ability of titanium dioxide in different systems, and then provide support for the optimization of titanium dioxide production process.
Application of Vanadium and Titanium
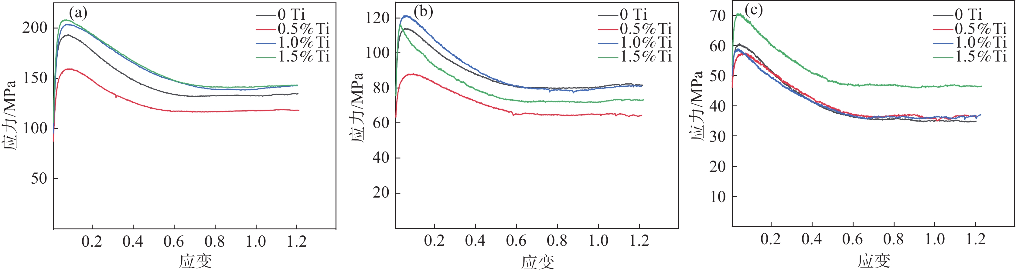
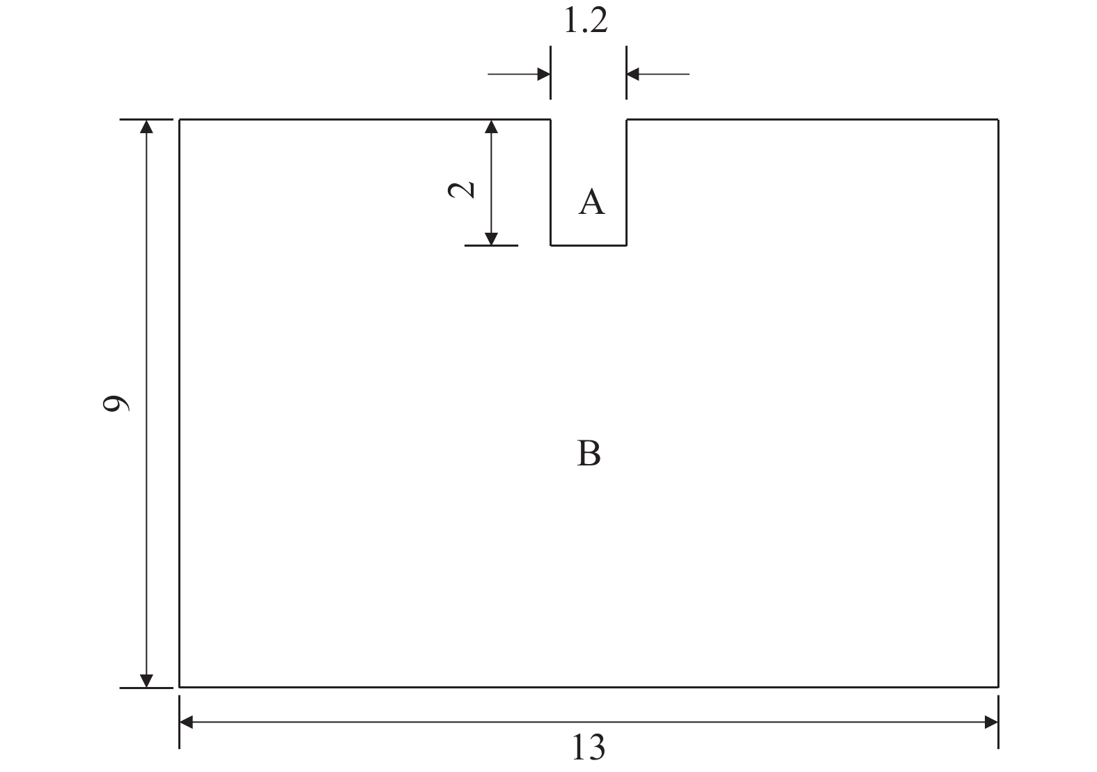
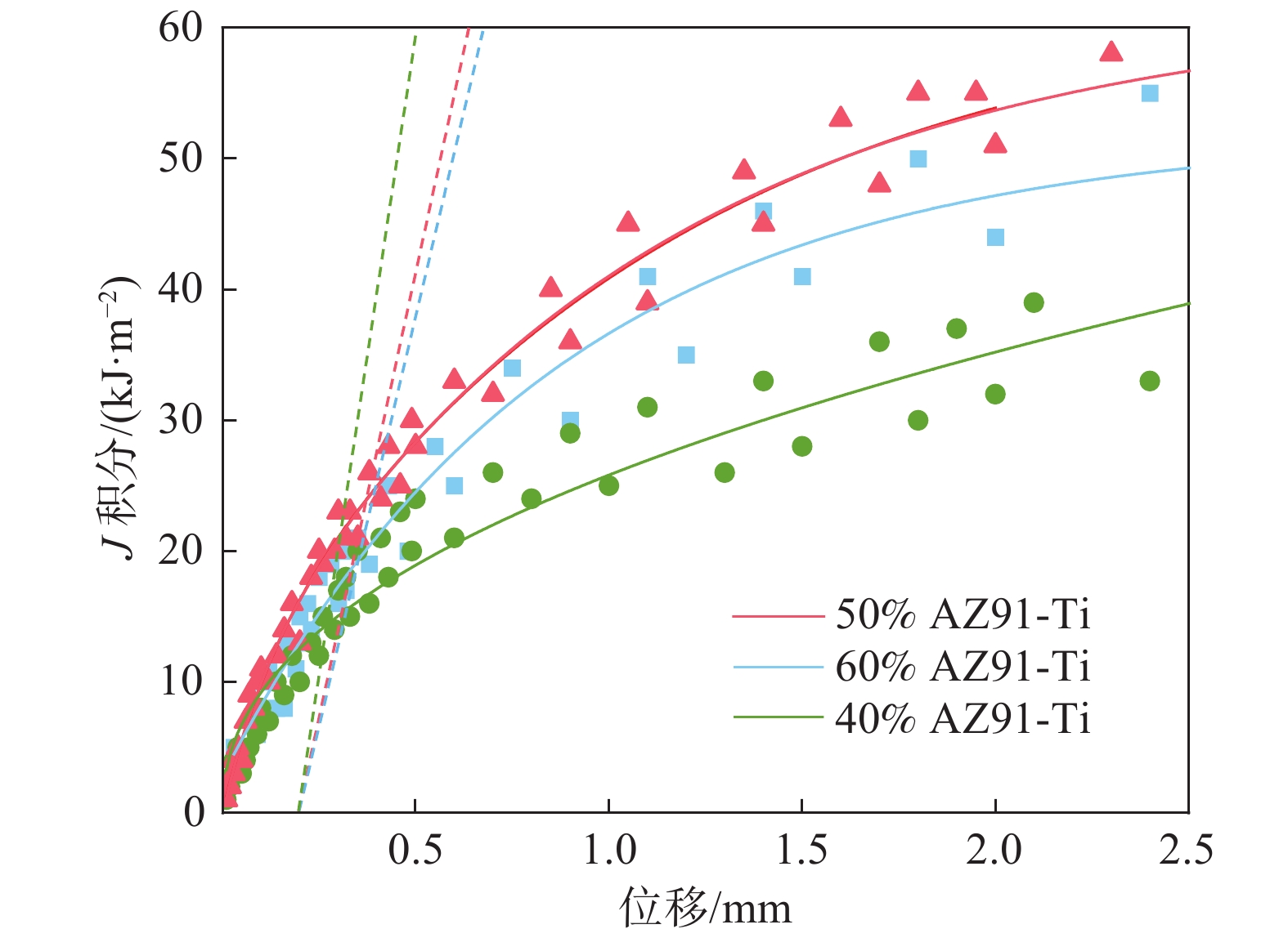
Study on microstructure and mechanical properties of bionic bone structure AZ91-Ti cross-composites
XIE Xiangzhong, CAI Weitong, GAO Pengfei, ZHANG Yuhui, HAN Shengli, ZHENG Kaihong, PAN Fusheng
2025, 46(4): 43-51, 79. doi: 10.7513/j.issn.1004-7638.2025.04.006
Abstract(397) HTML (104) PDF(26)
Abstract:
In this paper, AZ91-Ti cross composites with bionic bone structure were prepared by powder metallurgy combined with pressureless infiltration technology, which achieved the simultaneous improvement of strength and fracture toughness. Microscopic tests show that the Ti phase is continuously distributed and exhibits a specific bionic skeleton structure, and the Mg phase is interwoven into the connected pores of the Ti skeleton. The serrated Al2Ti phase is formed at the AZ91-Ti interface, which enhances the interfacial bonding strength. The mechanical tests show that the 50vol% AZ91-Ti cross-composite has the best mechanical properties. The yield strength, tensile strength and fracture toughness are 383 MPa±3.5 MPa, 489 MPa±4.9 MPa and 36.2 MPa·m0.5, respectively. The improvement of the strength of the composite is due to the load effect of the high bionic Ti skeleton and the excellent interface bonding. The toughening behavior of the composites comes from the crack winding caused by the Ti skeleton bionic structure and the energy dissipation of the Ti phase extraction.
Microstructure tailoring and fatigue crack resistance in precipitation-strengthened TB9 titanium alloy
ZHANG Zhao, TENG Aijun, DONG Entao, MA Zhiwei, WANG Jiale, YUAN Zikai, GUO Jie, FANG Qiang
2025, 46(4): 52-58. doi: 10.7513/j.issn.1004-7638.2025.04.007
Abstract(238) HTML (134) PDF(13)
Abstract:
The effect of microstructure on mechanical properties in TB9 (Ti-3Al-8V-6Cr-4Mo-4Zr) titanium alloy subject to different heat-treatment processes had been investigated. The results show when the solid solution temperature increases from 800 ℃to 810 ℃, and β grain size in the obtained alloyed after complete heat treatment slightly increases, while tensile strength decreases significantly. When the solid solution process remains same, the occurrence of precipitates free zones can be observed within β grain after aging at 500 ℃ for 8 h. The distribution of α precipitates becomes homogeneous with prolonged aging time, and there is a peak-value of tensile strength at aging temperature of 500 ℃ for 16 h. Based on the microstructure observations, both heat treatment processes of 800 ℃-0.5 h, AC+500 ℃-16 h, AC and 810 ℃-0.5 h, AC+520 ℃-8 h, generate comparable microstructures, while the former process can achieve superior tensile and fatigue properties. Although roughness-induced crack closure effect is main fatigue crack resistance behavior in both alloys after different heat treatment processed, fatigue data normalized by tensile strength verifies that the size and distribution of α precipitates impact mechanical properties significantly.
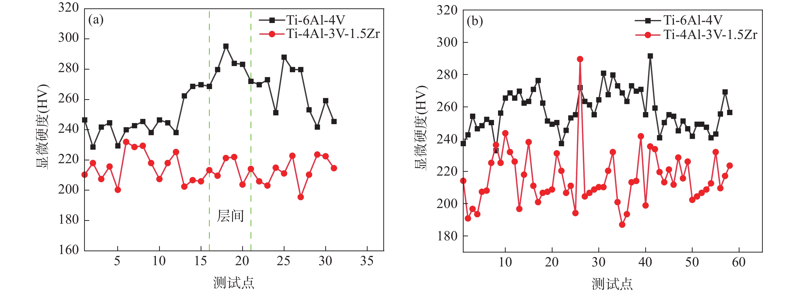
Research on the microstructure and properties of titanium alloy weld metal by laser-arc hybrid welding with different filler wires
ZOU Shengguang, HE Mingtao, WANG Dafeng, JIANG Tong, ZHOU Honggang, ZHANG Wenzhi, HE Yifan
2025, 46(4): 59-65. doi: 10.7513/j.issn.1004-7638.2025.04.008
Abstract(275) HTML (117) PDF(9)
Abstract:
To elucidate the evolution mechanism of the microstructure and properties of the titanium alloy during the welding process, deposited metal was prepared by oscillating laser-MIG hybrid welding with Ti-6Al-4V and Ti-4Al-3V-1.5Zr welding wires. Titanium alloy welding metal was characterized by X-ray detection, OM, SEM and EBSD to examine defects, tissue, phase composition, grain size, and fracture morphology. The tensile testing machine, impact testing machine and Vickers hardness instrument were employed to evaluate the strength, impact force, and hardness of the deposited metal. The results indicate that there are no obvious pores and cracks in the oscillating laser-arc hybrid welding titanium alloy. The deposited metal from Ti-6Al-4V wire consists of needle-like α phase and mesh-like β phase, with fine crystal grains averaging approximately 7.96 µm in size. The hardness (HV0.2), tensile strength, and impact absorption energy were measured at 257, 1057 MPa and 41.7 J, respectively. In contract, the deposited metal from Ti-4Al-3V-1.5Zr wire is primarily composed of lamellar α phase, with larger grains averaging 8.96 µm. And this deposited metal exhibits lower hardness and tensile strength but relatively higher impact absorption energy of 49.6 J. These differences are attributed to the melting process of oscillating laser welding, the second-phase enhancement and grain refinement induced by vanadium Ti-6Al-4V.
Research on formation and properties of adjustable-ring mode (ARM) laser scanning welding of TA1 titanium alloy thin sheet
LIU Ke, YU Tengyi, YANG Peiqing, LI Geng, ZHANG Shuai, GAO Ming
2025, 46(4): 66-73. doi: 10.7513/j.issn.1004-7638.2025.04.009
Abstract(286) HTML (260) PDF(9)
Abstract:
A new welding method using adjustable-ring mode (ARM) scanning laser was employed to weld 0.5 mm thick TA1 titanium alloy thin sheets. Effects of process parameters on weld formation, microstructure and mechanical properties were studied. A single factor method was adopted in the experiment. One parameter was changed at a time, while other parameters remained unchanged. The values of the process parameters were as follows: the central power Pz=800 W, the ring power Pw=1200 W, the welding speed v=100 mm/s, and the scanning frequency F=300 Hz. When the parameters were changed, the variation ranges are distributed as: the central power Pz=200~800 W, the ring power Pw=1200~1800 W, the welding speed v=40~100 mm/s, and the scanning frequency F=100~400 Hz. The results show that compared with non-scanning laser welding, the ARM scanning laser leads to broader bead width and larger penetration, which is highly suitable for thin sheet welding. Compared with conventional scanning laser welding, the ARM scanning laser not only leads to larger bead width and depth, but also produces smoother bead formation and prettier weld appearance, with smaller stress concentration due to lower weld reinforcement. The microstructure of the ARM scanning laser weld metal consists of α phase. The influence of the central power and outer ring power of the ARM laser have insignificant effects on the microstructure, tensile strength and elongation. The tensile strength of the welded joints reaches 95%~96% of the base metal, while the extensibility achieves 54%~60% of the base metal.
Study on the microstructure and properties of the swing laser-MIG composite welding joint of TC4B titanium alloy
JIANG Tong, WANG Dafeng, ZOU Shengguang, ZHANG Wenzhi, ZHANG Long, HE Yifan
2025, 46(4): 74-79. doi: 10.7513/j.issn.1004-7638.2025.04.010
Abstract(280) HTML (140) PDF(9)
Abstract:
The microstructure of the welded joints was studied for the 20 mm thick TC4B titanium alloy plate welded by the swing laser-MIG hybrid welding. The effects of swing on the tensile strength and impact properties of the welded joints were compared and the fatigue properties of the welded joints were analyzed. The results show that the thermal influence of welding is divided into the coarse-grained and fine-grained regions. The high-temperature area of the coarse-grained region has a long residence time, the α phase can be completely transformed into the high-temperature β phase, the β phase transform into the α' phase at the beginning of cooling, forming a martensitic structure; the heating temperature of the fine-grained region is not high enough to completely transform the α phase into the high-temperature β phase, and the transition from the β phase to the α' phase at the beginning of cooling is incomplete, resulting the formation of α and α' phases. The tensile strength of the swing welded joint is 985 MPa, and the impact energy is 42.6 J. The ultimate fatigue strength of the swing welded joint is 464 MPa, and the fatigue cracks originate from internal pores, and the fatigue crack propagation zone is mainly ductile fatigue cracks, and a large number of dimples appear in the instantaneous fracture zone.
Resources Environment and Energy Saving
Preparation and properties study of ternary composite admixture consisting of silica fume, yellow phosphorus slag, and high titanium blast furnace slag
SU Dagang, LU Li, LONG Zhaoyong, ZHOU Xiaojun, ZHOU Xianliang, AO Jinqing
2025, 46(4): 80-87. doi: 10.7513/j.issn.1004-7638.2025.04.011
Abstract(409) HTML (184) PDF(15)
Abstract:
The low reactivity of high titanium blast furnace slag is one of the main factors limiting its application as a sole admixture in concrete. To address this issue, a ternary composite admixture consisting of silica fume, yellow phosphorus slag, and high titanium blast furnace slag was prepared, and its effects on the flow ratio and activity index of cement mortar were investigated. Combined with microscopic testing methods such as XRD and SEM-EDS, the influence mechanism of different admixtures on the performance of cement mortar was analyzed. The results indicate that the incorporation of silica fume and yellow phosphorus slag leads to a decrease in the flow ratio of cement mortar, with the silica fume having a greater impact than the yellow phosphorus slag. The activity index of the ternary composite admixture is significantly improved compared to when high titanium blast furnace slag is used alone as an admixture. The optimal activity indices at 7 days and 28 days of curing are achieved when the ratio of high-titanium blast furnace slag: silica fume: yellow phosphorus slag is 5:2:3, reaching 76.9% and 100.2%, respectively, which meets the requirements for the activity index of Grade II admixtures. Microscopic testing reveals that the incorporation of silica fume and yellow phosphorus slag consumes flaky Ca(OH)2, generating more flocculent colloidal C-S(A)-H and needle-like AFt hydrates, which form an interlaced and dense network structure, thereby enhancing the strength of cement mortar.
Study on the selective separation of gallium and iron from vanadium converter sludge
JIANG Yang, QIN Zhifeng, WANG Kui, YANG Zhen, LIU Juan
2025, 46(4): 88-94, 165. doi: 10.7513/j.issn.1004-7638.2025.04.012
Abstract(231) HTML (115) PDF(18)
Abstract:
In this study, the leaching test of gallium from the vanadium extraction converter sludge in the smelting process was conducted using the acid leaching method. The occurrence state of gallium in the vanadium extraction converter sludge and the influence of various factors on the leaching rate of gallium were investigated, including acid concentration, liquid-solid ratio, reaction temperature, reaction time and stirring rate, etc. The results showed that gallium ions were mainly present in the lattice of iron oxide. Hydrochloric acid could be used as an effective leaching agent to break the lattice of iron oxide. Under a specific condition with the hydrochloric acid concentration of 5 mol/L, the reaction time of 1 h, the reaction temperature of 60 °C, and the liquid-solid ratio of 5:1, the leaching rate of gallium was 90%. The difference in pH values of elements can effectively separate gallium and iron, and thereby obtain a gallium-rich material. The gallium enrichment in the gallium-rich material was 24 times as high as the vanadium extraction converter sludge. This research result is expected to provide technical support for the extraction of high-value-added key metals from vanadium-titanium magnetite.
Study on modification of vanadium-titanium tailings and preparation of tailings-based cementing materials
LI Cui, CHEN Tao, ZHANG Jun, LUO Shaochen, ZHANG Xiao, HU Lili
2025, 46(4): 95-102. doi: 10.7513/j.issn.1004-7638.2025.04.013
Abstract(259) HTML (175) PDF(15)
Abstract:
This study utilized vanadium-titanium tailings from the Panxi region as raw materials, aiming to activate their potential cementitious activity through physical and composite chemical modification techniques, thereby preparing vanadium-titanium tailings-based cementitious materials. By analyzing the micro-properties of the prepared materials, the hydration products and the evolution of microstructures within the cementitious material system were explored. The research results indicate that after treatment with mechanical activation and composite chemical modification, the 28-day activity index of the vanadium-titanium tailings significantly increases from the original 60% to 84%. When the composition is 45% vanadium-titanium tailings, 20% titanium slag, 5% calcium material, 15% sulfur material, and 15% cement clinker, the prepared vanadium-titanium tailings-based cementitious material exhibits good mechanical properties with a 28-day compressive strength of 33.1 MPa, which is comparable to that of 32.5-grade cement. This indicates that the material has potential application prospects in non-structural engineering field.
Research progress of CO2 chemical conversion technology under the dual-carbon target
LI Hanfei, LIU Fang, AN Ning, SUN Zhongqi, CHEN Peng, WANG Fei
2025, 46(4): 103-110. doi: 10.7513/j.issn.1004-7638.2025.04.014
Abstract(307) HTML (120) PDF(8)
Abstract:
To address the severe challenges presented by global climate change, China has explicitly proposed the strategic goal of achieving carbon peaking and carbon neutrality. Developing suitable CO2 utilization technology is the key to achieve the so-called Dual Carbon Goals. Converting CO2 into valuable products and resources through such technologies not only enables the reduction of carbon emissions but also generates economic benefits. Based on the strategic demands of the Dual Carbon Goals as well as the developmental trends and significance of CO2 utilization technologies, this review focuses on the research progress in CO2 chemical conversion technologies in China. It systematically describes the current status of three major technical pathways—photocatalytic, electrocatalytic, and thermocatalytic reduction—while discussing the challenges faced by these technologies and corresponding potential solutions. Finally, recommendations are proposed for the future development of CO2 chemical conversion technologies in China.
Ferrous Metallurgy and Materials
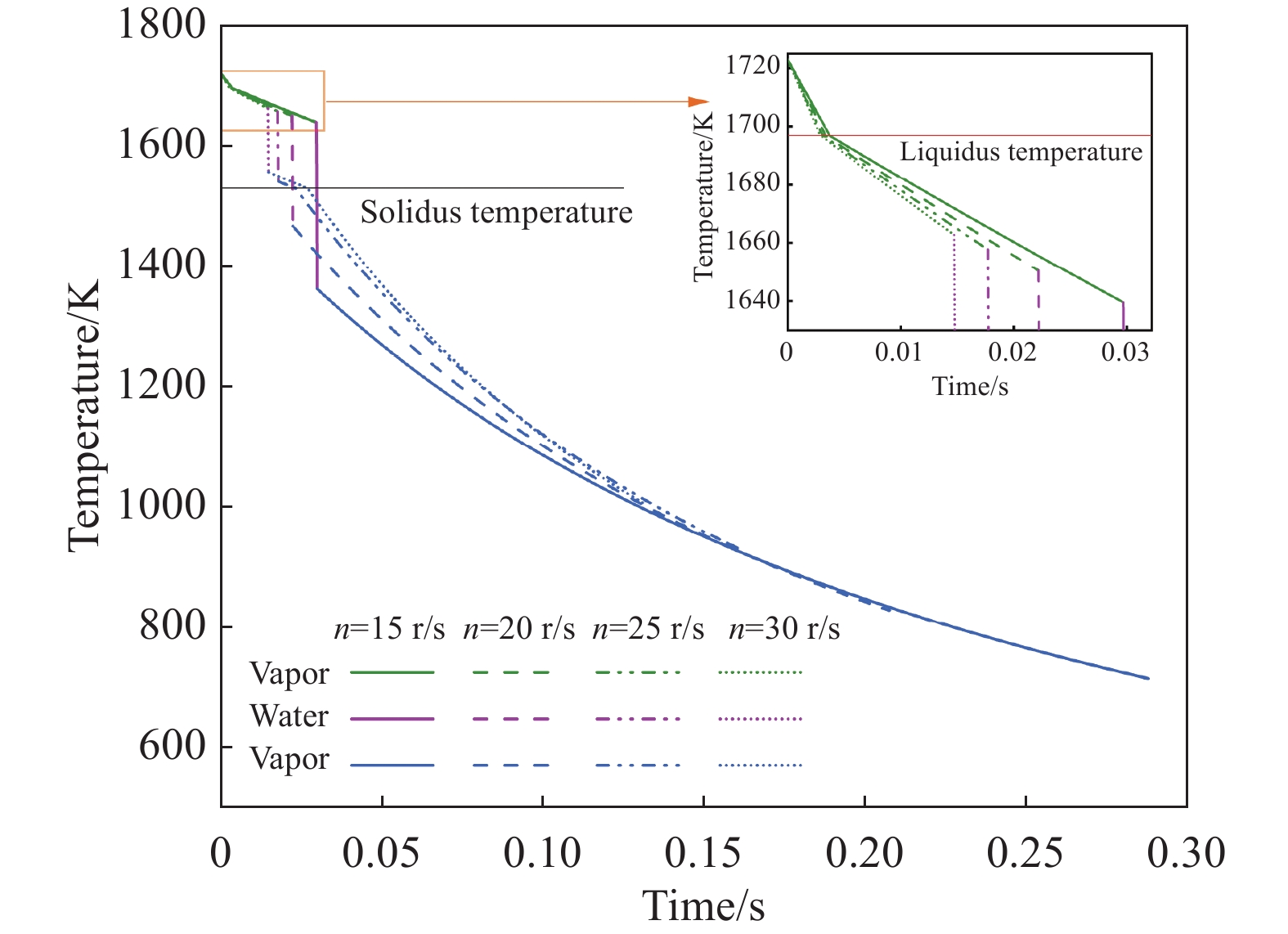
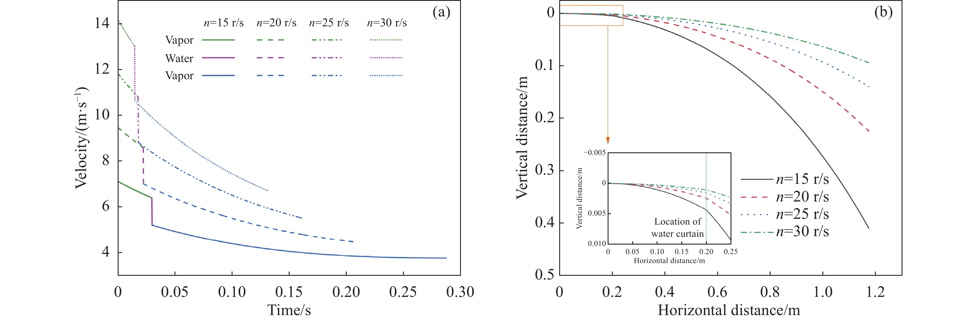
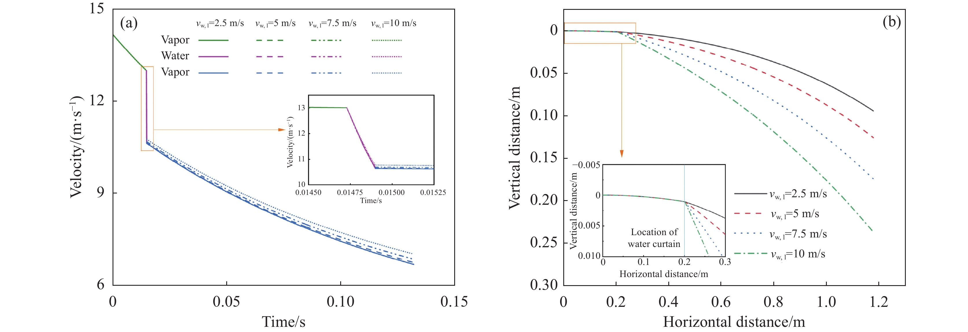
Study on the motion and heat transfer behavior of semi-steel droplet during centrifugal granulation-water curtain cooling process
HE Wenchao, LIU Zenghao, LÜ Xuewei
2025, 46(4): 111-118. doi: 10.7513/j.issn.1004-7638.2025.04.015
Abstract(329) HTML (133) PDF(15)
Abstract:
During the centrifugal granulation-water curtain cooling process, the sequential heat exchange occurs between the molten semi-steel droplet and vapor, followed by their interaction with the water curtain and vapor. Studying the motion and heat transfer behavior of these droplets is crucial for the design of granulation equipment and water curtain processes. A flight dynamics model and a heat transfer model were established to analyze the effects of rotary speed, droplet size, water curtain velocity, and water curtain thickness on droplet trajectory and temperature through simulation calculations. The results indicate that the vertical distance of the droplet upon reaching the sidewall of the device decreases with increasing cup rotation speed, droplet size, and decreasing water curtain flow rate and thickness. Among them, the rotary speed has a greater impact on the flight trajectory of the droplets. When the rotation speed increases from 15 r/s to 30 r/s, the vertical flight distance of the droplet decreases from 0.410 m to 0.094 m. Additionally, the temperature of the droplet upon reaching the sidewall of the device increases with increasing cup rotation speed, droplet size, and decreasing water curtain velocity and thickness. When the water curtain thickness increases from 1 mm to 4 mm, the droplet temperature decreases from 1127.41 K to 796.29 K.
Analysis of slag sticking layer and research on sticking mechanism of RH insertion tube
LI Fushen, ZHANG Min, YANG Peng, LIANG Xiaoping, BAI Xuxu, WANG Yu, WANG Tengfei
2025, 46(4): 119-126. doi: 10.7513/j.issn.1004-7638.2025.04.016
Abstract(235) HTML (149) PDF(7)
Abstract:
In order to address the problem of slag sticking on RH insertion tube during the RH refining process of heavy rail steel, on-site sampling was carried out for the adhered substances on the surface of the RH insertion tube, and the chemical composition and phase composition characteristics were analyzed. The mechanism of slag sticking on the RH insertion tube during the refining process of heavy rail steel was explored by combining with the interaction between the outer layer castable of the RH insertion tube and the slag, as well as thermodynamic analysis of the slag condensation and precipitation. The study shows that the adhered substances on the surface of the RH insertion tube are mainly composed of Al2O3, CaO, SiO2 and MgO, and the formation of high-melting-point phases such as magnesium-aluminum spinel (MgO·Al2O3), magnesium-olivine (2MgO·SiO2), and calcium aluminum-silicate (2CaO·Al2O3·SiO2) is an important reason for the slag adhesion on the insertion tube. The slagging mechanism of the insertion tube can be described as follows: during the use of the insertion tube, due to the alternating temperature changes, the “viscous adhesion” and “precipitation adhesion” continuously occur on the surface of the slag, which makes the insertion tube slag layer thicken and difficult to fall off by itself, leading to the severe slagging of the RH insertion tube.
Analysis of the growth process of crystallized slag rim in 430 stainless steel mold flux
WANG Xingjuan, SONG Yuanlong, ZHU Liguang, ZHANG Jianyu, SI Xulin, ZHENG Xuelong
2025, 46(4): 127-134. doi: 10.7513/j.issn.1004-7638.2025.04.017
Abstract(181) HTML (145) PDF(7)
Abstract:
A certain steel plant using imported mold flux for 430 stainless steel often results in excessively large slag rims that affect the quality of the cast slab. To clarify the reasons for the enlargement of the slag rings, this study employed a slab mold slag film heat flux simulator to create a crystallized slag rim for ultra-low carbon protection slag at 1450 °C. SEM microstructural analysis was used to explore the growth process of the slag rim. Additionally, thermodynamic simulations using Factsage were conducted and compared with XRD experimental results. The findings revealed that high-melting-point phases dicalcium silicate, wollastonite, feldspar, and gunite preferentially crystallized and condensed on the mold wall, forming the initial crystallized slag rim (35%). Subsequently, lower-melting-point combeite adhered to this layer (20%). Lastly, cuspidine containing minor nepheline gradually deposited on the existing slag rim (45%).Through the analysis of this process, the study elucidated the formation mechanism of the crystallized slag rims in 430 stainless steel mold flux, providing a theoretical basis for controlling the slag rims growth.
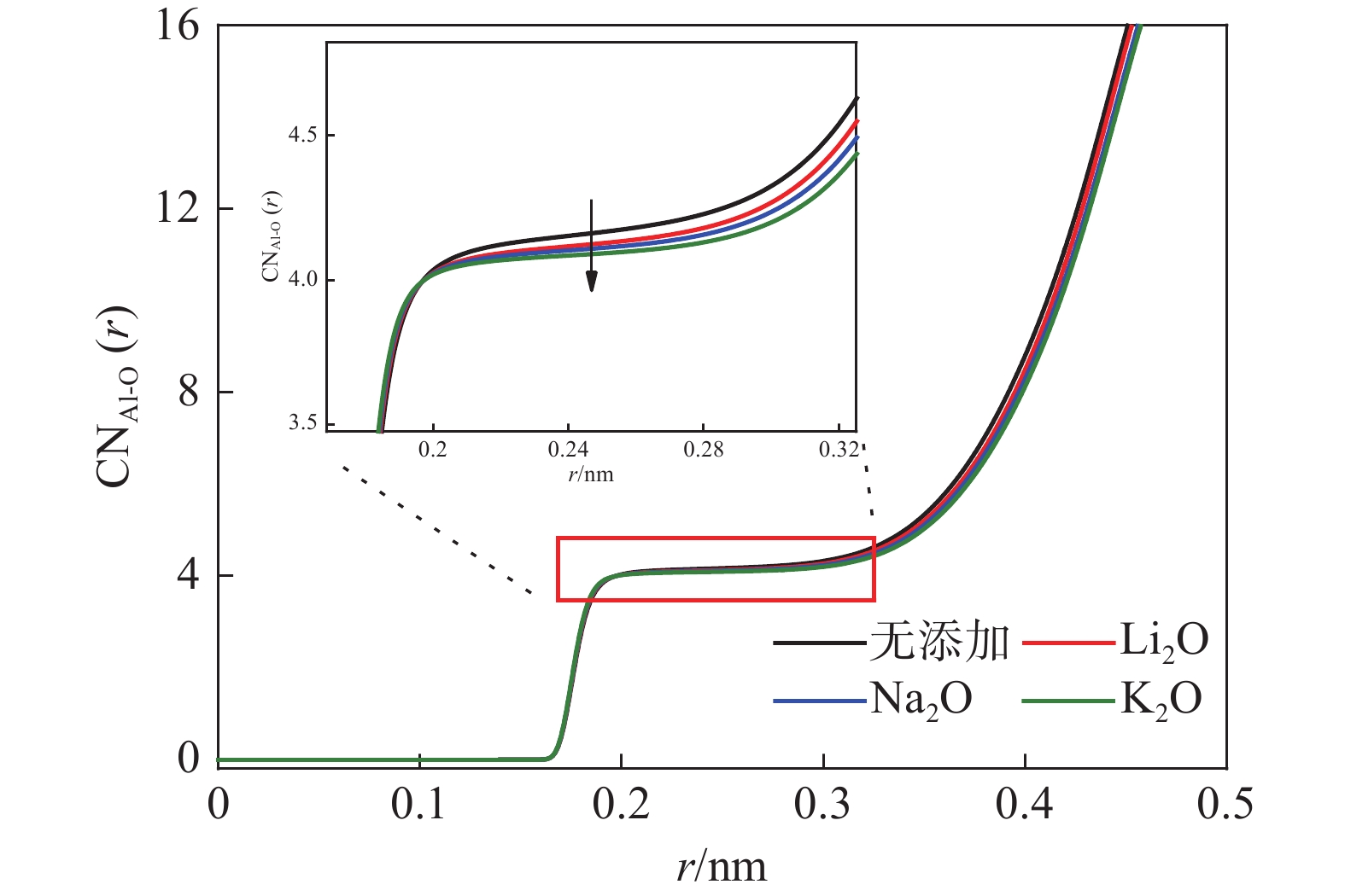
Influence of alkali metal oxides on the melt structure and viscosity properties of CaO-Al2O3 based mold flux
ZHANG Xiaobo, TIAN Yong, LIU Chengjun
2025, 46(4): 135-141. doi: 10.7513/j.issn.1004-7638.2025.04.018
Abstract(263) HTML (124) PDF(7)
Abstract:
Low reactivity CaO-Al2O3 based mold flux can significantly reduce the intensity of slag-steel reaction in the continuous casting process of high-alumina steel. But the viscosity of this kind of mold flux is larger and the crystallization performance is stronger, which is easy to produce larger slag rims at the mold meniscus and cause casting defects. In this paper, the molecular dynamics simulation method combined with viscosity test experiment was used to analyze the similarities and differences of the effects of Li2O, Na2O and K2O, which are alkali metal oxides, on the melt structure and viscosity properties of CaO-Al2O3 based mold flux. The results show that the charge compensation of [AlO4]5− tetrahedra by alkali metal oxides follows the order of Li2O<Na2O<K2O, and the depolymerization ability of aluminate network structure follows the order of Li2O>Na2O>K2O.
Study on the effects of high-frequency induction heated sintering and hot isostatic pressing sintering on microstructure and properties of powder metallurgy high-speed steel
WEN Jiaxin, SHI Qi, ZHOU Ge, CHEN Lijia, LIU Xin, YIN Fuxing, LIANG Shenglong, WANG Xuelin, SHANG Chengjia
2025, 46(4): 142-149. doi: 10.7513/j.issn.1004-7638.2025.04.019
Abstract(232) HTML (119) PDF(7)
Abstract:
The effects of high frequency induction heated sintering (HFIHS) and hot isostatic pressing (HIP) processes on the densification, microstructure and mechanical properties of prepared powder metallurgy high speed steel (PM-HSS) were studied. The results show that the HFIHS process can be used to prepare PM-HSS with a density of nearly 95% under short-time and low-pressure conditions, which is slightly lower than that prepared by HIP. In terms of microstructure, the PM-HSS produced by these two processes show significant differences: The sample prepared by HFIHS is composed of ferrite matrix and a large number of reticular carbides, while the other produced by HIP is composed of ferrite matrix and a large number of homogenously distributed strip carbides. Although the micro-hardness, yield strength, tensile strength and elongation of the high speed steel sintered by HFIHS process were lower than those of the HIPed sample, the performance is still similar. This finding indicates that the HFIHS process can be used to prepare PM-HSS products with excellent performance in a short time and at low cost, thus it is especially suitable for industrial fields with high requirements for cost and production cycle.
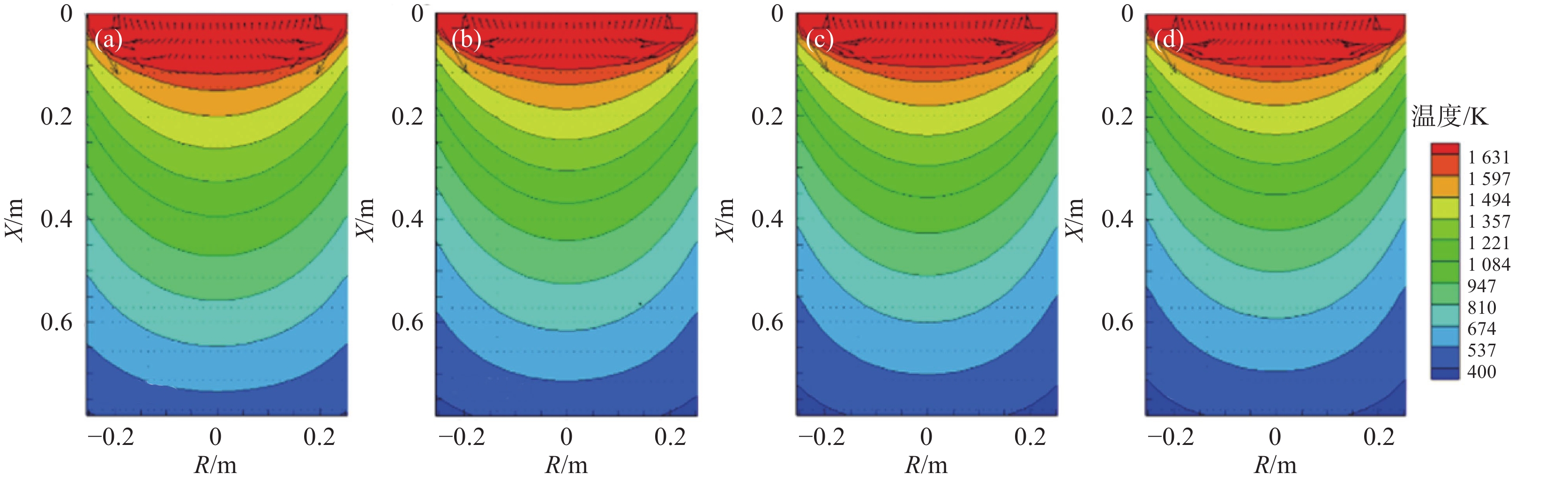
Numerical simulation of vacuum arc remelting process of nickel base superalloy
TANG Pingmei, JIANG Shichuan, XIA Changlin, ZHOU Yang, WANG Rui, LIU ying
2025, 46(4): 150-159. doi: 10.7513/j.issn.1004-7638.2025.04.020
Abstract(222) HTML (173) PDF(11)
Abstract:
In this paper, the numerical simulation on vacuum arc remelting process of nickel base superalloy with respect to electromagnetic distribution, flow and heat transfer behavior of molten pool, as well as the morphology and size at different stages of the vacuum arc remelting process had been carried out by using a Meltflow-VAR software. Moreover, the formation tendency and reasons for the freckle defects throughout the smelting process had been investigated. At the same time, the influence of helium pressure on the flow and heat transfer behavior of molten pool, the morphology and size of molten pool, and the freckle formation was studied. The results show that the potential is mainly located in the center of the surface of the ingot, while the magnetic induction intensity is mainly located at the edge of the surface of the ingot, as well as the flow of the molten pool is mainly driven by thermal buoyancy. In addition, the electric field strength, current density, Lorentz force as well as the size and flow intensity of the molten pool that distributed on the surface and inside of the ingot, gradually increase at the ignition process of vacuum arc, and remain stable during the steady-state stage, then gradually decrease during the hot tap stage. During the entire smelting process, the freckle defect easily forms near the top of the hot seal on the upper part of the ingot because the cooling effect of the bottom plate of the crystallizer is weak, the helium pressure at the top of the hot seal decreases and the holding time at low melting rates is long as the ingot grows in the longitudinal direction. Increasing helium pressure can reduce the size of the molten pool and alleviate ingot segregation, but the effect of improving ingot segregation defects will gradually become less significant as continuously increasing helium pressure. Finally, the comparison of molten pool depth observed by experimental dissection and simulation is conducted, which verifies the rationality of the established mathematical model.
Effect of Ti on the solidification structure and thermal deformation properties of 304B7
ZHANG Silong, YANG Lilin, ZHANG Wenduan, ZHAO Liping
2025, 46(4): 160-165. doi: 10.7513/j.issn.1004-7638.2025.04.021
Abstract(197) HTML (167) PDF(11)
Abstract:
The 304B7 stainless steel was taken as the research object, and different contents of Ti element were added to cast the test steels. The hot compression test was conducted on the test steel using a thermal simulator to simulate the hot rolling process. Optical microscope, X-ray diffractometer, scanning electron microscope, and electron probe were used to analyze the phase composition and microstructure of the as cast and hot compressed test steel. The results indicate that there are a large number of continuous network-like eutectic borides in the as cast test steel. With the addition of Ti, some borides transform from elongated (Fe,Cr)2B to granular TiB2. After hot compression, the austenite grains of the test steel are elongated along the compression direction, and the borides are broken from long strips into short rod-shaped shapes. The higher the hot compression temperature, the lower the deformation resistance of the test steel. The peak flow stress of the test steel containing 0.5% Ti is the relatively smallest during hot compression, indicating better hot workability.
Influence of niobium precipitates on the hydrogen-induced cracking resistance of X80 pipeline steel
REN Zhenyu, SONG Bo, XU Guofang, CHENG Wensen
2025, 46(4): 166-173. doi: 10.7513/j.issn.1004-7638.2025.04.022
Abstract(229) HTML (176) PDF(7)
Abstract:
The effects of Nb content on the precipitated phase characteristics, hydrogen diffusion behavior and hydrogen-induced crack resistance (HIC) performance in X80 pipeline steel were studied. The results show that with the increase of Nb content in steel, the number of nanoscale precipitated phases in steel increases from 87 in Nb1 steel with niobium 0.04wt% to 506 in Nb3 steel with niobium 0.12wt%, and the proportion of NbC in steel increases from 64.82% to 98.22% under the same statistical area. The diffusion coefficient of hydrogen atoms in steel decreases from 1.63×10−6 cm2/s in Nb1 steel to 9.35×10−7 cm2/s in Nb3 steel. The propagation mode of cracks in steel has changed from the mixing of grain along and through grain in Nb1 steel to the main penetration in Nb2 and Nb3 steels. Nanoscale NbC particles can be used as hydrogen traps to fix diffusible hydrogen atoms in steel, then reduce the aggregation of hydrogen atoms and the initiation of hydrogen-induced cracks in steel. The experimental result indicates that 0.12wt%Nb steel achieves the best resistance to HIC.
The influence of second-phase particles on austenite grain growth behavior in Nb-Ti microalloyed steel
HUANG Jian, XU Haijian, PANG Zongxu, ZHANG Jianping, WANG Yong, LI Tianyi
2025, 46(4): 174-181. doi: 10.7513/j.issn.1004-7638.2025.04.023
Abstract(237) HTML (158) PDF(8)
Abstract:
The heat treatment experiments were conducted on Nb-Ti microalloyed steel at 1050-1250 ℃ for 5-240 minutes to study the austenite grain growth behaviour. Thermo-calc and TEM were used to analyze the precipitation particles under different heating processes, and the grain growth mode was predicted using the HUMPHREYS' theory. The results showed that as the austenitization temperature increased, the mass ratio of Nb/Ti in the NbC particles gradually decreased. The grain size was small and uniform when the temperature was kept at 1050-1100 ℃ for 1 hour. As the temperature increased to 1150 ℃, abnormal grain growth occurred. When heated at 1250 ℃, the grain size coarsened significantly. The actual grain growth mode under each process was the same as predicted by the HUMPHREYS' model. Considering the austenite grain size and the dissolution and precipitation patterns of microalloyed elements during the heating process, the optimal heating temperature for the experimental steel is around 1200 ℃.
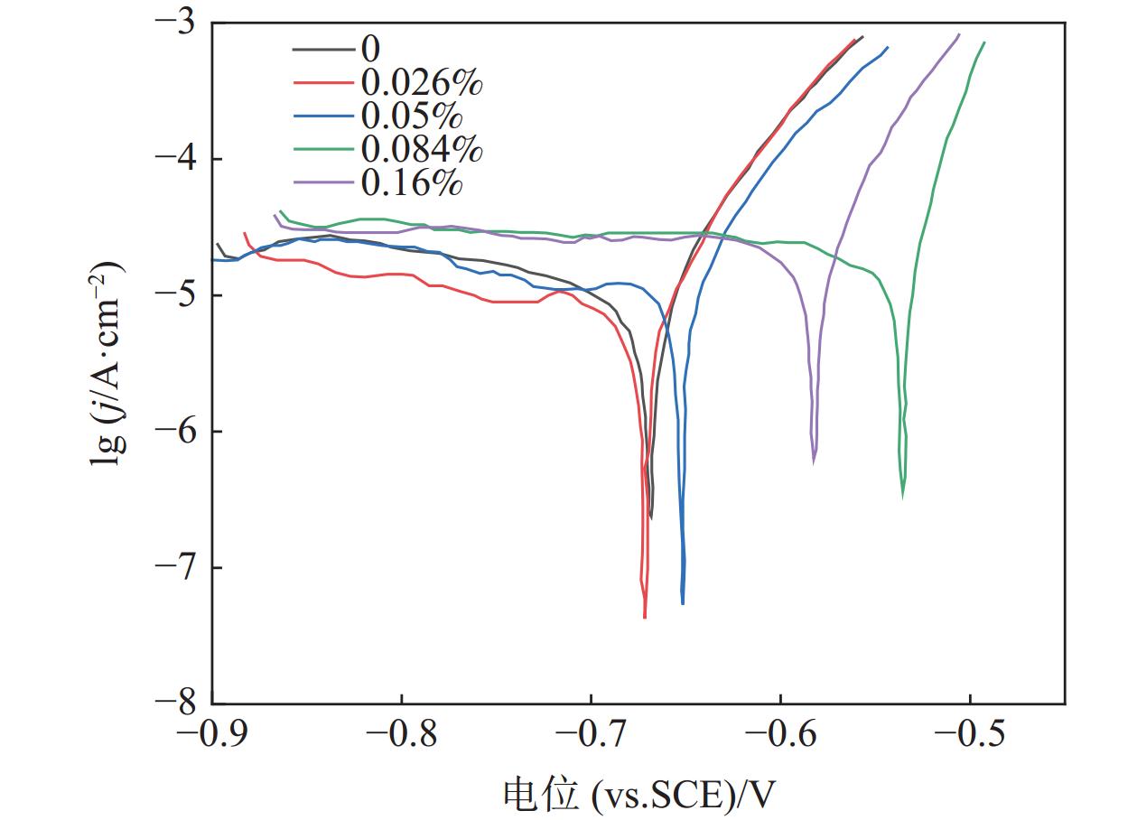
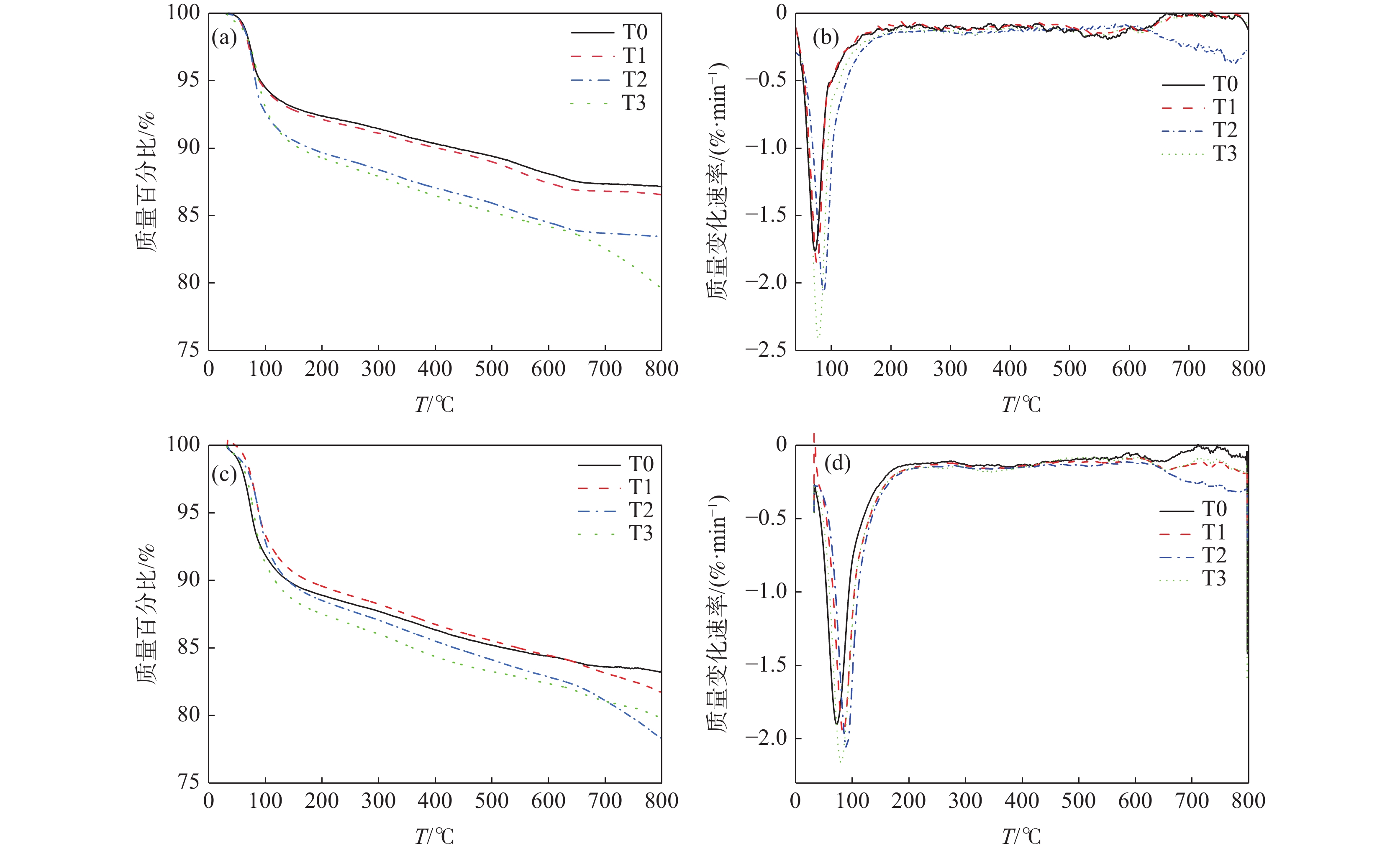
Effect of tellurium on sulfide modification and corrosion resistance of 38MnVS non-tempered steel
ZHOU Qunxiang, XU Ruijun, WU Wenbo, ZENG Fanzheng, LI Jie, XU Xiangyu, FU Jianxun
2025, 46(4): 182-189, 196. doi: 10.7513/j.issn.1004-7638.2025.04.024
Abstract(230) HTML (166) PDF(5)
Abstract:
A three-electrode electrochemical test was carried out to investigate the effect of tellurium addition on the corrosion of un-tempered steel, and the sulfide in steel was characterized by scanning electron microscopy (SEM) and electron probe (EDS), and the electrochemical corrosion test results were interpreted. The results show that with the increase of tellurium content, the self-corrosion potential of steel increases and the corrosion tendency decreases. A small amount of tellurium (0.026%) is solid solution in manganese sulfide, and the steel achieve the lowest corrosion current of 5.13×10−6 A and the best corrosion resistance. With tellurium addition in steel, MnTe is surrounded by MnS, resulting in a significant reduction in the aspect ratio of inclusions and a more uniform distribution of long strips of sulfide into ellipsoids, which effectively reduces the stress concentration around the sulfide.
Research on droplet transfer in MIG welding based on high-speed photography and FLUENT
JI Guangya, LI Ke, CHANG Hanwen, HU Jiarui, ZHANG Zizheng
2025, 46(4): 190-196. doi: 10.7513/j.issn.1004-7638.2025.04.025
Abstract(211) HTML (161) PDF(6)
Abstract:
In order to study the droplet transfer behaviors during the MIG welding process of 304L stainless steel, a FLUENT numerical simulation software and high-speed photography system had been utilized to analyze the characteristics and frequency of droplet transfer at currents of 150, 180 A, and 260 A, respectively. The results show that the electromagnetic constriction force and the plasma drag force acting on the droplet both become dominant gradually with the increasing of welding current. As the droplet temperature rises gradually, the surface tension acting on the droplet decreases accordingly, which reduces the required gravity of the droplet to separate from the end of the welding wire. Consequently, the droplet diameter decreases and the transfer frequency increases gradually, presenting the modes of globular transfer, projected transfer and spray transfer in turn. Through the comparison between the high-speed video pictures and numerical simulation results of the three groups of welding currents, the similarity of experimental and the simulated values containing transfer period, characteristic time and droplet size exceeds 87%, 90%, and 91% respectively, indicating that the numerical simulation model adopted in this study has a relatively high reliability.
Analysis of the causes of cracking of closed impeller blades of centrifugal compressor
SHI Ninggang, HUANG Shenghua, CHEN Song, LIU Fangchao, CHEN Xiaolei
2025, 46(4): 197-204. doi: 10.7513/j.issn.1004-7638.2025.04.026
Abstract(228) HTML (176) PDF(6)
Abstract:
After 5 years of production, the closed impeller in a centrifugal compressor used to transport natural gas was found to have cracks in many blade roots during maintenance. In order to clarify the cause of blade cracks, the chemical composition analysis, tensile test, hardness test and metallographic examination of the failed samples were carried out, and one crack was selected for cracking cause analysis. The results showed that defects were generated during the brazing process of the blade and the front cover plate. Cracks were generated at the defect site at the R-angle position of the blade weld during operation, and fatigue propagation occurred into the blade under the action of alternating loads during service, resulting in cracking of the blade. Therefore, the welding quality of the impeller manufacturing and the subsequent factory quality acceptance must be strictly controlled, and non-destructive testing methods must be added to ensure product quality clearance, so as to reduce or avoid this situation.