2024 Vol. 45, No. 2

Separating and Extracting of Vanadium and Titanium
Research on preparation of metal vanadium by carbothermal reduction
Li Lanjie, Chang Fuzeng, Liu Jing, Zhang Na, Zhang Suxin, Wang Haixu
2024, 45(2): 1-6. doi: 10.7513/j.issn.1004-7638.2024.02.001
Abstract(679) HTML (221) PDF(82)
Abstract:
High-purity V2O5 powder was used as raw material and carbon powder was used as reducing agent. The process of preparing metals by carbothermal reduction was studied, and the effects of the amount of carbon, temperature, vacuum degree and reduction time on the products were discussed. The results show that V2O5 is a stepwise reduction with direct and indirect reduction. With a carbon ratio of 32%, the reduction temperature at 1350 ℃, and the reduction time of 120 min, the obtained crude vanadium solid solution phase is mainly <VO, V2C>, and the V content is about 84%. For refining conditions, when the temperature is controlled at 1680 ℃, the carbon-oxygen ratio is 1.02, and the vacuum degree is below 0.1 Pa, the ductile metal vanadium product can be obtained, and the purity of vanadium reaches 99.04%.
Research on preparation and sodium storage properties of ultrafine nano-sodium ferric vanadium phosphate
Teng Aijun, Yuan Xinran, Zhang Dongbin, Xin Yanan, Liu Tianhao, Han Huiguo, Du Guangchao
2024, 45(2): 7-12. doi: 10.7513/j.issn.1004-7638.2024.02.002
Abstract(568) HTML (225) PDF(41)
Abstract:
Due to the high price, large particle size and poor conductivity of vanadium based polyanion compounds, a new type of sodium ferric vanadium phosphate material was prepared by doping iron element to partially replace vanadium element. The phase information and sodium storage properties of sodium ferric vanadium phosphate were analyzed by XRD, SEM, UV-vis, laser particle size and BET. The research results show that the introduction of Fe element not only reduces the material cost, but also makes the prepared sodium ferric vanadium phosphate have the smaller particle size, larger specific surface area and better electrical conductivity compared with sodium vanadium phosphate. The specific surface area of sodium ferric vanadium phosphate is 46.5 m2/g, and the compaction density is 1.85 g/cm3, which is higher than that of the sodium vanadium phosphate, while 16.3 m2/g for the specific surface area and 1.79 g/cm3 for the compaction density of sodium vanadium phosphate. Meanwhile, the obtained sodium ferric vanadium phosphate shows higher energy storage performance. Under the condition of current density at 1 mA/g, the discharge specific capacity of sodium ferric vanadium phosphate reaches 99.1 mAh/g, which is larger than that of sodium vanadium phosphate (91.9 mAh/g) at the same discharge current density. At the same time, after 10 charge and discharge cycles, the discharge capacity of 85.3 mAh/g can be maintained (in the same condition, 79.9 mAh/g of the discharge capacity can be maintained for the sodium vanadium phosphate) , showing good cycle stability.
Study on the production of Fe-V alloy by the reduction of vanadium-enriched slag using aluminum dross
Yang Zhifei, Chen Min, Zhang Lingxi
2024, 45(2): 13-19. doi: 10.7513/j.issn.1004-7638.2024.02.003
Abstract(690) HTML (184) PDF(28)
Abstract:
In order to solve the problems of low valuable metal yield and high production cost in the process of ferrovanadium production, this paper proposed the use of aluminum ash as a reductant to directly reduce the vanadium-rich slag for the preparation of ferrovanadium alloys. The effect of different reduction conditions on the yield of valuable metal in the process of aluminum-ash reduction of vanadium-riched slag was studied. The results show that with the reduction temperature increasing from 1773 K to 1873 K, the yield of Fe increases from 51.8% to 95.6%, the yield of Mn increases from 16.7% to 84.2%, the yield of Cr increased from 2.5% to 87.9%, the yield of V increased from 0.5% to 91.8%. With the basicity increasing from 1.0 to 1.5, the yield of Fe, Cr, Mn and V increases from 72.5%, 51.7%, 35.8% and 11.4% to 95.6%, 84.2%, 87.9% and 91.8%, respectively. Under the optimal reduction conditions (the temperature of 1873 K, the basicity of 1.5, the reduction time of 30 min), the metal grades of Fe and V in the prepared vanadium ferroalloy are 28.18% and 35.01%, respectively, and the mass ratio of V/Fe in the alloy product is 1.24.
Study on phase and physical properties of molten salt system for chlorination of titanium slag
Xu Jianlin, He Yilin, Ma Zhanshan, Pang Zhongya, Tian Feng, Zhang Xueqiang, Zou Xingli, Zhu Fuxing
2024, 45(2): 20-27. doi: 10.7513/j.issn.1004-7638.2024.02.004
Abstract(687) HTML (211) PDF(34)
Abstract:
The molten salt chlorination method is a technique developed specifically for the preparation of titanium tetrachloride using high-calcium magnesium titanium slag materials. During long-term production practices, it has been observed that improper control of the composition in the chlorination furnace can lead to severe foaming of the molten salt, which in turn can result in issues such as salt spray that negatively impact production. To address this issue, a comprehensive study was conducted to investigate the composition, phase, and physical properties of both normal and foaming chlorination salts using analytical techniques including XRD, SEM & EDS, and DSC-TGA. The results reveal that the foaming salt has a significantly higher oxygen content and a greater presence of insoluble solid phase components compared to the normal salt. The insoluble solid phase components primarily consist of compound oxides such as Na2Al0.5Fe9.5O15 and Mg1.6Ti1.1O4. Additionally, the foaming salt exhibits a weight loss rate of 48.71% in the temperature range of 300~1280 °C, which is 13.73% lower than that of the normal salt. Furthermore, the melting point of the foaming salt shows an increasing trend. The oxygen content in foam salt is about 10% higher than that of normal salt. After volatilization at high temperatures, the residue is irregular particle agglomerates rich in iron, magnesium, aluminum, silicon, calcium, oxygen, and other elements, while the residue of normal salt is a dense body of uniform iron, magnesium, and oxygen elements. Traditional Archimedean methods are unable to accurately measure the density of both normal and foaming salts due to the presence of insoluble solid phase materials. However, the volume density method can be utilized, yielding density values of 2.02 g/cm3 and 1.77 g/cm3 for the normal and foaming salts, respectively.
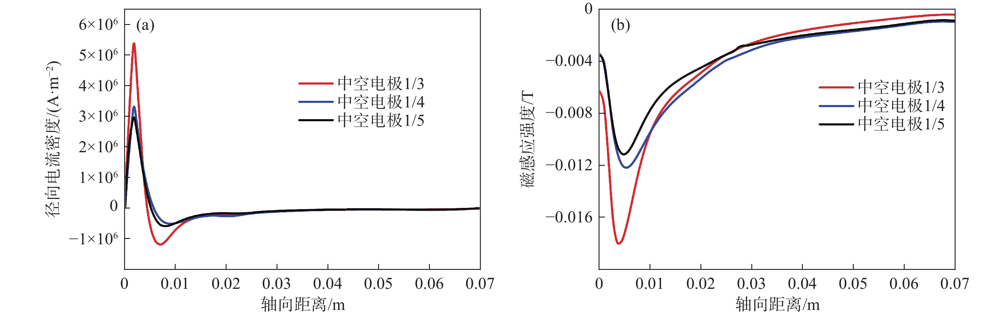
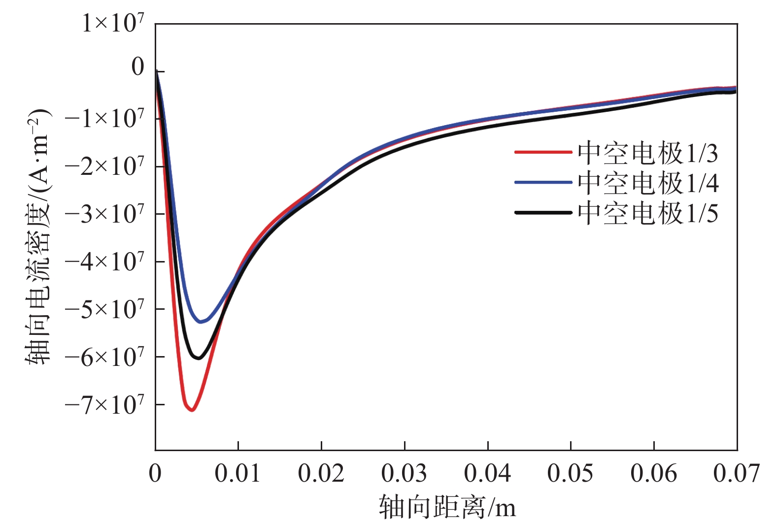
Simulation of arc characteristics in a titanium slag EAF with hollow electrode
Liu Quan, Guan Xiaoping, Xiao Jun, Yang Ning
2024, 45(2): 28-34. doi: 10.7513/j.issn.1004-7638.2024.02.005
Abstract(547) HTML (205) PDF(34)
Abstract:
The arc characteristics inside the titanium slag electric arc furnace (EAF) play a crucial role in the melting and reduction of furnace materials. In this study, a method combining fluid mechanics and electromagnetic field was employed to establish a mathematical model for the arc region inside the EAF. Multiple physical fields (flow field, temperature field, and electromagnetic field) within the arc region were simulated to investigate the influence of the hollow electrode. The results show that compared to the solid electrode, the temperature and flow field of the hollow electrode still exhibit a "bell-shaped" distribution. However, due to the Lorentz force and pressure, significantly larger negative velocities appear near the hollow region, hindering the feeding process at the hollow electrode. Furthermore, research shows that the inner diameter of the hollow electrode affects the current density distribution in the arc region, and then determines the distribution characteristics of the Lorentz force and pressure, which reveals the influence mechanism of the hollow electrode on the arc characteristics.
Structure-property relationship between surface structure and water dispersity of titanium dioxide
Quan Yuanxia, Xiang Quanjin, Quan Xuejun, Ke Lianghui, Li Li
2024, 45(2): 35-41. doi: 10.7513/j.issn.1004-7638.2024.02.006
Abstract(537) HTML (215) PDF(27)
Abstract:
The wettability and dispersion of titanium dioxide in water is very important for the inorganic coating and application performance. In this study, the relationship between the surface structure and the water wettability and dispersion of titanium dioxide treated with zinc and aluminum salts was studied. The results show that the initial titanium dioxide treated with zinc salt has good sphericity and small particle size, and the initial titanium dioxide treated with aluminum salt has a long strip shape, with richer surface hydroxyl, higher surface energy and thicker electric double layer structure. In addition, when the dosage of dispersant was 0.2% and the concentration of TiO2 was 700 g/L, the viscosity of the initial zinc salt slurry was 946 mPa·s, and the zeta potential was −23.3 mV. The viscosity of the initial aluminum salt slurry was 512 mPa·s, and the zeta potential was −31.2 mV. The results show that the slurry viscosity of the aluminum salt is lower, the dispersion is better, and the water wetting dispersion is better. The surface structure of titanium dioxide treated with different salts was analyzed, and the structure-activity relationship between surface structure and water dispersion was established, which provided reference and ideas for the development of high-end titanium dioxide.
Application of Vanadium and Titanium
Research status and prospect of titanium alloys resistant to high temperature of 600 ℃ and above
Wang Bing, Xiang Zhilei, Zhou Zongyi, Shen Gaoliang, Huang Jingcun, Han Jingyu, Wang Andong, Chen Ziyong
2024, 45(2): 42-50, 71. doi: 10.7513/j.issn.1004-7638.2024.02.007
Abstract(2631) HTML (516) PDF(306)
Abstract:
This paper reviews the development status of high-temperature titanium alloys resistant to 600 ℃ and above in domestic and foreign situations, and summarizes the composition and properties of IMI834 from UK, Ti-1100 from USA, BT36 from Russia and Ti60, TG6, Ti600, Ti65 and Ti750 from China. The main bottlenecks limiting the development of high-temperature titanium alloys are figured out, and some possible solutions are proposed for reference based on the current research status. In view of improving the thermal stability, thermal strength and high-temperature creeping strength of high-temperature titanium alloys, the future perspectives of preparing Ti-based composites, optimizing the alloy compositions and the thermal processing processes, controlling the size, number, volume fraction and morphology of the α2 phase and protecting the high-temperature oxide coating are prospected. This paper provides a theoretical basis and reference for the development of high performance high temperature titanium alloys.
Preparation of BiVO4/GO composites and their photocatalytic performance
Wang Li, Shi Zhaozhong, Cui Weina, Zhou Hua, Zhan Guirong, Liu Jin
2024, 45(2): 51-57. doi: 10.7513/j.issn.1004-7638.2024.02.008
Abstract(439) HTML (257) PDF(18)
Abstract:
Bismuth vanadate (BiVO4) has attracted considerable attention in photocatalysis due to its cheap and easy availability, mild and simple preparation conditions, narrow bandgap (~2.4 eV), outstanding photoresponse ability, and excellent stability. A fishbone like bismuth vanadate/graphene (BiVO4/GO) composite photocatalytic material was successfully prepared using bismuth nitrate and ammonium metavanadate as raw materials by hydrothermal method. The structure and morphology of the composite photocatalytic material were characterized by X-ray powder diffraction (XRD), scanning electron microscopy (SEM), and transmission electron microscopy (TEM), and its degradation activity for acyclovir under simulated sunlight was investigated. SEM and TEM show that BiVO4 has a unique fishbone like structure, with GO layers interspersed between them, effectively connecting the BiVO4 nanostructures. The addition of GO has changed the original pure monoclinic scheelite structure of BiVO4. The degradation efficiency of BiVO4/GO (BG-3) for acyclovir (AC) is as high as 97.23%, and the degradation efficiency can still reach 87.15% after 5 cycles, indicating that the catalyst has good cycling activity. The Langmuir-Hinshelwood (L-H) first-order kinetic model equation was used to fit the catalytic degradation process, and the correlation coefficients R2 were all higher than 0.97, indicating that the L-H first-order kinetic model equation is very suitable for fitting the catalytic degradation process.
Effect of heat treatment process on the structure and properties of deformed TiAl sheets
Guo Jie, Teng Aijun, Huang Zhaokuo, Zhong Yong, Yang Liu
2024, 45(2): 58-62. doi: 10.7513/j.issn.1004-7638.2024.02.009
Abstract(394) HTML (210) PDF(21)
Abstract:
TiAl based intermetallic compounds have attracted widespread attention of domestic to international researches due to their lightweight, high specific strength, and excellent high-temperature performance, and have been applied in key fields such as aerospace and aviation, etc. However, due to their inherent characteristics, their practical application has been greatly limited. By exploring the heat treatment process in different phase zones and selecting appropriate heat treatment parameters, combined with the analysis of room temperature mechanical properties and high-temperature mechanical properties of TiAl compounds, it is found that the tensile strength and yield strength of specimens gradually increase as the heat treatment temperature increases. The optimal elongation is obtained by heat treatment in the (α+β) phase zone. Further observation and analysis of the microstructure and fracture morphology of samples tested at room and high temperatures were conducted to determine the crack propagation mode and fracture mechanism. Finally, the mechanical properties were optimized after heat-treated at the solution temperature of 1 370 ℃.
Rheological behaviours and constitutive models for titanium alloy TA31 at room temperature and high strain rate
Jia Haishen, Guo Wenjing, Zhao Lidong, Zhang Jilin, Ma Tianjiao, Zhang Wei
2024, 45(2): 63-71. doi: 10.7513/j.issn.1004-7638.2024.02.010
Abstract(530) HTML (193) PDF(15)
Abstract:
At room temperature, quasi-static compression and dynamic impact tests were conducted on titanium alloy TA31 by using UTM5305 universal testing machine and ALT1000 split Hopkinson pressure bar device. Based on the stress-strain curves attained from experiments, the strain hardening effect, strain rate strengthening effect, and adiabatic temperature rise softening effect were discussed. Based on the flow stress response characteristics of titanium alloy TA31, a new J-C constitutive model was established, which considers the coupling effect between strain and strain rate, as well as the influence of adiabatic temperature rise on its flow stress. The calculated values of the constitutive model were compared with the experimental values, and the prediction accuracy of the established constitutive model was evaluated by using two statistical parameters: correlation coefficient (R) and average relative error (AARE). The R and AARE of the model are 0.9887 and 0.63%, respectively. The results show that the new established J-C constitutive model can accurately describe the flow stress response behavior of titanium alloy TA31.
Synthesis and properties of the BiVO4 based composite photocatalysts
Liu Jingjing
2024, 45(2): 72-78, 124. doi: 10.7513/j.issn.1004-7638.2024.02.011
Abstract(477) HTML (245) PDF(17)
Abstract:
Binary BiOCl/BiVO4 and ternary BiOCl/BiVO4/diatomite photocatalysts were in situ prepared by liquid phase precipitation using bismuth nitrate, ammonium metadadate, potassium chloride and diatomite as raw materials, and the phase structure and photocatalytic properties of the composites were characterized. The results show that BiOCl/BiVO4 consists of monoclinic BiVO4 and BiOCl, and BiOCl/BiVO4/diatomite consists of monoclinic BiVO4, BiOCl and SiO2. The increase of the calcination temperature can promote the conversion of BiVO4 into BiOCl. Compared with BiVO4, the photodegradation efficiencies of the composites are enhanced significantly, and the optimum calcination temperature is 450 ℃. The photodegradation efficiencies of BiOCl/BiVO4 at 1.5 h and BiOCl/BiVO4/diatomite at 2.5 h are 99.05% and 100%, which is 3.05 and 2.68 times that of the BiVO4 under the same conditions, respectively, indicating that the introduction of BiOCl or BiOCl/diatomite into BiVO4 can effectively improve the photocatalytic activity. The enhanced photocatalytic activity of the composites can be ascribed to the p-n heterojunction formed between BiOCl and BiVO4 and the special layered structure of BiOCl, which improve the adsorption performance for rhodamine B, effectively inhibit the electron-hole pairs recombination, and accelerate the separation and transfer of charge carriers, leading to potential application prospects in the environmental purification.
Study on evolution and mechanism of adiabatic shear bands of cold rolled titanium
Qiu Xingyu, Li Yechao, Fang Hongmei, Cao Lili, Zhang Ya, Yang Dengke
2024, 45(2): 79-84. doi: 10.7513/j.issn.1004-7638.2024.02.012
Abstract(484) HTML (241) PDF(34)
Abstract:
In order to study the evolution law and mechanism of titanium adiabatic localization shear band under cold rolling conditions, conclusions were drawn by exploring and analyzing the cold rolling process. Firstly, the morphology of the shear band was analyzed, followed by the microhardness, and finally the evolution of local shear strain and local temperature increment. The results show that after deformation from 50% to 83% in cold rolling, the edge of the cold rolled titanium plate first forms a deformation zone, in which a local shear band with an angle of 40° to the rolling direction is formed, and the width of the shear band is about 25 μm. In the center of the shear band, there are ultrafine nanocrystals with the size of 20-160 nm and the average size of 70 nm. Through the microhardness test reslut, it can be concluded that the hardness in the center of the shear band is significantly higher than that around the matrix. The calculated shear strain and maximum temperature increment in the shear zone are much higher than that of the whole deformed sample localized shear bands originate from the geometrical instability of the microstructure rather than thermal disturbance.
Resources Environment and Energy Saving
Analysis and selection of technical paths for recycling and utilization of waste vanadium catalysts
Zhao Beibei, Li Lanjie, Qi Jian, Ma Ruifeng, Wang Hailong, Zhao Liang
2024, 45(2): 85-93. doi: 10.7513/j.issn.1004-7638.2024.02.013
Abstract(1113) HTML (369) PDF(61)
Abstract:
In order to promote the green development of manufacturing industry, the comprehensive recycling and utilization of waste vanadium catalysts has broad prospects, and is an urgent need to realize the circular economy of vanadium industry. Exploring a new process with low pollution, low energy consumption, short process, high efficiency, full recovery and suitable for large-scale application is the development direction of waste vanadium catalyst recycling and utilization. By analyzing the main methods, principles, approaches and advantages and disadvantages of the existing waste vanadium catalysts and waste vanadium titanium denitrification catalysts, it can be seen that the current research focus is to reduce the secondary pollution as much as possible and further improve the metal recovery efficiency under the premise of reducing the process cost and simplifying the process flow. New technologies such as mechanical pretreatment, advanced oxidation process and selective leaching are worthy of further study. Based on the existing technology and equipment of vanadium and titanium extraction in Cheng Iron and Steel Company, the recovery and utilization of valuable metal elements such as vanadium and titanium were studied in the waste vanadium catalyst and vanadium and titanium denitrification catalyst, and the appropriate technical route of recovery and utilization of vanadium and titanium catalysts was proposed in combination with environmental protection policy and construction cost.
Effect of sodium chlorite on surface modification and flotation behavior of ilmenite
Zhang Yun, Ye Guohua, Hu Yujie, Xiang Xinyue, Rong Yiyang, Song Changxu
2024, 45(2): 94-101. doi: 10.7513/j.issn.1004-7638.2024.02.014
Abstract(421) HTML (173) PDF(14)
Abstract:
The surface modification of ilmenite with sodium chlorite was carried out to enhance the adsorption effect of collector. The mechanism of sodium chlorite modification was investigated by microflotation test and zeta potential. The results of microflotation test showed that the recovery of ilmenite in sodium oleate system was greatly improved after sodium chlorite modification, and the optimal conditions were sodium oleate concentration of 1.54×10−4 mol/L, sodium chlorite concentration of 80 mg/L and pH=8. When pH was 5-10, under the simultaneous action of sodium chlorite and sodium oleate, the zeta potential of ilmenite tended to be more negative than that of sodium oleate-treated ilmenite, demonstrating that the adsorption of sodium oleate on the surface of ilmenite was increased. The effects of interaction between inhibitor sodium silicate, collector sodium oleate and oxidant sodium chlorite on TiO2 grade and recovery in titanium concentrate were analyzed by response surface method, and then the reagent system was optimized. Under the conditions of 160 g/t water glass, 110 g/t sodium oleate and 220 g/t sodium chlorite, the actual grade and recovery of TiO2 in titanium concentrate were 33.92% and 86.30%, which were close to the predicted results, indicating that the response model has high reliability. Finally, through the closed-circuit test on this basis, good indexes of titanium concentrate grade 48.24% and recovery 62.55% were obtained.
Study on the occurrence state of iron and chromium in Hongge vanadium-titanomagnetite ore
Wang Lizhen, Jiang Chuling, Zhu Jiaxiang, Yang Hualing, Yi Luan
2024, 45(2): 102-107. doi: 10.7513/j.issn.1004-7638.2024.02.015
Abstract(538) HTML (294) PDF(33)
Abstract:
By means of chemical multi-element analysis, phase analysis, X-ray diffraction analysis, optical microscopy, MLA and other modern testing methods, this paper studied in detail the chemical composition, mineral species and content, microcomponent analysis of energy spectrum for chromium-containing minerals, equilibrium estimate for chromium, the occurrence state for chromium-containing minerals, particle size and liberation degree of titanomagnetite in Panzhihua Hongge high chromium vanadium-titanium magnetite ore. The distribution and enrichment trend of chromium and the theoretical index of iron concentrate were ascertained. The grinding fineness and the ideal index of iron concentrate were analyzed comprehensively. The main mineralogical factors affecting the sorting effect were identified, which provided a detailed scientific basis for the comprehensive development and utilization of Hongge vanadium-titanium magnetite.
Experimental study on granulated blast furnace slag asfine aggregate self-compacting concrete
Shi Dongsheng, Li Hanghang, Zhang Peng, Han Ping, He Peiyuan
2024, 45(2): 108-114. doi: 10.7513/j.issn.1004-7638.2024.02.016
Abstract(573) HTML (193) PDF(18)
Abstract:
The mix ratio of granulated blast furnace slag self-compacting concrete was designed based on the full calculation method. By studying its working performance to determine the final mix ratio and test its compressive strength, and then use the GM (1,1) grey prediction model can predict its compressive strength. The results show that self-compacting concrete that meets the requirements of working performance can be prepared by reasonably adjusting the sand ratio and the amount of admixture. The compressive strength of the 7 day age shows a decreasing trend with the increase of the sand replacement rate. The compressive strength and strength growth rate of granulated blast furnace slag self-compacting concrete at 28-180 days are higher than those of ordinary self-compacting concrete. This is because the granulated blast furnace slag has certain hydraulicity, which makes its strength change accordingly. GM (1,1) grey prediction model can better predict the compressive strength.
Ferrous Metallurgy and Materials
Overview of non-quenched and tempered steel for automotive
Liu Nianfu, Shen Wei, Tian Qianren, Fu Jianxun
2024, 45(2): 115-124. doi: 10.7513/j.issn.1004-7638.2024.02.017
Abstract(581) HTML (263) PDF(41)
Abstract:
In this paper the development history and status quo of non-quenched and tempered steel for making auto parts worldwidely had been described, and the technologies such as strengthening & toughening, sulfide form and distribution control, and material segregation control had been highlighted. The strength and toughening of non-quenched and tempered steel are mainly realized through two approaches: composition and production process optimization and microstructure optimization. Sulfide morphology and distribution can be regulated from smelting, solidification, and rolling processes, and sulfide segregation can be improved from solidification process and continuous casting process. In the future, with the development of the non-quenched and tempered steel market and the further improvement of variety demand, non-quenched and tempered steel will further develop in the direction of multi-variety, micro-alloying high strengthen, easy cutting, high speed, and high reliability.
Analysis on bulging strain of continuous casting slab during solidification
He Yumin, Luo Yang, He Bo
2024, 45(2): 125-131, 161. doi: 10.7513/j.issn.1004-7638.2024.02.018
Abstract(534) HTML (274) PDF(24)
Abstract:
In view of the bulging deformation of slab during continuous casting, in order to eliminate fluctuation of the mold liquid level by means of reducing bulging strain at the boundary of two phases of the casting stream, considering influence of contact arc length between roller and casting stream on the bulging strain, the relationship between contact arc length and the bulging strain is derived, and the analytical solution of contact arc length on the bulging strain is obtained. The relationship between the contact arc length and the bulge strain is deduced to quantify its influence on the bulge strain. Firstly, the heat transfer model of slab continuous casting and solidification is established to obtain the growth of slab shell during slab cooling. Secondly, an improved three-dimensional bulge finite element model is established to calculate the bulge deformation and bulge strain during slab solidification according to the actual equipment and process conditions of the continuous caster. Finally, based on the simulation results, the bulging deformation state of the shell and the strain law of the shell at the two-phase boundary are obtained. The results show that when roll diameter increases by 50 mm, the bulge strain at the same position will be decreased by about 0.005%. Therefore, increasing roll diameter can effectively increase contact arc length of the roller and then reduce the bulge strain. In section 0, the roll diameter of 250 mm should be selected to minimize the bulge strain.
Microstructures and high temperature properties of high Nb ferritic stainless steels for exhaust system
Li Wei, Bai Qingqing
2024, 45(2): 132-138. doi: 10.7513/j.issn.1004-7638.2024.02.019
Abstract(460) HTML (183) PDF(19)
Abstract:
During the research and development of new hot end materials for automobile exhaust system, annealing experiments, grain coarsening resistance experiments, aging resistance experiments, high temperature tensile and high temperature creeping experiments were carried out on the experimental steels in order to explore the influence of Nb contents on steels microstructures and properties. OM and SEM were used to characterize the microstructural evolution of the experimental steels in each process, and the influence of Nb content on the properties was evaluated by tensile tests and SAG test-Creeping tests. The results show that the increase of Nb content can lead to more precipitates to refine the grains and provide precipitation strengthening as well as improve the room temperature mechanical properties. The effect of high Nb content on grain coarsening is more obvious, but the coarsening of precipitates at the same time leads to a greater decline in properties after aging. The high temperature strength of the experimental steels with high Nb content decreases due to the influence of dynamic recrystallization and a large number of Laves phases. At the same temperature, the creep resistance of experimental steels with different Nb contents has little difference. With the increase of temperature, the precipitates coarsen seriously and the creep resistance decreases.
Study on the precipitation kinetics of carbides in austenite and ferrite of microalloyed steels
Zheng Yaxu, Yang Qin, Zhao Ziyu, Wei Cuihu, Hui Shixu, Wu Kangye
2024, 45(2): 139-148. doi: 10.7513/j.issn.1004-7638.2024.02.020
Abstract(796) HTML (159) PDF(27)
Abstract:
According to the solid solution thermodynamic calculation of the multi-composite precipitated phases and the classical nucleation growth kinetic theory, the deposition and precipitation of carbides in austenite (γ) and ferrite (α) phases in Ti-Mo, Ti-Nb-Mo and Ti-Nb-Mo-V composite microalloyed-steels were studied. It is shown that in γ phase, the precipitates in Ti-Mo steel are mainly Ti-enriched (Ti, Mo) C particles. In the higher temperature range, Ti-Nb-Mo and Ti-Nb-Mo-V steels mainly precipitate carbide particles enriched in Ti and Nb. In the ferritic zone, the precipitates in Ti-Mo and Ti-Nb-Mo steels are mainly Mo-enriched carbide particles, while in Ti-Nb-Mo-V steel, V-enriched carbide particles are mainly precipitated. The PTT and NrT curves of the precipitated phases in Ti-Mo and Ti-Nb-Mo steels show "C" and reverse "C" shapes, respectively, while the NrT curves of (Ti, Nb, Mo, V) C precipitated in austenite show reverse shapes "ε". As the temperature decreases, the precipitation time first decreases and then prolongs. The nucleation rate of (Ti, Nb, Mo, V) C is the fastest in the high-temperature austenitic zone, followed by (Ti, Nb, Mo) C, and that of (Ti, Mo) C is the slowest. The corresponding fastest nucleation precipitation temperature increases in sequence. In the ferritic region, the PTT and NrT curves of (Ti, Mo) C and (Ti, Nb, Mo) C are presented "ε" form and reverse "ε" shape, respectively. The nucleation rate of carbides in Ti-Nb-Mo-V steel is faster in the entire ferritic zone than in Ti-Mo and Ti-Nb-Mo steels.
Effect of Cr and Ni on the microstructure and properties of corrosion-resistant steel
Wang Baoshan, Zhang Hongliang, Wang Weiwei, Ma Jian, Feng Guanghong
2024, 45(2): 149-155. doi: 10.7513/j.issn.1004-7638.2024.02.021
Abstract(843) HTML (204) PDF(47)
Abstract:
Based on the base chemistry of Q345GNH steel, the steel samples with different Cr (mass fraction of 0.5%, 2%, 3%, 4% and 5%) and Ni (mass fraction of 0.5% and 1%) contents were prepared and their performances were compared by series of tests. Meanwhile, the effect mechanism of Cr and Ni on properties of steel was analyzed by thermodynamic calculations. The results show that with increasing Cr content from 2% to 3%, the yield strength and tensile strength increased by 83 MPa and 122 MPa, respectively, mainly because of bainite formation, and when content of Cr exceed 4%, the elongation rate was less than 10% caused by more than 80% bainite in the steel. When compared with the Q345GNH steel, with more than 2% Cr addition can provide the relative corrosion rate of steel less than 70% after 120 h salt spray corrosion. This improvement was due to formation of stable Cr-containing corrosion products and self-corrosion potential shift positively caused by Ni. Comprehensively considering each individual index, the optimum additions for Cr was 2% and for Ni was 1%.
Effect of bismuth-tin alloy quenching medium on microstructure and properties of boron steel
Zhang Chi, Hou Huaxing, Wang Yitong, Dai Chunduo, Li Jiangwen, Liu Wenyue
2024, 45(2): 156-161. doi: 10.7513/j.issn.1004-7638.2024.02.022
Abstract(544) HTML (198) PDF(13)
Abstract:
Bismuth tin alloy is thought suitable as a cooling media after comparing it with common low melting point metals. Thus, the maximum cooling rate and corresponding temperature cooling characteristics of bismuth tin alloy at different temperature states were characterized by using a cooling medium characteristic testing instrument. At the same time, a JMatPro software was used to simulate and calculate the variation of alloy density and viscosity values of bismuth tin with temperature. Metallographic observation and mechanical properties measurement was conducted to investigate the effect of quenching process on the microstructure and properties of boron containing steel. The results show that the bismuth tin alloy has stable physical properties and excellent cooling characteristics in the molten state, and can be used as a cooling media for the quenching process. The experimental steel can be achieved the best comprehensive performance after it is quenched in a bismuth tin alloy at 150-200 ℃.
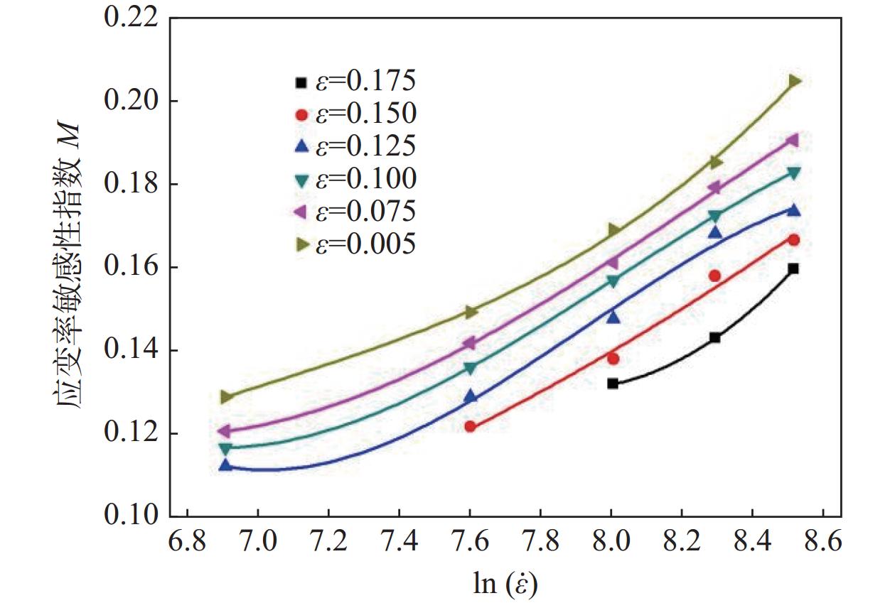
Study on characteristics of hot deformation in Super304H austenitic heat-resistant steel
Gu Meirong, Cao Yanfeng, Peng Lingling, Yu Hongxing, Ou Ping, Wang Hebin, Li Chengbo, Liu Xiaoming, Rong Sheng, Li Ling
2024, 45(2): 162-170. doi: 10.7513/j.issn.1004-7638.2024.02.023
Abstract(660) HTML (281) PDF(12)
Abstract:
Hot compression test of Super304H austenitic steel was carried out by using a MMS-100 thermal mechanical simulator at 900~1200 ℃ and 0.1~10 s−1. Based on the true stress-true strain test data, the Zener-Hollomon constitutive model of the studied steel was established by using a strain compensation method, and the hot processing maps under a true strain range of 0.02~0.7 was drawn according to the dynamic material theory. The results show that high temperature and low strain rate are conducive to the occurrence of dynamic recrystallization in Super304H austenitic steel during the hot deformation process. The correlation coefficient and average relative error between the values of flow stress predicted by the constitutive model and experimental values are 0.989 and 7.007%, respectively, reflecting that the established model is relatively accurate and can be used to predict the flow behavior of Super304H austenitic steel under hot compression. Super304H austenitic steel will have a good hot-working stability after deformation reaching a certain degree. The optimal hot working parameter ranges of Super304H austenitic steel determined by the hot processing maps are 1160~1200 ℃/0.1~0.55 s−1.
Effects of stress gradient and temperature on mechanical properties of GH4169 superalloy
Guo Xulong
2024, 45(2): 171-175, 204. doi: 10.7513/j.issn.1004-7638.2024.02.024
Abstract(917) HTML (144) PDF(37)
Abstract:
GH4169 alloy was obtained by a specific metallurgical process and tensile experiments were carried out at different temperature gradients of 550 ℃, 650 ℃ and 750 ℃ and different stress levels of 590 MPa, 690 MPa and 790 MPa. The mechanical properties of the alloy were obtained, which in turn provided guidance for the optimization of the smelting process. For the elevated temperature tensile test, with the increase of temperature the tensile strength of the steel decreases significantly, while the elongation and area shrinkage rate slightly increase, and no obvious change on the precipitation quantity and distribution of δ phase has been found, but the carbide precipitation phase decreases. During elevated temperature endurance test, at the given temperature with the increase of stress the time of permanent fracture decreases continuously. When the stress is given, with the increase of temperature the time of permanent fracture decreases sharply. Through this research the reason for the impoverishment of the γ" phase is explained.
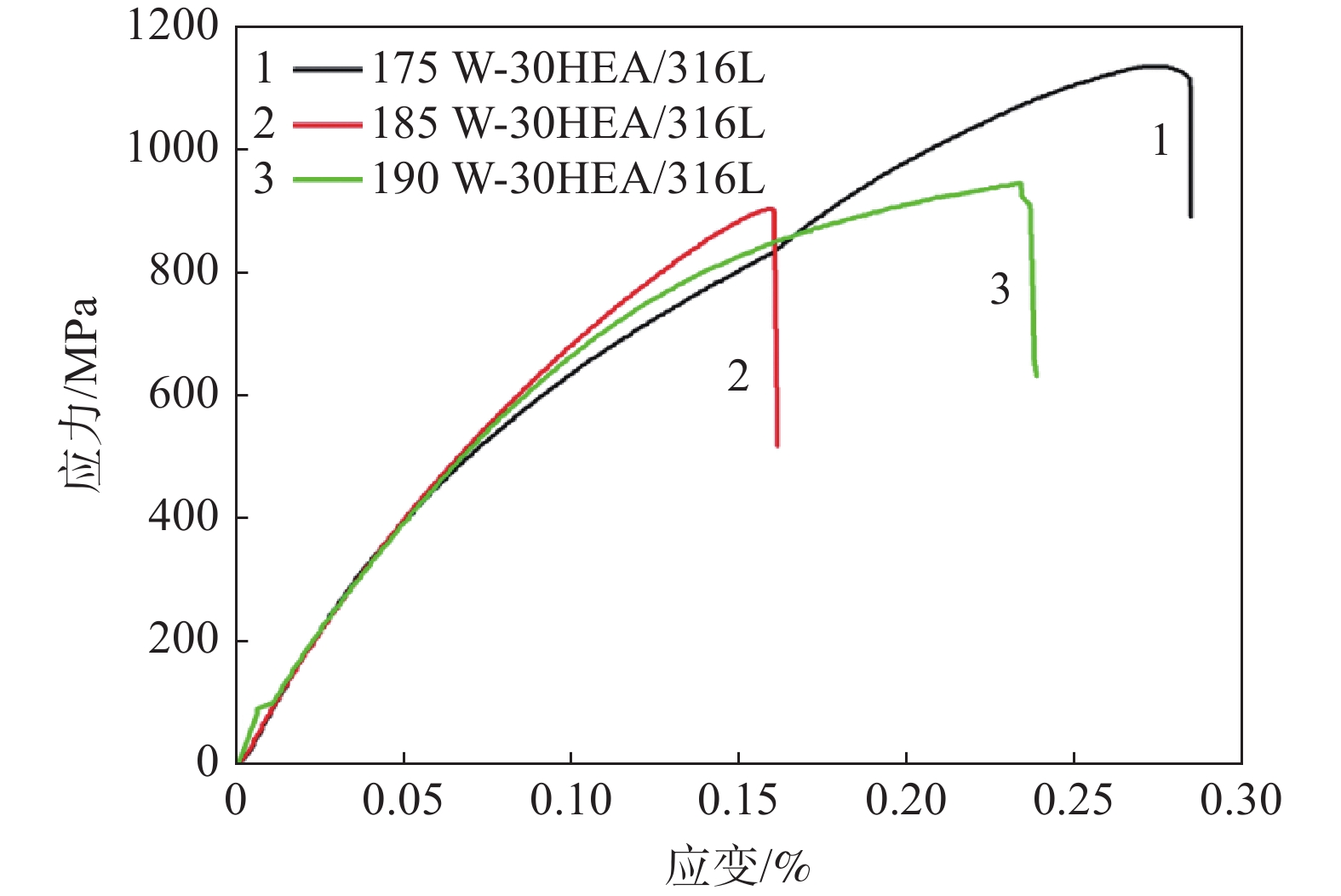
Effect of laser power on microstructure and mechanical properties of high entropy alloy /316L stainless steel materials
Sun Ying, Zhang Huiyun, Zheng Liuwei
2024, 45(2): 176-181. doi: 10.7513/j.issn.1004-7638.2024.02.025
Abstract(581) HTML (235) PDF(22)
Abstract:
Selective laser additive manufacturing (SLM) fabricated metal matrix composites have many advantages such as flexible structure and controllable composition. In this paper, 316L stainless steel was used as the matrix material and Al0.5CoCrFeNiTi0.5 high entropy alloy (HEA) powder was used as the particle reinforcement to study the effect of laser power on the microstructure, micro-nano mechanical and macro-mechanical properties of Al0.5CoCrFeNiTi0.5 /316L composites during SLM printing. The results show that with the increase of laser power, the forming quality of the composite decreases and the microcracks occur in the composite. The original spherical particles of high entropy alloy do not exist, the elements in the composite are evenly distributed, the fluidity of the adding pool of Al0.5CoCrFeNiTi0.5 particles decreases, and the remelted zone presents equiaxed crystal distribution. With the increase of laser power, the hardness of remelted zone and non-remelted zone increases, and the elastic recovery rate decreases as a whole. The tensile strength and elongation also decrease with the increase of laser power, and the tensile strength is up to 1136 MPa. The internal strengthening mechanism of Al0.5CoCrFeNiTi0.5 particles is mainly attributed to solid solution strengthening and the fracture form is ductile fracture.
The addition of anadium and nitride alloy on the solidificationstructure and hardness of M2 high-speed steel
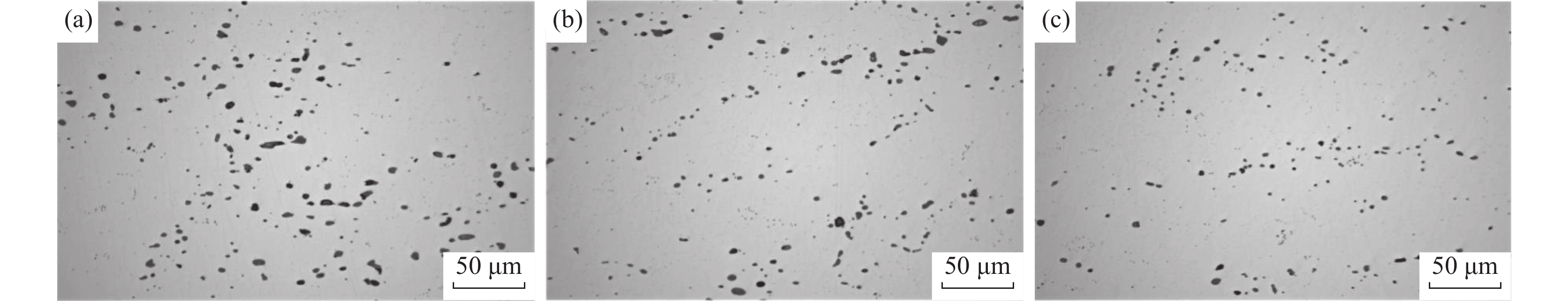
Shang Guangmin, Liu Hongyu, Deng Weijie, Li You, Sun Boxiang, Li Ruilin
2024, 45(2): 182-189. doi: 10.7513/j.issn.1004-7638.2024.02.026
Abstract(439) HTML (197) PDF(16)
Abstract:
In order to fully exploit the potential role of vanadium-Nitride alloy on high-speed steel, the evolution of solidification structure and hardness of M2 high-speed steel with vanadium-Nitride alloy addition had been investigated by using a rapid solidification melt-sampling apparatus, where the vanadium-nitride alloy was added into the standard M2 high-speed steel specified by GB/T 9943-2008 , an experimental exploration was conducted. Thermo-Calc and JMatPro software, in combination with optical microscopy, scanning electron microscopy, X-ray diffraction apparatus, and hardness tester, were employed for the observation of substrate grain morphologies, sizes, and distributions at various locations subsequent to the solidification of M2 high-speed steel with different N content (0.0365%, 0.0165%). Additionally, observations were made on carbide types, morphologies, sizes, and distributions, while hardness variations were measured. The results indicate that the addition of vanadium-nitride alloy can help refining the size of substrate grains. In the case of the 0.0365% N experimental steel, equiaxed grains were observed at the center, 1/2 radius, and periphery; whereas the 0.0165% N experimental steel exhibited columnar grains at 1/2 radius. The addition of vanadium-nitride alloy could not alter the precipitation type of carbides during the solidification process, but it facilitated the fragmentation of carbides. The addition of vanadium-nitride alloy resulted in higher hardness. The increased hardness in the case of the 0.0365% N experimental steel is attributed to the refinement of substrate grains and an augmented quantity of M (C, N) particles.
Effect of bismuth content on the microstructure and properties of free cutting steels
Li Binzhou, Wang Dong, Wang Yijia, Jiang Yuanbo, Shao Zhibao, Li Changsheng
2024, 45(2): 190-197. doi: 10.7513/j.issn.1004-7638.2024.02.027
Abstract(477) HTML (170) PDF(23)
Abstract:
The bismuth-containing free-cutting steel served as an environment-friendly material has a broad application prospect. Bismuth was alloyed by preparing bismuth ferromanganese alloy, which was then added to the molten steel in the process of vacuum induction melting. After casting the melt and hot rolling, three kinds of bismuth-containing free cutting steels were obtained. The effect of bismuth content on the second phase, mechanical properties and cutting properties of steels was studied. With the increase of bismuth content from 0.013% to 0.069%, the size of MnS decreased by about 45% and the shape changed from rod to ball. The yield strength, the hardness of matrix and second phase, and the impact energy of the steels decreased. The tensile strength increased slightly, and the elongation of the experimental steel increased greatly. The comprehensive mechanical properties of the steel decreased slightly. The results of cutting experiments showed that with the increase of bismuth content, the wear of milling tools decreased significantly; the surface flatness and smoothness of the steels increased; the chip shapes changed from long strip to short spiral; the chip breakage degree was greater; and the cutting performance was significantly improved.
Study on microstructure and mechanical properties of welded joints of 15Cr1Mo1V steel pipeline in service
Wang Yansong, Liu Fuguang, Mi Zihao, Han Tianpeng, Zhang Lei, Yang Erjuan, Ba Teer
2024, 45(2): 198-204. doi: 10.7513/j.issn.1004-7638.2024.02.028
Abstract(607) HTML (213) PDF(30)
Abstract:
The microstructure, hardness, tensile strength, impact and failure position of the welded joint of 15Cr1Mo1V steel for high temperature reheat steam pipeline, which has been operated for about 130000 hours in a power plant, were studied and analyzed. The results show that there are the polygonal ferrite and precipitates in each micro zones of the pipeline joint in service, and the microstructure appears the certain aging phenomenon. The hardness of each micro zones of the joint is obviously different, and the typical tempering effect of multi-layer and multi pass welding appears in the weld, and the hardness of the cover weld is generally high. The tensile and impact results of each micro zones of the welded joint show that the strengths of the weld at room temperature and elevated temperature are better than those of the base metal, but the plasticity and toughness are relatively poor, especially at elevated temperature, the plasticity and toughness of the weld decrease more. The tensile and impact fracture surfaces of the welded joint show that there are many dimples and deep dimples in the fracture surface of the base metal. However, due to the precipitation of the second phase in the weld, although the tensile strength is improved, its plasticity and toughness significantly declined.