中文核心期刊

SCOPUS 数据库收录期刊

中国科技核心期刊

美国《化学文摘》来源期刊

中国优秀冶金期刊

美国EBSCO数据库收录期刊

RCCSE中国核心学术期刊

美国《剑桥科学文摘》来源期刊

中国应用核心期刊(CACJ)

美国《乌利希期刊指南》收录期刊

中国学术期刊综合评价统计源刊

俄罗斯《文摘杂志》来源期刊

优秀中文科技期刊(西牛计划)

日本《科学技术文献数据库》(JST)收录刊

留言板

尊敬的读者、作者、审稿人, 关于本刊的投稿、审稿、编辑和出版的任何问题, 您可以本页添加留言。我们将尽快给您答复。谢谢您的支持!

姓名
邮箱
手机号码
标题
留言内容
验证码

2025年  第46卷  第4期

钒钛分离与提取
钒渣高效提取冶金:钙镁复合焙烧提钒工艺
张旭, 向俊一, 申彪, 何文艺, 韦林森, 吕学伟
2025, 46(4): 1-7. doi: 10.7513/j.issn.1004-7638.2025.04.001
摘要(582) HTML (208) PDF(57)
摘要:
钙化工艺是一种相对清洁的钒渣提钒技术,但在钒收率、产品指标等方面仍有进一步提升空间。笔者团队原创性开发的钙镁复合提钒工艺通过离子协同效应,同时实现了钒回收率提升、杂质溶出率降低和尾渣减量的效果。文中阐述了钙镁复合对钒渣提钒工艺全流程的综合影响,钙镁复合焙烧后钒渣焙烧熟料中的主要含钒物相由Ca2V2O7、Mn2V2O7转变为Ca2V2O7、Mn2V2O7、Mg2V2O7和Ca5Mg4V6O24;复合焙烧产物酸浸后钒浸出率提升约5%,Ca、P等杂质元素溶出率降低;钒浸出液铵盐沉钒率达99.5%,氧化钒产品纯度达99.8%;沉钒废水经石灰中和处理后可完全回用,且不影响原工艺顺行。
朝阳地区钛渣钠化焙烧过程工艺参数研究
闫家棋, 赵亮, 董辉, 冯军胜
2025, 46(4): 8-17. doi: 10.7513/j.issn.1004-7638.2025.04.002
摘要(311) HTML (126) PDF(18)
摘要:
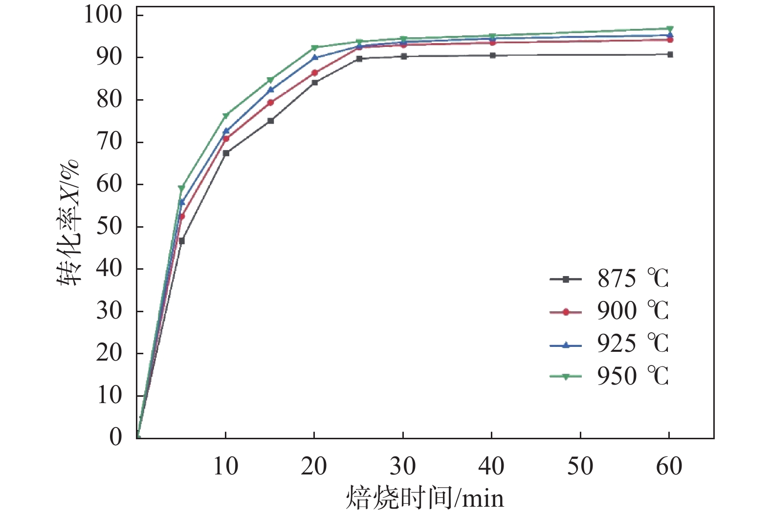
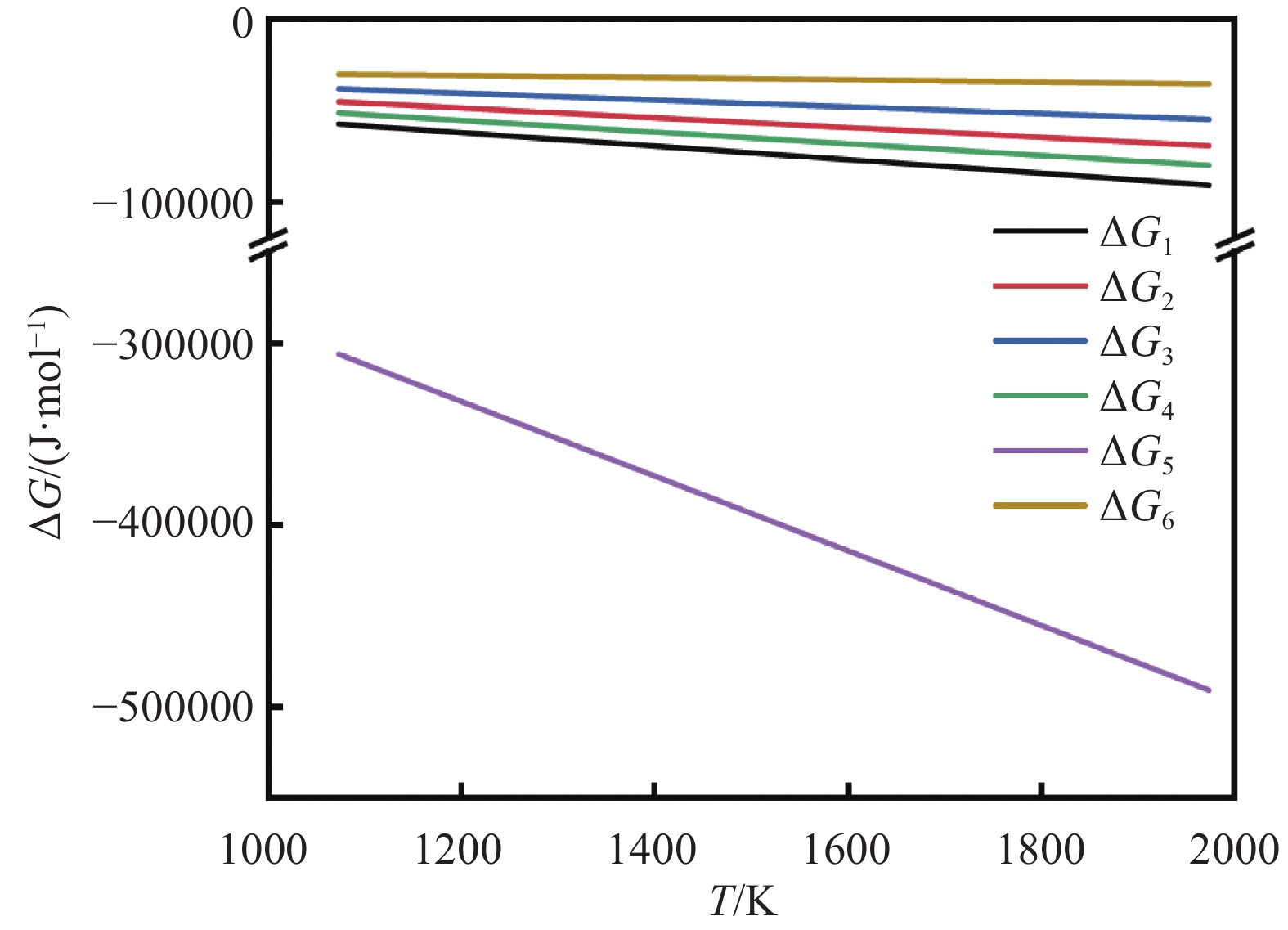
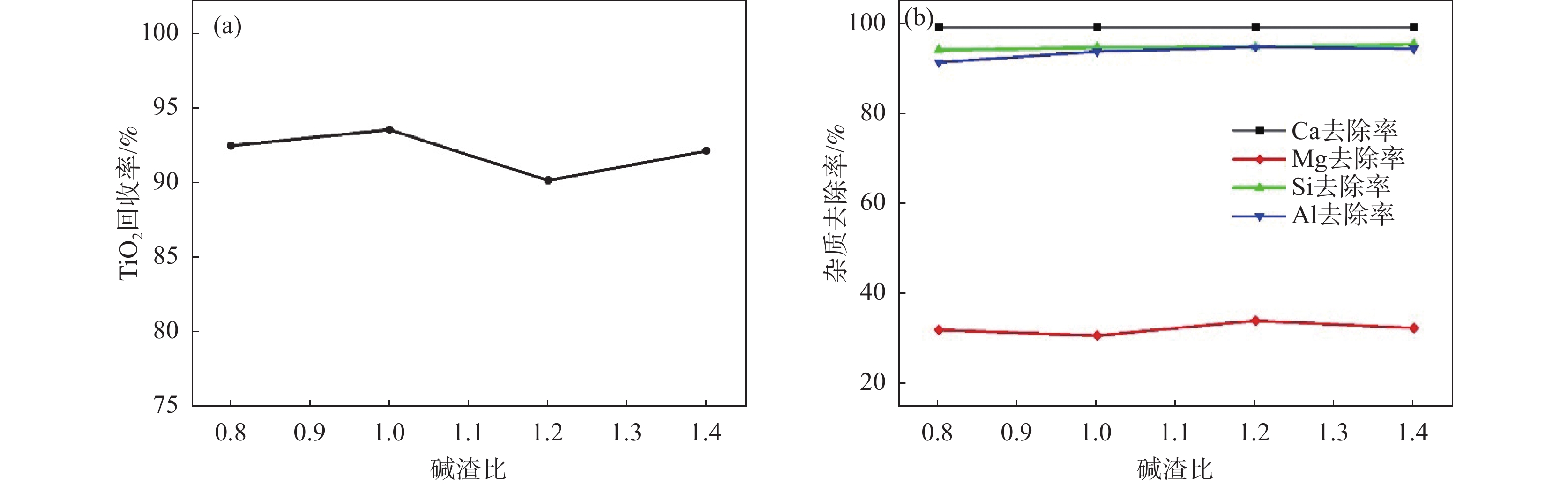
利用钠化焙烧工艺对朝阳地区钛渣进行提质处理,对高温下熔融碳酸钠与钛渣反应的控制环节和活化能进行分析计算,对焙烧过程的工艺参数,如焙烧温度、时间以及碱渣比的影响效果进行研究。动力学分析表明,焙烧过程的控制性环节为反应物在固体产物层中的内扩散,反应活化能为50.13 kJ/mol。吉布斯自由能随温度变化情况表明在温度高于900 ℃时反应基本均可发生;转化率随时间变化情况表明在1 h后反应基本完成。通过分析各参数对焙烧过程的影响效果,最终确定焙烧温度900 ℃,碳酸钠与钛渣质量比值1.0,焙烧时间1.5 h为兼具了除杂效果和经济性的最佳工艺参数
废SCR脱硝催化剂中V、Mo、W与Ti的选择性分离研究
张凯龙, 陈良, 王正豪, 罗冬梅
2025, 46(4): 18-26. doi: 10.7513/j.issn.1004-7638.2025.04.003
摘要(282) HTML (189) PDF(12)
摘要:
废钒钛系SCR脱硝催化剂是一种含有V、Mo、W、Ti等有价金属的危险废物,实现其无害化处理和资源化利用具有重要意义。分别采用Na2CO3焙烧-水浸、NaOH焙烧-水浸、NaOH常压浸出、NaOH加压浸出等工艺处理废V2O5-MoO3-WO3/TiO2四元SCR脱硝催化剂,实现了钒、钼、钨等活性组分与钛的选择性分离。通过研究焙烧参数和浸出参数对钒、钼、钨浸出率及浸出渣物相的影响,确定了NaOH焙烧-水浸工艺为废V2O5-MoO3-WO3/TiO2四元SCR脱硝催化剂的优选处理工艺。在优选条件下,经过NaOH焙烧-水浸后,V、Mo、W的浸出率分别为97.29%、99.33%和87.57%,并获得了主要物相为六钛酸钠(Na2Ti6O13)的浸出渣。
Na2CO3强化钛精矿真空碳热还原富集Ti
张树东, 宋兵, 姜洋, 李博, 龙显泽, 黄润
2025, 46(4): 27-34. doi: 10.7513/j.issn.1004-7638.2025.04.004
摘要(226) HTML (135) PDF(12)
摘要:
钒钛磁铁矿经二次选矿可获得TiO2品位45%~50%的钛精矿,其中钛以与铁形成复杂氧化物的形式存在,且Ca、Mg、Al等杂质含量较高。针对目前常用的电炉熔炼法存在富集率低、污染废物产生量大及能源消耗较高等问题,采用理论计算与真空碳热还原试验相结合的方法,探究Na2CO3 作为添加剂对钛精矿的还原及钛富集行为的影响。结果表明:在1450 ℃还原温度、12%配碳量及 10% Na2CO3添加量条件下,体系可显著提高Si、Mg、Al、Ca等杂质的聚集效果,同时促进FeTiO3的还原以及Fe颗粒粗化。为后续磁选分离Fe以及盐酸浸出富集Ti提供了创新技术路线。
基于光电流法的钛白粉耐候性快速评价方法研究
袁浩民, 钟山, 唐思扬, 周雪梅, 李红娇, 鲁峰, 梁斌
2025, 46(4): 35-42. doi: 10.7513/j.issn.1004-7638.2025.04.005
摘要(307) HTML (222) PDF(10)
摘要:
钛白粉具有较好的光催化活性,通常需对其进行后处理以抑制光催化活性并提高其耐候性。而评估钛白粉光催化活性对基材耐候性的影响通常耗时较长,难以满足实际生产过程中快速检测以反馈指导工艺调整的需求。基于光电流测试法,融合炭黑底色法,结合不同钛白粉在聚丙烯 (PP) 树脂和聚氯乙烯 (PVC) 树脂体系中的紫外加速老化结果,验证光电流测试方法作为钛白粉在PP、PVC体系中耐候性快速评价手段的实用性。结果表明,以光泽度保有率 (Gr) 作为老化程度的量化指标,通过光电流与分散性参数可较好地定量预测不同钛白粉在PP与PVC体系中的耐候性。可为钛白粉在不同体系中耐候性的快速评价方法开发提供指导,进而为钛白粉工艺优化提供支持。
钒钛材料与应用
仿生骨结构AZ91-Ti交叉复合材料显微组织和力学性能研究
谢湘中, 蔡伟通, 高鹏飞, 张玉桧, 韩胜利, 郑开宏, 潘复生
2025, 46(4): 43-51, 79. doi: 10.7513/j.issn.1004-7638.2025.04.006
摘要(398) HTML (105) PDF(26)
摘要:
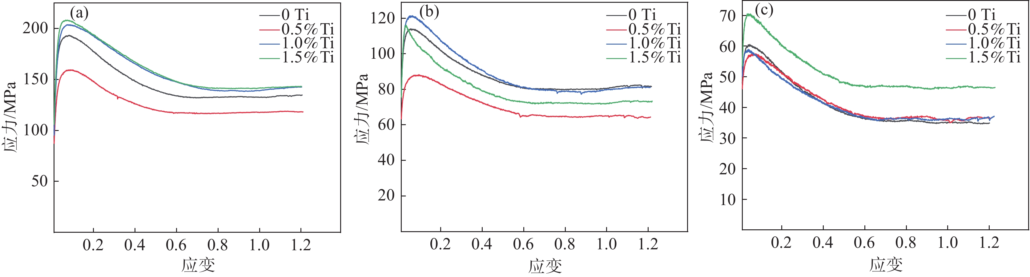
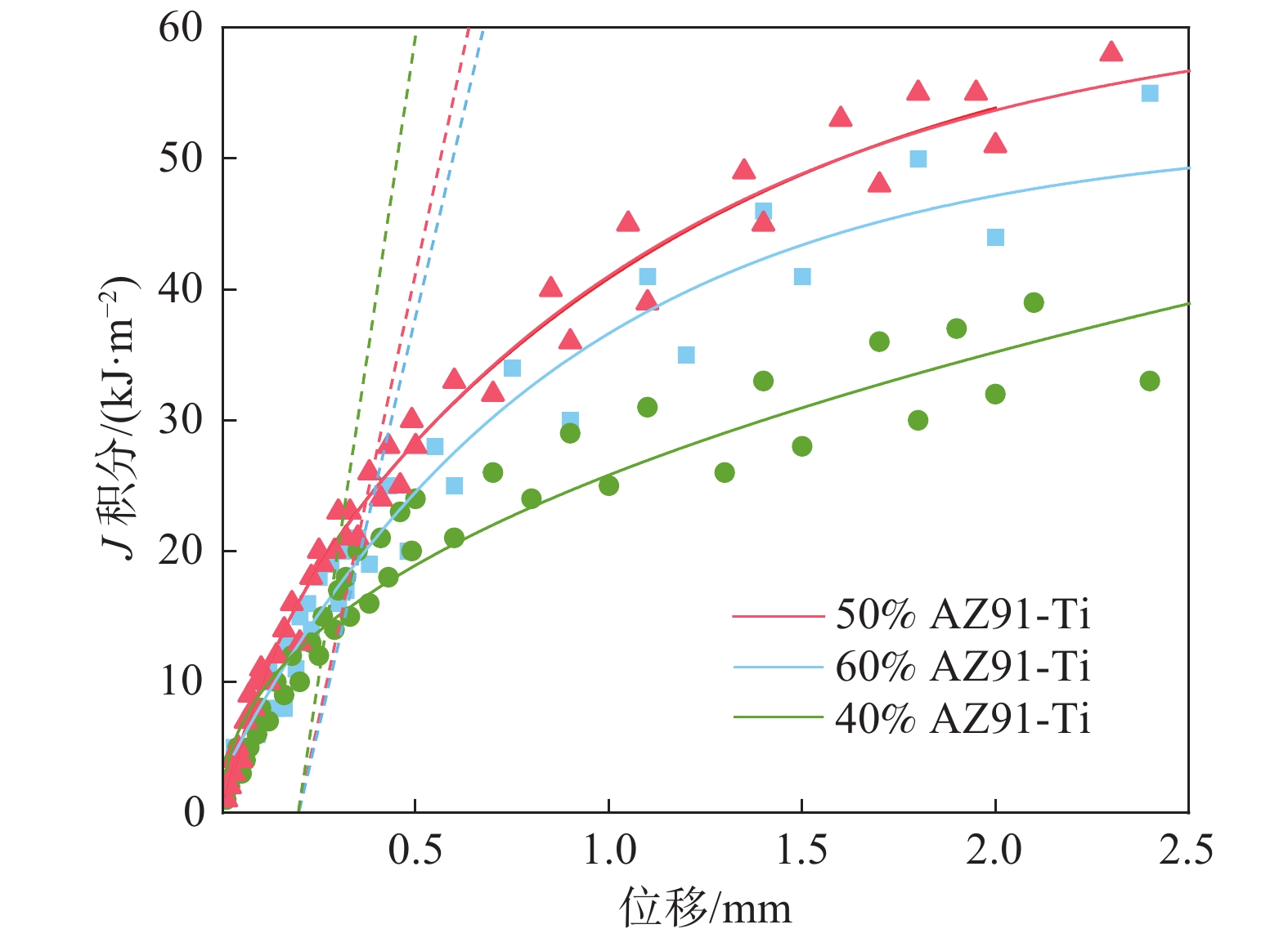
采用粉末冶金法结合无压渗透技术制备了仿生骨结构AZ91-Ti交叉复合材料,实现了强度和断裂韧性的同时提升。微观测试表明,Ti相连续分布且呈特定仿生骨架结构,Mg相交织于复合Ti骨架的连通孔中。AZ91-Ti界面处形成锯齿状Al2Ti相,增强了界面结合强度。力学测试表明,体积分数为50%的AZ91-Ti交叉复合材料具有最佳力学性能,屈服强度、抗拉强度、断裂韧性分别为383 MPa±3.5 MPa、489 MPa±4.9 MPa、36.2 MPa·m0.5。复合材料强度的提升来源于高仿生Ti骨架的载荷作用以及优异的界面结合,复合材料的增韧行为来源于Ti骨架仿生结构引起的裂纹绕曲以及Ti相拔出的能量逸散。
析出强化型TB9合金组织调控及抗疲劳裂纹扩展机制研究
张昭, 滕艾均, 董恩涛, 马知未, 王佳乐, 苑子凯, 郭杰, 方强
2025, 46(4): 52-58. doi: 10.7513/j.issn.1004-7638.2025.04.007
摘要(240) HTML (135) PDF(13)
摘要:
研究了不同热处理制度对TB9(Ti-3Al-8V-6Cr-4Mo-4Zr)钛合金alpha(α)相和力学性能的影响。结果表明,当固溶温度从800 ℃上升至810 ℃,后续采用相同时效工艺时,虽然beta(β)晶粒尺寸略微长大,但其抗拉强度显著降低。采用相同固溶工艺时,500 ℃时效8 h出现了无α相析出区域,随着时效时间的延长,α析出相分布特点由非均匀逐渐转变为弥散分布,抗拉强度在时效16 h出现峰值。根据微观组织演变规律,采用800 ℃-0.5 h, 自然空气冷却(AC)+500 ℃-16 h, AC与810 ℃-0.5 h, AC+520 ℃-8 h, AC两种热处理制度时,获得相似微观组织,但前者的拉伸和疲劳性能明显优于后者。虽然两种合金的疲劳裂纹扩展机制均表现为粗糙度诱导裂纹闭合效应,但是通过对疲劳数据进行归一化处理,其结果进一步证实了α相尺寸和分布均匀性对力学性能影响显著。
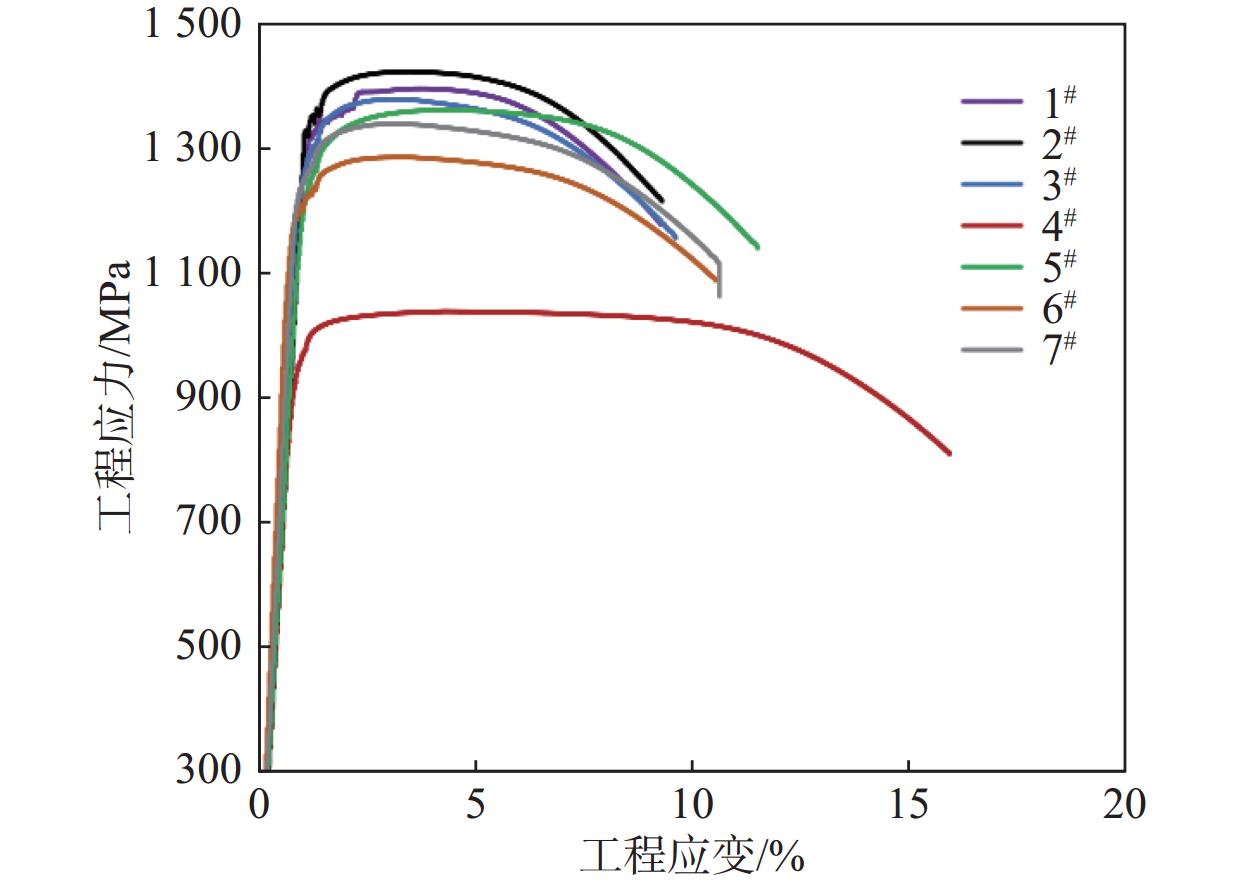
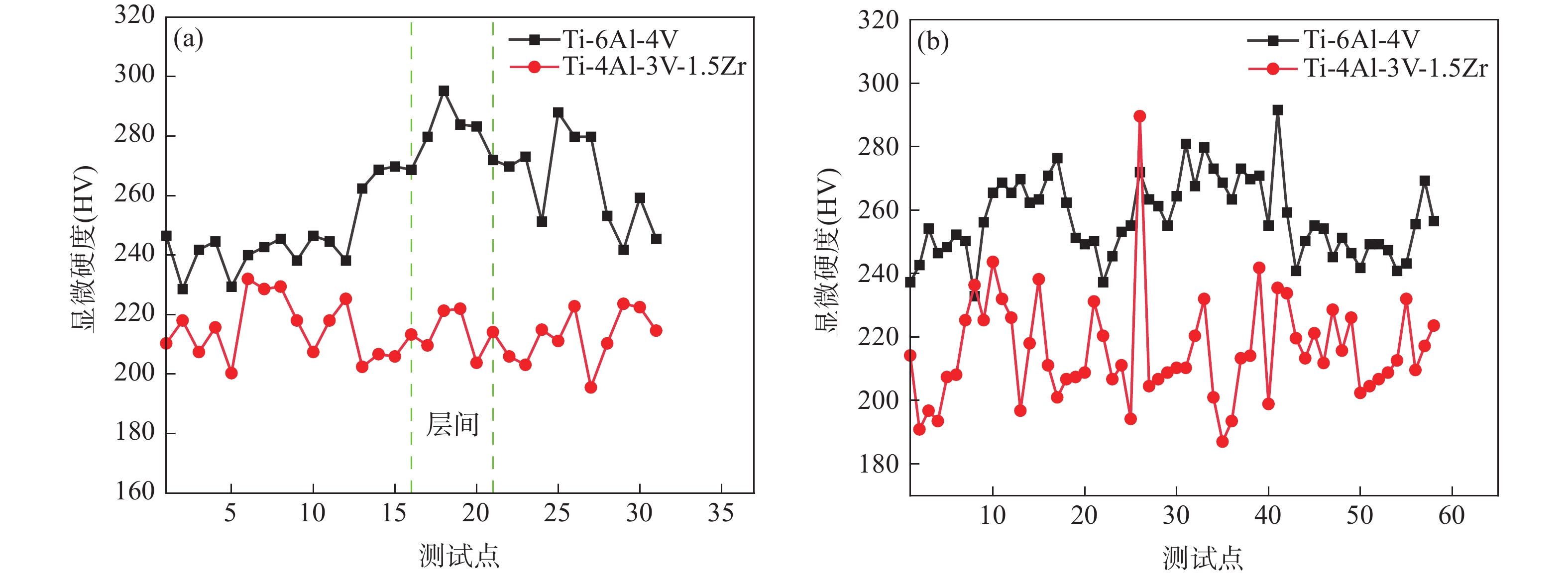
不同成分钛合金焊丝激光-电弧复合焊接熔敷金属组织与性能研究
邹升光, 何明涛, 王大锋, 姜彤, 周洪刚, 张文治, 何逸凡
2025, 46(4): 59-65. doi: 10.7513/j.issn.1004-7638.2025.04.008
摘要(279) HTML (119) PDF(9)
摘要:
为探明激光−电弧复合焊接中钛合金焊丝熔敷金属组织性能的演变,分别以Ti-6Al-4V和Ti-4Al-3V-1.5Zr焊丝为焊材,利用摆动激光-MIG复合焊接工艺制备钛合金焊丝熔敷金属,采用X射线探伤、OM、SEM和EBSD分析熔敷金属的缺陷、组织、物相成分、晶粒尺寸和断口形貌。采用拉伸试验机、冲击试验机及维氏硬度仪测试熔敷金属的强度、冲击功和硬度。结果表明:摆动激光-MIG复合焊接钛合金熔敷金属内部无明显气孔和裂纹;Ti-6Al-4V焊丝熔敷金属由针叶状α相和网篮状β相组成,晶粒较小,平均晶粒尺寸约7.96 µm,硬度(HV0.2)、抗拉强度和冲击吸收功分别为257、1057 MPa和41.7 J;Ti-4Al-3V-1.5Zr焊丝熔敷金属主要由片层状α相构成,晶粒较大,平均晶粒尺寸为8.96 µm,硬度和抗拉强度较低,而冲击吸收功较大,冲击吸收功49.6 J。这与摆动激光复合焊熔敷工艺、Ti-6Al-4V中V元素的第二相强化和晶粒细化作用密切相关。
TA1钛合金薄板点环扫描激光焊缝成形与组织性能研究
刘珂, 余腾义, 杨培庆, 李耿, 张帅, 高明
2025, 46(4): 66-73. doi: 10.7513/j.issn.1004-7638.2025.04.009
摘要(289) HTML (262) PDF(9)
摘要:
针对0.5 mm厚TA1钛合金薄板,采用点环扫描激光的新型焊接方式,研究了工艺参数对焊缝成形与组织性能的影响。采用单因子试验方法,每次仅改变一个参数,固定其它参数不变。各工艺参数不变时的基准数值分别为:中心功率Pz=800 W,外环功率Pw=1200 W,焊接速度v=100 mm/s,扫描频率F=300 Hz。改变某一个参数时,其变化范围分别为:中心功率Pz=200~800 W,外环功率Pw=12001800 W,焊接速度v=40~100 mm/s,扫描频率F=100~400 Hz。研究结果表明:点环扫描激光相比非扫描激光,兼具大熔宽与浅熔深的特点,非常适合薄板焊接;相比普通扫描激光,不仅熔深与熔宽更大,同时焊缝表面成形更光滑、美观,因焊缝余高凸起造成的应力集中也更小。点环扫描激光焊缝显微组织为α相。点环激光的中心功率与外环功率变化对焊缝显微组织、接头抗拉强度与延伸率的影响不显著。焊缝抗拉强度达到母材的95%~96%,延伸率达到母材的54%~60%。
TC4B钛合金摆动激光-MIG复合焊接头组织与性能研究
姜彤, 王大锋, 邹升光, 张文治, 张龙, 何逸凡
2025, 46(4): 74-79. doi: 10.7513/j.issn.1004-7638.2025.04.010
摘要(281) HTML (141) PDF(9)
摘要:
采用摆动激光-MIG复合焊焊接20 mm厚TC4B钛合金板,研究焊接接头的显微组织,对比有无摆动对焊接接头抗拉强度以及冲击性能的影响,分析焊接接头的疲劳性能。结果表明:焊接热影响区分为粗晶区和细晶区,粗晶区高温区域停留时间较长,α相可以完全转变为高温β相,冷却开始β相向α′相转变,形成马氏体组织;细晶区加热温度不足以使α相完全转变为高温β相,冷却开始β相向α′相的转变不彻底,最终形成α相和α′相。摆动焊接接头抗拉强度为985 MPa,冲击功为42.6 J。摆动焊接接头的极限疲劳强度为464 MPa,疲劳裂纹起源于内部气孔,疲劳裂纹扩展区主要为韧性疲劳裂纹,瞬断区有大量的韧窝出现。
资源环境与节能
硅灰-黄磷渣-高钛型高炉渣三元复合掺合料的制备与性能研究
苏达刚, 鲁莉, 龙钊永, 周孝军, 周贤良, 敖进清
2025, 46(4): 80-87. doi: 10.7513/j.issn.1004-7638.2025.04.011
摘要(410) HTML (185) PDF(15)
摘要:
高钛型高炉渣活性较低是限制其在混凝土中单独作为掺合料应用的主要因素之一。为解决这一问题,制备了硅灰-黄磷渣-高钛型高炉渣三元复合掺合料,研究其对水泥胶砂流动度比与活性指数的影响。结合XRD、SEM-EDS微观测试手段,分析了不同掺合料对水泥胶砂性能的影响机理。结果表明:随着硅灰-黄磷渣的掺入,水泥胶砂的流动度比会下降,且硅灰的影响大于黄磷渣。三元复合掺合料的活性指数较高钛型高炉渣单独作为掺合料时得到了明显的提升。高钛型高炉渣:硅灰:黄磷渣占比为5:2:3时7 d和28 d龄期的活性指数最优,分别达到了76.9%和100.2%,满足II级掺合料对活性指数的要求。微观测试表明,硅灰-黄磷渣的掺入能消耗片状Ca(OH)2,生成更多絮凝状胶体C-S(A)-H与针棒状AFt的水化产物,形成相互交错、致密的网状结构,从而增强水泥胶砂的强度。
提钒转炉污泥中镓和铁选择性分离研究
姜洋, 秦治峰, 王奎, 杨珍, 刘娟
2025, 46(4): 88-94, 165. doi: 10.7513/j.issn.1004-7638.2025.04.012
摘要(232) HTML (116) PDF(18)
摘要:
采用酸浸法对冶炼流程中的提钒转炉污泥进行了镓的浸出试验,考察了镓在提钒转炉污泥中的赋存状态及多种因素对镓浸出率的影响,包括酸浓度、液固比、反应温度、反应时间和搅拌速率等。结果表明,镓离子主要赋存在氧化铁的晶格中,盐酸可作为有效浸出试剂破坏氧化铁的晶格,在盐酸浓度为5 mol/L,反应时间1 h,反应温度60 °C,液固比为5:1时镓的浸出率为90%。利用元素沉淀pH值的差异可有效分离镓和铁,进而得到富镓料,与提钒转炉污泥对比,富镓料中的镓富集24倍。该研究成果有望为实现钒钛磁铁矿中高附加值关键金属的提取提供技术支撑。
钒钛尾矿改性及尾矿基胶凝材料制备研究
李翠, 陈涛, 张俊, 罗少琛, 张肖, 胡丽丽
2025, 46(4): 95-102. doi: 10.7513/j.issn.1004-7638.2025.04.013
摘要(260) HTML (177) PDF(15)
摘要:
以攀西地区钒钛尾矿为原材料,通过物理和复合化学改性技术激发其潜在的胶凝活性,进而制备钒钛尾矿基胶凝材料。通过对所制备材料的微观性能进行分析,探讨胶凝材料体系的水化产物、微观结构的演变过程。结果表明,经机械力活化与化学复合改性处理后,钒钛尾矿养护28 d活性指数显著提升,由原始的60%提升至84%。当条件为钒钛尾矿45%、提钛渣20%、钙质材料5%、硫质材料15%和水泥熟料15%时,所制备的钒钛尾矿基胶凝材料展现出良好的力学性能,养护28 d抗压强度达到33.1 MPa,与32.5级水泥相当,表明该材料在非结构工程领域具有潜在的应用前景。
双碳目标下CO2化学转化技术的研究进展
李函霏, 刘芳, 安宁, 孙中琦, 陈鹏, 王飞
2025, 46(4): 103-110. doi: 10.7513/j.issn.1004-7638.2025.04.014
摘要(314) HTML (123) PDF(8)
摘要:
为了应对全球气候变化的严峻挑战,我国明确提出碳中和的战略目标。发展CO2利用技术是实现双碳目标的关键。通过CO2利用技术将CO2转化为有价值的产品和资源,不仅可以实现CO2排放的减量化,还可以带来经济效益。基于双碳目标的战略需求与CO2利用技术的发展趋势及重要性,重点综述了我国CO2化学转化技术的研究进展,系统分析了光催化、电催化、热催化还原三大技术路线的研究现状,探讨了这些技术面临的挑战和潜在的解决方案。最后,对我国CO2化学转化技术的未来发展提出了建议。
钢铁冶金与材料
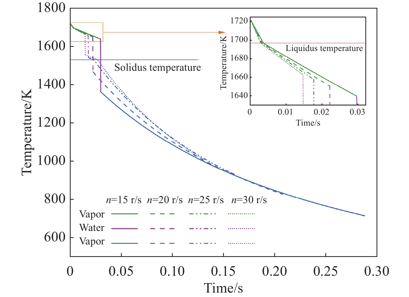
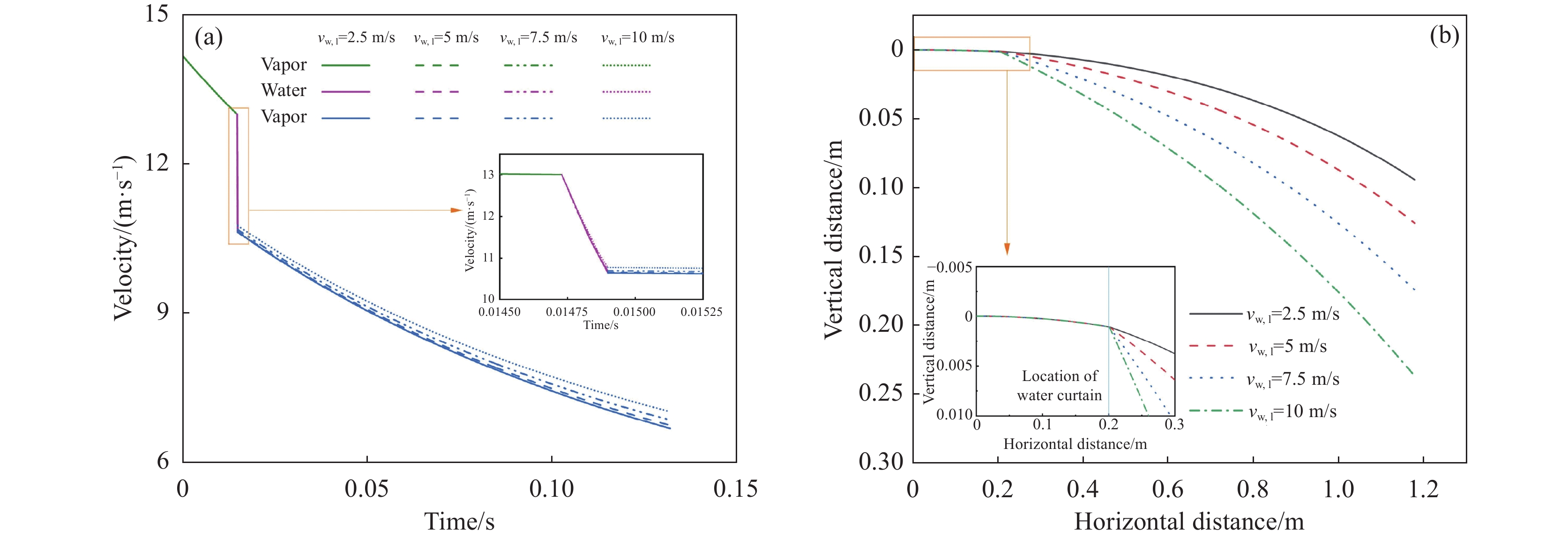
离心粒化-水幕冷却过程中半钢熔滴的运动换热行为研究
贺文超, 刘增昊, 吕学伟
2025, 46(4): 111-118. doi: 10.7513/j.issn.1004-7638.2025.04.015
摘要(331) HTML (134) PDF(15)
摘要:
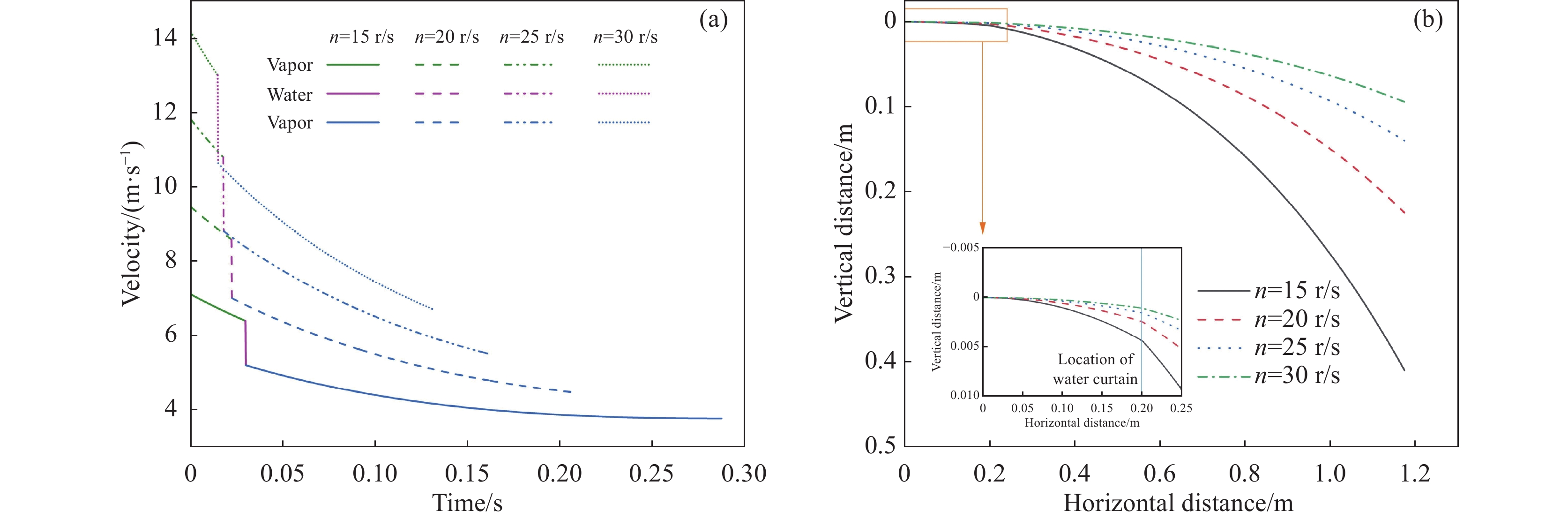
离心粒化-水幕冷却过程中半钢熔滴依次与蒸汽、水幕、蒸汽进行热量交换,研究熔滴的运动换热行为对于粒化装置和水幕工艺设计具有重要意义。建立了熔滴飞行动力学模型和换热模型,通过模拟计算分析了转杯转速、熔滴粒径、水幕流速和水幕厚度等因素对熔滴飞行轨迹和温度影响。研究结果表明,熔滴到达装置侧壁时在垂直方向的飞行距离随着转杯转速、熔滴粒径的增大以及水幕流速、水幕厚度的减小而减小。其中转杯转速对熔滴飞行轨迹的影响较大,当转速由15 r/s增大至30 r/s时,熔滴在垂直方向的飞行距离由0.410 m减至0.094 m。熔滴到达装置侧壁时的温度随着转杯转速、熔滴粒径的增大以及水幕流速、水幕厚度的减小而增大。其中水幕厚度对熔滴的温度影响较大,当厚度由1 mm增大至4 mm时,颗粒温度由1127.41 K降至796.29 K。
RH插入管粘渣层分析与粘渣机理研究
李福申, 张敏, 杨鹏, 梁小平, 白旭旭, 王雨, 王腾飞
2025, 46(4): 119-126. doi: 10.7513/j.issn.1004-7638.2025.04.016
摘要(236) HTML (150) PDF(7)
摘要:
针对重轨钢RH精炼过程中出现的RH插入管粘渣问题,对RH插入管表面粘结物进行现场取样,分析了其化学成分及物相组成特征,结合RH插入管外层浇注料与熔渣的相互作用以及熔渣冷凝析出的热力学分析,探讨了重轨钢精炼过程中RH插入管的粘渣机理。研究表明:RH插入管表面粘结物主要由Al2O3、 CaO、 SiO2和MgO等成分组成,形成的镁铝尖晶石(MgO·Al2O3)、镁橄榄石(2MgO·SiO2)以及铝硅酸钙(2CaO·Al2O3·SiO2)等高熔点物相是插入管粘渣的重要原因。插入管的粘渣机理可描述为:在插入管使用期间,由于温度交替变化,其表面持续发生熔渣的“粘性粘结”和“析出性粘结”使得插入管粘渣层不断增厚而难以自行脱落,导致RH插入管的严重粘渣。
430不锈钢保护渣结晶型渣圈生长过程分析
王杏娟, 宋元龙, 朱立光, 张建宇, 司旭林, 郑雪龙
2025, 46(4): 127-134. doi: 10.7513/j.issn.1004-7638.2025.04.017
摘要(182) HTML (146) PDF(7)
摘要:
某钢厂430不锈钢采用进口保护渣常常形成过大的渣圈,影响铸坯的质量。为了明晰其渣圈长大原因,采用结晶器渣膜热流模拟仪,制取1450 ℃条件下430不锈钢保护渣结晶型渣圈,并利用扫描电镜分析其微观结构,以探究渣圈生长过程。同时,使用Factsage软件进行热力学模拟,并与XRD试验结果对比。结果发现:高熔点的硅酸二钙、硅灰石、黄长石和枪晶石优先析出冷凝在器壁上,形成初始结晶型渣圈,占35%;随后,较低熔点的菱硅钙钠石黏附在此层,占20%;最后,夹杂少量霞石的枪晶石逐渐附着在已形成的渣圈上,占45%。通过对这一过程的分析,揭示了430不锈钢保护渣结晶型渣圈的形成机制,为控制渣圈生长提供了理论依据。
碱金属氧化物对CaO-Al2O3保护渣熔体结构和黏性特性的影响
张晓博, 田勇, 刘承军
2025, 46(4): 135-141. doi: 10.7513/j.issn.1004-7638.2025.04.018
摘要(265) HTML (125) PDF(7)
摘要:
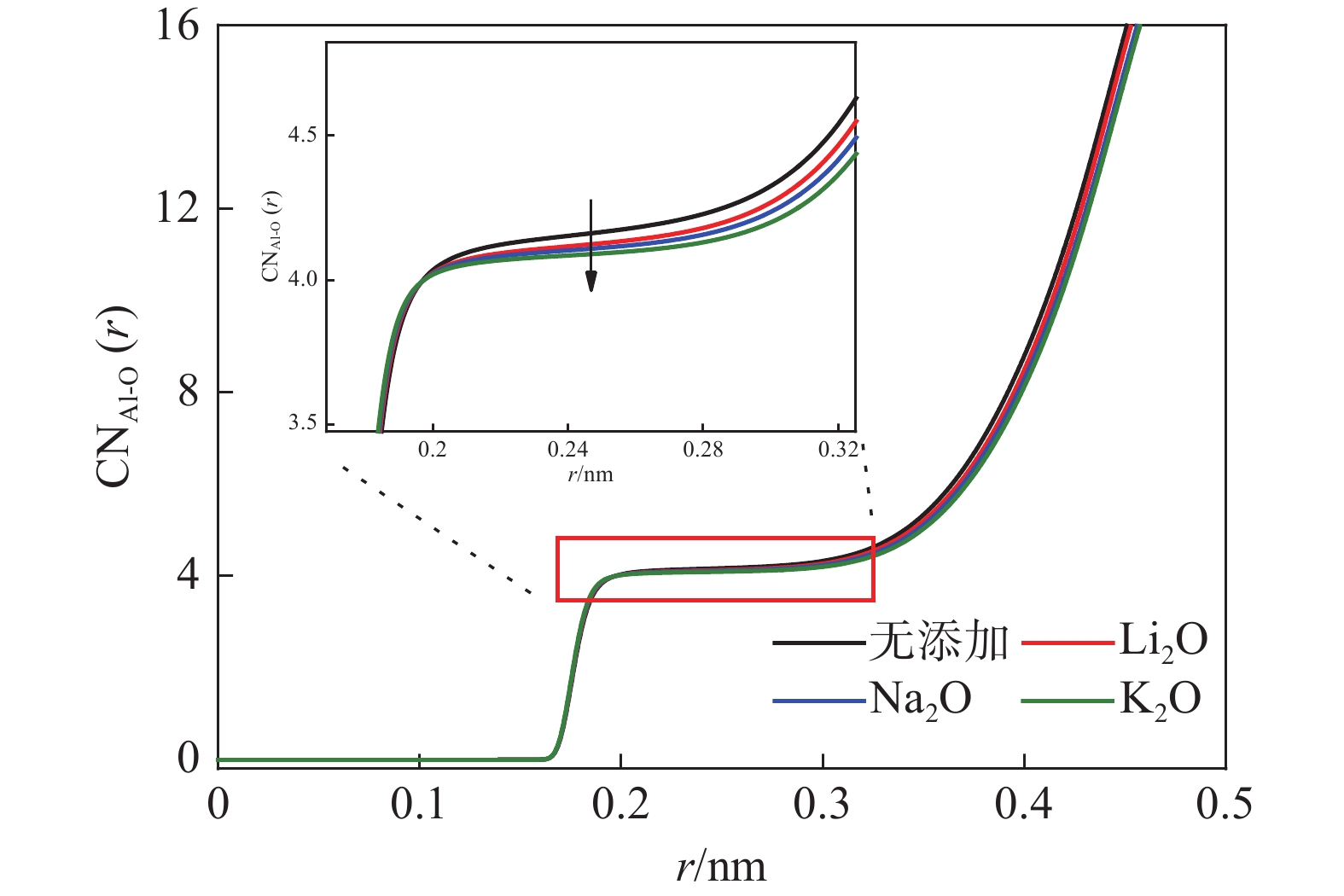
低反应性CaO-Al2O3基保护渣可以大幅降低高铝钢连铸过程中的渣-钢反应强度,但此类保护渣黏度较大,结晶性能较强,易在结晶器弯月面处产生较大渣圈,造成铸坯缺陷。采用分子动力学模拟方法结合黏度测试试验,解析同为碱金属氧化物的Li2O、Na2O和K2O对CaO-Al2O3基保护渣熔体结构和黏性特性影响的异同,结果表明,碱金属氧化物对[AlO4]5−四面体进行电荷补偿遵循Li2O<Na2O<K2O的顺序,对铝酸盐网络结构的解聚能力遵循Li2O>Na2O>K2O的顺序。
高频感应加热烧结与热等静压烧结对粉末高速钢组织和性能影响研究
温家昕, 施麒, 周舸, 陈立佳, 刘辛, 殷福星, 梁盛隆, 王学林, 尚成嘉
2025, 46(4): 142-149. doi: 10.7513/j.issn.1004-7638.2025.04.019
摘要(238) HTML (122) PDF(7)
摘要:
以国产气雾化高速钢粉末为原料,通过高频感应加热烧结和热等静压烧结两种工艺制备粉末高速钢,研究了不同工艺对材料致密化、微观组织和力学性能的影响。结果表明,高频感应加热烧结工艺在短时低压下可制备出致密度接近95%的粉末高速钢,虽略低于热等静压工艺,但生产效率更高;在微观组织上,两种工艺制备的粉末高速钢表现出显著差异:高频感应加热烧结粉末高速钢由铁素体基体与大量类网状碳化物组成,热等静压烧结粉末高速钢则由铁素体基体与大量均匀分布的条块状碳化物组成。虽然高频感应加热烧结粉末高速钢的显微硬度、屈服强度、抗拉强度与延伸率略低于热等静压烧结样品,但性能仍相近。高频感应加热烧结工艺能够在短时间和低成本条件下制备出性能优异的粉末高速钢产品,特别适用于对成本和生产周期有较高要求的工业领域。
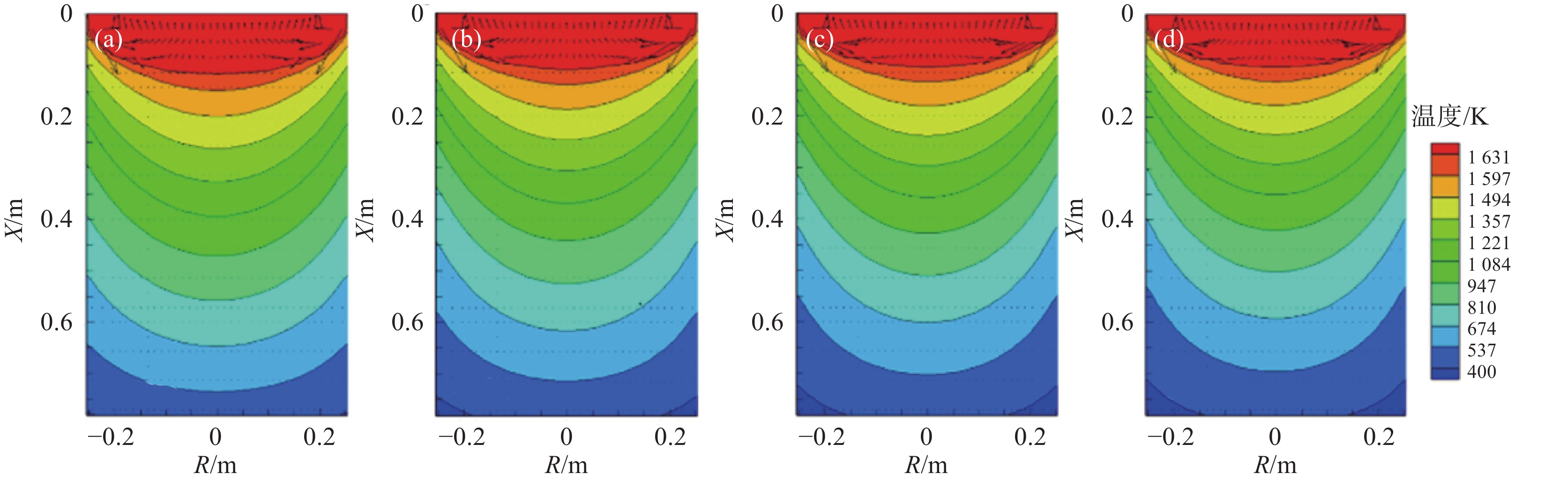
镍基高温合金真空自耗过程的数值模拟研究
唐平梅, 蒋世川, 夏长林, 周扬, 王瑞, 刘影
2025, 46(4): 150-159. doi: 10.7513/j.issn.1004-7638.2025.04.020
摘要(223) HTML (174) PDF(11)
摘要:
利用Meltflow-VAR软件对镍基高温合金真空自耗过程进行了数值模拟研究,模拟分析了真空自耗冶炼过程不同阶段电磁分布、熔池流动传热、形态尺寸演化特征,探究了整个冶炼过程黑斑缺陷形成倾向大小及原因,同时研究了氦气压力对熔池流动传热、形态尺寸及黑斑缺陷形成的影响规律。结果表明,真空自耗冶炼过程中,电势主要位于铸锭上表面心部,而磁感应强度主要位于铸锭上表面边部,金属熔池流动主要受到热浮力的驱动。分布在铸锭表面及内部的电场强度、电流密度、洛伦兹力以及金属熔池尺寸、熔池流动强度等参数在起弧阶段逐渐增大,在稳态阶段逐渐保持稳定,而在热封顶阶段逐渐减小。整个冶炼过程,随着铸锭在纵向方向的生长,底部结晶器底板的冷却效果减弱,热封顶氦气压力减小,低熔速保温时间较长会导致铸锭上部热封顶附近位置容易出现黑斑缺陷。增大氦气压力能减小熔池尺寸,减轻铸锭偏析,但持续增大氦气压力改善铸锭偏析缺陷的效果会逐渐变得不显著。最后将试验解剖的与模拟预测的自耗锭熔池深度进行对比,验证了所建数学模型的合理性。
Ti对304B7凝固组织及热变形性能的影响
张斯龙, 杨礼林, 张文煅, 赵莉萍
2025, 46(4): 160-165. doi: 10.7513/j.issn.1004-7638.2025.04.021
摘要(198) HTML (169) PDF(11)
摘要:
以304B7不锈钢为研究对象,添加不同含量的Ti元素熔铸成试验钢,使用热模拟机对其进行热压缩模拟热轧过程。采用光学显微镜、X射线衍射仪、扫描电子显微镜、电子探针对铸态、热压缩后试验钢的物相、显微组织进行分析。结果表明,铸态试验钢中存在大量连续网络状的共晶硼化物,随着Ti的加入,部分硼化物由长条状(Fe,Cr)2B转变为颗粒状TiB2。热压缩后的试验钢奥氏体晶粒沿压缩方向被拉长,硼化物由长条状破碎为短棒状。热压缩温度越高,试验钢变形抗力越小,含0.5%Ti的试验钢热压缩时峰值流变应力相对最小,热加工塑性较好。
铌析出物对X80管线钢抗氢致裂纹性能的影响
任振渔, 宋波, 许国方, 程文森
2025, 46(4): 166-173. doi: 10.7513/j.issn.1004-7638.2025.04.022
摘要(233) HTML (178) PDF(7)
摘要:
研究了Nb含量对X80管线钢中析出相特征、氢扩散行为、抗氢致裂纹(HIC)性能的影响。结果表明:随着钢中Nb含量增加,在相同的统计面积下,钢中纳米级析出相数量由Nb1钢(含铌0.04%)中的87个增加到Nb3钢(含铌0.12%)中的506个,钢中NbC占比由64.82%增加到98.22%。氢原子在钢中的扩散系数由Nb1钢中的1.63×10−6 cm2/s降低到Nb3钢中的9.35×10−7 cm2/s。钢中裂纹的扩展模式由Nb1钢中沿晶、穿晶混合变为Nb2、Nb3钢中的以穿晶为主。纳米级NbC可作为氢陷阱捕获钢中可扩散氢原子,降低氢原子的聚集和钢中氢致裂纹的萌生。当钢中Nb含量为0.12%时,钢的抗HIC性能最好。
Nb-Ti微合金钢中第二相粒子对奥氏体晶粒长大行为的影响
黄健, 徐海健, 庞宗旭, 张建平, 王勇, 李天怡
2025, 46(4): 174-181. doi: 10.7513/j.issn.1004-7638.2025.04.023
摘要(239) HTML (160) PDF(8)
摘要:
对Nb-Ti微合金化钢在10501250 ℃条件下分别进行5~240 min等温奥氏体化的热处理试验,研究其奥氏体晶粒长大行为,利用Thermo-calc及TEM对不同加热工艺下的第二相粒子进行分析,通过HUMPHREYS理论对晶粒长大方式进行了预测。结果表明:随着奥氏体化温度的升高,NbC粒子中的Nb/Ti质量比逐渐减小,10501100 ℃保温1 h时晶粒尺寸细小均匀,温度升高至1150 ℃时发生晶粒异常长大现象,1250 ℃加热时晶粒尺寸粗化明显,各工艺下晶粒的实际长大方式与HUMPHREYS模型预测相同。综合考虑加热过程中奥氏体晶粒尺寸及微合金元素的溶解与析出规律,试验钢的最佳加热温度为 1200 ℃左右。
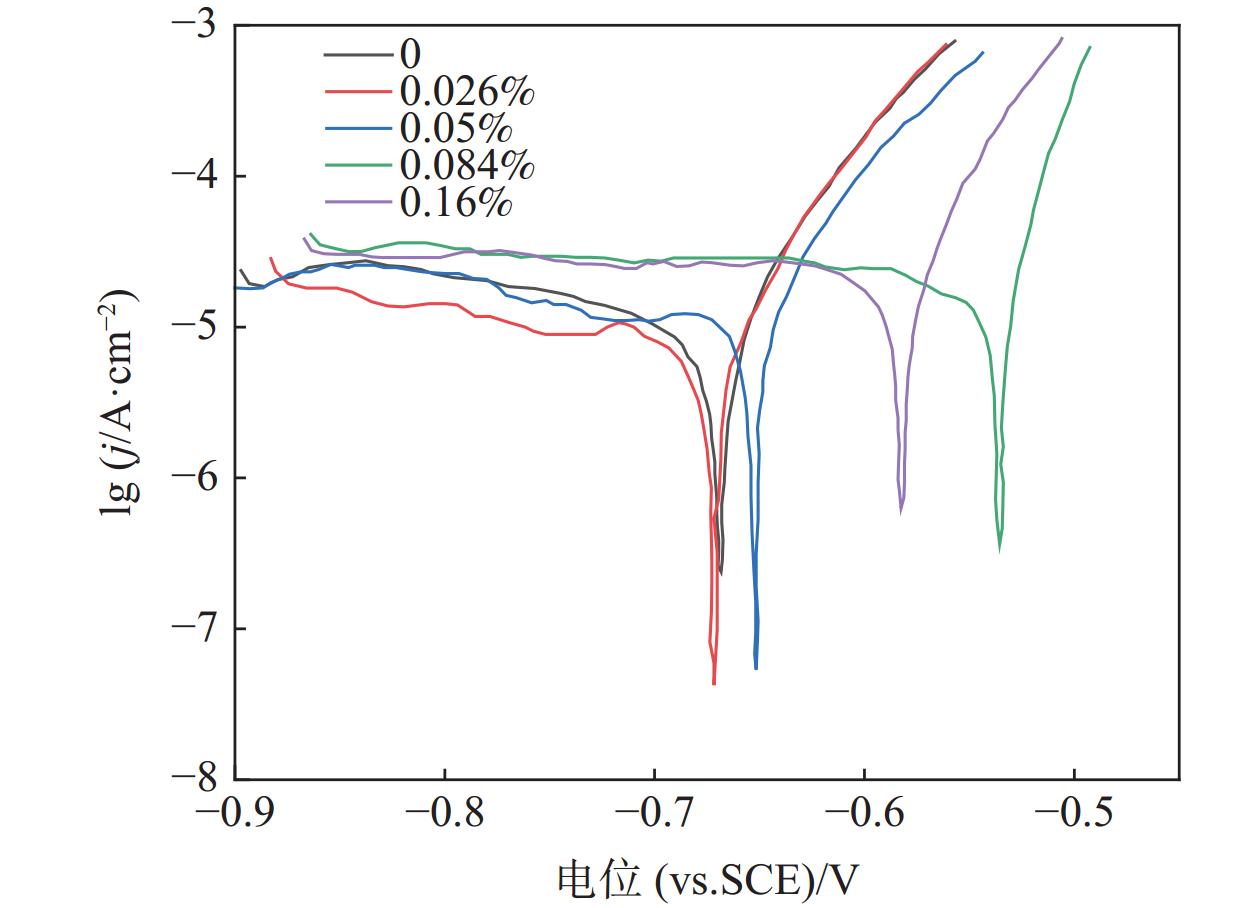
碲对38MnVS非调质钢腐蚀性影响研究
周群翔, 徐瑞军, 吴文博, 曾凡正, 李杰, 徐翔宇, 付建勋
2025, 46(4): 182-189, 196. doi: 10.7513/j.issn.1004-7638.2025.04.024
摘要(231) HTML (167) PDF(5)
摘要:
开展三电极系统电化学试验,分析碲添加对非调质钢腐蚀性的影响,利用扫描电镜(SEM)和电子探针(EDS)对钢中硫化物进行表征分析,对电化学腐蚀试验结果进行诠释。结果表明:随着钢中碲含量的增加,钢的自腐蚀电位升高,腐蚀倾向减小;少量碲(0.026%)固溶在硫化锰中,钢的腐蚀电流最小,为5.13×10−6 A,耐蚀性能最好。钢中加入碲后,MnTe包裹在MnS周围,导致夹杂物长宽比明显减小,长条状硫化物转变为椭球状,分布更加均匀,有效降低了硫化物周围的应力集中。
基于高速摄影和FLUENT的MIG焊接熔滴过渡研究
吉光亚, 李科, 常瀚文, 胡嘉睿, 张资政
2025, 46(4): 190-196. doi: 10.7513/j.issn.1004-7638.2025.04.025
摘要(212) HTML (162) PDF(6)
摘要:
针对304L不锈钢MIG焊接过程中的熔滴过渡现象,运用FLUENT软件进行数值模拟,借助高速摄影系统进行拍摄,对焊接电流分别为150、180 A和 260 A时的熔滴过渡形态特征和频率进行分析。研究结果显示,随着焊接电流的增大,熔滴所受电磁收缩力和等离子流力逐渐占据主导地位;随着熔滴温度逐渐升高,表面张力随之变小,使得熔滴从焊丝末端分离所需的重力减小,导致熔滴直径逐渐变小,过渡频率逐渐加快,依次呈现出大滴过渡、射滴过渡和射流过渡。通过对比三组焊接电流的高速摄影和数值模拟结果,二者在过渡周期、特征时间和熔滴尺寸等方面的试验值与模拟值相似度均分别超过87%、90%、91%,表明所采用的数值模拟模型具有较高的可靠性。
离心式压缩机闭式叶轮叶片开裂原因分析
史宁岗, 黄盛华, 陈松, 刘方超, 陈晓磊
2025, 46(4): 197-204. doi: 10.7513/j.issn.1004-7638.2025.04.026
摘要(232) HTML (178) PDF(6)
摘要:
某输送天然气所用的离心式压缩机中闭式叶轮在投入生产5年后,对其进行维护保养时发现多处叶片根部产生裂纹。为明确叶片裂纹的产生原因,对失效样品进行化学成分分析、拉伸试验、硬度测试以及金相分析,并选取一处裂纹进行开裂原因分析。结果表明:叶片与前盖板处的钎焊焊缝焊接过程中产生缺陷,叶片焊缝R角位置在运行时于缺陷处生成裂纹,服役时受交变载荷的作用发生疲劳扩展进入叶片,导致叶片发生开裂。因此,针对叶轮制造时的焊接质量以及后续出厂质量验收必须进行严格把控,增加无损检测手段确保产品质量过关,可减少或避免类似情况出现。